山西省晋中市博雅培文实验学校2023-2024学年高二上学期8月开学考物理试卷
展开2023年高二上学期开学考试物理试卷
(全卷满分:100分,考试用时:75分钟)
一、选择题(1-6为单选题,每题只有一个正确的选项,每题4 分,7-10为多选题,每题至少有两个选项正确,每题5 分,选全得 5分,选不全得3分,选错不得分,总计44分)。
1.关于物体的运动,下列说法正确的是( )
A.匀速圆周运动是匀变速曲线运动
B.用细绳拴着一个小钢球,在竖直面内做非匀速圆周运动,不考虑空气阻力,小球在任何一点的合力都不指向圆心
C.一个物体做斜上抛运动,每秒速度变化量的方向相同
D.从水平匀速飞行的飞机上,每隔一秒释放一个物体,不考虑空气阻力的情况下,这些物体在空中形成一条等间距的竖直线
2.一质点沿直线Ox方向做加速运动,它离开O点的距离x随时间变化的关系x=3+2t3(m),它的速度随时间变化的关系为v=6t2(m/s)。则该质点在t=2s时的瞬时速度和t=0到t=2s间的平均速度分别为( )
A.24m/s、8m/s B.8m/s、24m/s
C.24m/s、12m/s D.12m/s、24m/s
3.如图所示,质量为m的小球从距离地面高H的A点由静止开始释放,落到地面上后又陷入泥潭中,由于受到阻力作用,到达距地面深度为h的B点时速度减为零。不计空气阻力,重力加速度为g。关于小球下落的整个过程,下列说法正确的有( )
A. 小球的机械能减少了mg(H+h)
B. 小球克服阻力做的功为mgh
C. 小球所受阻力的冲量等于
D. 小球动量的改变量等于所受阻力的冲量
4.在抗击新型冠状病毒肺炎疫情的特殊时期,许多快递公司推出“无接触配送”服务。某快递小哥想到了用无人机配送快递的办法,某次配送质量为2kg的快递,在无人机飞行过程中,0~10s内快递在水平方向的速度一时间图像如图甲所示,竖直方向(初速度为零)的加速度一时间图像如图乙所示,下列说法正确的是( )
A.快递做匀变速曲线运动
B.快递在0~10s内的位移大小为75m
C.10s末快递的速度为10m/s
D.1s末快递受到合力大小为4N
5.如图所示,某段滑雪雪道倾角为30°,总质量为m(包括雪具在内)的滑雪运动员从距底端高为h处的雪道上由静止开始匀加速下滑,加速度为。在他从上向下滑到底端的过程中,重力加速度为g,下列说法正确的是( )
A.运动员减少的重力势能全部转化为动能
B.运动员获得的动能为
C.运动员克服摩擦力做功为
D.下滑过程中系统减少的机械能为
6. “天问一号”于2020年7月23日成功发射,经过多次变轨,于2021年5月15日成功着陆火星,着陆后“祝融号”火星车成功传回遥测信号。已知“天问一号”在距火星表面高度为的圆形轨道上运行的周期为,火星的半径为,引力常量为,忽略火星自转的影响,则以下说法正确的是( )
A. “天问一号”在地球上的发射速度介于第一宇宙速度和第二宇宙速度之间
B. “天问一号”着陆火星的过程中,引力势能增大,动能减少,机械能守恒
C. 火星的平均密度为
D. 火星的第一宇宙速度为
7.如图所示,用一段绳子把轻质滑轮吊装在A点,一根轻绳跨过滑轮,绳的一端拴在井中的水桶上,人用力拉绳的另一端,滑轮中心为O点,人所拉绳子与OA的夹角为β,拉水桶的绳子与OA的夹角为α。人拉绳沿水平地面向左运动,把井中质量为m的水桶缓慢提上来,人的质量为M,重力加速度大小为g,在此过程中,以下说法正确的是( )
A.α始终等于β
B.吊装滑轮的绳子上的拉力逐渐变大
C.地面对人的摩擦力逐渐变大
D.地面对人的支持力逐渐变大
8.人用绳子通过光滑定滑轮拉静止在地面上的物体A,A穿在光滑的竖直杆上当人以速v度竖直向下匀速拉绳,使质量为m的物体A上升高度h后到达如图所示位置时此时绳与竖直的夹角为θ。已知重力加速度为g,下列说法不正确的是( )
A.此时物体A的速度为vcosθ
B.此时物体A的速度为
C.该过程中绳对物体A做的功为
D.该过程中绳对物体A做的功为
9.一起重机的钢绳由静止开始匀加速提起质量为m的重物,当重物的速度为v1时,起重机的功率达到最大值P,此后起重机保持该功率不变,继续提升重物,直到重物匀速上升。已知重力加速度为g,则( )
A.重物匀速上升的速度为
B.重物匀加速的末速度为
C.整个过程中钢绳的最大拉力为
D.重物匀加速运动的加速度为
10.如图所示,在倾角θ=37°斜坡的底端固定一挡板,一轻弹簧下端固定在挡板上,弹簧自然伸长时其上端位于斜坡上的O点处。质量分别为ma=5.0kg、mb=1.0kg的物块a和b用轻绳连接,轻绳跨过斜坡顶端的定滑轮,开始时让a静止在斜坡上的P点处,b悬空。现将a由静止释放,a沿斜面下滑,当a将弹簧压缩到Q点时,a的速度减为零。已知PO=1.0m,OQ=0.5m,a与斜坡之间的动摩擦因数μ=0.2,sin37°=0.6,整个过程细绳始终没有松弛。则下列说法正确的是( )
A.a在与弹簧接触前的加速度大小为1m/s2
B.a在与弹簧接触前,轻绳上的拉力为10N
C.a位于Q点时,弹簧所储存的弹性势能为18J
D.a第一次被弹回到O点时的速度为m/s
二、实验题(2小题,共11分)
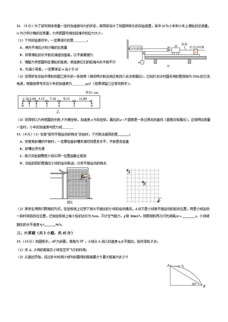
11. (5分)为了探究物体质量一定时加速度与力的关系,某同学设计了如图甲所示的实验装置,其中M为小车和小车上滑轮的总质量,m为沙和沙桶的总质量,力传感器可测出轻绳中的拉力大小。
(1)下列实验操作中,一定要进行的是 ;
A.用天平测出沙和沙桶的总质量
B.将带滑轮的长木板右端适当垫高,以平衡摩擦力
C.调整力传感器和定滑轮的高度,使连接它们的轻绳与长木板平行
D.为减小误差,一定要保证m远小于M
(2)该同学在实验中得到如图乙所示的一条纸带(相邻两计数点间还有四个点没有画出),已知打点计时器采用的是频率为的交流电源,根据纸带可求出小车的加速度为 (结果保留三位有效数字);
(3)该同学以力传感器的示数F为横坐标,加速度a为纵坐标,画出的图像是一条过原点的直线(图像没有画出),这说明当质量一定时,小车的加速度与受力成
12.(6分)(1)在做“探究平抛运动的特点”实验时,下列说法错误的是_______;
A.安装有斜槽的木板时,一定要检查斜槽末端切线是否水平、木板是否竖直
B.斜槽必须光滑
C.每次实验都要把小球从同一位置由静止释放
D.实验的目的是描出小球的运动轨迹,分析平抛运动的特点
(2)某学生用频闪照相的方式,在坐标纸上记录下被水平抛出的小球的运动情况,A点不是小球做平抛运动的起点位置,而是小球运动一段时间后的位位置,已知坐标纸上每小格的边长为5cm,不计空气阻力,g取10m/s2。则照相机两次闪光间隔________s,小球被抛出的水平速度=_______m/s。
三、计算题(共3小题,共45分)
13.(12分)如图所示,AB为斜面,倾角为,小球从A点以初速度水平抛出,恰好落到B点。
(1)求A、B间的距离及小球在空中飞行的时间;
(2)从抛出开始,经过多长时间小球与斜面间的距离最大?最大距离为多少?
14. (15分)如图,某同学用与水平方向成37°角斜向上的拉力F拉动箱子由静止开始向右滑动,已知物体质量10kg,拉力F为50N,箱子和地面间的滑动摩擦因数为0.4,取,,。
求:(1)时箱子的瞬时速度和5s内箱子的位移;
(2)5s内拉力F做的功和摩擦力f对箱子做的功;
(3)前5秒内拉力的平均功率和第5秒末拉力的瞬时功率。
15.(18分)如图所示,在竖直平面内,粗糙的斜面轨道AB的下端与光滑的圆弧轨道BCD相切于B,C是最低点,圆心角∠BOC=37°,D与圆心O等高,圆弧轨道半径R=1.0 m,现有一个质量为m=0.2 kg、可视为质点的小物体,从D点的正上方E点处自由下落,D、E两点间的距离h=1.6 m,物体与斜面AB之间的动摩擦因数μ=0.5,取sin 37°=0.6,cos 37°=0.8,g=10 m/s2.不计空气阻力,求:
(1)物体第一次通过C点时轨道对物体的支持力FN的大小;
(2)要使物体不从斜面顶端飞出,斜面的长度LAB至少要多长;
(3)若斜面已经满足(2)的要求,物体从E点开始下落,直至最后在光滑圆弧轨道做周期性运动,求在此过程中系统损失的机械能E的大小。
2023年高二上学期开学考试物理测试卷(解析)
(全卷满分:100分,考试用时:75分钟)
一、选择题(1-6为单选题,每题只有一个正确的选项,每题4分,7-10为多选题,每题至少有两个选项正确,每题5分,选全得5分,选不全得3分,选错不得分,总计44分)。
1.关于物体的运动,下列说法正确的是( C )
A.匀速圆周运动是匀变速曲线运动
B.用细绳拴着一个小钢球,在竖直面内做非匀速圆周运动,不考虑空气阻力,小球在任何一点的合力都不指向圆心
C.一个物体做斜上抛运动,每秒速度变化量的方向相同
D.从水平匀速飞行的飞机上,每隔一秒释放一个物体,不考虑空气阻力的情况下,这些物体在空中形成一条等间距的竖直线
2.一质点沿直线Ox方向做加速运动,它离开O点的距离x随时间变化的关系x=3+2t3(m),它的速度随时间变化的关系为v=6t2(m/s)。则该质点在t=2s时的瞬时速度和t=0到t=2s间的平均速度分别为( A )
A.24m/s、8m/s B.8m/s、24m/s
C.24m/s、12m/s D.12m/s、24m/s
3.如图所示,质量为m的小球从距离地面高H的A点由静止开始释放,落到地面上后又陷入泥潭中,由于受到阻力作用,到达距地面深度为h的B点时速度减为零。不计空气阻力,重力加速度为g。关于小球下落的整个过程,下列说法正确的有(A)
A. 小球的机械能减少了mg(H+h)
B. 小球克服阻力做的功为mgh
C. 小球所受阻力的冲量等于
D. 小球动量的改变量等于所受阻力的冲量
4. 小哥想到了用无人机配送快递的办法,某次配送质量为2kg的快递,在无人机飞行过程中,0~10s内快递在水平方向的速度一时间图像如图甲所示,竖直方向(初速度为零)的加速度一时间图像如图乙所示,下列说法正确的是( D )
A.快递做匀变速曲线运动
B.快递在0~10s内的位移大小为75m
C.10s末快递的速度为10m/s
D.1s末快递受到合力大小为4N
【详解】A.时间内,快递在水平方向上的分运动为初速度为零的匀加速直线运动,在竖直方向上的分运动是加速度不断增大的变加速直线运动,则其合运动变加速曲线运动,同理,时间内,快递在水平方向上的分运动为匀速直线运动,在竖直方向上的分运动是加速度不断减小的变加速直线运动,则其合运动变加速曲线运动,A错误;
B.在图像中图线与时间轴所围的面积表示水平位移,则0~10s内快递的水平位移
而竖直方向的位移不为零,所以,快递在0~10s内的位移大小肯定大于75m,B错误;
C.依据图像与时间所围成的面积为速度的变化量
则10s末快递竖直方向速度为,而水平速度为10m/s,则合速度不等于10m/s,C错误;
D.在1s末,快递水平方向加速度为
竖直方向加速度为
根据加速度合成可知,1s末快递的加速度
由牛顿第二定律,则有
D正确;
故选D。
5.如图所示,某段滑雪雪道倾角为30°,总质量为m(包括雪具在内)的滑雪运动员从距底端高为h处的雪道上由静止开始匀加速下滑,加速度为。在他从上向下滑到底端的过程中,重力加速度为g,下列说法正确的是( D )
A.运动员减少的重力势能全部转化为动能
B.运动员获得的动能为
C.运动员克服摩擦力做功为
D.下滑过程中系统减少的机械能为
【解析】
A.由牛顿第二定律可得
解得
因为有阻力,所以运动员下滑过程中机械能不守恒,减少的重力势能转化为动能和热能,故A错误;
B.由动能定理可得
故B错误;
CD.由A项分析可知,所以
运动员克服摩擦力做功为,机械能减少,故C错误,D正确。
故选D。
6. “天问一号”于2020年7月23日成功发射,经过多次变轨,于2021年5月15日成功着陆火星,着陆后“祝融号”火星车成功传回遥测信号。已知“天问一号”在距火星表面高度为的圆形轨道上运行的周期为,火星的半径为,引力常量为,忽略火星自转的影响,则以下说法正确的是( D )
A. “天问一号”在地球上的发射速度介于第一宇宙速度和第二宇宙速度之间
B. “天问一号”着陆火星的过程中,引力势能增大,动能减少,机械能守恒
C. 火星的平均密度为
D. 火星的第一宇宙速度为
7.如图所示,用一段绳子把轻质滑轮吊装在A点,一根轻绳跨过滑轮,绳的一端拴在井中的水桶上,人用力拉绳的另一端,滑轮中心为O点,人所拉绳子与OA的夹角为β,拉水桶的绳子与OA的夹角为α。人拉绳沿水平地面向左运动,把井中质量为m的水桶缓慢提上来,人的质量为M,重力加速度大小为g,在此过程中,以下说法正确的是( ACD )
A.α始终等于β
B.吊装滑轮的绳子上的拉力逐渐变大
C.地面对人的摩擦力逐渐变大
D.地面对人的支持力逐渐变大
【详解】AB.水桶缓慢上升,拉水桶的轻绳中的拉力大小FT始终等于mg,对滑轮受力分析如图甲所示
垂直于OA方向有
FTsinα=FTsinβ
所以
α=β
沿OA方向有
F=FTcosα+FTcosβ=2FTcosα
人向左运动的过程中α+β变大,所以α和β均变大,吊装滑轮的绳子上的拉力F变小,B错误,A正确;
CD.对人受力分析如图乙所示
θ=α+β逐渐变大,水平方向有
Ff=FT'sinθ
地面对人的摩擦力逐渐变大,竖直方向有
FN+FT'cosθ=Mg
地面对人的支持力
FN=Mg-FT'cosθ
逐渐变大,CD正确。
故选ACD。
8.人用绳子通过光滑定滑轮拉静止在地面上的物体A,A穿在光滑的竖直杆上当人以速v度竖直向下匀速拉绳,使质量为m的物体A上升高度h后到达如图所示位置时此时绳与竖直的夹角为θ。已知重力加速度为g,下列说法不正确的是(ACD )
A.此时物体A的速度为vcosθ
B.此时物体A的速度为
C.该过程中绳对物体A做的功为
D.该过程中绳对物体A做的功为
【解析】
AB.将A的速度分解为沿绳子方向和垂直于绳子方向,如图所示
拉绳子的速度等于A沿绳子方向的分速度,根据平行四边形定则得,实际速度
故A错误,B正确;
CD.在A上升的过程中根据动能定理有即绳对A做的功为
故CD错误。
故选ACD。
9.一起重机的钢绳由静止开始匀加速提起质量为m的重物,当重物的速度为v1时,起重机的功率达到最大值P,此后起重机保持该功率不变,继续提升重物,直到重物匀速上升。已知重力加速度为g,则( ACD )
A.重物匀速上升的速度为
B.重物匀加速的末速度为
C.整个过程中钢绳的最大拉力为
D.重物匀加速运动的加速度为
【解析】
A.重物匀速上升时,钢绳的拉力等于重力,此时的速度为
A正确;
B.重物匀加速的末速度为v1,此后继续加速到最大速度,B错误;
C.匀加速过程中钢绳的拉力不变且最大,最大拉力为
C正确;
D.根据牛顿第二定律,重物匀加速运动的加速度为
解得
D正确。
故选ACD。
10.如图所示,在倾角θ=37°斜坡的底端固定一挡板,一轻弹簧下端固定在挡板上,弹簧自然伸长时其上端位于斜坡上的O点处。质量分别为ma=5.0kg、mb=1.0kg的物块a和b用轻绳连接,轻绳跨过斜坡顶端的定滑轮,开始时让a静止在斜坡上的P点处,b悬空。现将a由静止释放,a沿斜面下滑,当a将弹簧压缩到Q点时,a的速度减为零。已知PO=1.0m,OQ=0.5m,a与斜坡之间的动摩擦因数μ=0.2,sin37°=0.6,整个过程细绳始终没有松弛。则下列说法正确的是( CD )
A.a在与弹簧接触前的加速度大小为1m/s2
B.a在与弹簧接触前,轻绳上的拉力为10N
C.a位于Q点时,弹簧所储存的弹性势能为18J
D.a第一次被弹回到O点时的速度为m/s
二、实验题(2小题,共10分)
11. 为了探究物体质量一定时加速度与力的关系,某同学设计了如图甲所示的实验装置,其中M为小车和小车上滑轮的总质量,m为沙和沙桶的总质量,力传感器可测出轻绳中的拉力大小。
(1)下列实验操作中,一定要进行的是 BC ;
A.用天平测出沙和沙桶的总质量
B.将带滑轮的长木板右端适当垫高,以平衡摩擦力
C.调整力传感器和定滑轮的高度,使连接它们的轻绳与长木板平行
D.为减小误差,一定要保证m远小于M
(2)该同学在实验中得到如图乙所示的一条纸带(相邻两计数点间还有四个点没有画出),已知打点计时器采用的是频率为的交流电源,根据纸带可求出小车的加速度为 2.00 (结果保留三位有效数字);
(3)该同学以力传感器的示数F为横坐标,加速度a为纵坐标,画出的图像是一条过原点的直线(图像没有画出),这说明当质量一定时,小车的加速度与受力成 正比 (1)首先按图(a)连接电路,闭合开关后,发现电流计指针向右偏转;再按图(b)连接电路,
24. 正比
【详解】(1)[1]AD.本题拉力可以由力传感器测出,不需要用天平测出沙和沙桶的质量,也就不需要使小桶(包括沙)的质量远小于车的总质量,故A、D错误;
B.该题是力传感器测出拉力,从而表示小车受到的合外力,故需要将带滑轮的长木板右端垫高,以平衡摩擦力,故B正确;
C.调整力传感器和定滑轮的高度,使连接它们的轻绳与长木板平行,故C正确。
故选BC。
(2)[2]由于两计数点间还有四个点没有画出,故相邻计数点的时间间隔为,由可得
(3)[3]图像是一条过原点的直线,可知a与F成正比,又由图可知小车所受拉力为,因此加速度与所受拉力成正比。
12.(1)在做“探究平抛运动的特点”实验时,下列说法错误的是_______;
A.安装有斜槽的木板时,一定要检查斜槽末端切线是否水平、木板是否竖直
B.斜槽必须光滑
C.每次实验都要把小球从同一位置由静止释放
D.实验的目的是描出小球的运动轨迹,分析平抛运动的特点
(2) 某学生用频闪照相的方式,在坐标纸上记录下被水平抛出的小球的运动情况,A点不是小球做平抛运动的起点位置,而是小球运动一段时间后的位位置,已知坐标纸上每小格的边长为5cm,不计空气阻力,g取10m/s2。则照相机两次闪光间隔________s,小球被抛出的水平速度=_______m/s。
B 0.1 2
【解析】
(1)[1] A.安装有斜槽的木板时,一定要检查斜槽末端切线是否水平,以保证小球做平抛运动,检查木板是否竖直,保证小球的运动轨迹在竖直面内,故A正确;
BC.只要小球从斜槽的同一位置静止释放,保证小球平抛的初速度相同,斜槽不一定光滑,故B错误,C正确;
D.实验的目的是描出小球的运动轨迹,分析平抛运动的规律,判断平抛运动的轨迹是不是抛物线,计算平抛的初速度,故D正确。
故选B;
(2)[2]由
可得照相机两次闪光间隔
[3]小球被抛出的水平速度
三、计算题(共4小题,共42分)
13.如图所示,AB为斜面,倾角为,小球从A点以初速度水平抛出,恰好落到B点。
(1)求A、B间的距离及小球在空中飞行的时间;
(2)从抛出开始,经过多长时间小球与斜面间的距离最大?最大距离为多少?
(1),;(2),
【详解】(1)小球在空中的飞行时间记为t,则水平方向位移
竖直方向位移
解得
,
(2)如图所示
小球的速度方向平行于斜面时,小球离斜面的距离最大,
此时有
故运动时间
此时小球的水平位移为
又此时小球速度方向的反向延长线交横轴于处,
故小球离斜面的最大距离为
15. 如图,某同学用与水平方向成37°角斜向上的拉力F拉动箱子由静止开始向右滑动,已知物体质量10kg,拉力F为50N,箱子和地面间的滑动摩擦因数为0.4,取,,。
求:(1)时箱子的瞬时速度和5s内箱子的位移;
(2)5s内拉力F做的功和摩擦力f对箱子做的功;
(3)前5秒内拉力的平均功率和第5秒末拉力的瞬时功率。
(1)6m/s,15m;(2)600J,-420J;(3)120W,240W
【解析】
(1)竖直方向根据受力平衡可得
又
根据牛顿第二定律可得
解得
时箱子的瞬时速度为
箱子在5s内箱子的位移为
(2)5s内拉力F做的功为
5s内摩擦力f对箱子做的功为
(3)前5秒内拉力的平均功率为
第5秒末拉力的瞬时功率为
15.如图所示,在竖直平面内,粗糙的斜面轨道AB的下端与光滑的圆弧轨道BCD相切于B,C是最低点,圆心角∠BOC=37°,D与圆心O等高,圆弧轨道半径R=1.0 m,现有一个质量为m=0.2 kg、可视为质点的小物体,从D点的正上方E点处自由下落,D、E两点间的距离h=1.6 m,物体与斜面AB之间的动摩擦因数μ=0.5,取sin 37°=0.6,cos 37°=0.8,g=10 m/s2.不计空气阻力,求:
(1)物体第一次通过C点时轨道对物体的支持力FN的大小;
(2)要使物体不从斜面顶端飞出,斜面的长度LAB至少要多长;
(3)若斜面已经满足(2)的要求,物体从E点开始下落,直至最后在光滑圆弧轨道做周期性运动,求在此过程中系统损失的机械能E的大小。
(1)12.4N;(2)2.4m;(3)4.8J
【详解】(1)物体从E到C,由机械能守恒得
在C点,由牛顿第二定律得
联立解得
(2)对从E到A的过程,由动能定理得
联立解得
LAB=2.4 m
故斜面长度LAB至少为2.4 m。
(3)因为
解得
所以,物体不会停在斜面上,物体最后以C为中心,B为一侧最高点沿光滑圆弧轨道做周期性运动。从E点开始直至最后,系统因摩擦而损失的机械能等于B、E两点间的重力势能,即
山西省金科大联考2023-2024学年高二上学期开学考试物理试题: 这是一份山西省金科大联考2023-2024学年高二上学期开学考试物理试题,共10页。试卷主要包含了本试卷分选择题和非选择题两部分,本卷命题范围等内容,欢迎下载使用。
福建省宁德市博雅培文学校2023-2024学年高二上学期9月月考物理试题: 这是一份福建省宁德市博雅培文学校2023-2024学年高二上学期9月月考物理试题,共16页。试卷主要包含了单选题,多选题,填空题,解答题等内容,欢迎下载使用。
2023届福建省宁德市博雅培文学校高考一模物理试题: 这是一份2023届福建省宁德市博雅培文学校高考一模物理试题,文件包含物理试卷pdf、物理参考答案pdf等2份试卷配套教学资源,其中试卷共5页, 欢迎下载使用。

