苏教版(2019) 通用技术必修《技术与设计1》 第六章 模型或原型的制作 单元测试题(含答案)
展开模型或原型的制作 单元测试
一、选择题
1.下列关于模型说法错误的是( )
A.模型是根据实物、设计图纸,按比例制成的与实物相似的一种物体。
B.模型能用来交流并检验设计思想及过程,反映最终产品的形象和品质感。
C.模型能帮助分析设计的可行性。
D.模型就是人们所说的原型。
2.如图所示是一个模型的轴测图,其正确的三视图是

A.
B.
C.
D.
3.仔细观察右侧的俯视图,它和下面①、②、③、④四个模型的关系正确的是( )

A.只有③符合 B.可能是 ①、③、④ C.可能是②和③ D.不可能是①和②
4.小王设计了一个学生台灯,要对台灯的性能以及人机关系进行研究,他制作的是( )。
A.概念模型 B.结构模型 C.功能模型 D.展示模型
5.通用技术实践课上,小明将大小合适的钢板设计成如图所示的零件(厚度为5mm),用厚度为5mm的钢板加工制作该零件,下列说法中不合理的是( )

A.加工流程可以为:划线→冲眼→钻孔→锯割→锉削 B.起锯时,锯程要短
C.锉削需要用到的工具:台虎钳、钢丝刷和锉刀 D.锯条发生崩断后,应先拧松元宝螺母、再取下断锯条
6.通用技术课上,小明设计了如图所示的零件(厚度为5mm)。用厚度为3mm的钢板制作该零件,下列说法中不合理的是( )

A.加工流程可以为:划线→冲眼→钻孔→锯割→锉削
B.可用半圆锉来锉削加工R35的圆弧
C.加工中需要用到的工具:钢直尺、样冲、划规、钢丝锯、平锉、麻花钻等
D.为防止钻屑伤人,在台钻上钻孔时要戴上防护眼镜
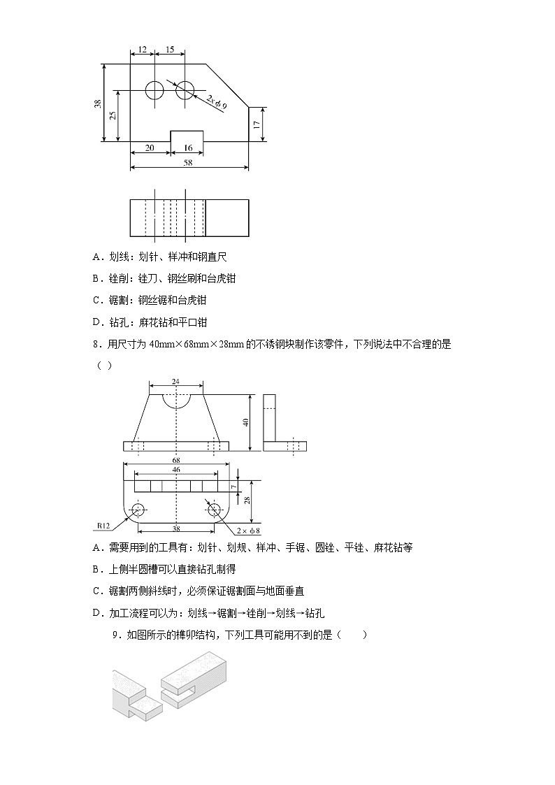
7.通用技术实践课上,小明设计了如图所示的摆件。用合适的钢块制作该摆件,下列加工工艺中工具选择不合理的是( )

A.划线:划针、样冲和钢直尺
B.锉削:锉刀、钢丝刷和台虎钳
C.锯割:钢丝锯和台虎钳
D.钻孔:麻花钻和平口钳
8.用尺寸为40mm×68mm×28mm的不锈钢块制作该零件,下列说法中不合理的是( )

A.需要用到的工具有:划针、划规、样冲、手锯、圆锉、平锉、麻花钻等
B.上侧半圆槽可以直接钻孔制得
C.锯割两侧斜线时,必须保证锯割面与地面垂直
D.加工流程可以为:划线→锯割→锉削→划线→钻孔
9.如图所示的榫卯结构,下列工具可能用不到的是( )

A.
B.
C.
D.
10.通用技术课上,小明设计了如图所示的零件(厚度为2mm)。用85mm×60mm×2mm的钢板制作该零件,下列加工工艺中工具选择不合理的是( )

A.划线:划针、划规和钢直尺 B.锉削:平锉、半圆锉和台虎钳
C.锯割:钢锯和台虎钳 D.钻孔:麻花钻和平口钳
11.通用技术实践课上,小明设计了如图所示的零件。用 5mm 厚足够大的钢板加工此零件,下列加工工艺中工具选择合理的是( )

A.划线:划针、划规、钢直尺和样冲 B.锉削:锉刀、钢丝刷和手钳
C.锯割:手锯和平口钳 D.钻孔:麻花钻和台虎钳
12.下列机械结构图中,单向圆周运动转化为直线往复运动的有几个( )

A.3 个 B.4 个 C.5 个 D.6 个
13.通用技术实践课上,小明根据技术图样用厚度为2mm的薄钢板加工如图b 所示的零件,用直径为 40mm 的钢板制作该零件,下列说法中合理的是( )
图a
图b
A.加工该零件的基本流程是:划线→钻孔→锯割→锉削→淬火→回火
B.划线工具必须用到划针、样冲、钢直尺,而划规不是必要的工具
C.钻孔时应夹持在台钻的平口钳中合适的位置
D.锉削该零件只需平锉,常用钢丝刷清除锉刀上的切屑
14.加工该零件,需要用到的工具有( )


A.1 种 B.2 种 C.3 种 D.4 种
15.如图所示是一款带弯头电烙铁。下列关于该电烙铁的说法合理的是( )

A.带插头的导线长度主要考虑了人的动态尺寸
B.图中三个尺寸中只有一个尺寸主要和人体静态尺寸有关
C.该电烙铁适合用反握法手持操作
D.该烙铁头的温度可达 350℃左右,不符合人机关系的安全目标
16.以下对锯割操作的描述,不正确的是( )
A.手锯是向前推时进行切割,在向后返回时不起切削作用,因此安装锯条时应锯齿向前
B.锯条松紧要适当,太紧失去应有的弹性,锯条容易崩断;太松会使锯条扭曲,锯缝歪斜,锯条也易崩断
C.锯割圆管时,一般把圆管水平地夹持在台虎钳内,水平向下锯割
D.锯割薄板时,为了防止工件产生振动和变形,可用木板夹住薄板两侧进行锯割
二、填空题
17.小王同学在通用技术实践课上,用3 mm厚的钢板制作如图所示的连接片,请分析连接片的加工工艺,回答以下问题:

(1)该工艺正确的加工环节是:①划线;②_____;③锯割;④锉削;⑤_____(从“折弯、钻孔”中选择,填写相应的文字)。
(2)上述工艺流程中不需要用到的工具是_____、_____(①手锯;②锉刀;③钻头;④螺丝刀;⑤手钳;⑥丝锥);
(3)上述工艺流程中需要用到的设备是_____(①砂轮机;②车床;③台钻)。
18.小明想在墙上固定一根圆管,设计了如图1所示的夹持装置,画出了工件A如图2的三视图及尺寸标注,他想用大小合适(100mm×70mm×30mm)的铁块制作工件A,用一块3mm厚的钢板制作工件B。请完成以下分析:
图1
图2
(1)工件A加工的合理流程为:A
B
C
____
____
G
C
____ (在A.划线;B.锯割;C.锉削;D.钻孔;E.套丝;F.攻丝;G.底孔倒角中选择合适的选项,将序号填入在“ ”处);
(2)固定的圆管需要经常卸下,小明选择了几种连接件,组合合理的是____(在下列选项中选择合适的选项,将序号填入“ ”处);
A
B
C
(3)为了提高工件A、工件B在户外使用的耐腐蚀性,小明在通用实践室对工件A、工件B正确处理的是____(在A.淬火;B.电镀;C.喷涂油漆;D.回火选项中选择合适的选项,将序号填入“ ”处);
(4)对工件B钻孔时,需要的夹持工具是____(在A.台虎钳;B.手钳;C.平口钳选项中选择合适的选项,将序号填入“ ”处)。
19.如图a所示是小明设计的一款多功能瓷砖开孔定位器结构示意图,如图b为瓷砖上开孔的操作流程。小明发现瓦匠在墙面贴瓷砖时,当遇到墙面有孔,需在对应的这块瓷砖上先开好适当的孔,然后再贴到墙面上,但以往的卷尺测量定位孔常会带来孔位错位的问题,于是他设计了这款多功能瓷砖开孔定位器。它能对墙面上4种不同直径的圆孔、通用86款开关插座的方形暗盒进行定位。请完成以下任务。


图c
(1)小明的设计过程中按照阶段划分最合理的是______。
A.方案构思→设计分析→绘制草图→制作模型→优化改进
B.收集信息→设计分析→绘制图样→制作模型→优化改进
C.收集信息→绘制草图→方案筛选→设计分析→制作模型
(2)为了在图b流程操作过程尺子与瓷砖边重合度更好,需要将______(在“A.构件1;B.构件2”中选择合适的选项,将序号填入“______”处)弯个窄边,如图c所示。
(3)定位器两构件可折叠携带,主要考虑了___的因素;图a上的3个圆孔直径尺寸,主要考虑了__的因素;(在“A.人;B.物;C.环境”中选择合适的选项,将序号填入“____”处)。
(4)根据小明的方案,用宽度合适、长度较长的2mm厚钢条加工,加工流程需要用到的工具有:____、______。
A.
B.
C.
D.
E.
参考答案
1.D
【详解】
略
2.D
【解析】
3.C
【详解】
略
4.C
【详解】
略
5.D
【详解】
略
6.C
【详解】
略
7.C
【详解】
材料是钢块,钢丝锯不能使用;
8.B
【详解】
根据题目所给不锈钢块尺寸,半圆槽不能钻孔制得;
9.A
【详解】
略
10.D
【详解】
略
11.A
【详解】
略
12.B
【详解】
略
13.C
【详解】
略
14.A
【详解】
工具依次是样冲、丝锥、木工锉、板锯、羊角锤,只用到样冲,没有攻丝,丝锥不需要,木工锉、板锯和羊角锤都是木工工具
15.B
【详解】
导线的长度主要考虑使用的环境,主要和人体静态尺寸有关的尺寸是130mm,带弯头的电烙铁适合用正握法操作,350℃高温是要让焊锡熔化
16.C
【解析】
17.钻孔 折弯 ④ ⑥ ③
【详解】
略
18.A D F B C B
【详解】
略
19.B B A C C E
【详解】
略
苏教版(2019) 通用技术必修《技术与设计1》 第五单元 设计图样的绘制 单元测试题(含答案): 这是一份苏教版(2019) 通用技术必修《技术与设计1》 第五单元 设计图样的绘制 单元测试题(含答案),共10页。试卷主要包含了选择题,填空题等内容,欢迎下载使用。
苏教版(2019) 通用技术必修《技术与设计1》 第二单元 技术世界中的设计 单元测试题(含答案): 这是一份苏教版(2019) 通用技术必修《技术与设计1》 第二单元 技术世界中的设计 单元测试题(含答案),共8页。试卷主要包含了选择题,填空题等内容,欢迎下载使用。
苏教版(2019) 通用技术必修《技术与设计1》 7.1 设计的评价与优化设计方案 同步练习(含答案): 这是一份苏教版(2019) 通用技术必修《技术与设计1》 7.1 设计的评价与优化设计方案 同步练习(含答案),共7页。试卷主要包含了 下列评价针对设计过程评价的是等内容,欢迎下载使用。

