所属成套资源:(2014-2023)2024年高考物理突破145分第一轮复习讲义(全国通用)
2024年高考物理复习第一轮:创新实验课(13) 探究影响感应电流方向的因素
展开
这是一份2024年高考物理复习第一轮:创新实验课(13) 探究影响感应电流方向的因素,共9页。试卷主要包含了实验基本技能,规律方法总结等内容,欢迎下载使用。
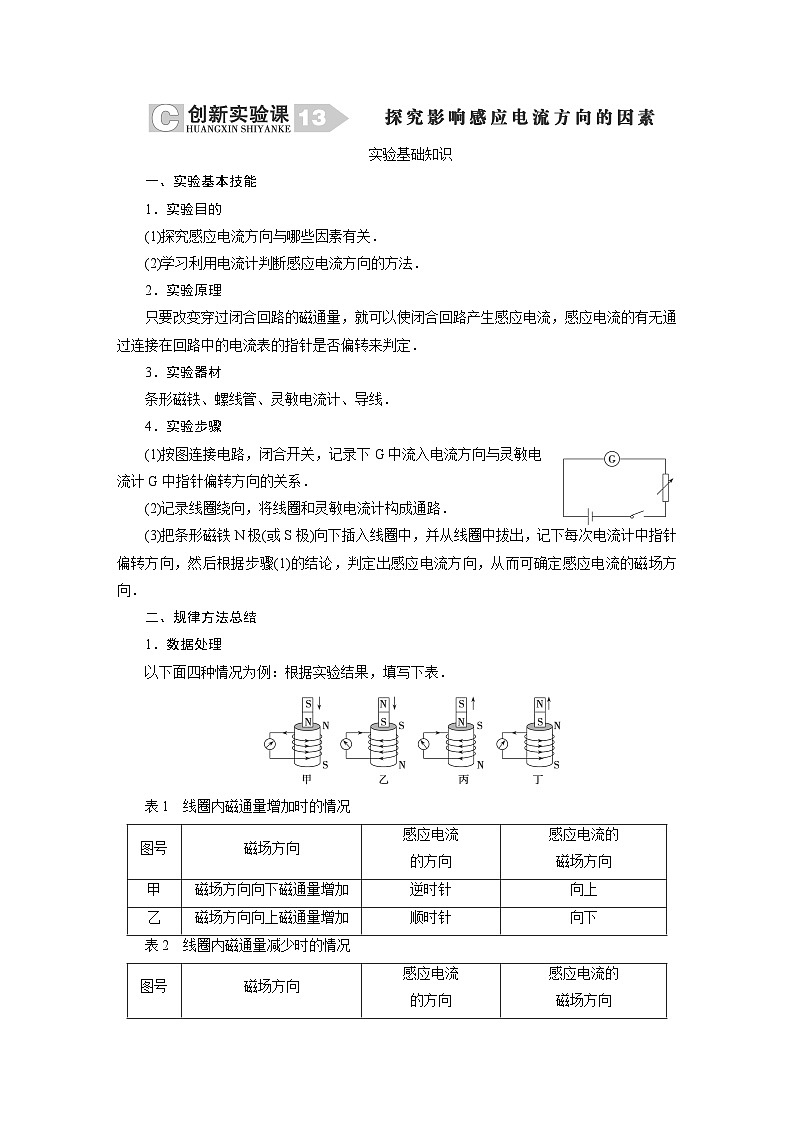
实验基础知识一、实验基本技能1.实验目的(1)探究感应电流方向与哪些因素有关.(2)学习利用电流计判断感应电流方向的方法.2.实验原理只要改变穿过闭合回路的磁通量,就可以使闭合回路产生感应电流,感应电流的有无通过连接在回路中的电流表的指针是否偏转来判定.3.实验器材条形磁铁、螺线管、灵敏电流计、导线.4.实验步骤
(1)按图连接电路,闭合开关,记录下G中流入电流方向与灵敏电流计G中指针偏转方向的关系.(2)记录线圈绕向,将线圈和灵敏电流计构成通路.(3)把条形磁铁N极(或S极)向下插入线圈中,并从线圈中拔出,记下每次电流计中指针偏转方向,然后根据步骤(1)的结论,判定出感应电流方向,从而可确定感应电流的磁场方向.二、规律方法总结1.数据处理以下面四种情况为例:根据实验结果,填写下表.
表1 线圈内磁通量增加时的情况图号磁场方向感应电流的方向感应电流的磁场方向甲磁场方向向下磁通量增加逆时针向上乙磁场方向向上磁通量增加顺时针向下表2 线圈内磁通量减少时的情况图号磁场方向感应电流的方向感应电流的磁场方向丙磁场方向向下磁通量减少顺时针向下丁磁场方向向上磁通量减少逆时针向上2.实验结论表1说明:当线圈中磁通量增加时,感应电流的磁场方向跟磁铁的磁场方向相反.表2说明:当线圈中磁通量减少时,感应电流的磁场方向跟磁铁的磁场方向相同.3.注意事项(1)灵敏电流计满偏电流很小,判断电流计指针的偏转方向和电流方向的关系时,应使用一节干电池.(2)原、副线圈接入电路前应仔细观察导线绕向并画出草图.命题点一 实验原理与操作
我们可以通过实验探究电磁感应现象中感应电流方向的决定因素和遵循的物理规律.以下是实验探究过程的一部分,请补充完整.
(1)如图甲所示,当磁铁的N极向下运动时,发现电流表指针偏转,若要探究线圈中产生的感应电流的方向,必须知道_____________________________.(2)如图乙所示,实验中发现闭合开关时,电流表指针向右偏.电路稳定后,若向左移动滑动触头,电流表指针向________偏转,若将线圈A抽出,电流表指针向________偏转.(均选填“左”或“右”)解析:(1)探究线圈中感应电流的方向必须先知道:①电流表指针偏转方向与电流从正(负)接线柱流入时的关系;②线圈的绕向.(2)开关闭合时,线圈A产生的磁场由无到有,穿过线圈B的磁通量增加,若将滑动触头向左移动,线圈A中电流增加,穿过B的磁通量也增加,且磁场方向未变,所以电流表指针偏转方向与开关闭合时的偏转方向相同,即向右偏转;若将线圈A抽出,穿过线圈B的磁通量减少,电流表指针向左偏转.答案:(1)电流表指针偏转方向与电流方向间的关系及线圈的绕向 (2)右 左[对点演练]1.如图所示是“研究电磁感应现象”的实验装置:
(1)如果在闭合开关时发现灵敏电流计的指针向右偏了一下,那么合上开关后,将A线圈迅速插入B线圈中,电流计指针将________(选填“向左”“向右”或“不”)偏转;(2)连好电路后,并将A线圈插入B线圈中后,若要使灵敏电流计的指针向左偏转,可采取的操作是________;A.插入铁芯B.拔出A线圈C.变阻器的滑片向左滑动D.断开开关S瞬间(3)G为指针零刻度在中央的灵敏电流表,连接在直流电路中时的偏转情况如图(1)所示,即电流从电流表G的左接线柱进时,指针也从中央向左偏.今把它与一线圈串联进行电磁感应实验,则图(2)中的条形磁铁的运动方向是向________(选填“上”或“下”);图(3)中的条形磁铁下端为________(选填“N”或“S”)极.
解析:(1)已知闭合开关瞬间,A线圈中的磁通量增加,产生的感应电流使灵敏电流计的指针向右偏转,可知磁通量增加时,灵敏电流计的指针向右偏转;当开关闭合后,将A线圈迅速插入B线圈中时,B线圈中的磁通量增加,所以产生的感应电流也应使灵敏电流计的指针向右偏转.(2)要使灵敏电流计的指针向左偏转,根据楞次定律知,磁通量应减小.插入铁芯时,B线圈中的磁通量增加,A错误;拔出A线圈时,B线圈中的磁通量减小,B正确;变阻器的滑片向左滑动时,电流增大,B线圈中的磁通量增大,C错误;断开开关S瞬间,电流减小,B线圈中的磁通量减小,D正确.(3)图(2)中指针向左偏,可以知道感应电流的方向是顺时针(俯视),感应电流的磁场方向向下,条形磁铁的磁场方向向上,由楞次定律可知,磁通量增加,条形磁铁向下插入.图(3)中可以知道指针向右偏,则感应电流的方向逆时针(俯视),由安培定则可知,感应电流的磁场方向向上,条形磁铁向上拔出,即磁通量减小,由楞次定律可知,条形磁铁的磁场方向应该向上,所以条形磁铁上端为N极,下端为S极.答案:(1)向右 (2)BD (3)下 S命题点二 实验现象分析与归纳
为判断线圈绕向,可将灵敏电流计G与线圈L连接,如图所示.已知线圈由a端开始绕至b端;当电流从电流计G左端流入时,指针向左偏转.
(1)将磁铁N极向下从线圈上方竖直插入L时,发现指针向左偏转.俯视线圈,其绕向为________(填“顺时针”或“逆时针”).(2)当条形磁铁从图中的虚线位置向右远离L时,指针向右偏转.俯视线圈,其绕向为________(填“顺时针”或“逆时针”).解析:(1)磁铁N极向下从线圈上方竖直插入L时,线圈的磁场向下且增强,感应磁场向上,且电流流入电流计左端,根据右手螺旋定则可知线圈顺时针绕向.(2)条形磁铁从图中虚线位置向右远离L时,线圈的磁场向上且减弱,感应电流从电流计右端流入,根据右手螺旋定则可知线圈逆时针绕向.答案:(1)顺时针 (2)逆时针[对点演练]2.如图所示是探究电磁感应现象的装置.(1)闭合开关,让导体AB沿水平方向左右运动.观察到灵敏电流计的指针偏转;若让导体AB由图示位置沿竖直方向上下运动,则灵敏电流计的指针________(选填“偏转”或“不偏转”).
(2)利用此装置,探究感应电流方向与磁场方向和切割磁感线方向之间的关系,观察到的实验现象记录如表:实验序号磁场方向导体切割磁感线方向灵敏电流计指针偏转方向①向下向右向左②向上向右向右③向下向左向右④向上向左向左在上述四次实验中,比较__________两次实验,可知感应电流方向与磁场方向有关;比较__________两次实验,可知同时改变磁场方向和切割磁感线方向则感应电流方向不变.(3)在探究中还发现,导体AB水平向左(或向右)缓慢运动时,灵敏电流计的指针偏转角度较小;导体AB水平向左(或向右)快速运动时,灵敏电流计的指针偏转角度较大,说明感应电流的大小与________有关.解析:(1)导体沿竖直方向运动,运动方向与磁场平行,故不切割磁感线,不会产生感应电流,指针不发生偏转.(2)比较实验①和②(或③和④)可知:在导体切割磁感线运动方向一定时,改变磁场方向,感应电流的方向发生改变;比较实验①和④(或②和③)可知:在导体切割磁感线运动方向(或导体运动方向)和磁场方向同时改变,感应电流的方向不变.(3)导体AB水平向左(或向右)缓慢运动时,灵敏电流计的指针偏转角度较小;导体AB水平向左(或向右)快速运动时,灵敏电流计的指针偏转角度较大,这说明电路中的电流变大,所以可以看出感应电流的大小与导体的运动快慢有关.答案:(1)不偏转 (2)①和②(或③和④) ①和④(或②和③) (3)导体的运动快慢 命题点三 创新拓展实验实验器材创新实验设计创新
用微电流传感器与计算机结合得出感应电流随时间的变化规律.
根据通电螺线管相当于条形磁铁的原理,调节滑动变阻器改变电流强度,分析电流磁场引起磁通量变化,进而分析磁通量变化特点和电流方向的关系.
在研究电磁感应的实验中,实验装置如图所示.线圈C与灵敏电流表构成闭合电路.电源、开关、带有铁芯的线圈A、滑动变阻器构成另一个独立电路.表格中的第三行已经列出了实验操作以及与此操作对应的电流表的表针偏转方向,请以此为参考,把表格填写完整.
实验操作电流表的表针偏向1.闭合开关S瞬间表针向________摆动2.在开关S闭合的情况下,滑动变阻器的触头向右滑动时表针向右摆动3.在开关S闭合的情况下,线圈A远离线圈C时表针向________摆动4.在开关S闭合的情况下,将线圈A中的铁芯抽出时表针向________摆动【解题方案】第1步:弄清实验目的:探究影响感应电流方向的因素.第2步:理清实验原理:通过开关闭合、滑动变阻器触头向右滑动、表针向右摆动,说明C中磁通量减小时,表针向右摆动.第3步:制定数据处理方案:根据实验操作又得出线圈C磁通量减小时表针向右摆作为参考,判断其他操作对应表针摆动方向.解析:由操作2可知,在开关S闭合的情况下,滑动变阻器的触头向右滑动时,电阻变大,电流减小,此时磁通量减小,表针向右摆动;则操作1闭合开关S瞬间,磁通量增加,则表针向左摆动;操作3在开关S闭合的情况下,线圈A远离线圈C时,磁通量减小,则表针向右摆动;操作4在开关S闭合的情况下,将线圈A中的铁芯抽出时,磁通量减小,则表针向右摆动.答案:左 右 右[对点演练]3.(实验器材创新)(1)在探究楞次定律的实验中,除需要已知绕向的螺线管、条形磁铁外,还要用到一个电表.请从下列电表中选择________.
A.量程为0~3 V的电压表B.量程为0~3 A的电流表C.量程为0~0.6 A的电流表D.零刻度在中间的灵敏电流计(2)某同学按下列步骤进行实验:①将已知绕向的螺线管与电表连接;②设计表格.记录将磁铁N、S极插入或抽出过程中引起感应电流的磁场方向、磁通量的变化、感应电流的方向、感应电流的磁场方向;③分析实验结果,得出结论.上述实验中,漏掉的实验步骤是要查明________________________的关系.(3)在上述实验中,当磁铁插入螺线管的速度越快,电表指针偏角________(选填“不变”“变大”或“变小”).(4)如图所示,图(甲)为某实验小组利用微电流传感器做验证楞次定律实验时,在计算机屏幕上得到的波形.横坐标为时间t,纵坐标为电流I,根据图线分析知道:将条形磁铁的N极插入圆形闭合线圈时得到图(甲)内①所示图线.现用该磁铁,如图(乙)所示,从很远处按原方向沿一圆形线圈的轴线匀速运动,并穿过线圈向远处而去,图(丙)中较正确地反映线圈中电流I与时间t关系的是________.
解析:(1)在探究楞次定律的实验中,除需要已知绕向的螺线管、条形磁铁外,还要用到一个零刻度在中间的灵敏电流计,故A、B、C错误,D正确.(2)依据以上操作,实验中,漏掉的实验步骤是要查明电流流入电表方向与电表指针偏转方向的关系.(3)当磁铁插入螺线管的速度越快,磁通量变化越快,感应电流也较大,电表指针偏角变大.(4)条形磁铁的N极迅速插入感应线圈时,得到图(甲)中①所示图线,现有如图(乙)所示磁铁自远处匀速沿一圆形线圈的轴线运动,并穿过线圈向远处而去,由楞次定律得出感应电流方向为顺时针(从左向右看),即为正方向;当远离感应线圈时,则感应电流方向为负方向,故B正确,A、C、D错误.答案:(1)D (2)电流流入电表方向与电表指针偏转方向 (3)变大 (4)B4.(实验设计创新)在“探究电磁感应的产生条件”的实验中,先按如图甲所示连线,不通电时,电流计指针停在正中央,闭合开关S时,观察到电流表指针向左偏.然后按如图乙所示将灵敏电流计与副线圈B连成一个闭合回路,将原线圈A、电源、滑动变阻器和开关S串联成另一个闭合电路.
(1)图甲电路中,串联定值电阻R的主要作用是________.A.减小电源两端的电压,保护电源B.增大电源两端的电压,保护开关C.减小电路中的电流,保护灵敏电流计D.减小电路中的电流,保护开关(2)图乙中,S闭合后,在原线圈A插入副线圈B的过程中,灵敏电流计的指针将________(选填“向左”“向右”或“不”)偏转.(3)图乙中,S闭合后,线圈A放在B中不动,在滑动变阻器的滑片P向左滑动的过程中,灵敏电流计指针将________(选填“向左”“向右”或“不”)偏转.(4)图乙中,S闭合后,线圈A放在B中不动,在突然断开S时,灵敏电流计指针将________(选填“向左”“向右”或“不”)偏转.解析:(1)电路中串联定值电阻,目的是减小电流,保护灵敏电流计,故本题答案为选项C.(2)由题知,当电流从灵敏电流计正接线柱流入时,指针向左偏转.S闭合后,将原线圈A插入副线圈B的过程中,穿过B的磁场向下,磁通量变大,由楞次定律可知,感应电流从灵敏电流计正接线柱流入,则灵敏电流计的指针将向左偏转.(3)线圈A放在B中不动,穿过B的磁场向下,将滑动变阻器的滑片向左滑动时,穿过B的磁通量增大,由楞次定律可知,感应电流从灵敏电流计正接线柱流入,则灵敏电流计的指针将向左偏转.(4)线圈A放在B中不动,穿过B的磁场向下,突然断开S时,穿过B的磁通量减小,由楞次定律可知,感应电流从灵敏电流计负接线柱流入,则灵敏电流计的指针将向右偏转.答案:(1)C (2)向左 (3)向左 (4)向右
相关试卷
这是一份高考物理一轮复习实验针对训练14探究影响感应电流方向的因素含答案,共7页。
这是一份新高考物理一轮复习实验重难点专题实验13 探究影响感应电流方向的因素(含解析),共9页。
这是一份2024版新教材高考物理复习特训卷考点73实验:探究影响感应电流方向的因素,共4页。

