湖南师范大学附属中学2016-2017学年高二上学期期末考试物理(文)试题
展开
题 答 要 不 内 线 封 密 |
|
________________ 号 学________________ 名 姓________________ 级 班____________________ 校 学 |
(这是边文,请据需要手工删加)
湖南师大附中2016-2017学年度高二第一学期期末考试物理(文)-(这是边文,请据需要手工删加)
湖南师大附中2016-2017学年度高二第一学期期末考试
物 理(文科)
时量:60分钟 满分:100分
得分____________
一、单项选择题(每小题5分,共70分.在每小题给出的四个选项中,其中只有一个选项符合题目要求)
1.电磁铁的应用相当广泛,它是利用电流周围产生磁场的原理工作的,最先发现电流周围存在磁场的科学家是
A.库仑 B.奥斯特
C.麦克斯韦 D.亚里士多德
2.下列器件,利用电流的热效应工作的是
A.验电器 B.电感器
C.电容器 D.电热水器
3.甲、乙两个原来不带电的物体相互摩擦(没有第三者参与),结果发现甲物体带了1.6×10-15 C的电荷量(正电荷),下列说法正确的是
A.乙物体也带了1.6×10-15C的正电荷
B.甲物体失去了104个电子
C.乙物体失去了104个电子
D.甲、乙两物体共失去了2×104个电子
4.下列关于电场线的说法中正确的是
A.电场线上每一点的切线方向都跟电荷在该点的受力方向相同
B.沿电场线方向,电场强度越来越小
C.电场线越密的地方,同一试探电荷所受的电场力就越大
D.在电场中,顺着电场线移动电荷,电荷受到的电场力大小恒定
5.真空中两个静止的点电荷,相距为r时相互作用的库仑力大小为F,现不改变它们的电荷量,使它们之间的距离为3r,则库仑力大小变为
A.F B.F
C.3F D.9F
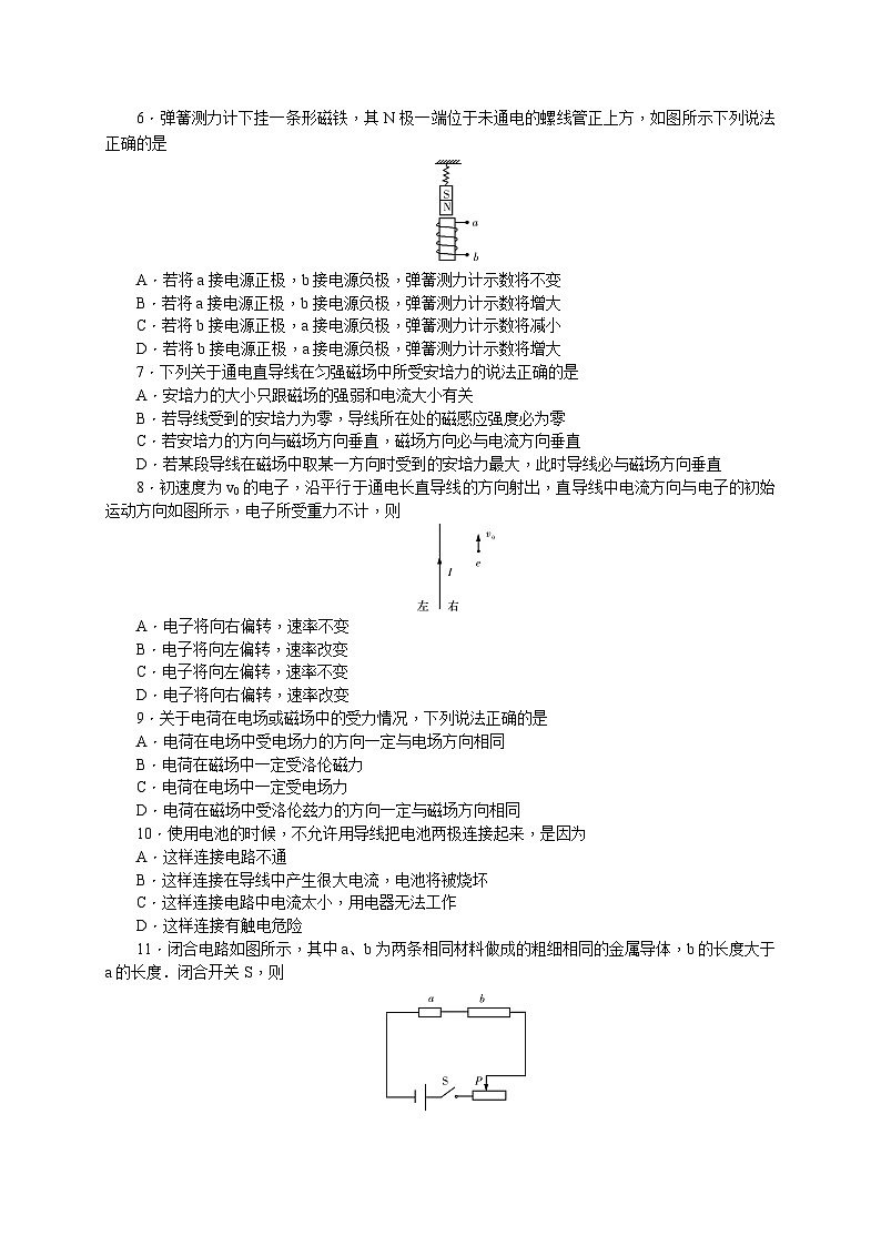
6.弹簧测力计下挂一条形磁铁,其N极一端位于未通电的螺线管正上方,如图所示下列说法正确的是
![]()
A.若将a接电源正极,b接电源负极,弹簧测力计示数将不变
B.若将a接电源正极,b接电源负极,弹簧测力计示数将增大
C.若将b接电源正极,a接电源负极,弹簧测力计示数将减小
D.若将b接电源正极,a接电源负极,弹簧测力计示数将增大
7.下列关于通电直导线在匀强磁场中所受安培力的说法正确的是
A.安培力的大小只跟磁场的强弱和电流大小有关
B.若导线受到的安培力为零,导线所在处的磁感应强度必为零
C.若安培力的方向与磁场方向垂直,磁场方向必与电流方向垂直
D.若某段导线在磁场中取某一方向时受到的安培力最大,此时导线必与磁场方向垂直
8.初速度为v0的电子,沿平行于通电长直导线的方向射出,直导线中电流方向与电子的初始运动方向如图所示,电子所受重力不计,则

A.电子将向右偏转,速率不变
B.电子将向左偏转,速率改变
C.电子将向左偏转,速率不变
D.电子将向右偏转,速率改变
9.关于电荷在电场或磁场中的受力情况,下列说法正确的是
A.电荷在电场中受电场力的方向一定与电场方向相同
B.电荷在磁场中一定受洛伦磁力
C.电荷在电场中一定受电场力
D.电荷在磁场中受洛伦兹力的方向一定与磁场方向相同
10.使用电池的时候,不允许用导线把电池两极连接起来,是因为
A.这样连接电路不通
B.这样连接在导线中产生很大电流,电池将被烧坏
C.这样连接电路中电流太小,用电器无法工作
D.这样连接有触电危险
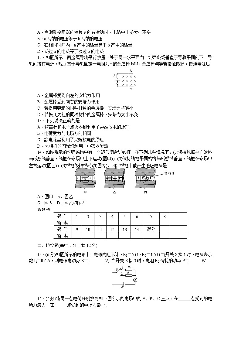
11.闭合电路如图所示,其中a、b为两条相同材料做成的粗细相同的金属导体,b的长度大于a的长度.闭合开关S,则

A.当滑动变阻器的滑片P向右滑动时,电路中电流大小不变
B.a两端的电压等于b两端的电压
C.在相同时间内,a产生的热量等于b产生的热量
D.流过a的电流等于流过b的电流
12.如图所示,两金属导轨平行放置,处于同一水平面内,匀强磁场垂直于导轨平面向下,导轨间接有电源,现垂直于导轨固定一电阻为r的金属棒MN,金属棒与导轨接触良好,接通电源后

A.金属棒受到向左的安培力作用
B.金属棒受到向右的安培力作用
C.若换用更粗的同种材料的金属棒,安培力将减小
D.若换用更粗的同种材料的金属棒,安培力大小不变
13.下列说法正确的是
A.避雷针和电子点火器都利用了尖端放电的原理
B.电荷受力与电场方向相同
C.静电除尘利用了尖端放电的原理
D.照相机的闪光灯利用了电容器发热
14.如图所示的匀强磁场中有一个矩形闭合导线框.在下列几种情况下:(1)保持线框平面始终与磁感线垂直,线框在磁场中上下运动(图甲);(2)保持线框平面始终与磁感线垂直,线框在磁场中左右运动(图乙);(3)线框绕轴线转动(图丙).闭合线框中能产生感应电流是

A.图甲 B.图乙
C.图丙 D.图乙和图丙
答题卡
题 号 | 1 | 2 | 3 | 4 | 5 | 6 | 7 | 8 |
|
答 案 |
|
|
|
|
|
|
|
|
|
题 号 | 9 | 10 | 11 | 12 | 13 | 14 | 得分 |
|
|
答 案 |
|
|
|
|
|
|
|
|
|
二、填空题(每空3分,共12分)
15.(6分)如图所示的电路中,电源内阻不计,R1=5 Ω,R2=1.5 Ω.当开关S接1时,电流表示数I1=0.6 A,则电源电动势E=________V, 当开关S接2时,电阻R2消耗的功率P=______W.

16.(6分)将同一点电荷分别放到如下图所示的电场中的A、B、C三点,在______点受到的电场力最大,在______点受到的电场力最小.

三、计算题(17题8分,18题10分,共18分.无解题过程只有计算结果的不得分)
17.(8分)在距离电荷量Q=2.0×10-4C的点电荷10 m处,有一个电荷量q=2.0×10-4C、质量M=0.1 kg的带电质点.若带电质点的只受库仑力,k=9×109 N·m2/C2.求:
(1)带电质点所受的库仑力的大小;
(2)带电质点的加速度.
18.(10分)如图所示,水平导体棒AB被两根竖直细线悬挂,置于垂直纸面向里的匀强磁场中,已知磁场的磁感应强度B=0.5 T,导体棒长L=1 m,质量m=0.5 kg,重力加速度g=10 m/s2.当导体棒中通以从A到B的电流时,
(1)判断导体棒所受安培力的方向;
(2)当电流I=2 A时,求导体棒所受安培力的大小F;
(3)导体棒中通过的电流I′为多大时,细线中拉力刚好为0?

湖南师大附中2016-2017学年度高二第一学期期末考试物理(文)参考答案-(这是边文,请据需要手工删加)
湖南师大附中2016-2017学年度高二第一学期期末考试
物理(文科)参考答案
一、单项选择题(每小题5分,共70分)
题号 | 1 | 2 | 3 | 4 | 5 | 6 | 7 | 8 | 9 | 10 | 11 | 12 | 13 | 14 |
答案 | B | D | B | C | A | D | D | A | C | B | D | A | A | C |
二、 填空题(每空3分,共12分)
15.3 6
16.B C
三、计算题(17题8分,18题10分,共18分)
17.(1)F=k=3.6 N(4分)
(2)a==36 m/s2 (4分)
18.(1)由左手定则知导体棒所受安培力的方向向上.(3分)
(2)当电流I=2 A时,求导体棒所受安培力的大小:
F=BIL=1 N(3分)
(3)当安培力与重力平衡时,细线中拉力刚好为0,即
BI′L=mg 解得I′==10 A.(4分)
湖南省长沙市湖南师范大学附属中学2023-2024学年高二上学期期末考试物理试题(Word版附解析): 这是一份湖南省长沙市湖南师范大学附属中学2023-2024学年高二上学期期末考试物理试题(Word版附解析),共19页。试卷主要包含了单项选择题,多项选择题,实验题,计算题等内容,欢迎下载使用。
湖南师范大学附属中学2016-2017学年高二上学期期末考试物理(理)试题: 这是一份湖南师范大学附属中学2016-2017学年高二上学期期末考试物理(理)试题,共16页。试卷主要包含了选择题,填空题,计算题等内容,欢迎下载使用。
湖南省师范大学附中2016-2017学年高二上期中考试物理试题: 这是一份湖南省师范大学附中2016-2017学年高二上期中考试物理试题,共15页。试卷主要包含了选择题,填空题,计算题,实验题等内容,欢迎下载使用。

