2021-2022学年广东省广州市八校联考高一(下)期中化学试卷(含答案)
展开2021-2022学年广东省广州市八校联考高一(下)期中化学试卷
一、选择题:本题共16个小题,每小题3分。在每小题给出的四个选项中,只有一项是符合题目要求的。
1.(3分)我国毛笔的制作技艺属于国家非物质文化遗产,相传古人制作该毛笔的过程为“以枯木为管,鹿毛为柱,羊毛为被(外衣)”,则下列说法正确的是( )
A.枯木的主要成分为蛋白质
B.鹿毛、羊毛均只含有C、H、O三种元素
C.枯木、鹿毛的主要成分互为同分异构体
D.采用灼烧法可以区分枯木、毛笔的“外衣”
2.(3分)下列说法正确的是( )
A.CO、NO、NO2都是大气污染气体,在空气中都能稳定存在
B.明矾在水中生成的Al(OH)3胶体有吸附性,因此常用明矾对水进行消毒
C.CO2、NO2或SO2都会导致酸雨的形成
D.活性炭、SO2、Na2O2都能使品红溶液褪色,原理不同
3.(3分)下列关于氮及其化合物的说法,不正确的是( )
A.硝酸可以与甘油反应生成烈性炸药硝化甘油
B.氯碱工业中可以用氨气检查氯气管道是否泄漏
C.工业上制备硝酸是利用NH3和O2反应生成NO,进一步转化为NO2及HNO3
D.为提高作物的养分,可以是铵态氮肥与碱性肥料混合使用
4.(3分)往FeCl3和BaCl2的混合溶液中通入SO2,溶液颜色由棕黄色变成浅绿色,同时有白色沉淀产生.下列说法正确的是( )
A.该实验表明FeCl3有还原性
B.白色沉淀为BaSO3
C.该实验表明SO2有漂白性
D.反应后溶液酸性增强
5.(3分)下列化学反应一定是放热反应的是( )
A.Ba(OH)2•8H2O晶体与NH4Cl晶体混合时
B.金属钠与水反应
C.浓硫酸稀释
D.煅烧石灰石
6.(3分)下列图示的装置不能形成原电池的是( )
A.
B.
C.
D.
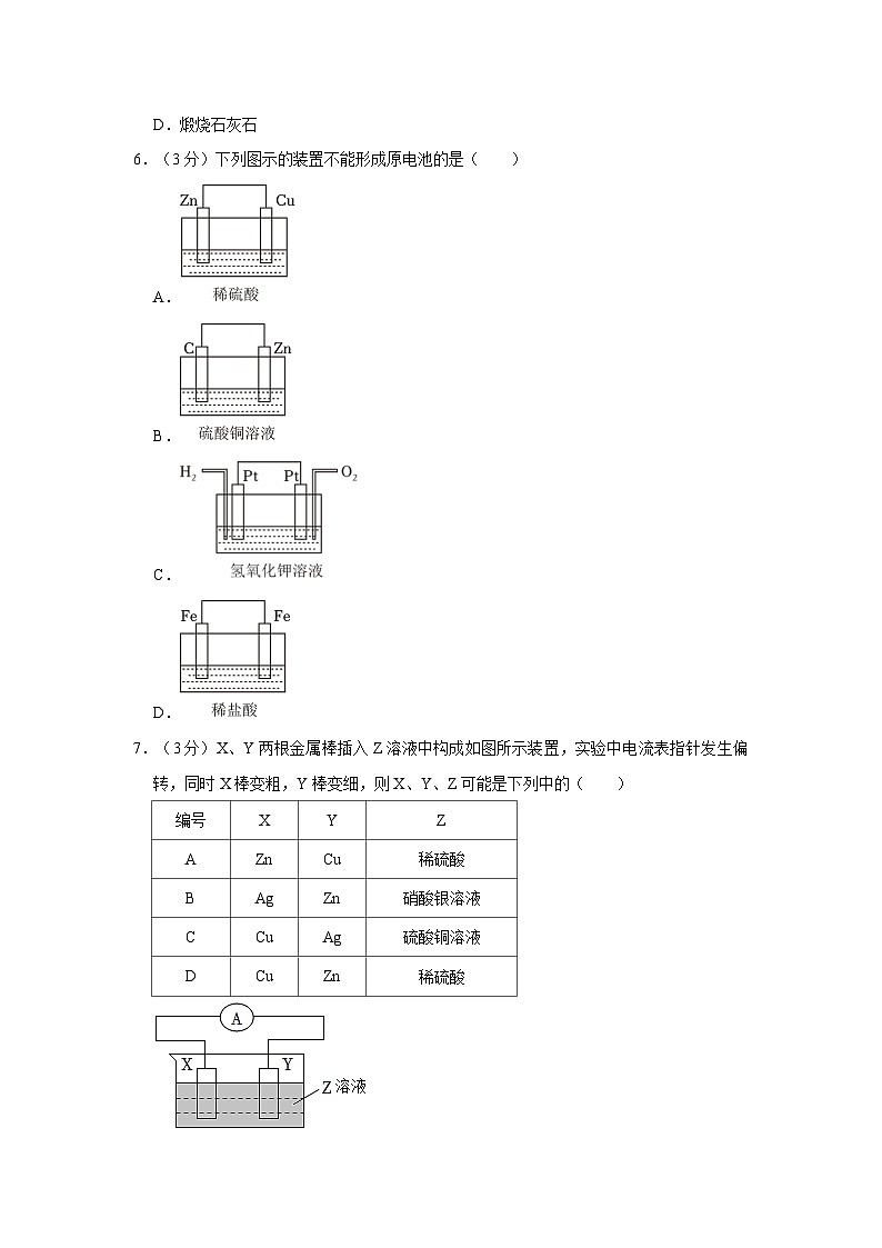
7.(3分)X、Y两根金属棒插入Z溶液中构成如图所示装置,实验中电流表指针发生偏转,同时X棒变粗,Y棒变细,则X、Y、Z可能是下列中的( )
编号
X
Y
Z
A
Zn
Cu
稀硫酸
B
Ag
Zn
硝酸银溶液
C
Cu
Ag
硫酸铜溶液
D
Cu
Zn
稀硫酸
A.A B.B C.C D.D
8.(3分)在光照条件下,纳米TiO2能将甲醛催化氧化成二铖化碳和水.经10小时(h)催化氧化后,某密闭空间内甲醛的浓度从2.0×10﹣7mol/L降到1.0×10﹣7mol/L,则甲醛在这段时间内的平均反应速率为( )
A.4.0×10﹣8mol/(L•h) B.3.0×10﹣8mol/(L•h)
C.2.0×10﹣8mol/(L•h) D.1.0×10﹣8mol/(L•h)
9.(3分)下列各组物质在一定条件下反应,可以制得较纯净的1,2﹣二氯乙烷的是( )
A.乙烷与氯气光照反应 B.乙烯与氯化氢气体混合
C.乙烯与氯气加成 D.乙烯通入浓盐酸
10.(3分)若用乙烯和氯气在适当的条件下反应制取三氯乙烷,这一过程中所发生的反应的类型及消耗氯气的量是(设乙烯为1mol,反应产物中的有机物只有三氯乙烷)( )
A.取代反应,4 mol Cl2
B.加成反应,2 mol Cl2
C.加成反应、取代反应,3 mol Cl2
D.加成反应、取代反应,2 mol Cl2
11.(3分)联合国卫生组织将铁锅作为一种理想的炊具向世界推广,其主要原因是( )
A.吸热慢、散热也慢、宜于食物保温
B.烹饪出的食物中含有对人体有益的元素
C.生产过程简单、不易生锈、价格便宜
D.生铁中含有碳元素、能产生对人体有益的有机物
12.(3分)将1.0体积乙烷和乙烯的混合气体在氧气中充分燃烧,生成2.0体积的CO2和2.4体积的水蒸气(同温同压下测定).则混合物中烷烃和烯烃的体积比为( )
A.3:1 B.1:3 C.2:3 D.3:2
13.(3分)A、B、C三种醇同足量的金属钠完全反应,在相同的条件下产生相同体积的氢气,消耗这三种醇的物质的量之比为3:6:2,则A、B、C三种醇分子里羟基数之比为( )
A.3:2:1 B.2:6:3 C.3:1:2 D.2:1:3
14.(3分)下列有关能源和能量转换的叙述正确的是( )
A.推广使用太阳能、风能、海洋能、氢能,有利于缓解温室效应
B.乙醇和汽油都是可再生能源,应大力推广“乙醇汽油”
C.普通锌锰干电池不含环境污染物,用完后可以随意扔掉,使用方便
D.燃料电池是利用燃料燃烧,将化学能转化为热能,然后再转化为电能的化学电源
15.(3分)下列关于煤和石油综合利用的叙述中,正确的是( )
A.煤的气化是对其进行加热直接变为气体
B.煤的干馏和石油的分馏都是化学变化
C.石油产品裂解能生产乙烯
D.石油分馏的各馏分均是纯净物
16.(3分)从海带中提取碘,可经过以下实验步骤完成。下列有关说法正确的是( )
A.灼烧过程中使用的玻璃仪器有酒精灯、烧杯、玻璃棒
B.氧化过程中发生反应的离子方程式为 2I﹣+H2O2═I2+2OH﹣
C.检验碘单质时,可选用淀粉碘化钾试纸,若试纸变蓝说明海带中含有碘单质
D.分液时,先打开活塞放出下层液体,再关闭活塞从上口倒出上层液体
二、非选择题:包括第17题~第21题5个大题,共52分。
17.(10分)某化学课外兴趣小组为探究足量的铜跟浓硫酸的反应情况,用如图所示装置进行有关实验。已知:①SO2难溶于饱和亚硫酸氢钠溶液。②SO2能与酸性高锰酸钾溶液发生氧化还原反应。请回答下列问题:
(1)装置A中发生的化学反应方程式为 ;此反应表明浓硫酸具有 。(填字母)
a.酸性
b.脱水性
c.强氧化性
d.吸水性
(2)装置D中试管口放置的棉花中浸入 溶液,其作用是 。
(3)装置B的作用是贮存多余的气体,B中应放置的液体是 。(填字母)
a.水
b.饱和NaHSO3溶液
c.酸性KMnO4溶液
d.NaOH溶液
(4)实验中,取一定质量的铜片和一定体积18.4mol•L﹣1的浓硫酸放在圆底烧瓶中共热,直到反应完毕,发现烧瓶中还有铜片剩余,该小组学生根据所学的化学知识认为还有一定量的硫酸剩余。
①有一定量的余酸但未能使铜片完全溶解,你认为原因是 。
②下列药品中能用来证明反应结束后的烧瓶中确有余酸的是 。(填字母)
a.银粉
b.铁粉
c.BaCl2溶液
d.NaHCO3溶液
18.(12分)有机物的表示方法多种多样,下面是常用的有机物的表示方法:
①
②CH3CH2CH(CH3)CH3
③CH4
④
⑤
⑥
⑦
⑧
(1)上述表示方法中属于结构简式的是 (填序号,下同),属于比例模型的是 。
(2)写出⑧中官能团的名称: 、 。
(3) 和 互为同分异构体。
19.填一填。
(1)写出下列有机物的结构简式:
①2,4﹣二甲基﹣3﹣乙基己烷 。
②2﹣甲基﹣2﹣戊烯 。
(2)对下列有机物进行命名:
① 。
②(CH3)3CCH(CH3)CH2CH3 。
20.(11分)能源是现代文明的原动力,通过化学方法可以使能量按人们所期望的形式转化,从而开辟新能源和提高能源的利用率。
(1)氢气在O2中燃烧的反应是 热反应(填“放”或“吸”),这是由于反应物的总能量 生成物的总能量。(填“大于”、“小于”或“等于”,下同)
(2)从化学反应的本质角度来看,氢气的燃烧是由于断裂反应物中的化学键吸收的总能量 形成产物的化学键放出的总能量。已知破坏1mol H﹣H键、1mol O=O键、1molH﹣O键时分别需要436kJ、498kJ、463kJ的能量,则2mol H2(g)和1mol O2(g)转化为2mol H2O(g)时放出的热量为 kJ。
(3)通过氢气的燃烧反应,可以把氢气中蕴含的化学能转化为热能,如果将该氧化还原反应设计成原电池装置,就可以把氢气中蕴含的化学能转化为电能,如图就是能够实现该转化的装置(其中电解质溶液为KOH溶液),被称为氢氧燃料电池,该电池的正极是 (填a或b),负极反应式为 。
(4)若将图中的氢氧燃料电池用固体金属氧化物陶瓷作电解质(能够传导O2﹣),已知正极上发生的电极反应式为:O2+4e﹣═2O2﹣则负极上发生的电极反应式为 :电子从 极(填a或b)流出。
21.(11分)某温度时,在2L的密闭容器中,X、Y、Z(均为气体)三种物质的量随时间的变化曲线如图所示。
(1)由图中所给数据进行分析,该反应的化学方程式为 。
(2)若上述反应中X、Y、Z分别为H2、N2、NH3,某温度下,在容积恒定为2.0L的密闭容器中充入2.0mol N2和2.0mol H2,一段时间后反应达平衡状态,实验数据如下表所示:
t/s
0
50
150
250
350
n(NH3)
0
0.24
0.36
0.40
0.40
0~50s内的平均反应速率v(N2)= mol•L﹣1•min﹣1,250s时,H2的转化率为 %。
(3)已知:键能指在标准状况下,将1mol气态分子AB(g)解离为气态原子A(g),B(g)所需的能量,用符号E表示,单位为kJ/mol。N≡N的键能为946kJ/mol,H﹣H的键能为436kJ/mol,N﹣H的键能为391kJ/mol,则生成1mol NH3过程中 (填“吸收”或“放出”)的能量为 kJ,反应达到(2)中的平衡状态时,对应的能量变化的数值为 kJ。
(4)反应达平衡时容器内混合气体的平均相对分子质量比起始时 (填增大、减小或不变),混合气体密度比起始时 (填增大、减小或不变)。
(5)为加快反应速率,可以采取的措施是 (填符号)。
a.降低温度
b.增大压强
c.恒容时充入He气
d.恒压时充入He气
e.及时分离NH3
f.加入催化剂
22.(8分)已知海水提取镁的主要步骤如图。
(1)关于加入试剂①作沉淀剂,有以下方法,请完成下列问题。
方法
是否合理
简述理由
方法:高温加热蒸发海水后,再加入沉淀剂
a
b
你认为合理的其他方法是c
a ;
b ;
c 。
(2)框图中加入的试剂①应该是 (填物质名称),加入试剂②的溶质是 ( 填化学式)。工业上由无水MgCl2制取镁的化学方程式为 。
2021-2022学年广东省广州市八校联考高一(下)期中化学试卷
参考答案与试题解析
一、选择题:本题共16个小题,每小题3分。在每小题给出的四个选项中,只有一项是符合题目要求的。
1.(3分)我国毛笔的制作技艺属于国家非物质文化遗产,相传古人制作该毛笔的过程为“以枯木为管,鹿毛为柱,羊毛为被(外衣)”,则下列说法正确的是( )
A.枯木的主要成分为蛋白质
B.鹿毛、羊毛均只含有C、H、O三种元素
C.枯木、鹿毛的主要成分互为同分异构体
D.采用灼烧法可以区分枯木、毛笔的“外衣”
【分析】A.枯木的主要成分是纤维素;
B.蛋白质除了含有C、H、O外,还含有N、S、P等元素;
C.分子式相同、结构不同的有机物互称同分异构体;
D.枯木的主要成分是纤维素,羊毛的主要成分是蛋白质。
【解答】解:A.枯木为枯萎的木材,主要成分是纤维素,故A错误;
B.鹿毛、羊毛的主要成分是蛋白质,蛋白质除了含有C、H、O外,还含有N、S、P等元素,故B错误;
C.枯木的主要成分是纤维素,鹿毛的主要成分是蛋白质,二者的分子式不同,故C错误;
D.羊毛属于蛋白质,灼烧时具有烧焦羽毛的气味,所以有烧焦羽毛味的为羊毛,没有烧焦羽毛气味的为枯木,故D正确;
故选:D。
【点评】本题考查糖类、蛋白质等知识点,侧重考查成分、基本性质,知道同分异构体的概念,注意鹿毛、羊毛都属于蛋白质,枯木的主要成分是纤维素。
2.(3分)下列说法正确的是( )
A.CO、NO、NO2都是大气污染气体,在空气中都能稳定存在
B.明矾在水中生成的Al(OH)3胶体有吸附性,因此常用明矾对水进行消毒
C.CO2、NO2或SO2都会导致酸雨的形成
D.活性炭、SO2、Na2O2都能使品红溶液褪色,原理不同
【分析】A.NO容易被氧气氧化;
B.明矾净水无法对水进行消毒;
C.CO2不会形成酸雨;
D.活性炭、SO2、Na2O2都能使品红溶液褪色的原理不同。
【解答】解:A.NO容易被氧气氧化成二氧化氮,故不能在空气中都能稳定存在,故A错误;
B.氢氧化铝胶体具有吸附性,能吸附水中的悬浮物而净水,起到净水的作用,没有强氧化性,所以不能杀菌消毒,故B错误;
C.CO2不会形成酸雨,故C错误;
D.活性炭使品红溶液褪色是因为吸附性,SO2使品红溶液褪色是二氧化硫和有色物质形成不稳定的无色物质,Na2O2使品红溶液褪色是因为强氧化性,褪色原理不同,故D正确;
故选:D。
【点评】本题主要考查物质的性质及变化,运用化学知识解释生产生活现象,难度不大。
3.(3分)下列关于氮及其化合物的说法,不正确的是( )
A.硝酸可以与甘油反应生成烈性炸药硝化甘油
B.氯碱工业中可以用氨气检查氯气管道是否泄漏
C.工业上制备硝酸是利用NH3和O2反应生成NO,进一步转化为NO2及HNO3
D.为提高作物的养分,可以是铵态氮肥与碱性肥料混合使用
【分析】A.硝酸与甘油发生取代反应生成硝化甘油;
B.氨气与氯气发生氧化还原反应生成氯化铵和氮气;
C.氨气与氧气反应生成一氧化氮,一氧化氮可生成二氧化氮,二氧化氮和水、氧气反应生成硝酸;
D.铵态氮肥与碱性肥料混合使用,可生成氨气。
【解答】解:A.硝酸与甘油发生取代反应生成硝化甘油,为酯类物质,为烈性炸药,故A正确;
B.氨气与氯气发生氧化还原反应生成氯化铵和氮气,发生3Cl2+8NH3═6NH4Cl+N2,有白烟生成,则用氨气检查氯气管道是否泄漏,故B正确;
C.氨气与氧气在催化条件下发生反应生成一氧化氮,一氧化氮可生成二氧化氮,二氧化氮和水、氧气反应生成硝酸,故C正确;
D.铵态氮肥与碱性肥料混合使用,可生成氨气,降低肥效,故D错误。
故选:D。
【点评】本题考查常见非金属元素及其化合物的综合应用,为高频考点,明确常见元素及其化合物性质即可解答,试题有利于提高学生的分析能力及综合应用能力,题目难度不大。
4.(3分)往FeCl3和BaCl2的混合溶液中通入SO2,溶液颜色由棕黄色变成浅绿色,同时有白色沉淀产生.下列说法正确的是( )
A.该实验表明FeCl3有还原性
B.白色沉淀为BaSO3
C.该实验表明SO2有漂白性
D.反应后溶液酸性增强
【分析】往FeCl3和BaCl2的混合溶液中通入SO2,根据现象可知,二氧化硫通入溶液中被三氯化铁氧化为硫酸,三氯化铁北还原为二价铁盐,溶液由棕黄色变成浅绿色,硫酸和氯化钡反应生成难溶的硫酸钡白色沉淀;
【解答】解:A、反应中溶液由棕黄色变成浅绿色,三价铁变化为二价铁,该实验表明FeCl3具有氧化性,故A错误;
B、二氧化硫被氧化为硫酸,生成的沉淀为硫酸钡,故B错误;
C、二氧化硫的漂白性是指二氧化硫和水反应生成的亚硫酸与有色物质结合为不稳定的无色物质,此反应中二氧化硫做还原剂,故C错误;
D、反应后生成硫酸酸性增强,故D正确;
故选:D。
【点评】本题考查了二氧化硫、三氯化铁、硫酸的化学性质及反应现象.
5.(3分)下列化学反应一定是放热反应的是( )
A.Ba(OH)2•8H2O晶体与NH4Cl晶体混合时
B.金属钠与水反应
C.浓硫酸稀释
D.煅烧石灰石
【分析】A.Ba(OH)2•8H2O晶体与NH4Cl晶体混合是吸热反应;
B.金属钠与水反应是放热反应;
C.浓硫酸稀释是物理变化;
D.煅烧石灰石是吸热反应。
【解答】解:A.Ba(OH)2•8H2O晶体与NH4Cl晶体混合是吸热反应,故A错误;
B.金属钠与水反应是放热反应,故B正确;
C.浓硫酸稀释是物理变化,不是放热反应,故C错误;
D.煅烧石灰石是吸热反应,故D错误;
故选:B。
【点评】本题考查化学反应与能量的变化,题目难度不大,注意常见的发热反应和吸热反应。
6.(3分)下列图示的装置不能形成原电池的是( )
A.
B.
C.
D.
【分析】原电池的构成一般条件为:活泼性不同的两个电极;电极材料平行的插入电解质溶液中形成闭合回路,能自发进行的氧化还原反应,据此分析解答。
【解答】解:A.该装置中有两个活泼性不同的电极且平行插入稀硫酸中,形成闭合回路,且Zn能与硫酸自发进行氧化还原反应,能构成原电池,故A不选;
B.该装置中有两个活泼性不同的电极且平行插入硫酸铜中,形成闭合回路,且Zn能与硫酸铜自发进行氧化还原反应,能构成原电池,故B不选;
C.碱性条件下,氢气和氧气能构成燃料原电池,故C不选;
D.该装置中两个电极相同,均能与HCl同时反应,不能构成原电池,故D选;
故选:D。
【点评】本题考查了原电池原理,明确原电池构成条件是解本题关键,注意燃料电池的两个电极可以是惰性电极,题目难度不大。
7.(3分)X、Y两根金属棒插入Z溶液中构成如图所示装置,实验中电流表指针发生偏转,同时X棒变粗,Y棒变细,则X、Y、Z可能是下列中的( )
编号
X
Y
Z
A
Zn
Cu
稀硫酸
B
Ag
Zn
硝酸银溶液
C
Cu
Ag
硫酸铜溶液
D
Cu
Zn
稀硫酸
A.A B.B C.C D.D
【分析】X、Y两根金属棒插入Z溶液中,实验中电流表指针发生偏转,说明该装置形成原电池,X棒变粗,Y棒变细,则X作正极、Y作负极,据此分析解答。
【解答】解:X、Y两根金属棒插入Z溶液中,实验中电流表指针发生偏转,说明该装置形成原电池,X棒变粗,Y棒变细,则X作正极、Y作负极,
A.该装置中,X锌电极易失电子作负极、Y作正极,与实际不符合,故A错误;
B.该装置中,Y易失电子作负极、X作正极,X电极上银离子得电子生成银,则符合实际,故B正确;
C.该装置中,X电极易失电子作负极,与实际不符合,故C错误;
D.该装置中,X电极上氢离子得电子生成氢气,属于电极质量不变,故D错误;
故选:B。
【点评】本题考查了原电池原理,根据电极上发生的反应确定正负极,再结合题目分析解答,题目难度不大。
8.(3分)在光照条件下,纳米TiO2能将甲醛催化氧化成二铖化碳和水.经10小时(h)催化氧化后,某密闭空间内甲醛的浓度从2.0×10﹣7mol/L降到1.0×10﹣7mol/L,则甲醛在这段时间内的平均反应速率为( )
A.4.0×10﹣8mol/(L•h) B.3.0×10﹣8mol/(L•h)
C.2.0×10﹣8mol/(L•h) D.1.0×10﹣8mol/(L•h)
【分析】根据化学反应平均速率公式v=计算.
【解答】解:反应经历的时间为△t=10h,密闭空间内甲醛浓度从2.0×10﹣7mol/L降到1.0×10﹣7mol/L,则甲醛浓度变化为△c(HCHO)=2.0×10﹣7﹣1.0×10﹣7=1.0×10﹣7mol/L,则甲醛在这段时间内的平均反应速率为=1.0×10﹣8mol/(L•h),
故选:D。
【点评】本题考查化学反应速率的计算公式,掌握公式是解题的关键,题目难度不大,是基础题.
9.(3分)下列各组物质在一定条件下反应,可以制得较纯净的1,2﹣二氯乙烷的是( )
A.乙烷与氯气光照反应 B.乙烯与氯化氢气体混合
C.乙烯与氯气加成 D.乙烯通入浓盐酸
【分析】A.乙烷与氯气光照发生取代反应,反应产物为多种氯代烃的混合物和氯化氢;
B.乙烯与氯化氢反应生成氯乙烷,无法获得1,2﹣二氯乙烷;
C.乙烯与氢气发生加成反应生成1,2﹣二氯乙烷;
D.乙烯不与浓盐酸反应。
【解答】解:A.乙烷与氯气光照反应,可生成多种氯代烃的混合物和氯化氢,无法获得较纯净的1,2﹣二氯乙烷,故A错误;
B.乙烯与氯化氢气体混合,二者反应生成氯乙烷(CH3CH2Cl),无法获得1,2﹣二氯乙烷,故B错误;
C.乙烯与氯气加成生成1,2二氯乙烷(ClCH2CH2Cl),可以制得较纯净的1,2﹣二氯乙烷,故C正确;
D.乙烯通入浓盐酸中,二者不发生反应,故D错误;
故选:C。
【点评】本题考查乙烯的化学性质应用,为高频考点,侧重于学生的分析能力的考查,把握实验目的、反应机理额解答关键,注意掌握常见有机物的组成、结构与性质,题目难度不大,
10.(3分)若用乙烯和氯气在适当的条件下反应制取三氯乙烷,这一过程中所发生的反应的类型及消耗氯气的量是(设乙烯为1mol,反应产物中的有机物只有三氯乙烷)( )
A.取代反应,4 mol Cl2
B.加成反应,2 mol Cl2
C.加成反应、取代反应,3 mol Cl2
D.加成反应、取代反应,2 mol Cl2
【分析】乙烯和氯气发生加成反应生成三氯乙烷,1mol双键加成需要1mol的氯气,有机物中的氢原子被氯原子可以取代,取代1molH原子需要消耗1mol氯气,据此进行解答.
【解答】解:乙烯和氯气在适当的条件下反应制取三氯乙烷的反应是先加成再取代,有机物中1mol双键加成需要1mol的氯气,有机物中1mol氢原子被氯原子可以取代消耗氯气1mol,所以用乙烯和氯气在适当的条件下反应制取三氯乙烷,共需要氯气2mol,
故选:D。
【点评】本题考查了化学方程式计算,题目难度不大,明确加成反应、取代反应原理为解答关键,试题培养了学生的分析、理解能力及灵活应用能力.
11.(3分)联合国卫生组织将铁锅作为一种理想的炊具向世界推广,其主要原因是( )
A.吸热慢、散热也慢、宜于食物保温
B.烹饪出的食物中含有对人体有益的元素
C.生产过程简单、不易生锈、价格便宜
D.生铁中含有碳元素、能产生对人体有益的有机物
【分析】从铁元素的生理功能角度分析,铁是人体所必需的微量元素,是血红蛋白的主要成分,据此进行分析、判断选项正误.
【解答】解:A.铁锅吸热快,散热快,不能用于食物保温,故A错误;
B.使用铁锅烹调的食物中留有人体需要的铁元素,可以预防缺铁性贫血,是向全世界大力推广的主要原因,故B正确;
C.铁锅易生锈,故C错误;
D.生铁中含有碳元素、但是不能产生对人体有益的有机物,故D错误。
故选:B。
【点评】本题考查微量元素对人体健康的重要作用,难度不大,注意铁是人体所必需的微量元素,是血红蛋白的主要成分.
12.(3分)将1.0体积乙烷和乙烯的混合气体在氧气中充分燃烧,生成2.0体积的CO2和2.4体积的水蒸气(同温同压下测定).则混合物中烷烃和烯烃的体积比为( )
A.3:1 B.1:3 C.2:3 D.3:2
【分析】相同条件下气体的物质的量与体积成正比,1体积混合气体生成相同条件下2.4体积的水,则混合物中平均H原子数为:=4.8,然后设出乙烷和乙烯的物质的量,根据平均氢原子数列式计算出二者物质的量之比,即为二者的体积之比.
【解答】解:根据n=可知,同温同压下,气体的物质的量与体积成正比,1体积混合气体生成相同条件下2.4体积的水,则混合物中平均H原子数为:=4.8,
设乙烷的物质的量为xmol、乙烯的物质的量为ymol,
则:=4.8,
解得x:y=2:3,
故选:C。
【点评】本题考查烷烃和烯烃的燃烧及相关混合物的计算,题目难度中等,注意掌握混合烃燃烧的计算方法,明确平均分子式法在计算中的运用.
13.(3分)A、B、C三种醇同足量的金属钠完全反应,在相同的条件下产生相同体积的氢气,消耗这三种醇的物质的量之比为3:6:2,则A、B、C三种醇分子里羟基数之比为( )
A.3:2:1 B.2:6:3 C.3:1:2 D.2:1:3
【分析】根据关系式2﹣OH~2Na~H2↑可知,在相同条件下产生体积相同的氢气,一定物质的量的三种醇含有的﹣OH相同,结合物质的量关系判断.
【解答】解:设生成氢气a mol,根据2﹣OH~2Na~H2↑可知参加反应的羟基均为2amol,故A、B、C三种分子里羟基数目之比为::=2:1:3,
故选:D。
【点评】本题考查有机物的结构和性质,题目难度不大,根据关系式2﹣OH~2Na~H2↑即可解答.
14.(3分)下列有关能源和能量转换的叙述正确的是( )
A.推广使用太阳能、风能、海洋能、氢能,有利于缓解温室效应
B.乙醇和汽油都是可再生能源,应大力推广“乙醇汽油”
C.普通锌锰干电池不含环境污染物,用完后可以随意扔掉,使用方便
D.燃料电池是利用燃料燃烧,将化学能转化为热能,然后再转化为电能的化学电源
【分析】A、根据温室效应的形成原因考虑:主要是由于释放出来的二氧化碳太多造成的,还与臭氧、甲烷等气体有关;
B、乙醇是可再生能源,汽油是化石燃料不是可再生能源;
C、普通锌锰干电池,其中的酸电解质溶液会影响土壤和水系的pH,使土壤和水系酸性化,而锰等重金属被生物吸收后,形成重金属污染;
D、燃料电池是直接将化学能转化为电能的化学电源.
【解答】解:A、根据温室效应的形成原因考虑:主要是由于释放出来的二氧化碳太多造成的,还与臭氧、甲烷等气体有关;推广使用太阳能、风能、海洋能、氢能,有利于缓解温室效应,故A正确;
B、乙醇是可再生能源,汽油是化石燃料不是可再生能源;故B错误;
C、普通锌锰干电池,其中的酸电解质溶液会影响土壤和水系的pH,使土壤和水系酸性化,而锰等重金属被生物吸收后,形成重金属污染,故C错误;
D、燃料电池是直接将化学能转化为电能的化学电源;故D错误;
故选:A。
【点评】本题考查了能源的使用和开发利用,温室气体效应的分析判断,电池的污染与回收,反应活化能的含义,题目难度中等.
15.(3分)下列关于煤和石油综合利用的叙述中,正确的是( )
A.煤的气化是对其进行加热直接变为气体
B.煤的干馏和石油的分馏都是化学变化
C.石油产品裂解能生产乙烯
D.石油分馏的各馏分均是纯净物
【分析】A.煤的气化是指煤和高温水蒸气的反应;
B.化学变化是有新物质生成的变化,反之为物理变化;
C.石油裂解是为了得到短链不饱和烃;
D.馏分均是混合物。
【解答】解:A.煤的气化是指煤和高温水蒸气反应生成CO和H2,属于化学变化,故A错误;
B.煤的干馏属于化学变化,石油的分馏都是物理变化,没有新物质生成,故B错误;
C.石油产品裂解能生产乙烯、丙烯等短链不饱和烃,故C正确;
D.石油分馏的各馏分均是混合物,故D错误;
故选:C。
【点评】本题考查知识面较广,具体涉及煤的气化,石油的分馏,石油的裂解等,属于基本知识的考查,难度不大,需要主要知识的积累。
16.(3分)从海带中提取碘,可经过以下实验步骤完成。下列有关说法正确的是( )
A.灼烧过程中使用的玻璃仪器有酒精灯、烧杯、玻璃棒
B.氧化过程中发生反应的离子方程式为 2I﹣+H2O2═I2+2OH﹣
C.检验碘单质时,可选用淀粉碘化钾试纸,若试纸变蓝说明海带中含有碘单质
D.分液时,先打开活塞放出下层液体,再关闭活塞从上口倒出上层液体
【分析】由实验流程可知,海带在坩埚中灼烧后,溶解、煮沸、过滤分离出滤液含碘离子,再加过氧化氢发生2I﹣+2H++H2O2═I2+2H2O,得到含碘的水溶液,可选淀粉检验碘单质,然后加有机溶剂萃取、分液、蒸馏分离出碘单质,以此来解答。
【解答】解:A.灼烧用到仪器有:坩埚、酒精灯、三脚架、泥三角、烧杯、玻璃棒,故A错误;
B.加入双氧水能在酸性条件下将I﹣氧化为I2,由于是酸性条件下,故H2O2应被还原为H2O,离子方程式为2I﹣+2H++H2O2═I2+2H2O,故B错误;
C.检验碘单质时,可选用淀粉,故C错误;
D.分液时避免上下层液体混合,操作为下层液体从下口流出,上层液体从上口倒出,故D正确;
故选:D。
【点评】本题考查海带提碘,为高频考点,把握物质的性质、流程中发生的反应、混合物分离提纯为解答的关键,侧重分析与实验能力的考查,注意元素化合物知识的应用,题目难度不大。
二、非选择题:包括第17题~第21题5个大题,共52分。
17.(10分)某化学课外兴趣小组为探究足量的铜跟浓硫酸的反应情况,用如图所示装置进行有关实验。已知:①SO2难溶于饱和亚硫酸氢钠溶液。②SO2能与酸性高锰酸钾溶液发生氧化还原反应。请回答下列问题:
(1)装置A中发生的化学反应方程式为 Cu+2H2SO4(浓)CuSO4+SO2↑+2H2O ;此反应表明浓硫酸具有 ac 。(填字母)
a.酸性
b.脱水性
c.强氧化性
d.吸水性
(2)装置D中试管口放置的棉花中浸入 NaOH 溶液,其作用是 吸收SO2气体,防止污染空气 。
(3)装置B的作用是贮存多余的气体,B中应放置的液体是 b 。(填字母)
a.水
b.饱和NaHSO3溶液
c.酸性KMnO4溶液
d.NaOH溶液
(4)实验中,取一定质量的铜片和一定体积18.4mol•L﹣1的浓硫酸放在圆底烧瓶中共热,直到反应完毕,发现烧瓶中还有铜片剩余,该小组学生根据所学的化学知识认为还有一定量的硫酸剩余。
①有一定量的余酸但未能使铜片完全溶解,你认为原因是 浓硫酸由浓变稀,稀硫酸不再与铜反应 。
②下列药品中能用来证明反应结束后的烧瓶中确有余酸的是 bd 。(填字母)
a.银粉
b.铁粉
c.BaCl2溶液
d.NaHCO3溶液
【分析】由实验装置可知,A中发生Cu+2H2SO4(浓)CuSO4+SO2↑+2H2O,体现浓硫酸的强氧化性、酸性,随反应进行浓硫酸变为稀硫酸,Cu与稀硫酸不反应,加活泼金属与酸反应生成气体或碳酸氢盐与酸反应生成气体可验证酸剩余,装置B的作用是贮存多余的气体,B中饱和NaHSO3溶液,此时长颈漏斗中液面上升,C中收集气体,D中品红褪色可检验二氧化硫,装置D中试管口放置的棉花中浸入NaOH溶液可吸收尾气,以此来解答。
【解答】解:(1)装置A中发生的化学反应方程式为Cu+2H2SO4(浓)CuSO4+SO2↑+2H2O;此反应表明浓硫酸具有强氧化性、酸性,
故答案为:Cu+2H2SO4(浓)CuSO4+SO2↑+2H2O;ac;
(2)装置D中试管口放置的棉花中浸入NaOH溶液,其作用是吸收SO2气体,防止污染空气,
故答案为:NaOH;吸收SO2气体,防止污染空气;
(3)装置B的作用是贮存多余的气体,B中应放置的液体是饱和NaHSO3溶液,
故答案为:b;
(4)①有一定量的余酸但未能使铜片完全溶解,你认为原因是浓硫酸由浓变稀,稀硫酸不再与铜反应,
故答案为:浓硫酸由浓变稀,稀硫酸不再与铜反应;
②Fe、NaHCO3溶液均与稀硫酸反应生成气体,能用来证明反应结束后的烧瓶中确有余酸,
故答案为:bd。
【点评】本题考查浓硫酸的性质实验,为高频考点,把握物质的性质、发生的反应、实验装置的作用为解答的关键,侧重分析与实验能力的考查,注意元素化合物知识的应用,题目难度不大。
18.(12分)有机物的表示方法多种多样,下面是常用的有机物的表示方法:
①
②CH3CH2CH(CH3)CH3
③CH4
④
⑤
⑥
⑦
⑧
(1)上述表示方法中属于结构简式的是 ①②③④⑦ (填序号,下同),属于比例模型的是 ⑤ 。
(2)写出⑧中官能团的名称: 羟基 、 醛基 。
(3) ② 和 ⑥ 互为同分异构体。
【分析】(1)将结构式中的C﹣H键省略、碳碳单键可省可不省、碳碳双键和碳碳三键不能省,据此得到的是结构简式;用原子间的相对大小表示分子真实的空间结构的模型为比例模型;
(2)根据常见官能团有碳碳双键、碳碳三键、羟基、醛基、羧基、酯基等来分析;
(3)分子式相同而结构不同的化合物间互为同分异构体。
【解答】解:(1)将结构式中的C﹣H键省略、碳碳单键可省可不省、碳碳双键和碳碳三键不能省,据此得到的是结构简式,故①②③④⑦属于结构简式;用原子间的相对大小表示分子真实的空间结构的模型为比例模型,故⑤为比例模型,
故答案为:①②③④⑦;⑤;
(2)根据常见官能团有碳碳双键、碳碳三键、羟基、醛基、羧基、酯基可知,⑧中的官能团为羟基和醛基,
故答案为:羟基、醛基;
(3)②和⑥的分子式相同而结构不同,故互为同分异构体,
故答案为:②;⑥。
【点评】本题考查了同分异构体的判断、官能团的识别和结构简式、比例模型等,难度不大,应注意基础的积累。
19.填一填。
(1)写出下列有机物的结构简式:
①2,4﹣二甲基﹣3﹣乙基己烷 。
②2﹣甲基﹣2﹣戊烯 。
(2)对下列有机物进行命名:
① 3,3﹣二乙基﹣1﹣己烯 。
②(CH3)3CCH(CH3)CH2CH3 2,2,3﹣三甲基戊烷 。
【分析】(1)①2,4﹣二甲基﹣3﹣乙基己烷主链有6个碳原子的烷烃,2,4号碳上各有1个甲基,3号碳上有1个乙基,据此书写结构简式;
②2﹣甲基﹣2﹣戊烯主链有5个碳原子的烯烃,2号碳上有1个甲基,2号碳上有1个碳碳双键,据此书写结构简式;
(2)①主链有6个碳原子的烯烃,3号碳上有2个乙基,1号碳上有1个碳碳双键;
②(CH3)3CCH(CH3)CH2CH3主链5个碳原子的烷烃,2号碳上有2个甲基,3号碳上有1个甲基。
【解答】解:(1)①2,4﹣二甲基﹣3﹣乙基己烷主链有6个碳原子的烷烃,2,4号碳上各有1个甲基,3号碳上有1个乙基,结构简式为:,
故答案为:;
②2﹣甲基﹣2﹣戊烯主链有5个碳原子的烯烃,2号碳上有1个甲基,2号碳上有1个碳碳双键,结构简式为:,
故答案为:;
(2)(2)①主链有6个碳原子的烯烃,3号碳上有2个乙基,1号碳上有1个碳碳双键,系统命名为:3,3﹣二乙基﹣1﹣己烯,
故答案为:3,3﹣二乙基﹣1﹣己烯;
②(CH3)3CCH(CH3)CH2CH3主链5个碳原子的烷烃,2号碳上有2个甲基,3号碳上有1个甲基,系统命名为:2,2,3﹣三甲基戊烷,
故答案为;2,2,3﹣三甲基戊烷。
【点评】本题考查有机物的结构、命名和组成特征,为高频考点,把握有机物命名原则为解答的关键,侧重分析与应用能力的考查,注意结构简式的书写方法,题目难度不大。
20.(11分)能源是现代文明的原动力,通过化学方法可以使能量按人们所期望的形式转化,从而开辟新能源和提高能源的利用率。
(1)氢气在O2中燃烧的反应是 放 热反应(填“放”或“吸”),这是由于反应物的总能量 大于 生成物的总能量。(填“大于”、“小于”或“等于”,下同)
(2)从化学反应的本质角度来看,氢气的燃烧是由于断裂反应物中的化学键吸收的总能量 小于 形成产物的化学键放出的总能量。已知破坏1mol H﹣H键、1mol O=O键、1molH﹣O键时分别需要436kJ、498kJ、463kJ的能量,则2mol H2(g)和1mol O2(g)转化为2mol H2O(g)时放出的热量为 482 kJ。
(3)通过氢气的燃烧反应,可以把氢气中蕴含的化学能转化为热能,如果将该氧化还原反应设计成原电池装置,就可以把氢气中蕴含的化学能转化为电能,如图就是能够实现该转化的装置(其中电解质溶液为KOH溶液),被称为氢氧燃料电池,该电池的正极是 b (填a或b),负极反应式为 H2﹣2e﹣+2OH﹣=2H2O 。
(4)若将图中的氢氧燃料电池用固体金属氧化物陶瓷作电解质(能够传导O2﹣),已知正极上发生的电极反应式为:O2+4e﹣═2O2﹣则负极上发生的电极反应式为 2H2+2O2﹣﹣4e﹣═2H2O :电子从 a 极(填a或b)流出。
【分析】(1)氢气的燃烧是放热反应,反应物的总能量大于生成物的总能量为放热反应;
(2)放热反应中反应物中的化学键总键能小于生成物的化学键总键能;焓变等于反应物的键能之和与生成物的键能之和的差;
(3)在燃料电池中,燃料做负极,失去电子,发生氧化反应;通入氧化剂的一极为正极,得到电子,发生还原反应;氢氧燃料电池,氢气在负极反应;
(4)氢氧燃料电池是用固体金属氧化物陶瓷作电解质总反应为2H2+O2=2H2O,正极反应为O2+4e﹣═2O2﹣,则负极为:2H2+2O2﹣﹣4e﹣=2H2O,电池工作时电子从负极流出。
【解答】解:(1)燃烧反应都是放热反应,所以氢气的燃烧反应是放热反应,根据能量守恒定律,放热反应是反应物的总能量大于生成物的总能量,
故答案为:放;大于;
(2)化学反应的本质是旧化学键的断裂和新化学键的形成,放热反应的本质是断裂反应物中的化学键吸收的总能量小于形成产物的化学键放出的总能量;焓变等于反应物的键能之和减去生成物的键能之和,则2mol H2(g)和1mol O2(g)转化为2mol H2O(g)时放出的热量为(2×436+498﹣4×463)=482kJ,
故答案为:小于;482;
(3)根据原电池电极反应,负极:失电子,发生氧化反应;正极:得电子,反应还原反应,所以氢氧燃料电池,负极上氢气失电子发生氧化反应,反应为H2+2e﹣+2OH﹣=2H2O,其中氧气在正极通入,则b电极是正极,
故答案为:b;H2﹣2e﹣+2OH﹣=2H2O;
(4)氢氧燃料电池是用固体金属氧化物陶瓷作电解质,氢气在负极失去电子发生氧化反应,电极方程式为2H2+2O2﹣﹣4e﹣=2H2O,电池工作时电子从负极流出,
故答案为:2H2+2O2﹣﹣4e﹣=2H2O;a。
【点评】本题主要是考查了原电池的基本原理、反应热判断与计算等,难度中等。
21.(11分)某温度时,在2L的密闭容器中,X、Y、Z(均为气体)三种物质的量随时间的变化曲线如图所示。
(1)由图中所给数据进行分析,该反应的化学方程式为 3X(g)+Y(g)⇌2Z(g) 。
(2)若上述反应中X、Y、Z分别为H2、N2、NH3,某温度下,在容积恒定为2.0L的密闭容器中充入2.0mol N2和2.0mol H2,一段时间后反应达平衡状态,实验数据如下表所示:
t/s
0
50
150
250
350
n(NH3)
0
0.24
0.36
0.40
0.40
0~50s内的平均反应速率v(N2)= 7.2×10﹣2 mol•L﹣1•min﹣1,250s时,H2的转化率为 30 %。
(3)已知:键能指在标准状况下,将1mol气态分子AB(g)解离为气态原子A(g),B(g)所需的能量,用符号E表示,单位为kJ/mol。N≡N的键能为946kJ/mol,H﹣H的键能为436kJ/mol,N﹣H的键能为391kJ/mol,则生成1mol NH3过程中 放出 (填“吸收”或“放出”)的能量为 46 kJ,反应达到(2)中的平衡状态时,对应的能量变化的数值为 18.4 kJ。
(4)反应达平衡时容器内混合气体的平均相对分子质量比起始时 增大 (填增大、减小或不变),混合气体密度比起始时 不变 (填增大、减小或不变)。
(5)为加快反应速率,可以采取的措施是 bf (填符号)。
a.降低温度
b.增大压强
c.恒容时充入He气
d.恒压时充入He气
e.及时分离NH3
f.加入催化剂
【分析】(1)根据图知,X、Y都是反应物而Z是生成物,2min内消耗的△n(X)=(1.0﹣0.7)mol=0.3mol、△n(Y)=(1.0﹣0.9)mol=0.1mol、
△n(Z)=(0.2﹣0)mol=0.2mol,相同时间内不同物质的物质的量变化量之比等于其计量数之比,则X、Y、Z的计量数之比=0.3mol:0.1mol:0.2mol=3:1:2;
(2)反应 3H2(g)+N2(g)⇌2NH3(g)
开始(mol )2.0 2.0 0
反应(mol)0.60 0.20 0.40
平衡(mol)1.40 1.80 0.40
0~50s内的平均反应速率v(NH3)=mol/(L.s)=0.0024mol/(L.s),相同时间内v(N2)=v(NH3),1min=60s,
氢气转化率=×100%;
(3)焓变等于断裂化学键吸收的能量减去成键释放的能量,且物质的量与热量成正比;
(4)混合气体的平均相对分子质量=,混合气体密度ρ=来判断;
(5)影响化学反应速率的因素可知,升温、增压、加入催化剂、增大接触面积等均能加快反应速率。
【解答】解:(1)根据图知,X、Y都是反应物而Z是生成物,2min内消耗的△n(X)=(1.0﹣0.7)mol=0.3mol、△n(Y)=(1.0﹣0.9)mol=0.1mol、
△n(Z)=(0.2﹣0)mol=0.2mol,相同时间内不同物质的物质的量变化量之比等于其计量数之比,则X、Y、Z的计量数之比=0.3mol:0.1mol:0.2mol=3:1:2,则该反应方程式为:3X(g)+Y(g)⇌2Z(g),
故答案为:3X(g)+Y(g)⇌2Z(g);
(2)反应3H2(g)+N2(g)⇌2NH3(g)
开始(mol)2.0 2.0 0
反应(mol)0.60 0.20 0.40
平衡(mol)1.40 1.80 0.40
0~50s内的平均反应速率v(NH3)=mol/(L.s)=0.0024mol/(L.s),
相同时间内v(N2)=v(NH3)=×0.0024mol/(L.s)=1.2×10﹣3mol/(L•s )=7.2×10﹣2mol/(L•min),
氢气转化率=×100%=×100%=30%,
故答案为:7.2×10﹣2;30;
(3)N2(g)+3H2(g)⇌2NH3(g)△H=946kJ/mol+3×436kJ/mol﹣6×391kJ/mol=﹣92kJ/mol,则生成1mol NH3过程中放出的能量为92kJ×=46kJ,反应达到(2)中的平衡状态时,生成氨气为0.4mol,则对应的能量变化的数值为0.4mol×46kJ/mol=18.4kJ,
故答案为:放出;46;18.4;
(4)混合气体的平均相对分子质量=,从开始到平衡,混合气体质量不变,但是n是逐渐减小的,所以混合气体的平均相对分子质量会变大,由混合气体密度ρ=可知,从开始到平衡,混合气体质量和体积不变,所以混合气体的密度始终不变,
故答案为:增大;不变;
(5)a.降低温度,化学反应速率减小,故a错误;
b.增大压强,加快反应速率,故b正确;
c.恒容时充入He,体系中物质的浓度不变,反应速率不变,故c错误;
d.恒压时充入He气,体积增大,反应速率减小,故d错误;
e.及时分离出Z,生成物浓度减小,反应速率减慢,故e错误;
f.选择高效的催化剂,反应速率加快,故f正确;
故答案为:bf。
【点评】本题考查化学平衡计算、化学平衡状态判断、反应速率影响因素等知识点,侧重考查分析判断及计算能力,明确化学平衡状态判断方法、反应速率与计量数的关系是解本题关键,题目难度不大。
22.(8分)已知海水提取镁的主要步骤如图。
(1)关于加入试剂①作沉淀剂,有以下方法,请完成下列问题。
方法
是否合理
简述理由
方法:高温加热蒸发海水后,再加入沉淀剂
a
b
你认为合理的其他方法是c
a 不合理 ;
b 耗能高、成本高 ;
c 海水晒盐后的母液浓缩蒸发,加入沉淀剂 。
(2)框图中加入的试剂①应该是 石灰乳 (填物质名称),加入试剂②的溶质是 HCl ( 填化学式)。工业上由无水MgCl2制取镁的化学方程式为 MgCl2(熔融)Mg+Cl2↑ 。
【分析】由流程可知,加试剂①为石灰乳可沉淀镁离子,发生Ca(OH)2+Mg2+=Mg(OH)2+Ca2+,过滤分离出沉淀后,加试剂②为盐酸,发生Mg(OH)2+2H+=Mg2++2H2O,在HCl气流中蒸发得到无水氯化镁,最后发生MgCl2(熔融)Mg+Cl2↑,以此来解答。
【解答】解:(1)高温加热蒸发海水后,再加入沉淀剂,不合理,原因为耗能高、成本高,可选海水晒盐后的母液浓缩蒸发,加入沉淀剂,
故答案为:不合理;耗能高、成本高;海水晒盐后的母液浓缩蒸发,加入沉淀剂;
(2)框图中加入的试剂①应该是石灰乳,加入试剂②的溶质是HCl,工业上由无水MgCl2制取镁的化学方程式为MgCl2(熔融)Mg+Cl2↑,
故答案为:石灰乳;HCl;MgCl2(熔融)Mg+Cl2↑。
【点评】本题考查海水资源的应用,为高频考点,把握物质的性质、发生的反应、混合物分离提纯为解答的关键,侧重分析与实验能力的考查,注意元素化合物知识的应用,题目难度不大。
声明:试题解析著作权属菁优网所有,未经书面同意,不得复制发布日期:2023/4/15 1:06:52;用户:一;邮箱:orFmNt4wY2woThCHSPWeWvTp-oRM@weixin.jyeoo.com;学号:25716926
2021-2022学年广东省广州市三校高一(上)期中化学试卷: 这是一份2021-2022学年广东省广州市三校高一(上)期中化学试卷,共35页。试卷主要包含了单项选择题,非选择题等内容,欢迎下载使用。
2021-2022学年广东省十五校联盟高一(下)联考化学试卷(第1次)(含答案解析): 这是一份2021-2022学年广东省十五校联盟高一(下)联考化学试卷(第1次)(含答案解析),共17页。试卷主要包含了 下列叙述错误的是, 金刚石与石墨是同素异形体等内容,欢迎下载使用。
2021-2022学年广东省十五校联盟高一(下)第一次联考化学试卷(含答案解析): 这是一份2021-2022学年广东省十五校联盟高一(下)第一次联考化学试卷(含答案解析),共19页。试卷主要包含了 下列叙述错误的是等内容,欢迎下载使用。

