中考物理二轮复习核心素养专题讲义第45讲 中考力学7类重点实验(含解析)
展开这是一份中考物理二轮复习核心素养专题讲义第45讲 中考力学7类重点实验(含解析),共31页。试卷主要包含了原理,用天平测质量,用量筒测物体体积,转换法应用,由前两结论可概括为,比较乙、丙实验结论是,比较丙、丁实验结论是,实验推理与假设,超载、超速问题判断等内容,欢迎下载使用。
中考物理二轮复习核心素养专题讲义
第45讲 中考力学7类重点实验
专题知识概述
重点实验1:测量物质密度
1.原理:ρ=m/v
2.用天平测质量,用量筒测物体体积。
3.①使用天平时,先观察量程和分度值,估测物体质量;再把天平放到水平桌面上,为什么?因为天平是一个等臂杠杆,只有天平处于水平平衡是,两边受到的力才相等,物体和砝码的质量才相等。
②调节天平时应先将游码移到称量标尺左端零刻度处,在调节平衡螺母,时指针指在分度标尺中央红线处。或指针在中央红线左右摆动幅度相同即可。(左偏右调)
③ 称量过程中要用镊子夹取砝码,左物右码,先大后小,最后移到游码,直至天平水平平衡。
④读数=砝码示数+游码示数。
⑤如果砝码缺了一块,所测物体质量比实际质量偏大 。
⑥使用量筒时先观察量程和分度值。
⑦注意量筒的量程没有0 刻度线 。
⑧观察时视线要与凹面底部或凸面顶部在同一水平线上。
重点实验2:探究“滑动摩擦力的大小与哪些因素有关”
1.实验原理:二力平衡
2.实验方法:把木块放在水平长木板上,用弹簧测力计水平拉木块,使木块匀速运动,读出这时的拉力就等于滑动摩擦力的大小。
3.实验结论:接触面粗糙程度相同时,压力越大滑动摩擦力越大;压力相同时,接触面越粗糙滑动摩擦力越大。该研究采用了控制变量法。
4.转换法应用:通过拉力的大小来反映摩擦力的大小
5.由前两结论可概括为:滑动摩擦力的大小与压力大小和接触面的粗糙程度有关。实验还可研究滑动摩擦力的大小与接触面大小、运动速度,拉力大小等无关。
重点实验3:二力平衡及其实验问题
1.二力平衡:物体在受到两个力的作用时,如果能保持静止状态或匀速直线运动状态,那么这两个力相互平衡。
2.二力平衡的条件:作用在同一物体上的两个力,如果大小相等、方向相反、并且在同一条直线上,这两个力就彼此平衡。
3.探究二力平衡条件实验
(1)在探究究二力平衡问题时,什么因素影响实验结果?答:摩擦力
(2)你认为右图哪个实验更合理?答:甲,应为乙物体受到的摩擦力大,对实验效果影响大。
(3)如何判断物体是否处于平衡状态?答:当物体保持静止或匀速直线运动状态时,都可以判定物体处于平衡状态.
(4)实验中如何改变拉力的大小?答:通过改变砝码的个数,来改变对小车的拉力大小.
(5)定滑轮有什么作用:答:改变拉力的方向
(6)如何探究两个力作用在同一物体上?答:将纸板从中间剪开,观察纸板是否还处于平衡状态。
(7)如何探究两个力在同一直线上:答:把纸板转动一个角度,然后松手,观察小车的运动状态.
(8)实验结论:二力平衡条件:同体、等大、方向、共线。
(9)实验方法:控制变量法
(10)选择静止状态的原因:匀速运动状态不好控制。
(11)进行多次实验的目的:得出普遍规律,避免偶然性。
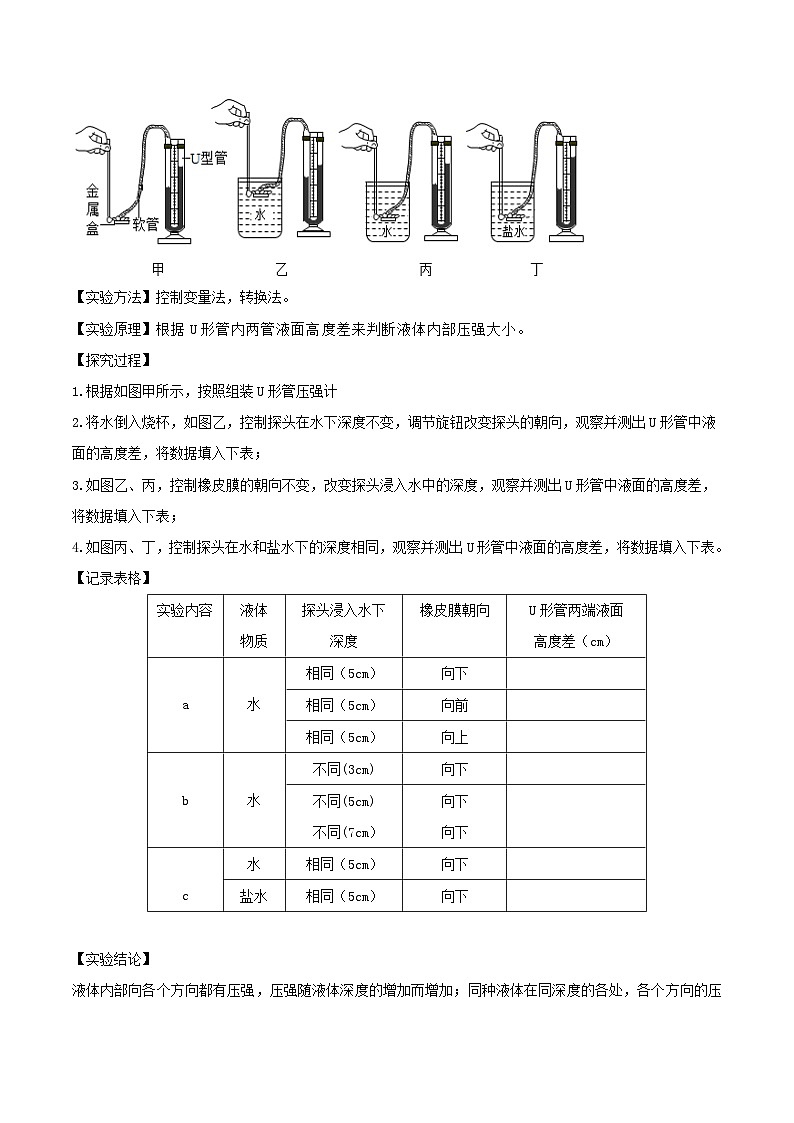
重点实验4:探究影响液体压强大小的因素
【实验装置】
【实验方法】控制变量法,转换法。
【实验原理】根据U形管内两管液面高度差来判断液体内部压强大小。
【探究过程】
1.根据如图甲所示,按照组装U形管压强计
2.将水倒入烧杯,如图乙,控制探头在水下深度不变,调节旋钮改变探头的朝向,观察并测出U形管中液面的高度差,将数据填入下表;
3.如图乙、丙,控制橡皮膜的朝向不变,改变探头浸入水中的深度,观察并测出U形管中液面的高度差,将数据填入下表;
4.如图丙、丁,控制探头在水和盐水下的深度相同,观察并测出U形管中液面的高度差,将数据填入下表。
【记录表格】
实验内容
液体
物质
探头浸入水下
深度
橡皮膜朝向
U形管两端液面
高度差(cm)
a
水
相同(5cm)
向下
相同(5cm)
向前
相同(5cm)
向上
b
水
不同(3cm)
向下
不同(5cm)
不同(7cm)
向下
向下
c
水
相同(5cm)
向下
盐水
相同(5cm)
向下
【实验结论】
液体内部向各个方向都有压强,压强随液体深度的增加而增加;同种液体在同深度的各处,各个方向的压强大小相等;不同的液体,在同一深度产生的压强大小与液体的密度有关,密度越大,液体的压强越大。
【注意事项】
1.液体压强产生的原因是液体受到重力作用;液体有流动性。
2.实验前的两个操作:(1)先检查U型管左右两边的液面是否相平。
(2)检查装置的气密性:(用手压金属盒上的橡皮膜,观察U型管中液面是否发生变化,若变化明显,则气密性良好)
3.实验时发现U型管内高度差没变化原因是气密性不好,应该拆下来重新安装。
4.使用的U型管不是连通器。
5.实验U型管内液体染成红色,目的是使实验效果明显,便于观察。
5.实验需要多次进行,目的是总结普通规律。
6.比较乙、丙实验结论是:液体密度一定时,深度越深,液体产生的压强越大。
7.比较丙、丁实验结论是:当液体深度相同时,液体密度越大,液体产生的压强越大。
重点实验5:探究浮力大小与哪些因素有关
1.比较图B和C可知,物体受到的浮力大小与排开液体的体积有关。
2.比较图C和E可知,物体受到的浮力大小与液体的密度有关。
3.比较图C和图D可知,浮力的大小与物体浸没在液体中的深度无关。
4.图E中物体受到浮力大小为0.8N。
5.比较图C和E可知,水对杯底部的压强大于酒精对杯底部的压强。
重点实验6:探究物体动能大小跟哪些因素有关
1.实验研究:研究对象小钢球。 方法有控制变量法;转换法。
如何判断动能大小:看木块被小钢球推动的距离多少。
使质量不同的钢球从同一高度静止释放的目的:使小球到达水平面时的初速度相同;
如何改变钢球速度:使钢球从不同同高度滚下;
2.分析归纳:保持钢球质量不变时结论:运动物体质量相同时,速度越大,动能越大;
保持钢球速度不变时结论:运动物体速度相同时,质量越大,动能越大;
3.得出结论:物体动能与质量和速度有关;速度越大动能越大,质量越大动能也越大。
4.斜面的作用:是物体具有速度并改变物体速度的大小。
5.水平面的作用:是物体在竖直方向上受力平衡,在水平方向只受摩擦力。
6.能量转化:在斜面上机械能转化过程:重力势能转化成动能 , 在水平面上能力转化过程:动能转化为内能。
7.木块最终停下来的原因:在水平面受到摩擦力。
8.实验推理与假设:当水平面绝对光滑,小球将做匀速直线匀速,不能达到探究目的。
9.超载、超速问题判断:超速时,质量不变,速度越大,动能越大;超载时,速度不变,质量越大,动能越大。
10.用小球做实验有不足之处是:不能保证小球在水平面上沿直线运动。
重点实验7:测量滑轮组的机械效率
一、测量滑轮组的机械效率实验基本思路
【实验目的】会测量滑轮组的机械效率。
【实验原理】
【待测数据】物重G、拉力F、重物上升的距离h、弹簧测力计移动的距离S
【实验器材】钩码、滑轮组、铁架台、细线、弹簧测力计、刻度尺。
【实验步骤】
①用所给器材组装如图所示滑轮组。
②将钩码挂在滑轮组下方,记录下所挂钩码的重力,用弹簧测力计竖直拉住绳子自由端。
③将刻度尺放在如图所示的位置,分别记录下钩码和绳子自由端的起始位置。
④用弹簧测力计匀速拉动绳子自由端,使物体匀速上升一段距离,记录弹簧测力计的读数,并记录物体上升后所达到的末位置以及绳子自由端上升到的末位置。
⑤根据测量数据,分别计算出钩码上升的距离h和绳子自由端移动的距离s,然后根据W有用=Gh和W总=Fs计算出有用功和总功,按计算该滑轮组的机械效率。
⑥改变所挂钩码的重力,重复以上实验步骤。
⑦钩码重力不变,改变动滑轮个数重复上述实验步骤。
次数
钩码重/N
钩码上升高度/cm
滑轮组有用功/J
弹簧测力计示数/N
弹簧测力计移动距离/cm
滑轮组总功/J
机械效率%
单滑轮组
1
4
10
1.6
30
2
6
10
2.6
30
双滑轮组
1
4
10
1.1
50
2
6
10
1.4
50
【实验结论】
①滑轮组机械效率与物体重力和动滑轮的个数有关;
②同一滑轮组,提起的物重越重,滑轮组的机械效率越高;
③不同的滑轮组机械效率不同,且在物重相同时,动滑轮越重,滑轮组的机械效率越低
二、测量滑轮组的机械效率实验命题点
1. 必须匀速拉动弹簧测力计使钩码升高的目的是保证测力计示数大小不变。
2.结论:影响滑轮组机械效率高低的主要因素有:
(1)动滑轮越重,个数越多则额外功相对就多。
(2)提升重物越重,做的有用功相对就多。
(3)摩擦,若各种摩擦越大做的额外功就多。
3.同一滑轮组绕线方法和重物提升高度不影响滑轮机械效率。
4.测量机械效率时为什么不能使弹簧测力计静止?机械效率会怎样?
当弹簧测力计静止时,绳子和滑轮之间没有摩擦力,拉力示数会变小,有用功在总功中占的比例增大,滑轮组的机械效率偏大。
5.实验中改变钩码的数量,改变动滑轮的个数进行多次实验的目的是改变钩码个数、改变动滑轮的个数从而获得多组数据,这样可以避免一组数据的偶然性,更能得出普遍性规律。
6.通过该实验我们可以得知:增大物重或减少动滑轮的重力可以提高滑轮组的机械效率。
中考典型例题解析
【例题1】(2021青海)下列是“用托盘天平和量筒探究小石块密度”的实验,请完成以下实验步骤:
(1)把天平放在______桌面上,将游码移至标尺______零刻度线处,调节平衡螺母使天平横梁平衡;
(2)把待测小石块放在天平的______盘中,往______盘中加减______并移动游码,直至天平横梁平衡,所加砝码和游码的位置如图甲所示,则该小石块的质量是______g;
(3)用细铜丝代替细线系好小石块,将其浸没在量筒水中,如图乙所示。小石块的体积为______mL,由公式______可求出该小石块的密度为______kg/m3,这样测出小石块的密度值与真实值相比______(选填“偏大“、“偏小”或“不变”)。
【答案】(1)水平 左端 (2) 左 右 砝码 27.4 (3) 10 2.74×103 偏小
【解析】(1)天平使用前要调节平衡,先把天平放在水平桌面上,将游码移至标尺左端零刻度线处,调节平衡螺母使天平横梁平衡。
(2)测质量时,遵守“物左码右”的原则。把待测小石块放在天平的左盘中,往右盘中加减砝码并移动游码,直至天平横梁平衡,如图甲所示,标尺的分度值0.2g,游码对应的刻度值为2.4g,则该小石块的质量
m=5 g +20 g +2.4g=27.4g
(3)量筒的分度为1mL,读数时应以凹液面的底部为准,原来水的体积为20mL,用细铜丝代替细线系好小石块,将其浸没在水中时,水和小石块的总体积为30mL,小石块的体积为
V=30mL -20mL=10mL
由公式可求出该小石块的密度为
因细铜丝在水中占有一定的体积,故得出的水和小石块的总体积偏大,求出的小石块的体积偏大,根据,这样测出小石块的密度值与真实值相比偏小。
【例题2】(2021四川泸州)某实验小组探究二力平衡条件的实验装置如图所示,M为一轻薄塑料片,实验中所用的钩码均为100g,不计绳重及摩擦(g取10N/kg)。
(1)在图甲的装置中滑轮的作用是_______。
(2)当左右两端同时各挂1个钩码时,塑料片静止,其左端受到的拉力F1与右端受到的拉力F2的方向_______;当左端再挂上一个钩码时,如图乙所示,塑料片将做_______(选填“匀速”或“变速”)运动,此时塑料片受到的合力为_______N。
(3)在图甲实验的基础上,用剪刀将塑料片从中间剪断,断开的塑料片向两边加速运动,说明不任同一物体上的两个力________平衡(选填“他”或“不能”)。
【答案】 (1) 改变力的方向 (2)相反 变速 1 (3)不能
【解析】(1)在图甲的装置中滑轮是定滑轮,它的作用是改变力的方向。
(2)当左右两端同时各挂1个钩码时,塑料片静止,其左端受到的拉力F1向左,右端受到的拉力F2的方向向右,F1、F2的方向相反。
当左端再挂上一个钩码时,如图乙所示,塑料片受到的力左侧大于右侧,故纸片将做变速运动;此时塑料片受到的合力为
(3)在图甲实验的基础上,用剪刀将塑料片从中间剪断,断开的塑料片各自受到同侧钩码的拉力向两边加速运动,不再是平衡状态,说明不任同一物体上的两个力不能平衡。
【例题3】(2021黑牡鸡朝鲜族)在“探究影响滑动摩擦力大小的因素”实验中,用完全相同的木块分别做了如图所示的甲、乙、丙三个实验。
(1)将木块放在水平木板上,弹簧测力计必须沿______方向拉动,使木块做匀速直线运动。此时木块受到的滑动摩擦力______弹簧测力计的示数(选填“大于”、“等于”或“小于”);
(2)甲、乙两个实验说明滑动摩擦力的大小与______有关;在甲实验中,若拉力增大为2N,则木块所受到的摩擦力______2N(选填“大于”、“ 等于”或 “小于”);
(3)比较乙、丙两图中的测力计示数,可得出结论:______。利用此结论,如果要在拔河比赛中获胜,应该选用下图中的______类型的鞋;
A.鞋底花纹较深 B.鞋底花纹较浅 C.旱冰鞋
(4)比较甲、丁实验,发现甲实验弹簧测力计的示数大于丁实验弹簧测力计的示数,小明得出结论:滑动摩擦力的大小与接触面积的大小有关,他的结论是______(选填“正确”或“错误” )的。理由是______。
【答案】 (1)水平 等于 (2)压力大小 小于 (3)在压力大小一定时,接触面越粗糙,滑动摩擦力越大 A (4)错误 压力大小也变化了
【解析】(1)弹簧测力计拉动木块时,弹簧测力计显示拉力大小,木块水平方向上受到水平向左的滑动摩擦力和水平向右的拉力,这两个力是一对平衡力,大小相等,所以要水平方向拉动,此时木块受到的滑动摩擦力等于弹簧测力计的示数。
(2)甲、乙两图接触面粗糙程度相同,压力不同、弹簧测力计的示数不同,滑动摩擦力大小不相同,可探究滑动摩擦力大小跟压力大小的关系。
在甲实验中,由弹簧测力计的示数可知滑动摩擦力为1.5N,若拉力增大为2N,根据滑动摩擦力与压力大小和接触面粗糙程度有关,则木块所受到的摩擦力还是1.5N,小于2N。
(3)比较乙、丙两图中的测力计示数,压力相同,接触面粗糙程度不同,丙表面粗糙程度较大,丙弹簧测力计的示数大于乙实验中弹簧测力计的示数,所以丙的滑动摩擦力更大,由此可以得出结论压力一定时,接触面越粗糙,滑动摩擦力越大,利用此结论,如果要在拔河比赛中获胜应选用鞋底有较深花纹的A鞋。
(4)比较甲图和丁图所示实验可知,作用在物体表面的压力不同,接触面的面积不同,摩擦力不同,这个结论是错误的,没有控制压力大小相同。
【例题4】在探究“影响液体内部压强大小的因素”实验中:
(1)小明同学在安装好液体压强计后,用恒定不变的力按压住压强计的橡皮膜,U型管内水面出现高度差,如图甲所示,持续一段时间后,发现U型管内两侧液面的高度差保持不变,该同学的操作是为了______,得到的结果是______;
(2)如图甲用手按压强计的橡皮膜,U型管内水面出现高度差,将橡皮膜放入酒精中,U型管内水面也出现高度差,这说明______;
(3)若在使用压强计前发现U型管中有高度差,通过______方法可以进行调节,A.从U型管内向外倒出适量水;B.拆除软管重新安装:C.向U型管内加适量水;
(4)比较乙、丙实验可知,液体内部压强与液体的______有关:拦河大坝做成上窄下宽的形状,其原因可以用对比______两图所得出的结论进行说明。
【答案】(1)检查气密性 气密性良好(2)液体内部有压强(3)B(4)密度 丙丁。
【解析】(1)U形管两侧液面差能产生压强,据此能判断装置的气密性,图甲所示装置中,持续一段时间后,发现U形管内两侧液面的高度差保持不变,所以,该同学的操作是为了检查气密性,且得到的结果是气密性良好。
(2)用手按压强计的橡皮膜和将橡皮膜放入酒精中,所起的效果是一样的,都会给橡皮膜一个压强,使U形管内水面出现高度差,这说明液体内部有压强。
(3)进行调节时,只需要将软管取下,再重新安装,这样的话,U形管中两管上方的气体压强就是相等的(都等于大气压),当橡皮膜没有受到压强时,U形管中的液面就是相平的,故B正确。
故选B。
(4)比较乙、丙实验知道,液体的深度相同时,图丙中用的是盐水,其密度大于酒精的密度,因此U形管内水面出现高度差比较大,说明液体内部压强与液体的密度有关系。
拦河坝做成上窄下宽,是因为液体的压强随着深度的增加而增加,坝底部受到的压强较大,可以比较丙丁两图所得出的结论进行说明。
【例题5】(2021安徽)小华按图示的步骤进行探究浮力的实验;
A. 在弹簧测力计下悬桂个金属球,如图甲所示,弹簧测力计的示数为2.6N;
B. 将金属球浸没在水中,弹簧测力计的示数如图乙所示;
C. 将金属球从水中取出并擦干水分,再将它浸没在另一种液体中,弹簧测力计的示数如图丙所示。
由实验可知,金属球浸没在水中时受到的浮力大小为______N,图丙中液体的密度______(选填“大于”“等于”或“小于”)水的密度。
【答案】 (1) 1.0 (2)小于
【解析】甲图中弹簧测力计的示数等于金属球的重力。由图乙可知,弹簧测力计分度值为0.2N,则金属球浸没在水中时弹簧测力计的示数为1.6N。故金属球浸没在水中时受到的浮力大小为
F浮=G-F示=2.6N-1.6N=1.0N
由图丙可知,弹簧测力计的示数为1.8N,则金属球浸没在液体中时受到的浮力大小为
=G-=2.6N-1.8N=0.8N
与浸没在水中相比,金属球排开液体的体积相同,在液体中受到的浮力小于在水中受到的浮力,根据F浮=ρ液gV排可知,图丙中液体的密度小于水的密度。
【例题6】如图所示,在探究物体动能的大小与哪些因素有关时,让同一小车分别从同一斜面的不同高度由静止释放,撞击水平面上同一木块。
(1)本实验探究的是 (木块/小车/斜面)的动能与 的关系,实验中是通过观察 来比较动能大小的。
(2)第一次实验的情景如图甲所示,在进行第二次实验前,应先将撞出的木块 。
(3)若操作正确,第二次实验木块最终的位置如图乙所示,则此实验的结论是: 。
(4)若要验证动能大小与另外一个因素的关系,需要添加的一个器材是 (选填“砝码”、“毛巾”或“测力计”)。
(5)若水平面完全光滑,那么该实验探究还能否顺利进行? (选填“能”或“不能”)。此时的小车将一直做 运动(假设轨道足够长)。
【答案】(1)小车;速度;木块移动的距离;(2)恢复到原位置;(3)在质量相同的情况下,速度越大,动能越大;(4)砝码;(5)不能;匀速直线。
【解析】(1)由图知,两相同小车分别从同一斜面不同高度由静止滑下,小车的质量相同,初速度不同,所以可探究动能与小车的初速度关系;
实验中通过小车推动木块移动的距离来反映动能的大小;
(2)在实验的过程中,通过木块滑动的距离来判定动能的大小,故重新实验时,应把木块恢复到原位置;
(3)由图可知,甲撞击木块移动的距离远,故结论为:在质量相同的情况下,速度越大,动能越大。
(4)要探究动能大小与质量关系时,要控制小球的速度相同,改变小球的质量,因此要添加一个器材是不同质量的小球即砝码。
(5)如果接触面绝对的光滑,没有摩擦,小车的速度不会改变,永远保持匀速直线运动。
【例题7】(2021陕西)在“探究杠杆平衡条件”的实验中:
(1)为方便测量力臂,实验前应先调节杠杆两端的平衡螺母,使之在______位置平衡;
(2)如图-1,此时杠杆处于平衡状态,如果在杠杆两端各挂一个相同的钩码,杠杆将______(选填“保持平衡”“顺时针转动”或“逆时针转动”);
(3)如图-2是一个加宽的杠杆装置,此时杠杆处于平衡状态。若只将左侧的钩码改挂到A点正上方的B点,力臂是线段_____(选填“OA”“OB”或“AB”),此时杠杆_____(选填“仍能”或“不能”)保持平衡。
【答案】 ①水平 ② 顺时针转动 ③OA ④ 仍能
【解析】(1)实验前应先调节杠杆两端的平衡螺母,使其在水平位置平衡,以便于测量力臂。
(2)由于左边的力臂小于右边的力臂,加上相同的钩码后,左边力臂与钩码重力之积小于右边力臂与钩码重力之积,故杠杆顺时针转动。
(3)力臂仍然为 OA,因为力臂是支点到力臂作用线的距离,故力臂是OA;由于力臂大小不变,钩码重力不变,右边的力臂和钩码的重力之积不变,故仍然平衡。
【例题8】(2021四川绵阳)用如图所示装置探究斜面省力大小及机械效率是否与斜面倾角、表面粗糙程度有关。甲、乙斜面倾角相等,与丙的不相等;甲、丙斜面表面粗糙程度相同,与乙的不相同。先用弹簧测力计竖直向上匀速缓慢提升重物0.24m高,弹簧测力计示数F0=20.0N;再分别在三个斜面上沿斜面向上匀速缓慢拉动这个重物到同一高度,弹簧测力计示数和斜面长度如表所示。
次数
斜面
弹簧测力计示数F/N
斜面长度L/m
省力大小△F/N(△F=F0﹣F)
机械效率η%
1
甲
17.4
0.30
?
92.0
2
乙
18.2
0.30
1.8
87.9
3
丙
14.0
0.40
6.0
?
根据表中数据回答下列问题:
(1)斜面甲省力大小△F甲= N;
(2)斜面丙的机械效率η丙= %;
(3)比较甲、乙实验结果,可以认为 ;比较甲、丙实验结果,可以认为 (选填序号,有可能不止一项正确)。
A.斜面省力大小与斜面倾角有关
B.斜面省力大小与斜面表面粗糙程度有关
C.斜面省力大小与斜面倾角和表面粗糙程度都有关
D.斜面机械效率与斜面倾角有关
E.斜面机械效率与斜面表面粗糙程度有关
F.斜面机械效率与斜面倾角和表面粗糙程度都有关
【答案】(1)2.6;(2)85.7;(3)BE;AD。
【解析】(1)由图1次实验数据知,斜面甲省力大小△F甲=F0﹣F甲=20.0N﹣17.4N=2.6N;
(2)由题知,弹簧测力计竖直向上匀速缓慢提升重物高h=0.24m,弹簧测力计示数
F0=20.0N,所以物体重力G=F0=20.0N,
由表数据,可得斜面丙的机械效率:
η丙==≈85.7%;
(3)实验是为了斜面省力大小及机械效率是否与斜面倾角、表面粗糙程度有关。每次实验将同一物体拉到同一高度。
①由题知,甲、乙两次实验,斜面倾角相等,甲、乙的斜面表面粗糙程度不相同。
由表中数据知,△F甲>△F乙,能说明B,即斜面省力大小与斜面表面粗糙程度有关;
同时,由表中数据知,两次实验的机械效率η甲>η乙,能说明E,即斜面机械效率与斜面表面粗糙程度有关;
②甲、丙两实验,斜面表面粗糙程度相同,斜面倾角不相等。
由表中数据知,F甲>F乙,能说明A,即斜面省力大小与与斜面倾角有关;
同时,由表中数据知,η甲>η丙,能说明D,即斜面机械效率与斜面倾角有关。
专题问题综合训练
1.(2021广西贺州)贺州市很多市民喜欢收藏奇石,为了测量某种形状不规则的奇石的密度,小明与兴趣小组的同学在老师指导下进行如图所示的实验:
(1)把天平放在水平桌面上,将 移至标尺左端零刻度线处,调节横梁上的平衡螺母使天平横梁平衡。
(2)甲图出现的错误是 。
(3)在测量奇石质量时,小明依次将砝码放在天平的右盘,当他在右盘内加入最小的5g砝码时,发现天平的指针静止在分度盘中线的右侧,则他接下来应该进行的操作是 。
(4)乙图是正确测量奇石质量得到的结果,其读数是 g。
(5)根据丙图量筒两次的读数,可得奇石的体积是 cm3。
(6)计算出奇石的密度是 g/cm3。如果小明先测奇石的体积再测其质量,会导致实验结果 (选填“偏小”或“偏大”)。
【答案】(1)游码;(2)直接用手拿砝码;(3)取下5g的砝码调节游码,使天平重新平衡;(4)53;(5)20;2.65;偏大。
【解析】(1)把天平放在水平桌面上,将游码移至标尺左端零刻度线处,调节横梁上的平衡螺母使天平横梁平衡;
(2)测量过程中,要用镊子夹取砝码,不能用手直接拿砝码;
(3)测量过程中,当他在右盘内加入最小的5g砝码时,发现天平的指针静止在分度盘中线的右侧,说明放入的5g砝码较重,所以应该取下5g的砝码,调节游码,使天平重新平衡;
(4)由图乙可知,石块的质量为:m=50g+3g=53g;
(5)由图丙可知,量筒水的体积V1=20cm3,石块和水的总体积V2=40cm3,所以石块的体积V石=V2﹣V1=40cm3﹣20cm3=20cm3;
石块的密度为:ρ===2.65g/cm3;
(6)若先测量体积时,由于矿石带着水,使得质量偏大,由ρ=可知,所测石块的密度会偏大;
2.(2021黑牡鸡朝鲜族)在湄江地质公园进行研学活动时,小明捡到一块形状怪异的小化石,为测量小化石的密度。他利用已学知识设计如下实验方案:
(1)用天平称出小化石的质量。天平平衡后,右盘中砝码和游码的位置如图甲所示,小化石的质量为______g;
(2)用量筒和水测量小化石体积,“先往量筒中倒入适量的水”,其中“适量”的确切含义是:①______;②小化石和水的总体积不能超过量筒量程;
(3)小化石放入量筒前后的情况,如图乙所示(忽略细线的体积),小化石的密度是______g/cm3;
(4)若小明先测出小化石的体积,将小化石从量筒中取出,然后用天平称出其质量,求出小化石的密度。这样测出小化石的密度将______(选填“偏大”偏小”或“不变”)。
【答案】(1)74 (2) 水不能太少,要能浸没小化石 (3)3.7 (4) 偏大
【解析】(1)物体的质量等于砝码的质量加游码对应的刻度值,小化石的质量
m=50g+20g+4g=74g
(2)量筒中倒入适量的水有两层含义:①水不能太少,要能浸没小化石;②水不能太多,穿天石浸没后,水面不能超过量程。
(3)由乙图可知,小化石的体积为
V=V排水=40cm3﹣20cm3=20cm3
则小化石的密度为
ρ==3.7g/cm3
(4)若先测体积,再测质量时石头上沾有水,使得测量的质量偏大,测得体积准确,根据密度公式ρ=可知,测得石头的密度值将会偏大。
3.(2021江苏南京)小明利用天平、量筒、烧杯和电子秤等器材测量盐水和鸭蛋的密度。
(1)用天平测量物体质量时,添加砝码过程中,______(选填“能”或不能”)调节平衡螺母;
(2)测量盐水密度时,有以下四个步骤:①向烧杯中倒入适量盐水,测出烧杯和盐水的总质量;②将烧杯中盐水倒入量筒(烧杯内有残留),测出盐水体积;③……;④算出盐水密度为使测量结果更准确,步骤③的操作是______(选填“直接”或“擦干残留盐水后”)测量烧杯质量;
(3)测量鸭蛋密度的步骤如图甲、乙、丙、丁所示:图中电子秤显示的四个数据,若没有“131.0g”这个数据,能否求出鸭蛋的密度?请在横线上作答要求:①若能,请写出鸭蛋的密度值;②若不能,请说明理由。
答:______。
【答案】 ①. 不能 ②. 直接 ③. 1.15g/cm3
【解析】(1)平衡螺母应在测量前调横梁水平平衡用,在测量物体质量时,添加砝码过程中,不能调节平衡螺母。
(2)测液体密度时,烧杯上会有残留液,将盐水倒入量筒后,应将烧杯和壁上残留液一起测质量,以求出准确的倒出量筒的质量,若擦干再测质量,则所测质量偏小,即量筒中盐水的质量偏大,会造成密度偏大。
(3)图甲为鸭蛋质量
图乙为容器加水与鸭蛋的总质量
可求得容器加水质量为
图丁为容器加水质量再加补水质量
可求得补水质量
鸭蛋体积等于补水体积,为
鸭蛋密度为
若没有“131.0g”这个数据,能计算鸭蛋的体积。
4. (2021辽宁阜新)小明用“天平和量筒测量盐水的密度”。
(1)实验原理是______;
(2)小明先将托盘天平放在水平桌面上,调节天平平衡。接下来小明按照下面步骤开始操作:
①测出空烧杯质量为29.2g;
②测出烧杯和盐水总质量;其数值如图甲所示为______g;
③将烧杯中的盐水全部倒入量筒中,盐水体积如图乙所示,则盐水的密度ρ=______kg/m3,此实验方法测出盐水的密度会______(选填“偏大”或“偏小”);
(3)小明在学习浮力相关知识后,认为利用弹簧测力计、小石块、细线、分别装有适量盐水和水的烧杯等器材,同样可以测出盐水密度(实验时石块不能碰到容器底和容器壁)。请你帮助小明完成下列实验操作:
①将小石块用细线系好,挂在弹簧测力计下端,记下弹簧测力计示数G;
②将挂在弹簧测力计下的小石块,浸没在水中,记下弹簧测力计示数F1;
③取出石块并擦干,将挂在弹簧测力计下的小石块______,记下弹簧测力计示数为F2;
④盐水密度表达式ρ盐水=______。(用所测量的物理符号表示,水的密度ρ水)
【答案】 ① ② 71.2 ③ 1.05×103 ④ 偏大
⑤ 浸没在盛有适量盐水的烧杯中 ⑥
【解析】(1)测量密度的原理是密度公式
(2)由图甲知道烧杯和盐水总质量
m=50g+20g+1.2g=71.2g
由图乙知道,盐水体积40.0mL,盐水质量
则盐水的密度
由于盐水没有全部倒入量筒,还有部分残留到烧杯壁上,导致体积测量较小,密度测量值偏大。
(3)根据题意知道,从水中取出石块并擦干,将挂在弹簧测力计下的小石块浸没在盛有适量盐水的烧杯中,记下弹簧测力计示数为F2。
由阿基米德原理知道,石块在水中的浮力为F浮水=G-F1=ρ水V排g
则排开水的体积 ①
石块在液体中的浮力为F浮盐水=G-F2=ρ盐水V排g
则排开水的体积 ②
由①②解得盐水密度
5. (2021辽宁阜新)在“探究杠杆的平衡条件”实验中,每个钩码质量都相等。
(1)如图甲所示,杠杆在此位置静止,这时杠杆______(选填“平衡”或“不平衡”)。
(2)调节杠杆的平衡螺母,使杠杆在水平位置平衡,是为了便于测量______。
(3)如图乙所示,若在A位置挂两个钩码,现有三个钩码,需挂在杠杆O点右侧第______格的位置,使杠杆再次在水平位置平衡。
(4)实验时,多次换用不同数量的钩码,并改变钩码在杠杆上的位置,重复实验,这样做的目的是______。
(5)如图丙所示,用弹簧测力计在B位置向下拉杠杆,保持杠杆在水平位置平衡,弹簧测力计由图中a位置移至b位置时,其示数______(选填“变大”“不变”或“变小”)。
【答案】 ① 平衡 ② 力臂 ③ 2 ④ 避免结论的偶然性,得出普遍规律 ⑤ 变大
【解析】(1)因杠杆静止,故此时杠杆处于平衡状态。
(2)调节杠杆的平衡螺母,使杠杆在水平位置平衡,是为了便于测量力臂。
(3)若杠杆在水平位置平衡,则此时杠杆左端力为2G,力臂为3,杠杆右端力为3G,则由杠杆原理可知,此时右端力臂为2,即需挂在杠杆O点右侧第2格的位置,使杠杆再次在水平位置平衡。
(4)实验时,多次换用不同数量的钩码,并改变钩码在杠杆上的位置,重复实验,可以对多组数据进行分析,避免结论的偶然性,得出普遍规律。
(5)弹簧测力计由图中a位置移至b位置时,动力臂变小,而阻力与阻力臂不变,故由杠杆原理可知,动力变大,即弹簧测力计示数变大。
6.(2021云南)某小组探究“浮力的大小与排开液体所受重力的关系”。
(1)弹簧测力计使用前要先进行 。
(2)实验步骤如图1所示,甲、乙、丁、戊中弹簧测力计的示数分别为F1、F2、F3、F4。由图甲和丁可知物体受到的浮力F浮= 。
(3)以下选项中若 成立,则可以得出浮力的大小与排开液体所受重力的关系。
A.F1﹣F2=F3﹣F4
B.F1﹣F3=F4﹣F2
C.F3﹣F2=F1﹣F4
(4)另一小组利用两个相同的弹簧测力计A和B、饮料瓶和吸管组成的溢水杯、薄塑料袋(质量忽略不计)对实验进行改进,装置如图2所示。向下移动水平横杆,使重物缓慢浸入盛满水的溢水杯中,观察到A的示数逐渐 ,B的示数逐渐 ,且A、B示数的变化量 (选填“相等”或“不相等”)。
(5)比较两种实验方案,改进后的优点是 (多选)
A.测力计A的示数就是物体所受浮力的大小
B.实验器材生活化,测力计固定、示数更稳定
C.能同步观察测力计A、B示数的变化
【答案】(1)校零;(2)F1﹣F3;(3)B;(4)变小;变大;相等;(5)BC。
【解析】(1)弹簧测力前要检查指针与零刻度线是否对齐,若不对齐,要调整至对齐,这一步骤叫校零;
(2)物体位于空中时弹簧测力计的示数即为其重力,又知道物体浸没时弹簧测力计的示数,根据称重法求出物体受到的浮力;
(3)根据图乙和图戊可知空烧杯的重力和物体浸没时排开液体与烧杯的总重力可求排开液体的重力,比较物体受到的浮力与排开液体的重力关系进行解答;
(4)如图2所示,向下移动水平横杆,使重物缓慢浸入盛满水的溢水杯中,重物排开水的体积变大,受到的浮力变大,根据称重法F浮=G﹣F′可知弹簧测力计A的示数变化;重物排开水的体积越大时薄塑料袋内水的重力越大,即弹簧测力计B的示数越大,薄塑料袋的质量忽略不计时,根据阿基米德原理可知弹簧测力计A、B示数的变化量关系;
(5)改进后的优点从增加实验器材的目的来分析。
解:(1)弹簧测力计使用前指针要指向零刻度线,如果没指向零刻度线,需要校零;
(2)由图甲可知物体的重力G=F1,由图丁可知物体浸没时弹簧测力计的示数F′=F3,则物体受到的浮力F浮=G﹣F′=F1﹣F3;
(3)由图乙可知空烧杯的重力为F2,由图戊可知物体浸没时排开液体与烧杯的总重力为F4,则物体浸没时排开液体的重力G排=F4﹣F2,
当F浮=G排即F1﹣F3=F4﹣F2可知,物体受到浮力的大小与排开液体所受重力相等;
(4)如图2所示,向下移动水平横杆,使重物缓慢浸入盛满水的溢水杯中,重物排开水的体积变大,受到的浮力变大,由称重法F浮=G﹣F′可知弹簧测力计A的示数变小,
重物排开水的体积越大时薄塑料袋内水的重力越大,即弹簧测力计B的示数越大,薄塑料袋的质量忽略不计时,由阿基米德原理可知,弹簧测力计A、B示数的变化量相等;
(5)比较两种实验方案可知,改进后:
A.由称重法F浮=G﹣F′可知,弹簧测力计A的示数等于物体的重力减去受到的浮力,故A错误;
B.由图2的实验装置和器材(两个相同的弹簧测力计A和B、饮料瓶和吸管组成的溢水杯、薄塑料袋)可知,实验器材生活化,测力计固定、示数更稳定,故B正确;
C.薄塑料袋不计质量,能同步观察测力计A、B示数的变化,从而得出物体受到浮力的大小与排开液体所受重力的关系,故C正确。
7.(2021湖南岳阳)如图是“探究阿基米德原理”的实验,其步骤如下:
(1)如图甲所示,用弹簧测力计测出一满袋水的重力为2N(不计袋子厚度和重力);
(2)乙图,将水袋浸入水中,静止时弹簧测力计示数为1.2N,此时水袋所受浮力为 0.8 N;
(3)丙图,继续让水袋下沉,但未浸没,水袋所受浮力 变大 (选填“变小”、“不变”或“变大”);
(4)丁图,水袋浸没在水中,静止时弹簧测力计示数为0N。由此 能 (选填“能”或“不能”)得到结论:此时水袋受到的浮力等于它排开水所受到的重力;
(5)设丙图中水袋受到的浮力为F浮,排开水所受到的重力为G排,则F浮 = G排(选填“=”或“≠”)。
【答案】(2)0.8;(3)变大;(4)能;(5)=。
【解析】(1)根据F浮=G﹣F示求出浮力的大小;
(2)浸入液体中的物体受到的浮力的大小与排开的液体的体积有关;
(3)由阿基米德原理得出塑料袋所受浮力等于它排开的水的重力。
解:(2)将水袋浸入水中,静止时弹簧测力计示数为1.2N,F浮=G﹣F示可知,此时水袋所受浮力为:F浮=G﹣F示=2N﹣1.2N=0.8N;
(3)将水袋逐渐浸入水中时,水袋排开的水的体积变大,弹簧测力计的示数逐渐变小,说明水袋受到的浮力变大;
(4)当水袋浸没在水中,静止时弹簧测力计示数为0N,说明浮力等于重力,又因为排开水的体积等于袋内水的体积,排开水的重力等于袋内水的重力,得到结论:浸在液体中的物体所受的浮力大小等于排开液体所受的重力;
(5)由阿基米德原理可知,物体受到的受力大小F浮与它排开水所受重力G排的关系与物体是否浸没无关。
【点评】本题目就是考查学生对阿基米德实验的掌握程度,看学生能否掌握每个步骤,以及每一步要测量的对象,只要基本知识掌握扎实,题目不难做出。
8.(2021湖南湘潭)在探究“杠杆的平衡条件”实验时。
(1)实验前,将杠杆置于支架上,当杠杆静止时,发现左端下沉,如图1所示,此时,应把杠杆的平衡螺母向 (选填“左”或“右”)调节,直至杠杆在 (选填“任意”或“水平”)位置平衡;
(2)调节平衡后,在杠杆上A点处挂两个钩码,如图2所示,则在B点处应挂 个钩码,才能使杠杆在原位置平衡。在A、B两点各增加1个的钩码,则杠杆 (选填“能”或“不能”)保持平衡;
(3)为了使实验结论具有 (选填“普遍性”或“偶然性”),应改变钩码个数及悬挂位置,多次进行实验;
(4)实验时,不再调节平衡螺母,使杠杆的重心位置保持在O点不变,将支点换到O′点,如图3所示,发现A点处只挂1个钩码,杠杆仍然保持平衡。若每个钩码重为0.5N,则杠杆重力为 N。由此可知,将杠杆支点位置设在 (选填“O”或“O'”)点进行实验,能避免杠杆自身重力影响实验结论“动力×动力臂=阻力×阻力臂”的得出。
【答案】(1)右;水平;(2)2;能;(3)普遍性;(4)0.25;O。
【解析】(1)当杠杆静止时,发现左端下沉,如图1所示,此时,应把杠杆的平衡螺母向右调节,直至杠杆在水平位置平衡;
(2)设一钩码重为G,一格为L,根据杠杆平衡条件可知:2G×6L=nG×6L,所以n=2,需在B点挂2个钩码;
在A、B两点各增加1个钩码,左侧变为3G×6L=18GL,右侧变为3G×6L=18GL,故杠杆仍能平衡;
(3)多次改变力和力臂的大小,得到了多组实验数据,得出了杠杆平衡条件。该实验测多组数据的目的是为了得出的结论更具有普遍性;
(4)设杠杆的重力为G,每一格的长度为L.则每一个的重力为,支点O′左侧的部分的杠杆重=,力臂为L,右侧部分重=,力臂为3L,
根据杠杆平衡条件可知:0.5N×L+×L=×3L,解出G=0.25N,
将杠杆的中心位置挂在支架上,可避免杠杆自重的影响,故将杠杆支点位置设在O点进行实验。
9.(2021山东菏泽)在探究滑动摩擦力大小与哪些因素有关的实验中,选择如下器材:长木板和表面固定有棉布的长木板、长方形木块(各表面粗糙程度相同)、砝码、弹簧测力计等。
(1)实验中用弹簧测力计沿水平方向拉动放置在长木板上的物块,使其做_________运动,此时弹簧测力计示数等于木块所受滑动摩擦力的大小;
(2)下图为完成本实验设计的操作方案,
得到的实验数据记录如下表:
实验情景
甲
乙
丙
丁
测力计示数/
1.50
1.50
2.10
2.50
该实验设计主要运用了___________实验方法;
(3)比较甲、乙两次实验可知,滑动摩擦力大小与接触面积的大小___________;比较___________两次实验可知,在接触而粗糙程度相同的情况下,压力越小,滑动摩擦力越小;
(4)拔河比赛时队员要穿鞋底带有花纹的运动鞋参赛,这是应用了_________两次实验得出的结论。
【答案】 (1)匀速直线(2)控制变量法(3)无关;甲、丙(4)甲、丁
【解析】(1)在实验中,应让物块做匀速直线运动,此时木块在水平方向上的拉力和摩擦力是一对平衡力,大小相等,则弹簧测力计的示数等于摩擦力的大小。
(2)滑动摩擦力的大小与多个因素有关,在实验过程中,只需要让一个量变化,其它量保持不变,这是运用了控制变量法。
(3)甲乙两次实验中,木块与木板接触面的粗糙程度相同、压力相同,接触面积的大小不同,但测力计的示数相同,即木块所受的摩擦力相同,所以滑动摩擦力的大小与接触面积的大小无关。
在甲、丙两次实验中,木块与木板的接触面相同,但压力不同,甲中木块对木板的压力比乙的小,测力计的示数甲的比丙的小,所以压力越小,滑动摩擦力越小。
(4)实验甲、丁的木块对接触面的压力相同,但丁中接触面的粗糙程度大,测力计的示数大,即木块所受的摩擦力大,而鞋底的花纹是在压力相同时,通过增大接触面的粗糙程度来增大摩擦力,所以是利用甲、丁两次的实验结论。
10.(2021江苏泰州)小明为探究“影响液体内部压强的因素”,进行了如下实验:
(1)如图甲,小明用手指轻按金属盒上的橡皮膜,如果发现U形管两侧液面发生灵活变化,说明该压强计_________(选填“漏气”或“不漏气”)。
(2)将压强计金属盒的橡皮膜朝上逐渐浸入水中某一深度处,如图乙,则压强计显示的是橡皮膜________(选填“各个方向”、“上方”或“下方”)的水对它的压强。
(3)由乙、丙两图可知:深度相同时,液体的密度_________,压强越大。
【答案】 ①. 不漏气 ②. 上方 ③. 越大
【解析】(1)[1]用手指轻按金属盒上的橡皮膜,如果U形管中的液体能灵活升降,说明能够正确测量压强,说明装置不漏气。
(2)[2]压强计显示的是橡皮膜面的压强,所以是上方的水对它的压强。
(3)[3]由乙、丙两图可知,同一深度,丙密度大,压强计两边液面差大,说明深度相同时,液体的密度越大,压强越大。
11.在探究“液体内部压强特点及影响因素”的实验中:
(1)如图甲所示,将有橡皮膜的薄壁玻璃管竖直插入水槽中,发现橡皮膜向内部凹陷,此现象说明:液体有向__________的压强(选填“上”或“下”)。
(2)比较实验1可知,液体内部压强与______有关;比较实验2可知,液体内部压强与______有关。
(3)为了进一步研究在同一深度,液体向各个方向的压强是否相等,他们应控制的量有______和______,要改变的是______。
(4)将玻璃管中的水倒掉,擦干。向玻璃管中分别装入不同质量的细沙,将其竖直缓慢插入水中,直至橡皮膜相平,测得每一次橡皮膜在水中受到的压强,实验数据如下表,请根据表格中数据完成填空:
实验次数
1
2
3
沙子的质量/g
10
20
30
橡皮膜在水中受到的压强/Pa
125
250
375
将装有20g细沙的玻璃管竖直放入另一种液体中使橡皮膜水平,测得橡皮膜的深度为1cm,这种液体的密度是______g/cm3(g取10Nkg)
【答案】(1)上 (2)深度, 液体密度 (3)液体密度,金属盒所在深度, 金属盒方向(4) 2.5
【解析】(1)橡皮膜向玻璃管内部凹陷,说明水对橡皮膜有向上的压强。
(2)比较实验1可知,液体相同,金属盒越深,压强计高度差越大,故密度一定时,液体内部压强与深度有关;比较实验2,金属盒深度相同,液体密度不同,水密度大,压强计高度差大,故深度一定时,液体内部压强与液体密度有关。
(3)为了进一步研究在同一深度,液体向各个方向的压强是否相等,根据控制变量法,需要控制液体密度、金属盒深度一样,改变金属盒朝向。
(4)由表格知,20g细沙产生压强为250Pa,装有20g细沙的玻璃管竖直放入另一种液体中使橡皮膜水平,液体密度为
12.(2022山西模拟)如图甲所示,是小华探究“二力平衡条件”的实验。
(1)装置中使用定滑轮是利用它能够__________的特点。
(2)当左、右两盘中的砝码质量_________(选填“相等”或“不相等”)时,桌面上的小车处于静止状态,此时小车受到________对平衡力的作用。
(3)小车处于静止后,保持F1与F2的大小不变,将小车扭转到如图乙所示的位置,松手后,小车将____(选填“保持静止”或“扭转回来”)。这一步骤说明二力平衡时,要满足二个力在______上的条件。
【答案】(1)改变力的方向 (2)相等 两 (3)扭转回来 同一直线
【解析】(1)装置中使用定滑轮是利用它能够改变力的方向的特点;
(2)当左、右两盘中的砝码质量相等时,小车才能保持静止状态;
在竖直方向,小车受重力和支持力,在水平方向,小车受两边细绳的拉力,所以受到两对平衡力
(3)将小车扭转到如图2所示的位置,两个拉力不在同一直线上,不能平衡,所以会扭转回来;
这一步骤说明二力平衡时,要满足二个力在同一直线上.
13.(2022齐齐哈尔模拟)物理学习兴趣小组的同学们利用如下图所示的装置探究了斜面的机械效率跟什么因素有关。下表是他们在同一斜面上沿斜面拉动木块匀速向上运动时得到的数据和根据数据计算出的机械效率,请你利用这些数据计算和回答下列问题。
实验次数
木块(粗糙程度相同)
木块重G/N
木块上升的高度h/m
沿斜面拉力F/N
木块移动的距离L/m
斜面的机械效率η
1
木块1
2.0
0.3
1.6
1
38%
2
木块1
2.0
0.5
1.9
1
53%
3
木块2
2.0
0.5
3.8
1
(1)若第1次实验中木块由斜面底端匀速移动到顶端,移动1m的距离所用的时间为5s,求木块移动的速度及拉力对木块做功的功率;
(2)计算第3次实验斜面的机械效率;
(3)比较实验结果可以得出:在接触面粗糙程度和木块沿斜面移动的距离相同的情况下,影响斜面机械效率的因素是________________________。
【答案】(1)0.2m/s 0.32W(2)53%(3)斜面的倾斜度等
【解析】本实验属于收集实验数据,进行分析论证。
(1)v=s/t=1m/5s=0.2m/s
P=Fv=1.6N× 0.2m/s=0.32W
(2)有用功W有用=Gh W总=Fs
η=W有用/W总= Gh / Fs=2N×0.5m/ 3.8N× 1m=26.3%
(3)在接触面粗糙程度和木块沿斜面移动的距离相同的情况下,影响斜面机械效率的因素是斜面的倾斜度。
实验次数
钩码重G/N
钩码上升高度h/m
绳端拉力F/N
绳端移动距离s/m
机械效率η
1
2
0.1
1.2
0.3
55.6%
2
2
0.2
1.2
0.6
55.6%
3
4
0.1
1.9
0.3
70.2%
4
4
0.1
1.3
0.5
61.5%
14.(2021·遂宁)涪江六桥建筑工地上矗立的塔吊,是用电动机来带动滑轮组提升重物的设备。如何提高滑轮组机械效率,节约电能呢?为此同学们进行了“影响滑轮组机械效率因素”的实验探究,用到的装置如图,实验数据记录如下表所示:
(1)实验中应沿竖直方向 ▲ 拉动弹簧测力计。
(2)分析表中数据可知:第4次实验是用 ▲ 图所示装置来完成的。
(3)通过比较1、2两次实验数据可得出:使用同一滑轮组提升相同重物,滑轮组的机械效率与重物上升高度无关。
(4)通过比较 ▲ 两次实验数据可得出:同一滑轮组提升的物体越重,滑轮组机械效率越高(填实验次数的序号)。
(5)通过比较3、4两次实验数据可得出:不同滑轮组提升相同重物,动滑轮越重机械效率越小。
(6)为提高滑轮组机械效率节约电能,根据以上结论和生活经验,你建议可采取的措
施有(多选) ▲ 。
A. 减轻动滑轮重 B. 增加所提物体重
C. 机械加润滑油 D. 增加重物上升高度
【答案】(1)匀速 (2)丙 (4)1、3 (6)ABC
【解析】(1)实验时要竖直向上匀速拉动弹簧测力。
(2)第4次实验,绕在动滑轮上绳子的股数n===5,所以第4次实验是用丙图所示装置来完成的。
(4)通过比较1、3两次实验数据可得出:同一滑轮组提升的物体越重,滑轮组机械效率越高。
(6)根据η==知,为提高滑轮组的机械效率,可以减轻动滑轮重力、或机械加润滑油来减小额外功,或 增加所提物体重力增大有用功,增加重物上升高度不能改变机械效率,故ABC项正确。
15.下面是小明和小红的“测量滑轮组的机械效率”实验报告,
实验名称:测量滑轮组的机械效率
实验步骤:
(1)观察弹簧测力计的量程、零刻度线和 。
(2)如图1所示,测量物体G所受的重力为 。
(3)如图2所示,实验过程中, 拉动弹簧测力计并读出拉力F的数值,用 测出的物体G上升的高度h和弹簧测力计移动的距离s,将数据填入表格。根据表格中的数据,可以知道他们选用的滑轮组是 (选填甲”或“乙”)
(4)仅改变重物G上升的高度,重复上面的实验,记录并计算实验数据实验记录:
实验次数
物体重量G/N
物体上升高度h/cm
拉力F/N
弹簧测力计移机动的距离s/cm
机械效率η
1
5.00
1.80
15.00
85.2%
2
8.00
1.77
24.00
86.6%
3
10.00
1.75
30.00
87.6%
实验结论:滑轮组的机械效率与所提升物体的高度有关。
实验讨论与交流
①小明和小红的实验结论: (选填“科学”或“不科学”);请说明你的理由 。
②小明认为提升的物重会影响该滑轮组的机械效率,建议进一步探究:改变 ,重复实验(3)步骤,计算出机械效率进行比较分析。
(5)小明在实验探究过程中,改变不同的物理量,得出多组数据的目的是 。
【答案】(1)分度值;(2)4.6N;(3)匀速;刻度尺;乙;(4)①不科学;根据η=×100%,滑轮组的机械效率与所提升物体的高度无关;②提升物体的重力。(5)避免实验偶然性,使结论更具普遍性。
【解析】(1)测力计使用前,要观察弹簧测力计的量程、零刻度线和分度值;
(2)根据测力计分度值读数;
(3)使用弹簧测力计时应保证系统处于平衡状态,故应该匀速拉动。测量长度的工具是刻度尺;根据绳子自由端移动的距离与物体升高高度的关系s=nh,根据绳n=求出绳子的有效段数分析回答;
(4)①滑轮组的机械效率η====,据此分析;
②为得出普遍性的结论要多测量。
(5)测量多组数据,重复实验可以避免实验偶然性,得出普遍规律。
相关试卷
这是一份中考物理二轮复习核心素养专题讲义第47讲 中考磁学1类重点实验(含解析),共12页。
这是一份中考物理二轮复习核心素养专题讲义第37讲 中考物理等效法(含解析),共16页。
这是一份中考物理二轮复习核心素养专题讲义第09讲 力学3类作图 (含解析),共26页。试卷主要包含了涉及重力,涉及滑轮组有关的作图问题等内容,欢迎下载使用。

