高考化学二轮复习(新高考版) 第1部分 专题7 大题题空逐空突破(十) 最佳反应条件、原因解释集训(含解析)
展开这是一份高考化学二轮复习(新高考版) 第1部分 专题7 大题题空逐空突破(十) 最佳反应条件、原因解释集训(含解析),共6页。
1.二甲醚催化重整制氢的反应过程主要包括以下几个反应(以下数据为25 ℃、1.01×105Pa条件下测定):
Ⅰ:CH3OCH3(g)+H2O(l)2CH3OH(l) ΔH>0
Ⅱ:CH3OH(l)+H2O(l)CO2(g)+3H2(g) ΔH>0
Ⅲ:CO(g)+H2O(l)CO2(g)+H2(g) ΔH<0
Ⅳ:CH3OH(l)CO(g)+2H2(g) ΔH>0
工业生产中测得不同温度下各组分体积分数及二甲醚转化率的关系如下图所示:
你认为反应控制的最佳温度应为________(填字母)。
A.300~350 ℃ B.350~400 ℃
C.400~450 ℃ D.450~500 ℃
答案 C
解析 400~450 ℃二甲醚的转化率较高,如果再升高温度,则会增大成本,转化率提高有限,温度太低,反应速率太慢。
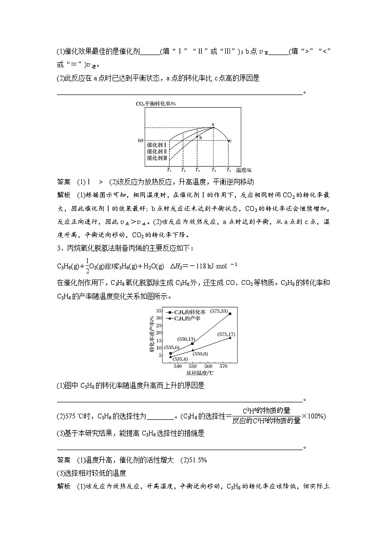
2.在一定条件下,向恒容密闭容器中充入1.0 mol CO2和3.0 mol H2,在一定温度范围内发生如下转化:CO2(g)+3H2(g)===CH3OH(g)+H2O(g) ΔH=-x kJ·mol-1(x>0)。在不同催化剂作用下,相同时间内CO2的转化率随温度的变化如图所示:
(1)催化效果最佳的是催化剂______(填“Ⅰ”“Ⅱ”或“Ⅲ”);b点v正______(填“>”“<”或“=”)v逆。
(2)此反应在a点时已达到平衡状态,a点的转化率比c点高的原因是________________________________________________________________________。
答案 (1)Ⅰ > (2)该反应为放热反应,升高温度,平衡逆向移动
解析 (1)根据图示可知,相同温度时,在催化剂Ⅰ的作用下,反应相同时间CO2的转化率最大,因此催化剂Ⅰ的效果最好;b点时反应还未达到平衡状态,CO2的转化率还会继续增加,反应正向进行,因此v正>v逆。(2)该反应为放热反应,a点时达到平衡,从a点到c点,温度升高,平衡逆向移动,CO2的转化率下降。
3.丙烷氧化脱氢法制备丙烯的主要反应如下:
C3H8(g)+O2(g)C3H6(g)+H2O(g) ΔH2=-118 kJ·mol -1
在催化剂作用下,C3H8氧化脱氢除生成C3H6外,还生成CO、CO2等物质。C3H8的转化率和C3H6的产率随温度变化关系如图所示。
(1)图中C3H8的转化率随温度升高而上升的原因是
________________________________________________________________________。
(2)575 ℃时,C3H6的选择性为________。(C3H6的选择性=×100%)
(3)基于本研究结果,能提高C3H6选择性的措施是
________________________________________________________________________。
答案 (1)温度升高,催化剂的活性增大 (2)51.5%
(3)选择相对较低的温度
解析 (1)该反应为放热反应,升高温度,平衡逆向移动,C3H8的转化率应该降低,但实际上C3H8的转化率随温度升高而上升,可能是升高温度,催化剂的活性增大导致的。(2)根据图像,575 ℃时,C3H8的转化率为33%,C3H6的产率为17%,假设参加反应的C3H8为100 mol,生成的C3H6为17 mol,C3H6的选择性=×100%≈51.5%。(3)根据图像,535 ℃时,C3H6的选择性=×100%≈66.7%,550 ℃时,C3H6的选择性=×100%≈61.5%,575 ℃时,C3H6的选择性=×100%≈51.5%,故选择相对较低的温度能够提高C3H6选择性。
4.在密闭容器中充入5 mol CO和4 mol NO,发生反应2NO(g)+ 2CO(g)N2(g)+2CO2(g) ΔH=-746.5 kJ·mol-1,图1为平衡时NO的体积分数与温度、压强的关系。
(1)温度:T1________(填“<”或“>”) T2。
(2)若在D点对反应容器升温的同时扩大体积使体系压强减小,重新达到的平衡状态可能是图中A~G点中的________点。
(3)某研究小组探究催化剂对CO、NO转化的影响。将NO和CO以一定的流速通过两种不同的催化剂进行反应,相同时间内测量逸出气体中NO含量,从而确定尾气脱氮率(脱氮率即NO的转化率),结果如图2所示。若低于200 ℃,图2中曲线Ⅰ脱氮率随温度升高而变化不大的主要原因为________________________________________________________;
a点________(填“是”或“不是”)对应温度下的平衡脱氮率,说明其理由
________________________________________________________________________。
答案 (1)> (2)A (3)温度较低时,催化剂的活性偏低 不是 该反应为放热反应,根据曲线Ⅱ可知,a点对应温度下的平衡脱氮率应该更高
解析 (1)根据反应2CO(g)+2NO(g)N2(g)+2CO2(g) ΔH=-746.5 kJ·mol-1,升高温度,平衡逆向移动,所以NO的体积分数会增大,即T1>T2。
(2)若在D点对反应容器升温的同时扩大体积使体系压强减小,则平衡会逆向移动,NO的体积分数增加,重新达到的平衡状态可能是图中A点。
(3)根据图像可知,温度较低时,催化剂的活性偏低,因此温度低于200 ℃,曲线Ⅰ脱氮率随温度升高变化不大;a点不是对应温度下的平衡脱氮率,因为该反应为放热反应,根据曲线Ⅱ可知,a点对应温度下的平衡脱氮率应该更高。
5.某研究小组将2 mol NH3、3 mol NO和一定量的O2充入2 L密闭容器中,在Ag2O催化剂表面发生4NH3(g)+6NO(g)5N2(g)+6H2O(l) ΔH<0,NO的转化率随温度变化的情况如图所示:
(1)在5 min内,温度从420 K升高到580 K,此时段内NO的平均反应速率v(NO)=________。
(2)在有氧条件下,温度580 K之后NO生成N2的转化率降低的原因可能是____________
____________________________________________________________。
答案 (1)0.171 mol·L-1·min-1 (2)反应为放热反应,温度升高,平衡逆向移动
解析 (1)420 K时一氧化氮的转化率为2%,此时消耗的n(NO)=3 mol×2%=0.06 mol,580 K时一氧化氮的转化率为59%,此时消耗的n(NO)=3 mol×59%=1.77 mol,此时段内一氧化氮的变化量为:1.77 mol-0.06 mol=1.71 mol,容器的体积为2 L,所以反应速率v===0.171 mol·L-1·min-1 。(2)该反应为放热反应,温度升高,平衡逆向移动,一氧化氮的转化率降低。
6.某实验室模拟反应2C(s)+2NO2(g)N2(g)+2CO2(g) ΔH=-64.2 kJ·mol-1,在密闭容器中加入足量的C和一定量的NO2气体,维持温度为T ℃,如图为不同压强下该反应经过相同时间NO2的转化率随着压强变化的示意图。请从动力学角度分析,1 050 kPa前,反应中NO2的转化率随着压强增大而增大的原因_________________________________________;
在1 100 kPa时,NO2的体积分数为______________________________________________。
答案 1 050 kPa前反应未达平衡状态,随着压强增大,反应速率加快,NO2的转化率增大 50%
解析 根据示意图,1 050 kPa前,反应未达到平衡,随着压强增大,反应速率增大,NO2的转化率增大;假设通入1 mol NO2,
2C(s)+2NO2(g)N2(g)+2CO2(g)
起始/mol 1 0 0
变化/mol 0.4 0.2 0.4
平衡/mol 0.6 0.2 0.4
1 100 kPa时,NO2的体积分数为×100%=50%。
7.T ℃时,向一恒容密闭容器中加入3 mol H2和1 mol Se,发生反应:
H2(g)+Se(s)H2Se (g) ΔH<0,温度对H2Se产率的影响如图:
550 ℃时H2Se产率最大的原因:____________________________________________。
答案 低于550 ℃时,温度越高反应速率越快,H2Se的产率越大;高于550 ℃时,反应达到平衡,该反应为放热反应,温度升高平衡逆向移动,H2Se的产率减小
8.将甲醇转化耦合到丁烯裂解过程中生产丙烯,主要涉及下列反应:
①2C4H8(g)―→2C3H6(g)+ C2H4(g) ΔH>0
②2CH3OH(g)―→C2H4(g)+2H2O(g) ΔH<0
③C2H4(g)+C4H8(g)―→2C3H6(g) ΔH<0
已知:甲醇吸附在催化剂上,可以活化催化剂;甲醇浓度过大也会抑制丁烯在催化剂上的转化。
(1)图1是C3H6及某些副产物的产率与的关系曲线。最佳的约为______________。
(2)图2是某压强下,将CH3OH和C4H8按一定的物质的量之比投料,反应达到平衡时C3H6的体积分数随温度的变化曲线。由图可知平衡时C3H6的体积分数随温度的升高呈现先升高后降低的变化,其原因可能是_________________________________________________。
答案 (1)1.0 (2)300~500 ℃时,丁烯裂解(反应①)为主要反应,是吸热反应,升高温度,平衡正向移动,使C3H6的体积分数增大;温度高于500 ℃时,反应②③为主要反应,是放热反应,升高温度,平衡逆向移动,使C3H6的体积分数降低,同时温度升高易发生副反应,C3H6可能转化为C2H4、C3H8、C4H10、C等,使C3H6的体积分数降低
解析 (1)由图1可知当约为1.0时C3H6的产率是最高的。
相关试卷
这是一份高考化学二轮复习(新高考版) 第1部分 专题9 大题题空逐空突破(十六) 实验规范解答集训(含解析),共6页。试卷主要包含了认识喷泉实验的原理等内容,欢迎下载使用。
这是一份高考化学二轮复习(新高考版) 第1部分 专题8 大题题空逐空突破(十一) 沉淀洗涤集训(含解析),共5页。
这是一份高考化学二轮复习(新高考版) 第1部分 专题8 大题题空逐空突破(十四) 化工流程题中Ksp应用集训(含解析),共5页。试卷主要包含了镓是制作高性能半导体的重要原料等内容,欢迎下载使用。

