高考物理全国甲、乙卷3年(2021-2023)真题汇编-07力学实验
展开高考物理全国甲、乙卷3年(2021-2023)真题汇编-07力学实验
一、实验题
1.(2023·全国·统考高考真题)在“验证力的平行四边形定则”的实验中使用的器材有:木板、白纸、两个标准弹簧测力计、橡皮条、轻质小圆环、刻度尺、铅笔、细线和图钉若干。完成下列实验步骤:
①用图钉将白纸固定在水平木板上。
②将橡皮条的一端固定在木板上,另一端系在轻质小圆环上。将两细线也系在小圆环上,它们的另一端均挂上测力计。用互成一定角度、方向平行于木板、大小适当的力拉动两个测力计,小圆环停止时由两个测力计的示数得到两拉力和的大小,并___________。(多选,填正确答案标号)
A.用刻度尺量出橡皮条的长度
B.用刻度尺量出两细线的长度
C.用铅笔在白纸上标记出小圆环的位置
D.用铅笔在白纸上标记出两细线的方向
③撤掉一个测力计,用另一个测力计把小圆环拉到_________,由测力计的示数得到拉力的大小,沿细线标记此时的方向。
④选择合适标度,由步骤②的结果在白纸上根据力的平行四边形定则作和的合成图,得出合力的大小和方向;按同一标度在白纸上画出力的图示。
⑤比较和的________,从而判断本次实验是否验证了力的平行四边形定则。
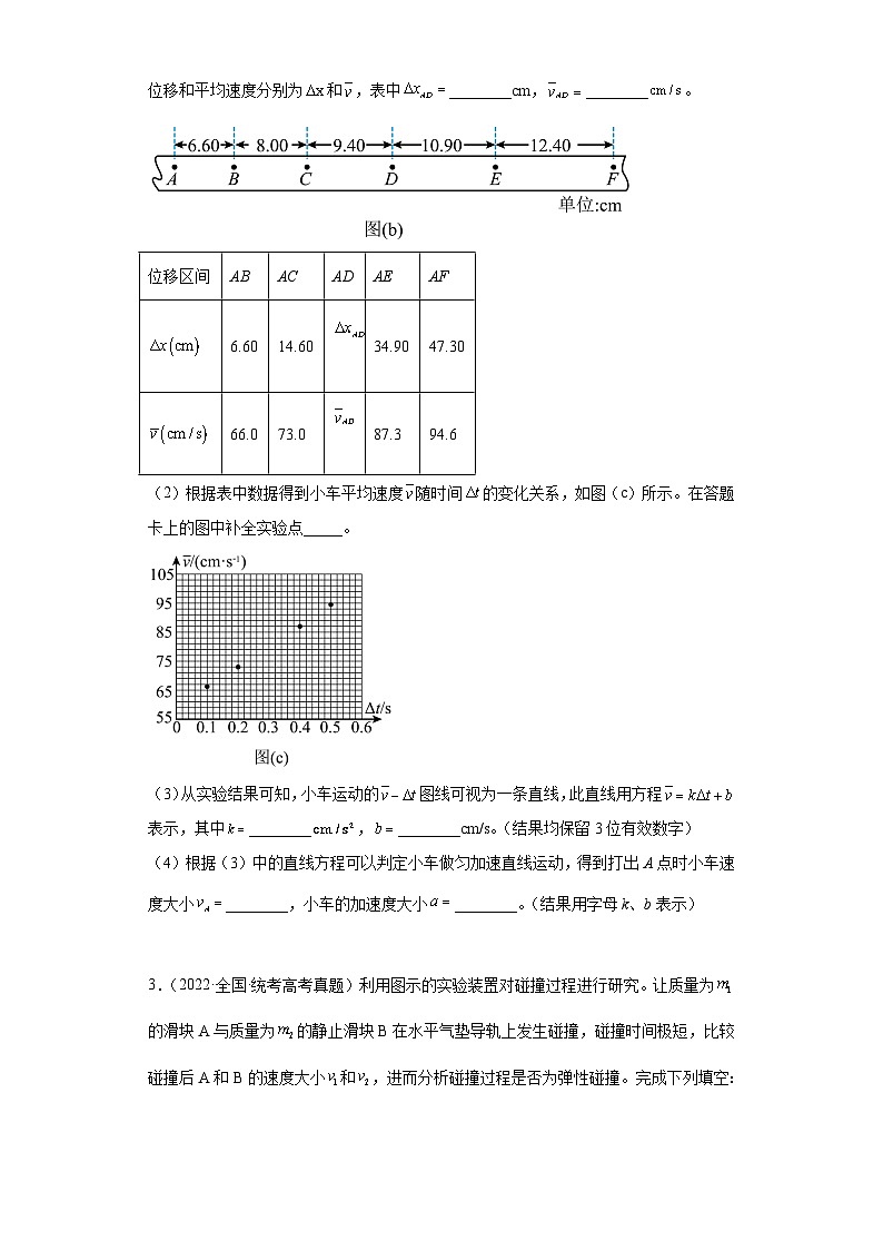
2.(2023·全国·统考高考真题)某同学利用如图(a)所示的实验装置探究物体做直线运动时平均速度与时间的关系。让小车左端和纸带相连。右端用细绳跨过定滑轮和钩码相连。钩码下落,带动小车运动,打点计时器打出纸带。某次实验得到的纸带和相关数据如图(b)所示。
(1)已知打出图(b)中相邻两个计数点的时间间隔均为0.1s.以打出A点时小车位置为初始位置,将打出B、C、D、E、F各点时小车的位移填到表中,小车发生对应位移和平均速度分别为和,表中________cm,________。
位移区间 | AB | AC | AD | AE | AF |
6.60 | 14.60 | 34.90 | 47.30 | ||
66.0 | 73.0 | 87.3 | 94.6 |
(2)根据表中数据得到小车平均速度随时间的变化关系,如图(c)所示。在答题卡上的图中补全实验点_____。
(3)从实验结果可知,小车运动的图线可视为一条直线,此直线用方程表示,其中________,________cm/s。(结果均保留3位有效数字)
(4)根据(3)中的直线方程可以判定小车做匀加速直线运动,得到打出A点时小车速度大小________,小车的加速度大小________。(结果用字母k、b表示)
3.(2022·全国·统考高考真题)利用图示的实验装置对碰撞过程进行研究。让质量为的滑块A与质量为的静止滑块B在水平气垫导轨上发生碰撞,碰撞时间极短,比较碰撞后A和B的速度大小和,进而分析碰撞过程是否为弹性碰撞。完成下列填空:
(1)调节导轨水平;
(2)测得两滑块的质量分别为和。要使碰撞后两滑块运动方向相反,应选取质量为______kg的滑块作为A;
(3)调节B的位置,使得A与B接触时,A的左端到左边挡板的距离与B的右端到右边挡板的距离相等;
(4)使A以一定的初速度沿气垫导轨运动,并与B碰撞,分别用传感器记录A和B从碰撞时刻开始到各自撞到挡板所用的时间和;
(5)将B放回到碰撞前的位置,改变A的初速度大小,重复步骤(4)。多次测量的结果如下表所示;
| 1 | 2 | 3 | 4 | 5 |
0.49 | 0.67 | 1.01 | 1.22 | 1.39 | |
0.15 | 0.21 | 0.33 | 0.40 | 0.46 | |
0.31 | 0.33 | 0.33 | 0.33 |
(6)表中的______(保留2位有效数字);
(7)的平均值为______;(保留2位有效数字)
(8)理论研究表明,对本实验的碰撞过程,是否为弹性碰撞可由判断。若两滑块的碰撞为弹性碰撞,则的理论表达式为______(用和表示),本实验中其值为______(保留2位有效数字),若该值与(7)中结果间的差别在允许范围内,则可认为滑块A与滑块B在导轨上的碰撞为弹性碰撞。
4.(2022·全国·统考高考真题)用雷达探测一高速飞行器的位置。从某时刻()开始的一段时间内,该飞行器可视为沿直线运动,每隔测量一次其位置,坐标为x,结果如下表所示:
0 | 1 | 2 | 3 | 4 | 5 | 6 | |
0 | 507 | 1094 | 1759 | 2505 | 3329 | 4233 |
回答下列问题:
(1)根据表中数据可判断该飞行器在这段时间内近似做匀加速运动,判断的理由是:______;
(2)当时,该飞行器速度的大小______;
(3)这段时间内该飞行器加速度的大小______(保留2位有效数字)。
5.(2021·全国·高考真题)某同学利用图(a)所示装置研究平抛运动的规律。实验时该同学使用频闪仪和照相机对做平抛运动的小球进行拍摄,频闪仪每隔发出一次闪光,某次拍摄后得到的照片如图(b)所示(图中未包括小球刚离开轨道的影像)。图中的背景是放在竖直平面内的带有方格的纸板,纸板与小球轨迹所在平面平行,其上每个方格的边长为。该同学在实验中测得的小球影像的高度差已经在图(b)中标出。
完成下列填空:(结果均保留2位有效数字)
(1)小球运动到图(b)中位置A时,其速度的水平分量大小为___________,竖直分量大小为___________;
(2)根据图(b)中数据可得,当地重力加速度的大小为___________。
6.(2021·全国·高考真题)为测量小铜块与瓷砖表面间的动摩擦因数,一同学将贴有标尺的瓷砖的一端放在水平桌面上,形成一倾角为的斜面(已知sin=0.34,cos=0.94),小铜块可在斜面上加速下滑,如图所示。该同学用手机拍摄小铜块的下滑过程,然后解析视频记录的图像,获得5个连续相等时间间隔(每个时间间隔∆T=0.20s)内小铜块沿斜面下滑的距离si(i=1,2,3,4,5),如下表所示。
s1 | s2 | s3 | s4 | s5 |
5.87cm | 7.58cm | 9.31cm | 11.02cm | 12.74cm |
由表中数据可得,小铜块沿斜面下滑的加速度大小为___________m/s2,小铜块与瓷砖表面间的动摩擦因数为___________。(结果均保留2位有效数字,重力加速度大小取9.80m/s2)
参考答案:
1. CD/DC 相同位置 大小和方向
【详解】②[1]将橡皮条的一端固定在木板上,另一端系在轻质小圆环上。将两细线也系在小圆环上,它们的另一端均挂上测力计。用互成一定角度、方向平行于木板、大小适当的力拉动两个测力计,小圆环停止时由两个测力计的示数得到两拉力和的大小,还需要用铅笔在白纸上标记出小圆环的位置以及用铅笔在白纸上标记出两细线的方向。
故选CD。
③[2]撤掉一个测力计,用另一个测力计把小圆环拉到相同位置,由测力计的示数得到拉力的大小,沿细线标记此时的方向;
⑤[3]比较和的大小和方向,从而判断本次实验是否验证了力的平行四边形定则。
2. 24.00 80.0 70.0 59.0 b 2k
【详解】(1)[1]根据纸带的数据可得
[2]平均速度为
(2)[3]根据第(1)小题结果补充表格和补全实验点图像得
(3)[4][5]从实验结果可知,小车运动的图线可视为一条直线,图像为
此直线用方程表示,由图像可知其中
,
(4)[6][7]小球做匀变速直线运动,由位移公式,整理得
即
故根据图像斜率和截距可得
,
3. 0.304 0.31 0.32 0.34
【详解】(2)[1]应该用质量较小的滑块碰撞质量较大的滑块,碰后运动方向相反,故选0.304kg的滑块作为A。
(6)[2]由于两段位移大小相等,根据表中的数据可得
(7)[3]平均值为
(8)[4][5]弹性碰撞时满足动量守恒和机械能守恒,可得
联立解得
代入数据可得
4. 相邻1s内的位移之差接近∆x=80m 547 79
【详解】(1)[1]第1s内的位移507m,第2s内的位移587m,第3s内的位移665m,第4s内的位移746m,第5s内的位移824m,第6s内的位移904m,则相邻1s内的位移之差接近∆x=80m,可知判断飞行器在这段时间内做匀加速运动;
(2)[2]当x=507m时飞行器的速度等于0-2s内的平均速度,则
(3)[3]根据
5. 1.0 2.0
9.7
【详解】(1)[1]因小球水平方向做匀速直线运动,因此速度为
[2]竖直方向做自由落体运动,因此A点的竖直速度可由平均速度等于时间中点的瞬时速度求得
(2)[3]由竖直方向的自由落体运动可得
代入数据可得
6. 0.43 0.32
【详解】[1]根据逐差法有
[2]对小铜块受力分析根据牛顿第二定律有
代入数据解得
高考物理全国甲、乙卷3年(2021-2023)真题汇编-08电学实验: 这是一份高考物理全国甲、乙卷3年(2021-2023)真题汇编-08电学实验,共12页。试卷主要包含了实验题等内容,欢迎下载使用。
高考物理全国甲、乙卷3年(2021-2023)真题汇编-06光学、近代物理: 这是一份高考物理全国甲、乙卷3年(2021-2023)真题汇编-06光学、近代物理,共11页。试卷主要包含了单选题,多选题,填空题,解答题等内容,欢迎下载使用。
高考物理全国甲、乙卷3年(2021-2023)真题汇编-05热学: 这是一份高考物理全国甲、乙卷3年(2021-2023)真题汇编-05热学,共14页。试卷主要包含了多选题,填空题,解答题等内容,欢迎下载使用。

