所属成套资源:(新高考版) 高考物理二轮复习专题讲练(含解析)
高考物理二轮复习讲练(新高考版) 第1部分 专题5 第18课时 电学实验(含解析)
展开
这是一份高考物理二轮复习讲练(新高考版) 第1部分 专题5 第18课时 电学实验(含解析),共24页。试卷主要包含了电流表和电压表,用下列器材测量电容器的电容等内容,欢迎下载使用。
高考题型1 基本仪器的使用与读数
1.电流表和电压表
2.多用电表的读数及使用
(1)电流的流向
电流从电表的“+”插孔(红表笔)流入,从“-”插孔(黑表笔)流出,即“红进黑出”.
(2)“机械零点”与“欧姆零点”
“机械零点”在表盘刻度左侧“0”位置,调整的是表盘下边中间的定位螺丝;“欧姆零点”在表盘刻度的右侧电阻刻度“0”位置,调整的是欧姆挡的调零旋钮.
(3)倍率选择:使用欧姆挡测电阻时,应使指针位于表盘中间附近,若表头指针偏角过大,则说明所测电阻偏小,应换用小倍率.
(4)使用欧姆表测电阻时,换挡后需重新进行欧姆调零,读数之后要乘以倍率得阻值.
(5)电池用久了,电动势变小,内阻变大,使测量结果偏大.
命题预测
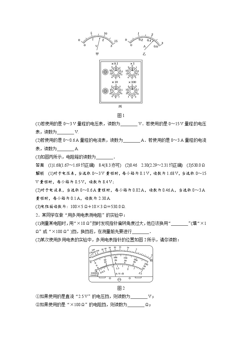
1.如图1所示为电压表和电流表的刻度盘示意图,指针位置分别如图甲、乙所示.
图1
(1)若使用的是0~3 V量程的电压表,读数为________ V.若使用的是0~15 V量程的电压表,读数为________ V.
(2)若使用的是0~0.6 A量程的电流表,读数为________ A.若使用的是0~3 A量程的电流表,读数为________ A.
(3)如图丙所示,电阻箱的读数为________.
答案 (1)1.68(1.67~1.69均正确) 8.4(8.3亦可) (2)0.46 2.30(2.29~2.31均正确) (3)530.0 Ω
解析 (1)对于电压表,当选取0~3 V量程时,每小格为0.1 V,读数为1.68 V,当选取0~15 V量程时,每小格为0.5 V,读数为8.4 V;
(2)对于电流表,当选取0~0.6 A量程时,每小格为0.02 A,读数为0.46 A,当选取0~3 A量程时,每小格为0.1 A,读数为2.30 A.
(3)电阻箱读数为:100×5 Ω+10×3 Ω=530.0 Ω.
2.某同学在做“用多用电表测电阻”的实验中:
(1)测量某电阻时,用“×10 Ω”挡时发现指针偏转角度过大,他应该换用“________”(填“×1 Ω”或“×100 Ω”)挡,换挡后,在测量前先要进行________.
(2)某次使用多用电表的实验中,多用电表指针的位置如图2所示,请你读数:
图2
①如果使用的是直流“2.5 V”的电压挡,则读数为________ V;
②如果使用的是“×100 Ω”的电阻挡,则读数为________ Ω;
③如果使用的是直流“10 mA”的电流挡,则读数为________ mA.
答案 (1)×1 Ω 欧姆调零 (2)①0.80 ②3.0×103 ③3.2
解析 (1)根据欧姆表的工作原理可知,指针的偏转角度过大,说明电阻较小,即所选的倍率过大,应选择“×1 Ω”挡,换挡后在测量前要重新进行欧姆调零.
(2)①如果使用的是直流“2.5 V”的电压挡,则每小格代表0.05 V,读数为16×0.05 V=0.80 V;
②如果使用的是“×100 Ω”的电阻挡,则读数为30×100 Ω=3.0×103 Ω;
③如果使用的是直流“10 mA”的电流挡,则每小格代表0.2 mA,读数为16×0.2 mA=3.2 mA.
高考题型2 与电阻的测量相关的实验
1.常见的电阻测量方法对比
2.滑动变阻器分压式接法与限流式接法的选择
(1)“以小控大用分压,相差无几用限流”
①当采用分压式接法时,一般应选用最大阻值较小、而额定电流较大的滑动变阻器.
②当采用限流式接法时,一般应选用最大阻值比待测电阻稍大或差不多的滑动变阻器.
(2)必须采用分压式接法的三种情况:①要求电压从零开始变化;②滑动变阻器阻值太小,不能起到限流的作用;③限流式接法不能获取有区分度的多组数据.
考题示例
例1 (2020·全国卷Ⅲ·23)已知一热敏电阻当温度从10 ℃升至60 ℃时阻值从几千欧姆降至几百欧姆,某同学利用伏安法测量其阻值随温度的变化关系.所用器材:电源E、开关S、滑动变阻器R(最大阻值为20 Ω)、电压表(可视为理想电表)和毫安表(内阻约为100 Ω).
(1)在图3中所给的器材符号之间画出连线,组成测量电路图.
图3
(2)实验时,将热敏电阻置于温度控制室中,记录不同温度下电压表和毫安表的示数,计算出相应的热敏电阻阻值.若某次测量中电压表和毫安表的示数分别为5.5 V和3.0 mA,则此时热敏电阻的阻值为________ kΩ(保留2位有效数字).实验中得到的该热敏电阻阻值R随温度t变化的曲线如图4(a)所示.
图4
(3)将热敏电阻从温控室取出置于室温下,测得达到热平衡后热敏电阻的阻值为2.2 kΩ.由图(a)求得,此时室温为________ ℃(保留3位有效数字).
(4)利用实验中的热敏电阻可以制作温控报警器,其电路的一部分如图(b)所示.图中,E为直流电源(电动势为10 V,内阻可忽略);当图中的输出电压达到或超过6.0 V时,便触发报警器(图中未画出)报警.若要求开始报警时环境温度为50 ℃,则图中________(填“R1”或“R2”)应使用热敏电阻,另一固定电阻的阻值应为________ kΩ(保留2位有效数字).
答案 (1)见解析图 (2)1.8 (3)25.5 (4)R1 1.2
解析 (1)滑动变阻器最大阻值仅20 Ω,应采用分压式接法,电压表为理想电表,应采用毫安表外接法,测量电路图如图所示.
(2)热敏电阻的阻值R=eq \f(U,I)=eq \f(5.5 V,3.0 mA)≈1.8 kΩ.
(3)根据R-t图像,R=2.2 kΩ时,t约为25.5 ℃.
(4)输出电压变大时,R2两端电压变大,R1两端电压变小.根据R-t图像知,温度升高时热敏电阻的阻值减小,则电路中电流变大,固定电阻两端的电压变大,所以固定电阻应为R2,热敏电阻应为R1,t=50 ℃,R1=0.8 kΩ,根据串联电路中电阻与电压的关系可得eq \f(R1,R2)=eq \f(10-6.0,6.0),解得R2=1.2 kΩ.
例2 (2019·天津卷·9(3))现测定长金属丝的电阻率.
(1)某次用螺旋测微器测量金属丝直径的结果如图5所示,其读数是________mm.
图5
(2)利用下列器材设计一个电路,尽量准确地测量一段金属丝的电阻.这段金属丝的电阻Rx约为100 Ω,画出实验电路图,并标明器材代号.
电源E(电动势10 V,内阻约为10 Ω)
电流表A1(量程0~250 mA,内阻R1=5 Ω)
电流表A2(量程0~300 mA,内阻约为5 Ω)
滑动变阻器R(最大阻值10 Ω,额定电流2 A)
开关S及导线若干
(3)某同学设计方案正确,测量得到电流表A1的读数为I1,电流表A2的读数为I2,则这段金属丝电阻的计算式Rx=________.从设计原理看,则测量值与真实值相比________(填“偏大”“偏小”或“相等”).
答案 (1)0.200(0.196~0.204均可)
(2)如图所示
(3)eq \f(I1R1,I2-I1) 相等
解析 (1)由螺旋测微器的读数规则可知,该金属丝的直径应为0 mm+20.0×0.01 mm=0.200 mm;
(2)对提供的实验器材分析可知,滑动变阻器的总电阻比待测电阻的阻值小得多,因此滑动变阻器应采用分压式接法,由于没有提供电压表,因此可以用内阻已知的电流表充当电压表,即将A1作为电压表,由于A1的内阻已知,因此A2应采用外接法;
(3)由电路图可知,Rx=eq \f(I1R1,I2-I1);由于A1的内阻已知,因此该实验不存在系统误差,因此测量值与真实值相等.
命题预测
3.(2020·陕西汉中市高三期末)LED绿色照明技术已经走进我们的生活.某实验小组要精确测定额定电压为3 V的LED灯正常工作时的电阻,已知该灯正常工作时电阻大约为500 Ω,电学符号与小灯泡电学符号相同.
实验室提供的器材有:
A.电流表A1(量程为0~5 mA,内阻RA1约为3 Ω)
B.电流表A2(量程为0~4 mA,内阻RA2=10 Ω)
C.电压表V(量程为0~10 V,内阻RV=1 000 Ω)
D.定值电阻R1=590 Ω
E.定值电阻R2=990 Ω
F.滑动变阻器R (最大阻值为20 Ω)
G.蓄电池E (电动势为4 V,内阻很小)
H.开关S一只,导线若干
图6
(1)如图6甲所示,请选择合适的器材,电表1为____________,电表2为__________,定值电阻为________ .( 填写器材前的字母序号)
(2)请将图乙中的实物连线补充完整.
(3)请写出测量LED灯正常工作时的电阻表达式:Rx=________________(电表1的读数用a表示,电表2的读数用b表示,其余电学量用题中所对应的电学符号表示)
答案 (1)A B E (2)见解析图 (3)eq \f(bR2+RA2,a-b)
解析 (1)LED灯正常工作时的电流约为ILED=eq \f(ULED,RLED)=eq \f(3,500) A=0.006 A=6 mA,故电表1选用A;要精确测定额定电压为3 V的LED灯正常工作时的电阻,需测量LED灯两端的电压和通过LED灯的电流,由于电压表的量程较大,测量误差较大,不能用已知的电压表测量LED两端的电压,可以将电流表A2与定值电阻串联改装为电压表测量电压,故电表2选用B;要改装成量程为3 V的电压表,需要串联的电阻为:R′=eq \f(ULED,IA2g)-RA2=eq \f(3,0.004) Ω-10 Ω=740 Ω,则定值电阻应选E;
(2)因为滑动变阻器阻值远小于LED的电阻,所以滑动变阻器采用分压式接法.实物连线如图所示:
(3)根据欧姆定律知,灯泡两端的电压ULED=b(R2+RA2),通过灯泡的电流ILED=a-b,所以LED灯正常工作时的电阻Rx=eq \f(ULED,ILED)=eq \f(bR2+RA2,a-b).
4.(2020·黑龙江实验中学测试)灵敏电流计G的量程为500 μA、内阻未知,某小组要将该电流计的量程扩大至5 mA,有下列器材可选:
图7
A.干电池一节
B.电压表V(量程1.5 V,内阻几千欧)
C.滑动变阻器R1(0~100 Ω)
D.电阻箱R2(0~999.9 Ω)
E.开关、导线若干
某同学设计了如下实验:
(1)用如图7所示电路测量电流计和电压表的内阻.
①将R1滑片滑到最左端,断开S2,闭合S1,调节R1,使电流计满偏,此时电压表V的示数为1.0 V;
②将R2调至最大,闭合S2,调节R1、R2,当电压表示数为1.2 V时,电流计的示数为300 μA,R2的阻值为180 Ω.由以上数据可得电压表的内阻RV=________ Ω,电流计的内阻Rg=________ Ω.
(2)用灵敏电流计和电阻箱改装电流表,请在方框中画出改装电路图,此时电阻箱的阻值应调为________ Ω.
答案 (1)①2 000 ②180 (2)见解析图 20
解析 (1)第一步为电压表和电流计串联的电路,由欧姆定律有U1=IgRV
可得RV=eq \f(U1,Ig)=eq \f(1.0,500×10-6) Ω=2 000 Ω
第二步为Rg与R2并联再与RV串联,由电路的电流关系可得eq \f(U2,RV)=I2+eq \f(I2Rg,R2)
代入数据解得Rg=180 Ω
(2)电流计改装成电流表需要利用并联电阻分流,电路图如图所示:
由并联电路的电压关系得(I-Ig)R2′=IgRg
解得R2′=20 Ω,即电阻箱的阻值应调为20 Ω.
高考题型3 电源电动势与内阻的测量
1.电源电动势和内阻的测量方法
2.对实验的两点说明
(1)任何一种实验方法,一定要紧扣闭合电路欧姆定律E=U+Ir,其中最关键的是看电路中如何测量出路端电压U和电路中的总电流I.
(2)利用图像求解电动势和内阻是常用的方法,对于不同的电路设计,一般采用化曲为直的方法,即得到有关电动势和内阻的一次函数关系,再利用图像中的斜率与截距求解.
考题示例
例3 (2020·山东卷·14)实验方案对实验测量的精度有直接的影响,某学习小组对“测量电源的电动势和内阻”的实验方案进行了探究.实验室提供的器材有:
干电池一节(电动势约1.5 V,内阻小于1 Ω);
电压表V(量程3 V,内阻约3 kΩ);
电流表A(量程0.6 A,内阻约1 Ω);
滑动变阻器R(最大阻值为20 Ω);
定值电阻R1(阻值2 Ω);
定值电阻R2(阻值5 Ω);
开关一个,导线若干.
(1)该小组按照图8甲所示的电路进行实验,通过调节滑动变阻器阻值使电流表示数逐渐接近满偏,记录此过程中电压表和电流表的示数,利用实验数据在U-I坐标纸上描点,如图乙所示,结果发现电压表示数的变化范围比较小,出现该现象的主要原因是________.(单选,填正确答案标号)
A.电压表分流
B.干电池内阻较小
C.滑动变阻器最大阻值较小
D.电流表内阻较小
图8
(2)针对电压表示数的变化范围比较小的问题,该小组利用实验室提供的器材改进了实验方案,重新测量得到的数据如下表所示.
请根据实验数据,回答以下问题:
①图9中已标出后3组数据对应的坐标点,请标出前4组数据对应的坐标点并画出U-I图像.
图9
②根据实验数据可知,所选的定值电阻为________(填“R1”或“R2”).
③用笔画线代替导线,请按照改进后的方案,将图10所示实物图连接成完整电路.
图10
答案 (1)B (2)①见解析图(a) ②R1 ③见解析图(c)
解析 (1)电压表示数的变化范围小,原因是外电阻的阻值远大于电源内阻,选项B正确.
(2)①根据数据描点并连成一条直线,如图(a)所示.
②由图像可知E=1.55 V,U=0时I=0.59 A,故r′=eq \f(E,I)≈2.63 Ω,
由于2 Ω
相关试卷
这是一份新高考物理二轮复习过关练习第1部分 专题7 第17讲 电学实验 (含解析),共20页。试卷主要包含了命题角度,084,4×0,9 Ω),5 V,内阻约为1,8 等于,8×0,0 甲 小 eq \f等内容,欢迎下载使用。
这是一份高考物理二轮复习讲练专题七第2讲电学实验与创新 (含解析),共26页。试卷主要包含了某同学组装一个多用电表等内容,欢迎下载使用。
这是一份高考物理二轮复习讲练(新高考版) 第1部分 专题5 第17课时 力学实验(含解析),共29页。试卷主要包含了纸带的分析和数据处理,光电门的应用,应用实例等内容,欢迎下载使用。

