2024高考化学一轮复习讲义(步步高版)第6章 第39讲 多池、多室的电化学装置
展开考点一 多池串联的两大模型及原理分析
1.常见多池串联装置图
模型一 外接电源与电解池的串联(如图)
A、B为两个串联电解池,相同时间内,各电极得失电子数相等。
模型二 原电池与电解池的串联(如图)
甲、乙两图中,A均为原电池,B均为电解池。
2.二次电池的充电
(1)可充电电池原理示意图
充电时,原电池负极与外接电源负极相连,原电池正极与外接电源正极相连,记作“正接正,负接负”。
(2)可充电电池有充电和放电两个过程,放电时是原电池反应,充电时是电解池反应。充电、放电不是可逆反应。
(3)放电时的负极反应和充电时的阴极反应相反,放电时的正极反应和充电时的阳极反应相反。将负(正)极反应式变换方向并将电子移项即可得出阴(阳)极反应式。
例:Fe+Ni2O3+3H2Oeq \(,\s\up7(放电),\s\d5(充电))Fe(OH)2+2Ni(OH)2,放电时负极的电极反应式为Fe-2e-+2OH-===Fe(OH)2,则充电时阴极的电极反应式为Fe(OH)2+2e-===Fe+2OH-。
3.电化学计算的三种方法
如以电路中通过4 ml e-为桥梁可构建以下关系式:
(式中M为金属,n为其离子的化合价数值)
该关系式具有总览电化学计算的作用和价值,熟记电极反应式,灵活运用关系式便能快速解答常见的电化学计算问题。
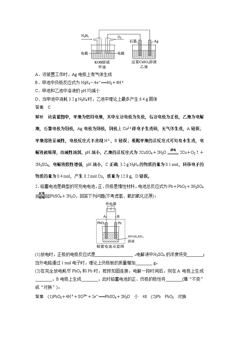
1.如图所示,甲池的总反应式为N2H4+O2===N2+2H2O,下列关于该装置工作时的说法正确的是( )
A.该装置工作时,Ag电极上有气体生成
B.甲池中负极反应式为N2H4-4e-===N2+4H+
C.甲池和乙池中溶液的pH均减小
D.当甲池中消耗3.2 g N2H4时,乙池中理论上最多产生6.4 g固体
答案 C
解析 该装置图中,甲池为燃料电池,其中左边电极为负极,右边电极为正极,乙池为电解池,石墨电极为阳极,Ag电极为阴极,阴极上Cu2+得电子生成铜,无气体生成,A错误;甲池溶液呈碱性,电极反应式不出现H+,B错误;根据甲池的总反应式可知有水生成,电解液被稀释,故碱性减弱,pH减小,乙池的总反应式为2CuSO4+2H2Oeq \(=====,\s\up7(通电))2Cu+O2↑+2H2SO4,电解液酸性增强,pH减小,C正确;3.2 g N2H4的物质的量为0.1 ml,转移电子的物质的量为0.4 ml,产生0.2 ml Cu,质量为12.8 g,D错误。
2.铅蓄电池是典型的可充电电池,正、负极是惰性材料,电池总反应式为Pb+PbO2+2H2SO4eq \(,\s\up7(放电),\s\d5(充电))2PbSO4+2H2O,回答下列问题(不考虑氢、氧的氧化还原):
(1)放电时,正极的电极反应式是__________________。电解液中H2SO4的浓度将变________;当外电路通过1 ml电子时,理论上负极板的质量增加________ g。
(2)在完全放电耗尽PbO2和Pb时,若按如图连接,电解一段时间后,则在A电极上生成________,B电极上生成________,此时铅蓄电池的正、负极的极性将________(填“不变”或“对换”)。
答案 (1)PbO2+4H++SOeq \\al(2-,4)+2e-===PbSO4+2H2O 小 48 (2)Pb PbO2 对换
解析 (1)根据总反应式可知放电时,正极PbO2得到电子,电极反应式是PbO2+4H++SOeq \\al(2-,4)+2e-===PbSO4+2H2O,负极电极反应式是Pb+SOeq \\al(2-,4)-2e-===PbSO4;由反应式知放电时消耗H2SO4,则H2SO4浓度变小;当外电路通过1 ml电子时,理论上负极板的质量增加0.5 ml×96 g·ml-1=48 g。(2)若按题图连接,B为阳极,失去电子发生氧化反应,A为阴极,得到电子发生还原反应,B电极上发生的反应为PbSO4+2H2O-2e-===PbO2+4H++SOeq \\al(2-,4),A电极发生的反应为PbSO4+2e-===Pb+SOeq \\al(2-,4),所以A电极上生成Pb,B电极上生成PbO2,此时铅蓄电池的正、负极的极性将对换。
3.在如图所示的装置中,若通直流电5 min时,铜电极的质量增加2.16 g。试回答下列问题。
(1)电源中X为直流电源的________极。
(2)pH变化:A__________(填“增大”“减小”或“不变”,下同),B________,C________。
(3)通电5 min时,B中共收集224 mL(标准状况下)气体,溶液体积为200 mL,则通电前CuSO4溶液的物质的量浓度为________(设电解前后溶液体积无变化)。
(4)常温下,若A中KCl足量且溶液的体积也是200 mL,电解后,溶液的pH为__________(设电解前后溶液体积无变化)。
答案 (1)负 (2)增大 减小 不变 (3)0.025 ml·L-1 (4)13
解析 (1)三个装置是串联的电解池。电解AgNO3溶液时,Ag+在阴极发生还原反应生成Ag,所以质量增加的铜电极是阴极,由此推知X是电源负极。
(2)电解KCl溶液生成KOH,溶液pH增大;电解CuSO4、K2SO4溶液生成H2SO4,溶液pH减小;电解AgNO3溶液,银为阳极,不断溶解,Ag+在阴极不断析出,AgNO3溶液浓度基本不变,pH不变。
(3)通电5 min时,C中析出0.02 ml Ag,电路中通过0.02 ml电子;B中共收集0.01 ml气体,若该气体全为氧气,则电路中需通过0.04 ml电子,电子转移不守恒,因此,B中电解分为两个阶段,先电解CuSO4溶液,生成O2,后电解水,生成O2和H2,B中收集到的气体是O2和H2的混合物。设电解CuSO4溶液时生成O2的物质的量为x ml,电解H2O时生成O2的物质的量为y ml,则4x+4y=0.02(电子转移守恒),x+3y=0.01(气体体积之和),解得x=y=0.002 5,所以n(CuSO4)=2×0.002 5 ml=0.005 ml,c(CuSO4)=eq \f(0.005 ml,0.2 L)=0.025 ml·L-1。
(4)常温下,通电5 min时,A中放出0.01 ml H2,溶液中生成0.02 ml KOH,c(OH-)=eq \f(0.02 ml,0.2 L)=0.1 ml·L-1,pH=13。
考点二 多室装置的分析
为实现特定功能需求,在电化学装置中增加离子交换膜,将原电池或电解池分隔成两个或多个相对独立的室。
1.离子交换膜的分类和应用
2.分析某室质量变化的关键
分析某室质量的变化,既要考虑该区(或该电极)的化学反应,又要考虑通过“交换膜”的离子带来的质量变化。
1.钠离子电池具有资源丰富、成本低、安全性好、转换效率高等特点,有望成为锂离子电池之后的新型首选电池,如图是一种钠离子电池工作示意图:
下列说法不正确的是( )
A.放电时,Na+通过交换膜向N极移动
B.充电时,光照可促进电子的转移
C.充电时,TiO2光电极上发生的电极反应为3I--2e-===Ieq \\al(-,3)
D.放电时,若负极室有2 ml阴离子发生反应,则电路中转移2 ml电子
答案 D
解析 由图中信息知,放电时,电极N为正极,电极M为负极,Na+由M极移向N极,A正确;根据题图:TiO2光电极能使电池在太阳光照下充电,所以充电时,光可以促进I-在TiO2光电极上转移电子,B正确;充电时,阳极上发生失电子的氧化反应,根据图示,阳极电极反应式为3I--2e-===Ieq \\al(-,3),C正确;充电时Na2S4被还原为Na2S,电极反应式为Seq \\al(2-,4)+6e-===4S2-,则放电时负极反应式为4S2--6e-===Seq \\al(2-,4),由此可知若负极室有2 ml阴离子发生反应,则电路中转移3 ml电子,D错误。
2.我国科学家开发出了一种Zn-NO电池系统,该电池具有同时合成氨和对外供电的功能,其工作原理如图所示,下列说法错误的是( )
A.电极电势:Zn/ZnO电极
C.电池工作一段时间后,正极区溶液的pH减小
D.电子流向:Zn/ZnO电极→负载→MS2电极
答案 C
解析 Zn/ZnO电极为负极,MS2电极为正极,正极电势高于负极电势,A正确;正极区消耗的H+源于双极膜解离出的H+,且产生的NH3会部分溶解,所以正极区溶液的pH不会减小,C错误;电子流向:负极→负载→正极,D正确。
3.(2022·湖北重点中学联考)以纯碱溶液为原料,通过电解的方法可制备小苏打,原理装置图如下:
上述装置工作时,下列有关说法正确的是( )
A.乙池电极接电源正极,气体X为H2
B.Na+由乙池穿过交换膜进入甲池
C.NaOH溶液Z的浓度比NaOH溶液Y的小
D.甲池电极反应为4OH--4e-===2H2O+O2↑
答案 C
解析 由甲池放出O2知,乙池电极为电解池的阴极,和电源负极连接,溶液中氢离子放电生成氢气,A项错误;电解池中阳离子移向阴极,B项错误;阴极附近氢离子放电破坏了水的电离平衡,电极附近氢氧根离子浓度增大,NaOH溶液Y的浓度比NaOH溶液Z的大,C项正确;甲池电极为阳极,电解质溶液中氢氧根离子放电生成氧气,氢离子浓度增大,碳酸根离子结合氢离子生成碳酸氢根离子,出口为碳酸氢钠溶液,则电极反应式为4COeq \\al(2-,3)+2H2O-4e-===4HCOeq \\al(-,3)+O2↑,D项错误。
4.(2023·成都模拟)污水资源化利用既可以缓解水的供需矛盾,又可以减少水污染。化学工作者提出采用电解法除去工业污水中的NaCN,其原理如图所示,通电前先向污水中加入适量食盐并调整其pH维持碱性(CN-不参与电极反应)。下列说法正确的是( )
A.b为电源的负极
B.隔膜Ⅰ为阴离子交换膜
C.X为H2,电极反应式为2H2O+2e-===H2↑+2OH-
D.当生成2.24 L N2时,电路中通过1 ml电子
答案 C
解析 右侧氯离子放电得到次氯酸根离子,次氯酸根离子再氧化CN-为氮气,所以右侧电极为阳极,b为电源的正极,故A错误;a为电源的负极,左侧电极为阴极,发生反应:2H2O+2e-===H2↑+2OH-,阴离子增加,污水中的钠离子会通过隔膜Ⅰ进入左侧,形成浓氢氧化钠溶液,所以隔膜Ⅰ为阳离子交换膜,故B错误、C正确;生成的2.24 L N2未标明条件,无法求得电路中通过电子的量,D错误。
1.(2022·山东,13改编)设计如图装置回收金属钴。保持细菌所在环境pH稳定,借助其降解乙酸盐生成CO2,将废旧锂离子电池的正极材料LiCO2(s)转化为C2+,工作时保持厌氧环境,并定时将乙室溶液转移至甲室。已知电极材料均为石墨材质,右侧装置为原电池。下列说法错误的是( )
A.装置工作时,甲室溶液pH逐渐减小
B.装置工作一段时间后,乙室应补充盐酸
C.乙室电极反应式为LiCO2+2H2O+e-===Li++C2++4OH-
D.若甲室C2+减少200 mg,乙室C2+增加300 mg,则此时已进行过溶液转移
答案 C
解析 电池工作时,左边装置中细菌上乙酸盐的阴离子失去电子被氧化为CO2气体,C2+在另一个电极上得到电子,被还原产生C单质,CH3COO-失去电子后,H+、金属阳离子通过阳膜移向甲室,甲室溶液pH减小,A正确;对于乙室,正极上LiCO2得到电子,被还原为C2+,同时得到Li+,电极反应式为LiCO2+e-+4H+===Li++C2++2H2O,C错误;依据电子守恒,乙室消耗的H+比负极CH3COO-反应产生的H+多,因而需补充盐酸,B正确;根据转移电子守恒,可知没有进行溶液转移时,乙室C2+增加的质量是甲室C2+减少质量的2倍,而实际二者倍数为eq \f(300 mg,200 mg)=1.5<2,故此时已进行过溶液转移,D正确。
2.(2021·湖北,15)Na2Cr2O7的酸性水溶液随着H+浓度的增大会转化为CrO3。电解法制备CrO3的原理如图所示。下列说法错误的是( )
A.电解时只允许H+通过离子交换膜
B.生成O2和H2的质量比为8∶1
C.电解一段时间后阴极区溶液OH-的浓度增大
D.CrO3的生成反应为Cr2Oeq \\al(2-,7)+2H+===2CrO3+H2O
答案 A
解析 左侧电极上产生O2,右侧电极上产生H2,说明左侧电极为阳极,电极反应式为2H2O-4e-===4H++O2↑,左侧制备三氧化铬:Cr2Oeq \\al(2-,7)+2H+===2CrO3+H2O;右侧电极为阴极,电极反应式为4H2O+4e-===4OH-+2H2↑。H+在阳极区参与反应制备三氧化铬,故不通过离子交换膜向阴极区迁移,A项错误;根据得失电子守恒,产生O2、H2的质量之比为32∶4=8∶1,B项正确;由阴极反应式知,阴极产生OH-,如果OH-通过交换膜向左侧迁移,OH-必然会中和H+,与题意相矛盾,所以,钠离子应该由左侧向右侧迁移,阴极区氢氧化钠溶液浓度增大,C项正确。
3.(2021·河北,9)K-O2电池结构如图,a和b为两个电极,其中之一为单质钾片。关于该电池,下列说法错误的是( )
A.隔膜允许K+通过,不允许O2通过
B.放电时,电流由b电极沿导线流向a电极;充电时,b电极为阳极
C.产生1 Ah电量时,生成KO2的质量与消耗O2的质量比值约为2.22
D.用此电池为铅蓄电池充电,消耗3.9 g钾时,铅酸蓄电池消耗0.9 g水
答案 D
解析 金属性强的钾易与氧气反应,为防止钾与氧气反应,电池所选择隔膜应允许K+通过,不允许O2通过,故A正确;放电时,a为负极,b为正极,电流由b电极沿导线流向a电极,充电时,b电极应与直流电源的正极相连,作电解池的阳极,故B正确;生成1 ml超氧化钾时,消耗1 ml氧气,两者的质量比为(1 ml×71 g·ml-1)∶(1 ml×32 g·ml-1)≈2.22∶1,故C正确;铅蓄电池充电时的总反应的化学方程式为2PbSO4+2H2O===PbO2+Pb+2H2SO4,反应每消耗2 ml水时,转移2 ml电子,由得失电子守恒可知,消耗3.9 g钾时,铅酸蓄电池消耗水的质量为eq \f(3.9 g,39 g·ml-1)×18 g·ml-1=1.8 g,故D错误。
4.(2022·全国甲卷,10)一种水性电解液Zn-MnO2离子选择双隔膜电池如图所示[KOH溶液中,Zn2+以Zn(OH)eq \\al(2-,4)存在]。电池放电时,下列叙述错误的是( )
A.Ⅱ区的K+通过隔膜向Ⅲ区迁移
B.Ⅰ区的SOeq \\al(2-,4)通过隔膜向Ⅱ区迁移
C.MnO2电极反应:MnO2+2e-+4H+===Mn2++2H2O
D.电池总反应:Zn+4OH-+MnO2+4H+===Zn(OH)eq \\al(2-,4)+Mn2++2H2O
答案 A
解析 根据图示的电池结构和题目所给信息可知,Ⅲ区Zn为电池的负极,电极反应为Zn-2e-+4OH-===Zn(OH)eq \\al(2-,4),Ⅰ区MnO2为电池的正极,电极反应为MnO2+2e-+4H+===Mn2++2H2O,K+从Ⅲ区通过隔膜向Ⅱ区迁移,A错误、C正确;Ⅰ区的SOeq \\al(2-,4)通过隔膜向Ⅱ区迁移,B正确;电池的总反应为Zn+4OH-+MnO2+4H+===Zn(OH)eq \\al(2-,4)+Mn2++2H2O,D正确。
5.(2021·广东,16)钴(C)的合金材料广泛应用于航空航天、机械制造等领域。如图为水溶液中电解制备金属钴的装置示意图。下列说法正确的是( )
A.工作时,Ⅰ室和Ⅱ室溶液的pH均增大
B.生成1 ml C,Ⅰ室溶液质量理论上减少16 g
C.移除两交换膜后,石墨电极上发生的反应不变
D.电解总反应:2C2++2H2Oeq \(=====,\s\up7(通电))2C+O2↑+4H+
答案 D
解析 水放电生成的氢离子通过阳离子交换膜由Ⅰ室向Ⅱ室移动,使Ⅱ室中氢离子浓度增大,溶液pH减小,故A错误;阴极生成1 ml钴,阳极有1 ml水放电,则Ⅰ室溶液质量减少18 g,故B错误;若移除离子交换膜,氯离子的放电能力强于水,氯离子会在阳极失去电子发生氧化反应生成氯气,则移除离子交换膜后,石墨电极的电极反应会发生变化,故C错误;电解总反应的离子方程式为2C2++2H2Oeq \(=====,\s\up7(通电))2C+O2↑+4H+,故D正确。
课时精练
1.(2022·江西赣州模拟)为验证不同化合价铁的氧化还原能力,利用下列电池装置进行实验。下列说法正确的是( )
A.石墨电极作正极,发生氧化反应
B.向铁电极溶液中滴加KSCN,溶液变血红
C.盐桥中可选择KCl或者KNO3作为电解质
D.一段时间后,铁电极溶液中c(Fe2+)增加了0.02 ml·L-1,石墨电极溶液中c(Fe2+)=0.09 ml·L-1(忽略溶液体积的变化)
答案 D
解析 根据电池装置可知,铁电极作负极,石墨电极作正极,发生还原反应,A错误;铁电极发生电极反应:Fe-2e-===Fe2+,故向铁电极溶液中滴加KSCN,溶液不变血红,B错误;硝酸根离子在酸性环境下具有强氧化性,能与亚铁离子发生氧化还原反应,不能作盐桥中的电解质,C错误;铁电极发生的电极反应为Fe-2e-===Fe2+,石墨电极发生的电极反应为2Fe3++2e-===2Fe2+,铁电极溶液中c(Fe2+)增加了0.02 ml·L-1,则石墨电极溶液中c(Fe2+)增加了0.04 ml·L-1,则反应后石墨电极溶液中c(Fe2+)=0.09 ml·L-1,D正确。
2.高氯酸在化工生产中有广泛应用,工业上以NaClO4为原料制备高氯酸的原理如图所示。下列说法正确的是( )
A.上述装置中,f极为光伏电池的正极
B.阴极的电极反应式为2H2O-4e-===4H++O2↑
C.d处得到较浓的NaOH溶液,c处得到HClO4溶液
D.若转移2 ml电子,理论上生成100.5 g HClO4
答案 C
解析 电解时Na+移向阴极区,则f为光伏电池的负极,A项错误;电解时,阳极反应式为2H2O-4e-===4H++O2↑,Na+移向阴极区,阳极区溶液逐渐由NaClO4转化为HClO4,阴极反应式为2H2O+2e-===H2↑+2OH-,阴极区得到较浓的NaOH溶液,B项错误、C项正确;根据转移电子守恒,若转移2 ml电子,理论上生成201 g HClO4,D项错误。
3.(2022·四川师范大学附中模拟)《Science》报道了我国学者发明的一种氯离子介导的电化学合成方法,能将乙烯高效、清洁、选择性地转化为环氧乙烷,电化学反应的具体过程如图所示。在电解结束后,将阴、阳极电解液输出混合,便可反应生成环氧乙烷。下列说法错误的是( )
物质转化原理:
A.Ni电极与电源负极相连
B.电解时左侧电解池溶液pH增大,右侧电解池溶液pH减小
C.该过程的总反应为CH2==CH2+H2Oeq \(――→,\s\up7(通电))+H2
D.在电解液混合过程中会发生反应:HCl+KOH===KCl+H2O
答案 B
解析 由反应流程可知,Pt电极区要将Cl-转化为Cl2,发生氧化反应,故Pt为阳极,Ni电极为阴极,与电源负极相连,A正确;右侧阴极反应为2H2O+2e-===2OH-+H2↑,故阴极附近pH增大,B错误;根据转化原理和阴极区的反应,可知该过程的总反应为CH2==CH2+H2Oeq \(――→,\s\up7(通电))+H2,C正确;阳极区发生反应:Cl2+H2OHCl+HClO,阴极区生成KOH,故在电解液混合过程中会发生反应:HCl+KOH===KCl+H2O,D正确。
4.(2022·河北张家口模拟)我国科研工作者提出通过电解原理联合制备环氧乙烷同时处理酸性含铬废水,其工作原理如图所示。其中双极膜由阳离子交换膜和阴离子交换膜组成,工作时内层H2O解离为H+和OH-,并分别向两极迁移。下列说法正确的是( )
A.电极a上的电势高于电极b上的电势
B.膜q为双极膜中的阳离子交换膜
C.工作时,NaOH溶液浓度保持不变
D.每生成1 ml Cr3+,酸性含铬废水质量理论上增加3 g
答案 D
解析 电极a为直流电源的负极,电极b为正极,正极电势高于负极电势,A错误;催化电极M为阳极,碱性条件下乙烯在阳极失去电子发生氧化反应生成环氧乙烷,电极反应式为C2H4-2e-+2OH-―→+H2O,OH-通过阴离子交换膜q进入阳极区,所以工作时,阳极区OH-的物质的量不变,但放电生成水,会使氢氧化钠溶液的浓度减小,B、C错误;电极N为电解池的阴极,电极反应式为Cr2Oeq \\al(2-,7)+6e-+14H+===2Cr3++7H2O,若放电生成1 ml铬离子,电路中转移3 ml电子,同时有3 ml氢离子移入阴极区,导致酸性含铬废水质量增加3 g,D正确。
5.工业上采用如图所示装置模拟在A池中实现铁上镀铜,在C装置中实现工业由KCl溶液制取KOH溶液。
下列有关说法错误的是( )
A.a为精铜,b为铁制品,可实现镀铜要求
B.c为负极,电极反应式为CH3OH+8OH--6e-===COeq \\al(2-,3)+6H2O
C.从e口出来的气体为氧气,从f口出来的气体为氢气
D.钾离子从电解槽左室向右室迁移,h口出来的为高浓度的KOH溶液
答案 C
解析 根据图示可知,B为原电池,氧气得电子与水反应生成OH-,d作正极,c作负极;A、C为电解池,m、a为电解池的阳极,b、n为电解池的阴极。a为精铜,失电子,作阳极,b为铁制品,作阴极,铜离子得电子,可实现镀铜要求,A项正确;c为负极,甲醇失电子与溶液中的OH-反应生成COeq \\al(2-,3)和水,B项正确;电解KCl溶液,m为阳极,氯离子失电子生成氯气,从e口出来,从f口出来的气体为氢气,C项错误;电解槽左侧为阳极室,钾离子从电解槽左室向右室迁移,h口出来的为高浓度的KOH溶液,D项正确。
6.我国科学家研制一种新型化学电池成功实现废气的处理和能源的利用,用该新型电池电解CuSO4溶液,装置如图(H2R和R都是有机物)所示。下列说法正确的是( )
A.b电极反应式为R+2H++2e-===H2R
B.电池工作时,负极区要保持呈碱性
C.工作一段时间后,正极区的pH变大
D.若消耗标准状况下112 mL O2,则电解后的CuSO4溶液的pH约为2
答案 A
解析 a电极反应式为Fe2+-e-===Fe3+,a电极为负极,左侧还发生反应:2Fe3++H2S===2Fe2++S↓+2H+,b电极为正极,电极反应式为R+2H++2e-===H2R,右侧还发生反应:O2+H2R===R+H2O2,实现废气处理和能源利用。负极区生成Fe3+,为防止Fe3+水解生成Fe(OH)3,所以电池工作时,负极区要保持呈酸性,B项错误;氢离子通过质子交换膜进入正极区,所以正极区的pH基本不变,C项错误;根据原电池正极区的反应,每转移2 ml电子消耗1 ml氧气,现消耗氧气的物质的量为eq \f(0.112 L,22.4 L·ml-1)=0.005 ml,则转移电子0.01 ml,由电解总反应式:2Cu2++2H2Oeq \(=====,\s\up7(通电))2Cu+O2↑+4H+知,生成0.01 ml氢离子,c(H+)=eq \f(0.01 ml,0.1 L)=0.1 ml·L-1,则电解后的CuSO4溶液的pH约为1,D项错误。
7.(2022·山东烟台模拟)下图是用“海水河水”浓差电池(不考虑溶解氧的影响)电镀铜的装置示意图,其中X、Y均为Ag/AgCl复合电极。下列说法错误的是( )
A.电子由X电极经导线流向镀件
B.Y的电极反应式为AgCl+e-===Ag+Cl-
C.电镀池可以用石墨电极作阳极
D.镀件增重6.4 g,理论上X极区模拟海水的质量减少7.1 g
答案 D
解析 电镀池中镀件作阴极,X电极为负极,因此电子由X电极经导线流向镀件,故A正确;Y电极为正极,电极反应式为AgCl+e-===Ag+Cl-,故B正确;电镀池中硫酸铜作电解液,在阴极铜离子得电子变为铜单质沉积在镀件上,因此可以用石墨电极作阳极,故C正确;根据Cu2++2e-===Cu,镀件增重6.4 g,转移0.2 ml电子,负极反应式为Ag-e-+Cl-===AgCl,消耗0.2 ml Cl-,0.2 ml Na+向正极移动,理论上X极区模拟海水减少0.2 ml NaCl,其质量减少0.2 ml×58.5 g·ml-1=11.7 g,故D错误。
8.某充电宝锂离子电池的总反应为nLi+Li1-nMn2O4eq \(,\s\up7(放电),\s\d5(充电))LiMn2O4,某手机镍氢电池总反应为NiOOH+MHeq \(,\s\up7(放电),\s\d5(充电))M+Ni(OH)2(M为储氢金属或合金),有关上述两种电池的说法不正确的是( )
A.锂离子电池放电时Li+向正极迁移
B.锂离子电池充电时,阳极的电极反应式:LiMn2O4-ne-===Li1-nMn2O4+nLi+
C.如图可表示用镍氢电池给锂离子电池充电
D.镍氢电池放电时,正极的电极反应式:NiOOH+H2O+e-===Ni(OH)2+OH-
答案 C
解析 原电池放电时,阳离子向正极移动,即锂离子电池放电时Li+向正极迁移,故A正确;锂离子电池放电时,Li作负极,Li1-nMn2O4作正极,电极反应式为nLi++Li1-nMn2O4+ne-===LiMn2O4,因此锂离子电池充电时,阳极的电极反应式为LiMn2O4-ne-===Li1-nMn2O4+nLi+,故B正确;题图表示锂离子电池放电,镍氢电池充电,故C错误;镍氢电池放电时,NiOOH中Ni化合价降低,得到电子,是原电池的正极,电极反应式为NiOOH+H2O+e-===Ni(OH)2+OH-,故D正确。
9.工业上常采用电渗析法从含葡萄糖酸钠(用GCOONa表示)的废水中提取化工产品葡萄糖酸(GCOOH)和烧碱,模拟装置如图所示(电极均为石墨)。
下列说法错误的是( )
A.交换膜1、2分别为阳离子、阴离子交换膜
B.a电极为阴极,b电极上发生氧化反应
C.一段时间后,a、b电极产生气体的质量之比为8∶1
D.电路中通过1 ml电子时,理论上回收40 g NaOH
答案 C
解析 在电解池的左侧,稀NaOH溶液转化为浓NaOH溶液,则表明Na+透过交换膜1进入左侧,在a电极上H2O得电子生成H2和OH-,a电极为阴极;在右侧,稀GCOOH溶液转化为浓GCOOH溶液,表明GCOO-透过交换膜2进入右侧,在b电极上H2O失电子生成O2和H+,b电极为阳极。电解发生后,a电极生成H2,b电极生成O2,依据得失电子守恒,H2与O2的物质的量之比为2∶1,所以a、b电极产生气体的质量之比为1∶8;电路中通过1 ml电子时,a电极上有1 ml H+得电子,则有1 ml Na+透过交换膜1进入左侧,理论上回收1 ml NaOH,质量为40 g。
10.电渗析法淡化海水的装置如图所示,电解槽中阴离子交换膜和阳离子交换膜相间排列,将电解槽分隔成多个独立的间隔室,海水充满在各个间隔室中。通电后,一个间隔室的海水被淡化,而其相邻间隔室的海水被浓缩,从而实现了淡水和浓缩海水分离。下列说法正确的是( )
A.离子交换膜b为阳离子交换膜
B.各间隔室的排出液中,①③⑤⑦为淡水
C.通电时,电极1附近溶液的pH比电极2附近溶液的pH变化明显
D.淡化过程中,得到的浓缩海水没有任何使用价值
答案 B
解析 由图分析可知,电极1为电解池的阳极,氯离子放电生成氯气,电极2为阴极,溶液中氢离子得到电子生成氢气,离子交换膜a是阳离子交换膜,离子交换膜b为阴离子交换膜,结合阴、阳离子移向可知,各间隔室的排出液中,①③⑤⑦为淡水,A错误、B正确;通电时,阳极电极反应:2Cl--2e-===Cl2↑,阴极电极反应:2H2O+2e-===H2↑+2OH-,电极2附近溶液的pH比电极1附近溶液的pH变化明显,C错误;淡化过程中,得到的浓缩海水可以提取氯化钠、镁、溴等,有使用价值,D错误。
11.(2022·福建莆田模拟)利用如图装置可持续生产两种消毒剂,其中甲池生产过氧化氢。a、d均为包裹催化剂的惰性电极,b、c为共用的Ni(OH)2、NiOOH电极。通过电极反应在甲、乙池间转运某些离子。调节电源的电流,使b、c电极的净组成不变。下列说法错误的是( )
A.乙池生产的消毒剂是Cl2
B.生产过程OH-从甲池转运至乙池
C.b电极反应式:Ni(OH)2+OH--e-===NiOOH+H2O
D.理论上甲、乙池生成的消毒剂的物质的量之比为1∶1
答案 A
解析 乙池中d电极连接电源的正极,为阳极,氯离子放电生成氯气,生成的氯气再和水反应生成HClO,则乙池生产的消毒剂是HClO,A错误;a电极为阴极,b电极为阳极,OH-先迁移到b电极,参与电极反应:Ni(OH)2+OH--e-===NiOOH+H2O,c电极为阴极,电极反应为NiOOH+H2O+e-===Ni(OH)2+OH-,生成的氢氧根离子再迁移到乙池中,B、C正确;甲池中生成消毒剂的反应为O2+2e-+2H2O===H2O2+2OH-,乙池中d极的电极反应为2Cl--2e-===Cl2↑,生成消毒剂的反应为Cl2+H2OHCl+HClO,所以转移2 ml电子时,分别生成1 ml H2O2、1 ml HClO,D正确。
12.(2022·石家庄模拟)1,5-戊二胺()是生物法制备尼龙材料的重要原料,利用双极膜(BPM)电渗析产碱技术可将生物发酵液中的1,5-戊二胺硫酸盐(含和SOeq \\al(2-,4))转换为1,5-戊二胺,实现无害化提取,工作原理如图所示。下列说法错误的是( )
A.a极的电势比b极的低
B.m膜为阳离子交换膜,n膜为阴离子交换膜
C.电解过程中,H2SO4极室溶液的pH逐渐减小
D.b极区每生成11.2 L气体(标准状况),理论上可生成2 ml 1,5-戊二胺
答案 D
解析 根据题意,将生物发酵液中的1,5-戊二胺硫酸盐转换为1,5-戊二胺,则生物发酵液中的SOeq \\al(2-,4)应通过n膜进入H2SO4溶液,应通过m膜进入产品室,与BPM表面产生的OH-反应生成水和。阳离子向a极移动,a极是阴极,则b极是阳极,阳极电势比阴极电势高,A正确;电解过程中SOeq \\al(2-,4)进入H2SO4极室,生成H2SO4,溶液pH逐渐减小,C正确;b极区是阳极区,电渗析过程生成O2,每生成11.2 L气体(标准状况)转移的电子为eq \f(11.2 L,22.4 L·ml-1)×4=2 ml,而1 ml生成转移2 ml电子,故理论上可生成1 ml 1,5-戊二胺,D错误。
适用于新教材2024版高考化学一轮总复习第六章课时规范练33多池或多室电化学装置及分析新人教版: 这是一份适用于新教材2024版高考化学一轮总复习第六章课时规范练33多池或多室电化学装置及分析新人教版,共9页。
适用于新教材2024版高考化学一轮总复习第六章课时规范练33多池或多室电化学装置及分析鲁科版: 这是一份适用于新教材2024版高考化学一轮总复习第六章课时规范练33多池或多室电化学装置及分析鲁科版,共9页。
2024届高考一轮复习化学课时练 第41练 多池、多室的电化学装置(含答案): 这是一份2024届高考一轮复习化学课时练 第41练 多池、多室的电化学装置(含答案),共8页。

