江苏省常州市2020-2022三年中考物理真题分类汇编-05热学
展开江苏省常州市2020-2022三年中考物理真题分类汇编-05热学
一、单选题
1.(2022·江苏常州·统考中考真题)2021年10月14日,我国成功发射“羲和号”探测卫星。卫星围绕太阳运行并展开探测,至今已将大量图片信息传回地球,下列说法中错误的是( )
A.该卫星探测的太阳是宇宙的中心
B.该卫星利用电磁波将图片信息传回地球
C.该卫星表面材料的隔热性能极佳
D.该卫星的太阳能板将太阳能转化为电能
2.(2021·江苏常州·统考中考真题)夏季来临,瓶装水迎来销售旺季,大量废弃的塑料瓶污染环境。三位英国大学生用海藻提取物制成可食用薄膜,将水封装在薄膜中做成“水球”——Ooho,可直接吞服解渴,如图所示。图中薄膜没有破裂是因为( )
A.薄膜的分子间有引力 B.薄膜的分子间有斥力
C.薄膜的分子静止不动 D.薄膜的分子间没有空隙
3.(2021·江苏常州·统考中考真题)近期,世界在建的最大规模水电站——中国白鹤滩水电站建设进展顺利。水能属于( )
①可再生能源
②不可再生能源
③常规能源
④新能源
A.①③ B.①④ C.②③ D.②④
4.(2020·江苏常州·统考中考真题)如图所示是海波温度随时间变化的图象,已知海波的熔化温度是48℃,则( )
A.海波在AB段处于固态 B.海波在BC段既不吸热也不放热
C.海波在BC段内能逐渐变小 D.海波在CD段吸收热量
5.(2020·江苏常州·统考中考真题)百灵鸟是散居型蝗虫的天敌但蝗灾爆发时,聚集型蝗虫会大量分泌苯乙腈,其刺激性气味使百灵鸟放弃捕食,百灵鸟闻到苯乙睛的气味是因为( )
A.分子体积很小 B.分子间有引力
C.分子间有斥力 D.分子永不停息地做无规则运动
二、填空题
6.(2022·江苏常州·统考中考真题)1标准大气压下,冰熔化过程中冰水混合物的温度_________(选填“小于”“等于”或“大于”)水凝固过程中冰水混合物的温度,冰熔化过程中所需环境温度_________(选填“小于”“等于”或“大于”)水凝固过程中所需环境温度。
7.(2022·江苏常州·统考中考真题)天然气热水器将40kg的水从15°C加热到65°C,此过程中天然气完全燃烧释放热量的84%被水吸收,水吸收热量_________ J,天然气完全燃烧释放热量_________ J,需要消耗天然气_________kg,这是通过_________方式改变水的内能。[c水=4.2×103J/(kg⋅°C),q天然气=4×107J/kg]
8.(2022·江苏常州·统考中考真题)麻省理工学院的研究团队将直径为9nm、合_________m的特殊颗粒植入豆瓣菜叶子中,发现在黑暗环境下,叶子发出微弱的光,实现化学能向_________能的转化,如图甲所示。研究者通过凸透镜观察到如图乙所示的_________(选填“虚”或“实”)像,该透镜可用来矫正_________(选填“近视”或“远视”)眼。
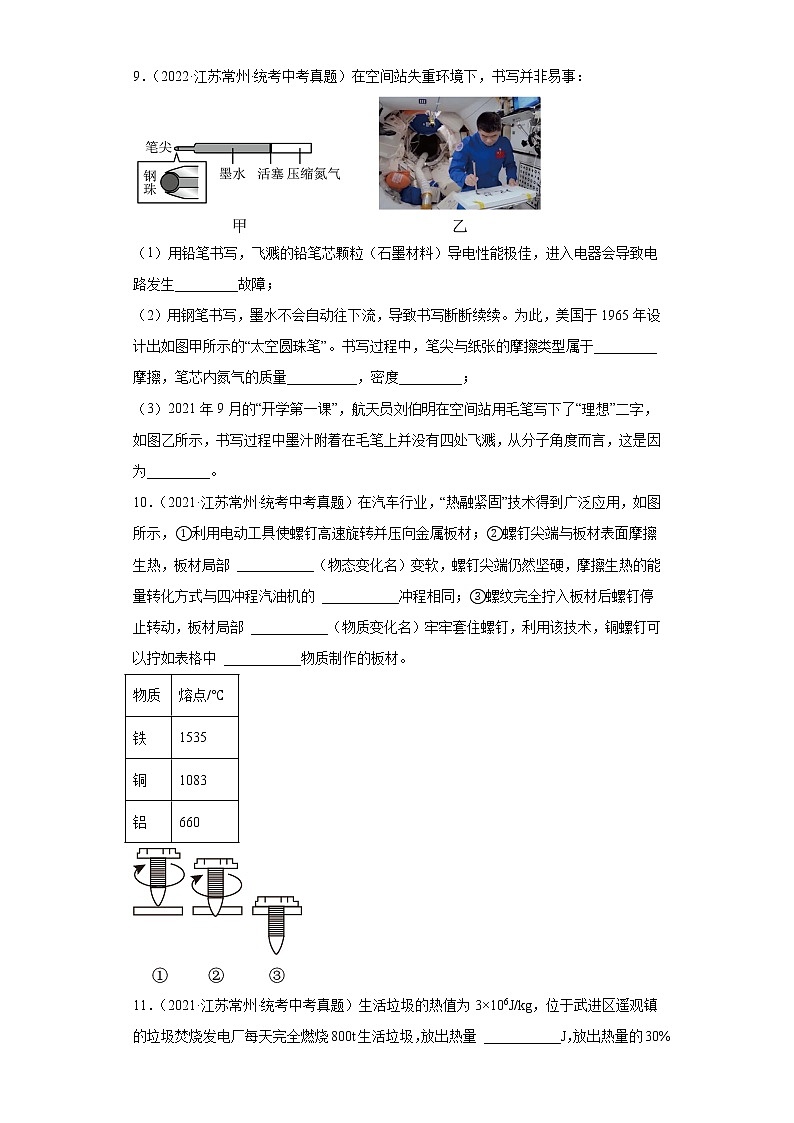
9.(2022·江苏常州·统考中考真题)在空间站失重环境下,书写并非易事:
(1)用铅笔书写,飞溅的铅笔芯颗粒(石墨材料)导电性能极佳,进入电器会导致电路发生_________故障;
(2)用钢笔书写,墨水不会自动往下流,导致书写断断续续。为此,美国于1965年设计出如图甲所示的“太空圆珠笔”。书写过程中,笔尖与纸张的摩擦类型属于_________摩擦,笔芯内氮气的质量__________,密度_________;
(3)2021年9月的“开学第一课”,航天员刘伯明在空间站用毛笔写下了“理想”二字,如图乙所示,书写过程中墨汁附着在毛笔上并没有四处飞溅,从分子角度而言,这是因为_________。
10.(2021·江苏常州·统考中考真题)在汽车行业,“热融紧固”技术得到广泛应用,如图所示,①利用电动工具使螺钉高速旋转并压向金属板材;②螺钉尖端与板材表面摩擦生热,板材局部 ___________(物态变化名)变软,螺钉尖端仍然坚硬,摩擦生热的能量转化方式与四冲程汽油机的 ___________冲程相同;③螺纹完全拧入板材后螺钉停止转动,板材局部 ___________(物质变化名)牢牢套住螺钉,利用该技术,铜螺钉可以拧如表格中 ___________物质制作的板材。
物质 | 熔点/℃ |
铁 | 1535 |
铜 | 1083 |
铝 | 660 |
11.(2021·江苏常州·统考中考真题)生活垃圾的热值为3×106J/kg,位于武进区遥观镇的垃圾焚烧发电厂每天完全燃烧800t生活垃圾,放出热量 ___________J,放出热量的30%用来发电,每天可发电 ___________kW·h,放出热量的42%用来加热水供给附近小区,1标准大气压下,每天可将___________kg的水由20℃恰好加热至沸腾。[c水=4.2×103J/(kg·℃)]
12.(2021·江苏常州·统考中考真题)中国科兴疫苗需保存在低于8℃的环境中。夏季,运输过程中为监测疫苗温度是否超标,应在冷藏箱内放置图中所示的温度计 ___________。在接收点,为正确读数,验收人员 ___________(能/不能)把温度计从冷藏箱中取出读数,温度计示数如图所示,表明疫苗 ___________(安全/不安全)。
13.(2020·江苏常州·统考中考真题)某市中考,要求体温小于37.3℃的考生在常规考场考试,体温大于等于37.3℃的考生在备用考场考试。某考生的体温测量结果如图所示,他应在______考场考试,该体温计的工作原理是______。
14.(2020·江苏常州·统考中考真题)2020年1月18日,第十届江苏。“台湾灯会”在常州恐龙城开幕。如图所示为展会中的“走马灯”,点燃底部蜡烛,热空气上升驱动扇叶转动,观众惊奇地看到纸片小人的影子动了起来。热空气上升驱动扇叶转动的能量转化方式为______,这与四冲程汽油机的______冲程相同。
三、实验题
15.(2022·江苏常州·统考中考真题)小组同学比较沙子和水的比热容,实验装置如图甲、乙所示。
(1)在两个相同的易拉罐内分别装入初温、_________相同的沙子和水。
(2)用两盏相同的酒精灯同时加热沙子和水,加热过程中需用玻璃棒不断搅拌。搅拌的目的是:_________。测得实验数据如表格所示。
加热时间/ | 0 | 1 | 2 | 3 | 4 | 5 | |
温度/ | 沙子 | 18 | 22 | 29 | 37 | 45 | — |
水 | 18 | 19 | 21 | 23 | 25 | 27 | |
(3)时,温度计显示沙子的温度如图丙所示,其读数为_________。
(4)加热相同的时间,发现沙子的温度升得更高,有同学认为此过程中沙子吸收热量比水吸收热量多,该观点_________(正确/错误)。
(5)分析数据可得沙子的比热容_________(小于/等于/大于)水的比热容。
16.(2020·江苏常州·统考中考真题)疫情期间,伊朗一度流传“甲醇可治新冠”的谣言,导致多人中毒。本着国际主义精神,我国支援伊朗乙醇(即酒精)等大量医疗物资,并外派专家指导民众科学抗疫。甲醇、乙醇是不同物质,属性如表格所示:
物质/属性 | 毒性 | 可燃性 | 密度(kg/m3) | 沸点(℃) | 比热容[J/(kg•℃)] | 热值(J/kg) |
甲醇 | 毒性大 | 易燃 | 0.8×103 | 64.7 | 2.5×103 | 2.3×107 |
乙醇 | 毒性低 | 易燃 | 0.8×103 | 78 | 2.3×103 | 3×107 |
实验室两个相同容器内分别装有甲醇、乙醇,但标签污损,为准确鉴别,同学们对这两种液体分别用字母A、B标识,并设计如图所示的三种实验方案,展开可行性、安全性论证。
方案甲 | 方案乙 | 方案丙 |
(1)方案甲可测量A、B液体的______,但无法鉴别。
(2)方案乙可根据A、B液体的______不同进行鉴别,当把两同规格烧杯内的水由常温都加热至90℃,同规格燃料瓶内剩余较多的液体是______。
(3)方案丙:用两盏相同的酒精灯同时加热同规格烧杯内初温相等的A、B液体,一段时间后(液体都未沸腾)温度较高的液体是______;继续加热,直至两烧杯内液体都沸腾,温度较高的液体是______。从安全性考虑,由于______,该方案被明令禁止。
四、综合题
17.(2020·江苏常州·统考中考真题)小明家住偏远山区。家庭电路电压达不到220V,他借助电能表电热水壶探究家中的实际电压;将装有额定容积水的电热水壶单独接入电路,发现初温20℃的水被加热至100℃恰好沸腾,通电时间为7min,电能表的转盘转动280圈。电能表表盘、电热水壶的铭牌如图甲、表格乙所示,电热水壶的阻值不变,c水=4.2×103/(kg•℃),ρ水=1×103kg/m3,问:
常热牌电热水壶 | |
型号 | QLR2020 |
额定电压 | 220V |
额定功率 | 2420W |
额定容积 | 2L |
(1)电热水壶的实际功率有多大______?
(2)小明家电路的实际电压有多大______?
(3)此过程中,电热水壶的烧水效率为多大______?
(4)随着山区电路升级改造工程的推进,小明猜想:若在220V电压下重复刚才的探究,那么,加热时间会______(变小/不变/变大),电热水壶的烧水效率会______(变小/不变/变大)。
参考答案:
1.A
【详解】A.太阳是太阳系的中心,太阳系是银河系的一员,银河系又是宇宙中的一个星系,太阳不是宇宙的中心,宇宙是没有中心的,故A错误,符合题意;
B.电磁波可以在真空中传播,卫星是通过电磁波来传递信息的,故B正确,不符合题意;
C.卫星表面材料的隔热性能极佳,它可以在返回大气层时保护返回舱不因高温而烧毁,故C正确,不符合题意;
D.卫星带有太阳能电池帆板可把太阳能转化为电能,故D正确,不符合题意。
故选A。
2.A
【详解】薄膜被挤压没有破裂,是因为薄膜的分子间有引力,故A符合题意,BCD不符合题意。
故选A。
3.A
【详解】水能可以从自然界源源不断得到,是可再生能源,水能已经大范围使用,不属于新能源,是常规能源,故BCD不符合题意,A符合题意。
故选A。
4.C
【详解】A .AB段属于凝固前降温过程,AB段处于液态,故A错误;
BC.BC段属于凝固段,放热,温度不变,内能减少,故B错误、C正确;
D.CD段属于凝固后的降温阶段,放热,故D错误。
故选C。
【点睛】
5.D
【详解】ABCD.不同的物质相互接触时,分子彼此进入对方现象叫做扩散,扩散说明了分子在不停地做无规则运动。闻到苯乙睛的气味,说明苯乙睛的分子在不停地做无规则运动,属于扩散现象。故A、B、C均不符合题意,D符合题意。
故选D。
【点评】本题考查了学生对分子动理论的了解与掌握,属于基础题目。
6. 等于 大于
【详解】[1]规定1标准大气压下,冰水混合物的温度为0℃,沸水的温度为100℃,所以冰熔化过程中冰水混合物的温度等于水凝固过程中冰水混合物的温度。
[2]冰是晶体,所以冰在熔化和凝固的过程中,温度不变,但是0℃的冰不能继续吸收热量,不能继续熔化,0℃的水不能继续放出热量,不能凝固,所以冰熔化过程中所需环境温度大于水凝固过程中所需环境温度。
7. 8.4×106J 1×107J 0.25 热传递
【详解】[1]将40kg的水从15°C加热到65°C,水吸收热量
Q=cm(t0-t1)=4.2×103J/(kg⋅°C)×40kg×(65°C-15°C)=8.4×106J
[2]此过程中天然气完全燃烧释放热量的84%被水吸收,则天然气完全燃烧释放热量
[3]需要消耗的天然气质量
[4]改变内能的方式有两种,分别是热传递和做功,用天然气烧水是通过热传递改变水的内能。
8. 9×10-9 光 虚 远视
【详解】[1]长度单位换算1nm=10-9m,所以9nm=9×10-9m。
[2]叶子发出微弱的光,所以是化学能转化为光能。
[3]通过凸透镜观察到如图乙中正立放大的像,则把凸透镜当放大镜用,放大镜成正立放大的虚像。
[4]远视眼成像时成到视网膜的后方,凸透镜可以用来矫正远视眼。
9. 短路 滚动 不变 变小 分子之间存在引力
【详解】(1)[1]铅笔芯具有导电性,进入电器会连接部分电路,导致电路短路。
(2)[2]笔尖是小圆珠,所以笔尖与纸张的摩擦类型属于滚动摩擦。
[3][4]采用密封式的气压笔芯,上部充有氮气,依靠气体的压力降有膜推向笔尖,所以笔芯内氮气的质量不变,书写过程中,体积变大,质量不变,根据可知,密度变小。
(3)[5]分子之间存在相互作用的引力和斥力,写字时墨汁附着在毛笔上并没有四处飞溅,是因为分子之间存在相互作用的引力。
10. 熔化 压缩 凝固 铝
【详解】[1]螺钉尖端与板材表面摩擦生热,板材局部吸热熔化,会变软。
[2]摩擦生热将机械能转化为内能,和压缩冲程相同。
[3]温度降低,液态变固态,是凝固。
[4]螺钉不能熔化,只能板材熔化,所以铜螺钉熔点高于板材,故只能是铝。
11. 2.4×1012
【详解】[1]放出热量
Q=mq=800×103kg×3×106J/kg=2.4×1012J
[2]每天可发电
[3]水质量
12. 乙 不能 安全
【详解】[1]乙是体温计的构造,温度升高后水银柱升高,不会再降回去,可以知道是否超标。
[2]外界温度高,取出温度计示数会上升,不能取出。
[3]示数为5℃,小于8℃,安全。
13. 常规 液体的热胀冷缩
【详解】[1]体温计的一个大格是1℃,一个小格是0.1℃,所以温度计的示数是37.1℃;此时他的体温为37.1℃,因此应该在常规考场考试。
[2]体温计是根据液体热胀冷缩的原理工作的。
【点睛】本题主要考查学生对液体温度计的原理及体温计读数的了解和掌握,是一道基础题。
14. 内能转化为机械能 做功
【分析】(1)根据能量的转化的特点;气体温度升高,气体的密度变小,热空气向上运动。
(2)内燃机的四个冲程有吸气冲程、压缩冲程、做功冲程、排气冲程,将机械能转化为内能的是压缩冲程,将内能转化为机械能的是做功冲程;压缩冲程和做功冲程都是通过做功的方式改变内能的。
【详解】[1][2]点燃蜡烛时,气体温度升高,气体的密度变小,热空气就会向上运动,运动的热空气推动扇叶转动,运动的热空气对外做功,将内能转化为机械能,该冲程和四冲程汽油机的做功冲程的能量转化相同。
【点睛】本题考查了能量的转化以及气体受热膨胀的特点,是一道基础题。
15. 质量 让物质受热均匀 52 错误 小于
【详解】(1)[1]要比较沙子和水的比热容,利用控制变量法要控制初始温度相同,同时质量也要相同。
(2)[2]加热的时候用玻璃棒搅拌的目的是让水和沙子受热均匀。
(3)[3]根据温度计的刻度,可知此时温度为52度。
(4)[4] 加热相同的时间,相同初始温度,相同质量的水和沙子吸收的热量是等量的,此时升高的温度不同证实它们的比热容不同。
(5)[5]根据比热容的公式可知:相同初始温度相同质量的不同物质,吸收相同热量后升高的温度越高的,其比热容越小。即沙子的比热容小于水的比热容。
16. 密度 热值 乙醇 甲醇 乙醇 甲、乙极易汽化燃烧
【分析】(1)根据天平和量筒的作用以及密度公式分析解答;
(2)相同质量的水,升高相同的温度,水吸收的热量相同,消耗燃料少的热值大;
(3)根据甲醇和乙醇的比热容、沸点以及易挥发性分析解答。
【详解】(1)[1]方案甲可以用量筒可以测量液体的体积,用天平可以测量出液体的质量,根据密度公式可以测量出液体的密度,但是它们的密度相等,所以不能鉴别这两种物质。
(2)[2][3]方案乙是燃烧这两种物质加热水,这样可以比较出它们的热值大小,可以鉴别出来这两种物质;把两相同规格烧杯内的水由常温加热到90℃时同规格燃料瓶内的液体剩余越多,说明它的热值越大,是乙醇。
(3)[4][5][6]方案丙中是比较两种物质的比热容,相同情况吸收相同的热量升温越高的物质比热容越小,是甲醇;继续加热至两种液体沸腾测出沸点,沸点高的是乙醇;因为甲、乙两种液体极易汽化燃烧,所以很危险,这种方案被明令禁止。
【点睛】本题以新冠肺炎为背景,考查了密度的测量、比热容以及热值等知识,是一道理论联系实际的好题。
17. 2000W 200V 80% 变小 变大
【详解】(1)[1]根据参数1200r/(kW·h)可知,每消耗1kW·h的电能,电能表的转盘转动1200次;电能表的转盘转动280圈,电热水壶消耗的电能
W==kW·h
电热水壶的实际功率
P==2kW=2000W
(2)[2]热水壶的电阻
R==20Ω
实际电压
U==200V
(3)[3]水的质量
m=ρV=1.0×103kg/m3×2×10﹣3m3=2kg
将这壶水加热到100℃吸收的热量
Q=cmΔt=4.2×103J/(kg·℃)×2kg×(100℃﹣20℃)=6.72×105J
消耗的电能
W=kW·h=×3.6×106J=8.4×105J
电热水壶的烧水效率
η=×100%=80%
(4)[4][5]由W=t,W相等,R不变,U变大,则t变小;因为t变小,所以散失到空气中的热量变少,而有用热量相同,额外散失的热量减少,电热水壶的烧水效率变大。
江苏省扬州市2020-2022三年中考物理真题分类汇编-05热学: 这是一份江苏省扬州市2020-2022三年中考物理真题分类汇编-05热学,共16页。试卷主要包含了单选题,多选题,填空题,实验题等内容,欢迎下载使用。
江苏省徐州市2020-2022三年中考物理真题分类汇编-05热学: 这是一份江苏省徐州市2020-2022三年中考物理真题分类汇编-05热学,共10页。试卷主要包含了单选题,填空题,简答题,实验题,综合题等内容,欢迎下载使用。
江苏省宿迁市2020-2022三年中考物理真题分类汇编-05热学: 这是一份江苏省宿迁市2020-2022三年中考物理真题分类汇编-05热学,共11页。试卷主要包含了单选题,填空题,实验题,计算题等内容,欢迎下载使用。

