2023年福建省漳州市中考化学一检试卷(含答案解析)
展开2023年福建省漳州市中考化学一检试卷
1. 2010年,克拉克瓷被列入漳州市非物质文化遗产项目,其制作的过程属于化学变化的是( )
A. 采土 B. 和泥 C. 烧坯 D. 刻字
2. 《归闲诗二十韵》中记载“芭蕉金剖润,龙眼玉生津。”芭蕉和龙眼是漳州盛产的富含磷的水果,这里的“磷”指的是( )
A. 单质 B. 元素 C. 分子 D. 原子
3. 纳米铜在室温下可拉长50多倍而不出现裂纹,是利用了它的( )
A. 导电性 B. 延展性 C. 硬度大 D. 导热性
4. 下列实验操作错误的是( )
A. 向上排空气法 B. 倾倒液体
C. 检查装置气密性 D. 过滤装置
5. 化学与人类的生活关系密切。下列物质的性质和用途对应关系不正确的是( )
A. 生石灰能与水反应——食品干燥剂 B. 氧气具有助燃性——燃料
C. 洗涤剂具有乳化功能——去除油污 D. 活性炭有吸附性——冰箱去味剂
6. 家庭装修中残留的甲醛对人体有害,一种新型催化剂可用于去除残留的甲醛,该反应过程的微观示意图如下。下列说法正确的是( )
A. 反应前后原子种类不变 B. 甲中碳元素的质量分数最大
C. 丙的化学式是 D. 丁中含有氢分子
7. 2023年1月15日辽宁浩业化工厂因碳氢化合物泄露燃烧,发生爆炸。下列说法不正确的是( )
A. 泄露的碳氢化合物属于可燃物
B. 发生重大火灾时,应立即拨打119火警电话
C. 消防员用水枪灭火,降低了可燃物的着火点
D. 工厂存放易燃易爆物时,要禁止明火
8. 下列化学方程式,书写不正确的是( )
A. B.
C. D.
9. NaCl和在不同温度时的溶解度如下表。下列说法错误的是( )
温度 | 0 | 20 | 40 | 60 |
NaCl的溶解度 | ||||
的溶解度 | 110 |
A. 时,NaCl的溶解度是
B. 时,NaCl饱和溶液的溶质质量分数小于
C. 与NaCl的溶解度曲线的交点介于之间
D. 的饱和溶液变成不饱和溶液,可以通过降温实现
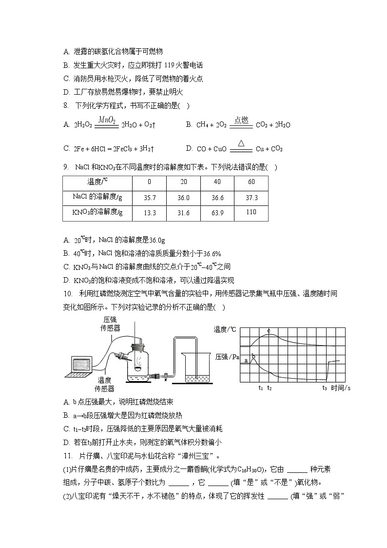
10. 利用红磷燃烧测定空气中氧气含量的实验中,用传感器记录集气瓶中压强、温度随时间变化如图所示。下列对实验记录的分析不正确的是( )
A. b点压强最大,说明红磷燃烧结束
B. 段压强增大是因为红磷燃烧放热
C. 时段,压强降低的主要原因是氧气大量被消耗
D. 若在前打开止水夹,则测定的氧气体积分数偏小
11. 片仔癀、八宝印泥与水仙花合称“漳州三宝”。
片仔癀是名贵的中成药,主要成分之一麝香酮化学式为,它由 ______ 种元素组成,分子中碳、氢原子个数比为 ______ ,它 ______ 填“是”或“不是”氧化物。
八宝印泥有“燥天不干,水不褪色”的特点,体现了它的挥发性 ______ 填“强”或“弱”,也体现了它的化学性质 ______ 。
盛开的水仙花芬芳馥郁,满屋飘香,主要说明分子具有 ______ 的性质。
12. 原子钟是北斗卫星导航定位系统的心脏。我国是第一个氢、铷、铯三种原子钟同时具备上天能力的国家。氢元素、铷元素和铯元素的相关信息如图,请回答下列问题:
表示 ______ 。
图中______ ;铷原子易电子,形成离子的符号是 ______ 。
铯属于 ______ 填“金属”或“非金属”元素,其相对原子质量是 ______ 。
13. 实验室配制50g某浓度的溶液,需要用到8g的硫酸铜晶体,配制过程如下所示。请回答:
实验需选择的量筒规格是 ______ 填“25”、“50”或“100”。
称量过程中,天平指针偏向右盘,此时需要进行的操作是 ______ 。
实验中用玻璃棒搅拌的目的是 ______ 。
图示中正确的操作顺序是 ______ 。
A.④②⑤①③
B.①②③④⑤
C.①②④③⑤
D.④⑤②③①
《神农本草经》记载了“石胆能化铁为铜”石胆是硫酸铜。该反应的化学方程式是 ______ ,该反应的基本类型是 ______ 反应。
14. 丰富多彩的中华文物记录着中华文明的传承。
文物认识:“铁狮子”比“马踏飞燕”更加锈迹斑斑的原因是 ______ 。制作“马踏飞燕”的材料不用纯铜,是因为纯铜的硬度比青铜 ______ 填“大”或“小”。
文物锈蚀:铜暴露在潮湿的空气中,能与氧气、 ______ 和 ______ 反应生成铜绿。1953年江苏周处墓出土的铝饰品至今保存良好的原因是 ______ 用化学方程式表示。
文物修复:某方法去除文物上铁锈的步骤之一,是将铁锈的主要成分用氢气在一定温度下还原成氧化亚铁和水,该步骤中化合价发生变化的元素有 ______ 种。
15. 我国“十四五”规划明确提出力争2030年前实现“碳达峰”,2060年前实现“碳中和”。人们可以通过对二氧化碳的捕集与利用等实现碳减排。
碳排放
大量燃烧煤、天然气等化石燃料产生的二氧化碳引发的主要环境问题是 ______ 。
碳减排
自然界通过植物的 ______ 实现碳的固定。
清华大学研究人员成功研制出一种纳米纤维催化剂,可将二氧化碳转化成液体燃料——甲醇,其流程如图所示。
光伏发电是将太阳能转化成 ______ 能;流程中产生氢气的化学方程式为 ______ ;制取甲醇的反应中,氢气和二氧化碳的分子个数比是 ______ 。
16. 如图是实验室常用的仪器,根据要求回答:
仪器a的名称是 ______ 。
实验室用高锰酸钾制取氧气,选择了仪器e、g,还需要仪器 ______ ,其反应的化学方程式是 ______ 。
实验室制取二氧化碳的药品是 ______ 和 ______ ,发生装置不需要选择仪器d的原因是 ______ ,其反应的化学方程式是 ______ 。
17. 航天员王亚平在“天宫课堂”上做的“太空泡腾片实验”,激发了同学们的探究欲,社团小组为此展开了相关的项目式学习。
任务一:探究维C泡腾片注入水后生成的气体是什么
查阅资料1:泡腾片放入水中,其中的柠檬酸和碳酸氢钠立即反应,产生大量气泡,状如沸腾,故名泡腾片。
将生成的气体通入 ______ ,观察到 ______ 的现象,说明气泡中含有。小梅认为气体中还可能有CO,小强认为不可能,小强的理由是 ______ 。
任务二:探究维C泡腾片中碳酸氢钠的含量
社团小组在老师的引导下设计了如下实验。已知浓硫酸可以吸收水蒸气,碱石灰可以吸收和水蒸气
实验步骤如下:
①检查装置气密性,称量干燥管a的质量;
②先通一段时间氮气,连接干燥管a、b;
③推动注射器活塞,将水注入容器中;
④待反应结束,再通入一段时间氮气;
⑤再次称量干燥管a,质量增加了。
柠檬酸和碳酸氢钠反应生成了气体,还生成柠檬酸钠和。写出该反应的化学方程式。 ______ 。
步骤④通入氮气的目的是 ______ ;该实验中的氮气不能用空气替代,理由是 ______ 。
维C泡腾片中碳酸氢钠的含量为 ______ ;若缺少干燥管b,则实验测定结果会 ______ 填“偏高”或“偏低”。
任务三:探究维C泡腾片无水时为什么不产生气体
查阅资料2:泡腾片制作过程中,需将柠檬酸等酸性物料和碳酸氢钠等碱性物料分别用聚乙二醇包裹成粒,混合均匀,压缩成片。
用聚乙二醇包裹的目的是 ______ ;根据实验可推断出聚乙二醇的物理性质是 ______ 。
任务二中步骤③水的作用是 ______ 。
18. 《天工开物》记载了“火法炼锌”,其主要反应为,现有270t含的菱锌矿,用该方法冶炼可制得锌的质量是多少?
答案和解析
1.【答案】C
【解析】解:A、采土没有新物质生成,属于物理变化;故选项错误;
B、和泥没有新物质生成,属于物理变化;故选项错误;
C、烧坯,燃烧属于化学变化;故选项正确;
D、刻字没有新物质生成,属于物理变化;故选项错误;
故选:C。
有新物质生成的变化叫化学变化,没有新物质生成的变化叫物理变化,采土、和泥、刻字都属于物理变化。化学变化的特征是:有新物质生成。判断物理变化和化学变化的依据是:是否有新物质生成。
本考点考查了物理变化和化学变化的区别,基础性比较强,只要抓住关键点:是否有新物质生成,问题就很容易解决。本考点主要出现在选择题和填空题中。
2.【答案】B
【解析】解:枇杷中富含磷的水果,这里的“磷”不是以单质、分子、原子、离子等形式存在,这里所指的“磷”是强调存在的元素,与具体形态无关。
故选:B。
食品、药品、营养品、矿泉水、枇杷等物质中的“钾、磷、铁、钙等不是以单质、分子、原子、离子等形式存在,而是指元素,通常用元素及其所占质量质量分数来描述。
本题难度不大,主要考查元素与微观粒子及物质的区别,加深对元素概念的理解是正确解答此类试题的关键。
3.【答案】B
【解析】解:纳米铜在室温下可拉长50多倍而不出现裂纹,是利用了它的延展性。
故选:B。
根据金属的物理性质和用途,进行分析判断。
本题难度不大,物质的性质决定物质的用途,了解常见金属的物理性质和用途是正确解答此类题的关键。
4.【答案】D
【解析】解:A、向上排空气法收集时,集气瓶口向上,导气管伸到集气瓶的底部,故操作正确;
B、取用液体药品,试管要紧靠试剂瓶口倾倒,瓶塞要倒放,标签要向着手心,故操作正确;
C、检查装置的气密性的方法是先将导管放入水中,然后用手握住试管外壁,观察导管口是否有气泡冒出,故操作正确;
D、过滤时应用玻璃棒引流,故操作错误。
故选:D。
根据常见实验操作的方法和注意事项进行解答.
化学实验的基本操作是做好化学实验的基础,学生要在平时的练习中多操作,掌握操作要领,使操作规范.
5.【答案】B
【解析】解:A、生石灰能与水反应,因此生石灰可用作食品干燥剂,对应正确;
B、氧气具有助燃性,没有可燃性,不能做燃料,对应错误;
C、洗涤剂具有乳化功能,因此可用洗涤剂去除油污,对应正确;
D、活性炭具有吸附性,因此活性炭可用作冰箱去味剂,对应正确。
故选:B。
物质的性质决定物质的用途,根据常见物质的性质与用途,进行分析解答。
本题难度不大,物质的性质决定物质的用途,了解常见化学物质的性质和用途是正确解答此类题的关键。
6.【答案】A
【解析】解:据题目信息结合微观示意图可写出反应的方程式为:。
A、由质量守恒定律可知,反应前后原子种类不变,选项说法正确;
B、甲为,碳、氢、氧三种元素的质量比是12:::1:8,所以甲中氧元素的质量分数最大,选项说法不正确;
C、由分子的模型图可知,丙的化学式是,选项说法不正确;
D、由分子的模型图可知,丁为水,水中不含有氢分子,选项说法不正确。
故选:A。
根据化学反应的微观过程、物质的微观构成及质量守恒定律,分析反应物、生成物,写出反应的化学方程式,据此再根据方程式的意义、微粒的构成和变化等分析有关的问题。
本题在解答时,首先根据反应的微观示意图及物质的微观构成示意图,写出反应的方程式,再根据反应的方程式,进行分析判断比较简单。
7.【答案】C
【解析】解:A、泄露的碳氢化合物属于可燃物,说法正确;
B、发生重大火灾时,应立即拨打119火警电话,说法正确;
C、消防员用水枪灭火,降低了可燃物的温度至可燃物的着火点以下,说法错误;
D、工厂存放易燃易爆物时,要禁止明火,以防发生危险,说法正确。
故选:C。
A、根据物质的性质分析;
B、根据发生重大火灾时的处理方法来分析;
C、根据灭火的方法与原理来分析;
D、根据防范爆炸的做法来分析。
要想解答好这类题目,要理解和熟记易燃物和易爆物安全知识,以及与之相关的知识。
8.【答案】C
【解析】解:A、该化学方程式书写完全正确。
B、该化学方程式书写完全正确。
C、铁和盐酸反应生成氯化亚铁和氢气,正确的化学方程式为:。
D、该化学方程式书写完全正确。
故选:C。
根据化学方程式判断正误的方法需考虑:应用的原理是否正确;化学式书写是否正确;是否配平;反应条件是否正确;和的标注是否正确。
本题难度不大,在解此类题时,首先分析应用的原理是否正确,然后再根据方程式的书写规则进行判断;化学方程式正误判断方法是:先看化学式是否正确,再看配平,再看反应条件,再看气体和沉淀,最后短线改成等号。
9.【答案】D
【解析】解:A、由表格数据可知,时,NaCl的溶解度是,故选项说法正确。
B、时,NaCl的溶解度是,时,NaCl饱和溶液的溶质质量分数,故选项说法正确。
C、时氯化钠的溶解度大于硝酸钾,时氯化钠的溶解度小于硝酸钾,则与NaCl的溶解度曲线的交点介于之间,故选项说法正确。
D、硝酸钾的溶解度随着温度的升高而增大,的饱和溶液变成不饱和溶液,不能通过降温实现,因为温度降低,硝酸钾的溶解度减小,有硝酸钾晶体析出,溶液仍为饱和溶液,故选项说法错误。
故选:D。
A、根据NaCl和在不同温度时的溶解度表,进行分析判断。
B、根据饱和溶液中溶质质量分数,进行分析判断。
C、根据时氯化钠的溶解度大于硝酸钾,时氯化钠的溶解度小于硝酸钾,进行分析判断。
D、根据硝酸钾的溶解度随着温度的升高而增大,进行分析判断。
本题难度不大,掌握饱和溶液中溶质质量分数、饱和溶液转化为不饱和溶液的方法等是正确解答本题的关键。
10.【答案】A
【解析】解:A、红磷燃烧放热,温度升高,随着反应的进行,氧气被消耗,压强逐渐减小,至时,放出的热量最多;b点压强最大,不能说明红磷燃烧结束,故选项说法错误。
B、段压强增大是因为红磷燃烧放热,故选项说法正确。
C、时段,压强降低的主要原因是氧气大量被消耗,故选项说法正确。
D、若在前打开止水夹,此时剩余的气体在受热状态下,处于膨胀状态,占据了部分水的体积,则测定的氧气体积分数偏小,故选项说法正确。
故选:A。
在装有空气的密闭容器中,欲用燃烧法测定空气中氧气含量,该实验一般要注意以下几点:①装置的气密性好;②所用药品必须是足量;③读数时一定要冷却到原温度;④所选除氧剂要具备以下特征:本身能够在空气中燃烧只能与空气中的氧气反应;本身的状态为非气体;生成的物质为非气态;据此进行分析解答。
本题难度不大,掌握用燃烧法测定空气中氧气含量的实验原理、注意事项等是正确解答本题的关键。
11.【答案】3 8:15 不是 弱 稳定 不断运动
【解析】解:麝香酮化学式为,它由碳、氢、氧三种元素组成,分子中碳、氢原子个数比为16::15,氧化物是由两种元素组成的,且其中有一种元素是氧元素的化合物,因此它不是氧化物;故答案为:3;8:15;不是;
八宝印泥有“燥天不干,水不褪色”的特点,体现了它的挥发性弱,也体现了它的化学性质稳定;故答案为:弱;稳定;
盛开的水仙花芬芳馥郁,满屋飘香,主要说明分子具有在不断运动的性质;故答案为:不断运动。
根据化学式的意义以及氧化物的概念来分析;
根据物质的性质来分析;
根据分子的性质来分析。
本题难度不大,掌握物质的组成与结构、物质的性质以及分子的性质是解题的关键。
12.【答案】2个氢原子 金属
【解析】解:表示2个氢原子;
原子中核电荷数=核外电子数,,图中;铷原子最外层只有1个电子,在化学反应中易失去1个电子,形成离子的符号是;
铯字带有“钅”字旁,属于金属元素,其相对原子质量是;
故答案为:
个氢原子;
;失;;
金属;。
元素周期表一格中信息:左上角数字表示原子序数,右上角符号表示元素符号,中间汉字表示元素名称,方格下面的数字表示相对原子质量。粒子结构示意图的含义:小圈和圈内的数字表示原子核和核内质子数,弧线表示电子层,弧线上的数字表示该层的电子数,据以上分析解答。
本题考查了元素周期表的特点及其应用等相关知识,掌握周期表的结构特点及原子结构知识即可解答。
13.【答案】50 往左盘继续加入硫酸铜晶体至天平平衡 加速溶解 置换
【解析】解:需要配制50g溶液,称取8g晶体,则需要42g水,选择50mL的量筒,故答案为:50;
天平称量时,天平向右偏,此时应该往左盘继续加入硫酸铜晶体至天平平衡,故答案为:往左盘继续加入硫酸铜晶体至天平平衡;
溶解时,搅拌的作用是加速溶解,故答案为:加速溶解;
配制溶液的步骤是计算、取用药品、称量、量取、溶解、搅拌,装瓶,故答案为:A;
铁和硫酸铜反应生成硫酸亚铁和铜,化学方程式为,该反应是一种单质和一种化合物反应生成另一种单质和另一种化合物,属于置换反应,故答案为:;置换。
根据量筒选择的依据进行分析;
根据天平使用的方法进行分析;
根据溶解的操作进行分析;
根据配制溶液的步骤进行分析;
根据铁和硫酸铜的反应进行分析。
本题主要考查学生配制溶液的方法及步骤的掌握,难度不大。
14.【答案】铁比铜更活泼,更容易被氧化 小 二氧化碳 水 2
【解析】解:马踏飞燕的主要成分为铜,而铁狮子的主要成分是铁,铁比铜金属活动性强,更易被氧化,合金的硬度大于其成分金属,因此纯铜的硬度比青铜小,故答案为:铁比铜更活泼,更容易被氧化;小;
铜绿中含有铜、氧、氢、碳元素,根据化学反应前后元素种类不变,则铜生锈与空气中的氧气、二氧化碳和水有关,铝和氧气反应生成氧化铝,化学方程式为,故答案为:二氧化碳;水;;
反应前后氧元素的化合价都为价,反应前后铁元素由价变为价,氢元素由0价变为价,则化合价变化的元素有2种,故答案为:2。
根据金属活动性和合金的特性进行分析;
根据化学反应前后元素种类不变及铝和氧气的反应进行分析;
根据化合价的计算方法进行分析。
合金的硬度比组成它的纯金属大;
化合物中各元素的正负化合价代数和为零。
15.【答案】加剧了温室效应 光合作用 电 :1
【解析】解:大量燃烧煤、天然气等化石燃料产生的二氧化碳,使温室效应加剧;
二氧化碳与水在光照、叶绿素的作用下生成葡萄糖和氧气,因此自然界通过植物的光合作用实现了碳的固定;
电解水得到氢气和氧气,反应的化学方程式为;;二氧化碳与氢气在催化剂的作用下反应生成甲醇和水,反应的方程式为:;因此制取甲醇的反应中,氢气和二氧化碳的分子个数比是3:1。
故答案为:
加剧了温室效应;
光合作用;
电;;3:1。
从二氧化碳引起的温室效应角度进行分析;
根据光合作用原理进行分析;
电解水得到氢气和氧气,据此写出反应的化学方程式;二氧化碳与氢气在催化剂的作用下反应生成甲醇和水,据此写出反应的方程式,并据方程式判断氢气和二氧化碳的分子个数比。
本题考查了二氧化碳对环境的影响、自然界中的碳循环等相关知识,掌握学科基础知识即可解答。
16.【答案】锥形瓶 石灰石或大理石 稀盐酸 反应不需要加热
【解析】解:仪器a的名称是锥形瓶,故答案为:锥形瓶;
高锰酸钾制取氧气,选择固固加热制取气体装置,选择了仪器e、g,说明利用排水法进行收集,因此选择的仪器是bcdefgh,反应的化学方程式为,故答案为:
bcdh;;
实验室利用石灰石或大理石与稀盐酸制取二氧化碳,反应不需要加热,因此不用酒精灯,反应的化学方程式为,故答案为:石灰石或大理石;稀盐酸;反应不需要加热;。
根据常见仪器的名称进行分析;
根据高锰酸钾制取氧气的原理进行分析;
根据实验室制取二氧化碳的原理进行分析。
本题主要考查学生对实验室制取氧气和二氧化碳原理的掌握及制取装置的选择,难度不大。
17.【答案】澄清石灰水 澄清石灰水变浑浊 一氧化碳有毒 将反应产生的气体全部推入a装置 空气中含有二氧化碳和水蒸气,会被碱石灰吸收,影响实验 21 偏高 将酸性物料和碱性物料隔开 可溶于水 溶解聚乙二醇,使碳酸氢钠和柠檬酸反应
【解析】解:二氧化碳能使澄清的石灰水变浑浊,所以将生成的气体通入澄清的石灰水中,观察到的现象澄清的石灰水变浑浊,说明气泡中含有。由于维C泡腾片属于药物,一氧化碳有毒,所以不会产生;
柠檬酸和碳酸氢钠反应生成二氧化碳、柠檬酸钠和。该反应的化学方程式为;
氮气的化学性质稳定,步骤④通入氮气的目的是将反应产生的气体全部推入a装置;空气中含有二氧化碳和水蒸气,会被碱石灰吸收,影响实验,该实验中的氮气不能用空气替代;
设维C泡腾片中碳酸氢钠的含量为x。
;
252 132
若缺少干燥管b,空气中含有二氧化碳和水蒸气,会被a处碱石灰吸收,则实验测定结果会偏高;
用聚乙二醇包裹的目的是将酸性物料和碱性物料隔开;根据实验可推断出聚乙二醇的物理性质是可溶于水;
步骤③水的作用是溶解聚乙二醇,使碳酸氢钠和柠檬酸反应。
故答案为:澄清石灰水;澄清石灰水变浑浊;一氧化碳有毒;
;
将反应产生的气体全部推入a装置;空气中含有二氧化碳和水蒸气,会被碱石灰吸收,影响实验;
;偏高;
将酸性物料和碱性物料隔开;可溶于水;
溶解聚乙二醇,使碳酸氢钠和柠檬酸反应。
根据二氧化碳的验证和一氧化碳的性质分析;
根据柠檬酸和碳酸氢钠反应生成二氧化碳、柠檬酸钠和分析;
根据氮气的化学性质稳定分析;
根据生成的二氧化碳的质量结合化学方程式计算;
根据药品接触才可发生反应分析;
根据加水使泡腾片中的成分反应分析。
本题主要考查物质的性质,解答时要根据各种物质的性质,结合各方面条件进行分析、判断,从而得出正确的结论。
18.【答案】解:设生成的锌的质量为x。
81 65
答:锌的质量是130t。
【解析】根据反应的化学方程式及其提供数据可以进行相关方面的计算和判断。
本题主要考查学生进行计算和推断的能力,计算时要注意规范性和准确性。
2023年福建省莆田市涵江区中考化学一检试卷含答案解析: 这是一份2023年福建省莆田市涵江区中考化学一检试卷含答案解析,共25页。
2023年福建省宁德市中考化学一检试卷(含解析): 这是一份2023年福建省宁德市中考化学一检试卷(含解析),共19页。
2023年福建省漳州市中考化学一检试卷(含答案解析): 这是一份2023年福建省漳州市中考化学一检试卷(含答案解析),共14页。试卷主要包含了 下列实验操作错误的是, 化学与人类的生活关系密切等内容,欢迎下载使用。

