所属成套资源:中考物理二轮复习实验通关练习 (含答案)
中考物理二轮复习实验通关练习 (9)探究光反射的规律 (含答案)
展开
这是一份中考物理二轮复习实验通关练习 (9)探究光反射的规律 (含答案),共8页。
中考物理一轮复习实验通关练习 (9)探究光反射的规律1.如图所示是“探究光的反射规律”的实验装置,一可沿折叠的白色硬纸板垂直放置在平面镜上,使光线紧贴硬纸板射向镜面O点,为了研究反射角与入射角之间的关系,实验时应进行的操作是( )
A.绕前后转动板E B.绕前后转动板FC.改变光线与之间的夹角 D.改变光线与之间的夹角2.如图是小科探究光的反射定律和相关实验的过程。下列叙述正确的是( )A.图甲中应选用光滑的硬纸板硬纸板B.图甲中是入射角C.图乙中反射光不存在D.图丙、甲中现象说明光路是可逆的3.如图所示,小易利用激光灯、可折转的光屏、平面镜等器材探究光的反射定律。下列说法正确的是( )A.光屏能显示光路,是因为发生了镜面反射B.将左侧光屏向后折转,是为了探究“反射光线、入射光线与法线是否在同一平面内”C.验证“光路可逆”时必须用两个激光灯D.验证“反射角等于入射角”时,入射角不能为4.“探究光的反射规律”的实验装置如图甲所示,平面镜放在水平桌面上,标有刻度(图中未画出)的白色纸板能绕垂直于的轴翻转,在纸板上安装一支可在纸板平面内自由移动的激光笔.
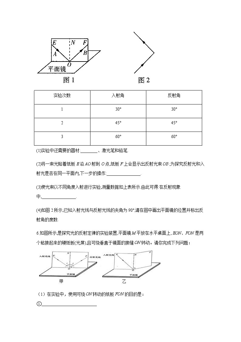
(1)实验前,应将纸板_____放置于平面镜上;移动激光笔,使入射光束绕入射点O沿逆时针方向转动,可观察到反射光束沿______时针方向转动.(2)移动激光笔,使入射角为45°,测得反射角也为45°,由此就得出“光反射时,反射角等于入射角”的结论.你认为有何不妥之处?__________________.(3)如图乙所示,将纸板右半部分绕向后翻转任意角度,发现纸板上均无反射光束呈现,此现象说明__________________.(4)在图甲中,若将纸板(连同激光笔)绕向后倾斜,此时反射光束______(选填字母符号).A.仍在纸板上呈现 B.被纸板挡住 C.在纸板前方5.在“探究光的反射规律”实验中,平面镜水平放置,白色纸板竖直立在平面镜上,纸板由两部分组成,可绕竖直接缝翻转,如图1所示.
实验次数入射角反射角130°30°245°45°360°60°(1)实验中还需要的器材:________、激光笔和铅笔.(2)将一束光贴着纸板E沿射到O点,纸板F上会显示出反射光束;为探究反射光和入射光是否在同一平面内,下一步的操作:________________.(3)使光束以不同角度入射进行实验,测量数据如上表所示.由此可得:在反射现象中,________________.(4)如图2所示,已知入射光线与反射光线的夹角为90°,请在图中画出平面镜的位置并标出反射角的度数.6.如图所示,是探究光的反射定律的实验装置,平面镜M平放在水平桌面上,是两个粘接起来的硬纸板(光屏),且可绕垂直于镜面的接缝转动。请你完成下列问题:
(1)在实验中,使用可绕转动的纸板的目的是:
①__________________________
②__________________________(2)如图甲,当硬纸板在同一平面上时,让入射光从空气中沿AO贴着纸板射向平面镜在纸板上可以看到反射光沿返回到空气中,实验时从光屏前面不同的方向都能看到光的传播路这是因为光在光屏上发生_______(选填“镜面”或“漫”)反射。(3)如图乙,把纸板向后折转一的角度,则在板上______(填“能”或“不能”)看到反射光路,此时,反射光线与入射光线_______(填“在”或“不在”)同一平面内。(4)在实验过程中,如果使一束光着纸板入射到O点,如果纸板上没有观察到其对应射光,其原因可能是_____________________。7.为了“探究光反射时的规律”,实验小组的同学选用了平面镜、纸板、激光器和几种不同颜色的笔,依据教材设计了如图所示的实验.
(1)实验中还需要的器材是_________.(2)实验中为了使光线能在纸板上显示出来,方便实验研究,你应该采取的操作是______.A.向纸板喷烟或雾B.使光束垂直纸板射到O点C.使光束贴着纸板射到O点(3)改变光束入射的角度,多做几次,换用不同颜色的笔记录每次光的径迹.取下纸板,测量两侧的和,将数据记录在表中,根据数据得出的结论是____________________.(4)若将一束光贴着纸板沿方向射到O点,光将沿图中的方向射出,因为在反射现象中_________________.8.如图所示,是小华同学在探究光的反射定律时组装的实验装置,M是一水平放置的小平面镜,上面竖立着一块半圆形的屏。屏是由两个大小相同的扇形面连接而成的。E与镜子M固定在一起,F可绕缝转动, 接缝与镜子M垂直,让一束光线沿照到平面镜M上。回答下列问题:(1)在图甲中,实验时前后转动F面,这样操作是为了探究_________________。(2)在图乙中,要探究反射角与入射角的关系,应改变________与法线的夹角,探究结果是:反射角_________入射角。(选填“等于”、“大于”或“小于”)(3)当入射光线沿法线入射时,反射角是__________。
答案以及解析1.答案:C解析:此题是“探究光的反射规律”的实验装置,先让一束光贴着纸板沿某一个角度射到O点,量出入射角和反射角的度数,然后改变光束的入射方向,使入射角减小或增大,即改变光线与之间的夹角,再量出入射角和反射角的度数,与前一次实验量出的结果进行比较,即可发现反射角和入射角关系,故选C.2.答案:D3.答案:B解析:光屏能显示光路,是因为发生了漫反射:为了探究“反系光线、入射光线与法线是否在同一平面内”,要向后折反射光 线的那侧光屏,即左侧光屏:验证“光路可逆"时,如果让光线逆着反射的方向射向镜面,这时的入射角为原来的反射角,看这时 的反射角是否为原来的入射角,从而验证光路是否可逆,用笔在 屏上画出即可,不必用两个激光灯;入射角等于0°时,即入射光 线与镜面垂直,反射光线也垂直于镜面射出,反射光线、入射光 线、法线在一条直线上,故验证“反射角等于入射角”时,入射角 可以为0°。故选B。4.答案:(1)垂直;顺(2)仅凭一次实验数据得到的结论具有偶然性(3)反射光线、入射光线和法线在同一平面内(4)C5.答案:(1)量角器(2)将纸板F向后(或向前)翻折(3)反射角等于入射角(4)如图所示.
解析:(1)在实验过程中需要比较反射角和入射角的大小关系,因此还需要的器材是量角器.(2)为了探究反射光和入射光是否在同一平面内,应将纸板F沿接缝向后(或向前)翻折,观察此时纸板F上是否有反射光.(4)首先作入射光线和反射光线夹角的角平分线,则角平分线所在直线就是法线,然后过入射点作法线的垂线,即可确定平面镜所在位置.由于反射角和入射角相等,且两角之和为90°,故反射角为45°.6.答案:(1)呈现反射光线;验证反射光线与入射光线及法线在同一平面内(2)漫(3)不能;在(4)纸板与不在同一平面上(纸板没有与平面镜垂直)解析:(1)可绕ON转动的纸板的主要作用是:①呈现反射光线,②探究反射光线与入射光线及法线是否在同一平面内。(2)实验时从光屏前不同的方向都能看到光的传播路径,说明反射光线不平行,能像各个方向传播,光发生了漫反射。(3)由于入射光线、法线、反射光线在同一平面内,所以当两块板共面时,可以在光屏上看到反射光;若将F板向后折转一定的角度,则在F板上不能看到反射光,在光屏上不能看到反射光,但此时的入射光线、反射光线仍在同一平面内;(4)反射光线、入射光线和法线在同一平面内,若实验中未将纸板与平面镜垂直,纸板FON上没有观察到反射光,可能是纸板未与平面镜垂直放置或纸板EON与FON不在同一平面上7.答案:(1)量角器(2)C(3)反射角等于入射角(4)光路可逆解析:(1)把实验器材分成两类,一类是操作图中画出的,一类是没有画出的.对比已给出的器材可发现,实验还需要的器材是量角器.(2)使光束贴着纸板射向O点是最好的,可使光线在纸板上显示出来,且方便在纸板上记录光线的径迹.(3)为入射角,为反射角,根据表格中的数据可总结出:反射角等于入射角.(4)光逆着原反射光线的方向入射时,会沿原入射光线方向射出,这种现象称为光路可逆.8.答案:(1)反射光线与入射光线是否在同一平面上(2);等于(3)0解析:(1)转动F面是为了探究反射光线和入射光线是否在同一平面上。(2)因为反射角是随着入射角的改变而改变,故应改变入射光线即与法线的夹角。
反射角等于入射角。(3)入射光线延法线入射时,反射光线也与法线重合,方向和入射光线相反,故反射角为0°。
相关试卷
这是一份中考物理二轮复习实验通关练习(12)探究凸透镜成像的规律 (含答案),共9页。试卷主要包含了0 cm B等内容,欢迎下载使用。
这是一份中考物理二轮复习实验通关练习(9)探究小孔成像实验 (含答案),共10页。试卷主要包含了0 cm,则物像是等大的等内容,欢迎下载使用。
这是一份中考物理二轮复习实验通关练习 (17)探究不同物质的热值 (含答案),共8页。试卷主要包含了小明想比较不同燃料的热值,比较不同燃料的热值实验等内容,欢迎下载使用。

