2023年浙江省中考科学二轮专题:实验探究题专项训练四
展开2023年中考实验探究题专项训练四
一.实验探究题(共30小题)
1.某小组同学在进行“伏安法”测电阻实验时,连接了如图甲所示的电路,闭合开关,移动滑动变阻器滑片,多次测量并记录实验数据。小组同学将第一次实验测得的数据绘制成图乙中的a、b、c,发现电压表未调零。将电压表调零后,重做实验,第二次测量数据如图乙中的A、B、C。
(1)图丙是该小组在一次测量中的电流表指针位置,其示数为 安。
(2)分析图乙中的第二次测量数据,待测电阻的阻值是 欧。(结果保留一位小数)
(3)小组同学讨论发现,利用第一次的测量数据,能求出第一次实验中电压表接入电路前指针所指的刻度值,也能求出被测电阻的阻值。分析图乙,写出第一次实验电压表接入电路前指针所指的刻度值,并说明理由。 。
2.某科学兴趣小组在测量额定电压为2.5V的小灯泡灯丝电阻时发现,小灯泡两端的电压越大,测得电阻的阻值也越大。针对上述现象,同学们进行如下研究:
【建立假设】①灯丝两端的电压增大导致电阻增大;
②灯丝的温度升高导致电阻增大。
【实验器材】干电池2节,额定电压为2.5V的小灯泡1只,电流表1个,电压表1个,滑动变阻器1个,开关1个,装满水的塑料瓶,导线若干。
【实验方案】
次数
1
2
3
4
5
电压/V
电流/A
电阻/Ω
①按图连接好电路,将灯丝插入瓶口浸入水中,使灯丝的温度保持不变;
②闭合开关S,读出电压表和电流表示数,记录在表格中;
③多次改变滑动变阻器的阻值,重复步骤②。
连接电路时,电压表量程选择0~3V而不是0~15V的目的是 。
【得出结论】若假设①被否定,则实验中得到的结果是 。
【交流反思】进一步探究发现,灯丝电阻改变的本质原因是灯丝温度的变化。自然界在呈现真相的同时,也常会带有一定假象,同学们要善于透过现象看本质。例如,用吸管吸饮料表面上看是依靠嘴的吸力,而本质是依靠 。
3.小宁用如图所示电路研究电阻的并联。
(1)按电路图连接电路,闭合开关S,电流表A1、A2、A3的示数分别为0A、0.40A和1.20A。如果电路元件完好,接线时发生了错误,该错误是 。
(2)使用电流表时,当被测电流值大于电流表量程的一半时,能减小实验误差。本实验所用电源电压为8V,电流表有两个量程(0~0.6A、0~3A)。为减小实验误差,小宁重新选择定值电阻,实验室里可供选择的定值电阻的阻值有:5Ω、10Ω、20Ω、50Ω,应该选用的2个电阻阻值分别为 。
4.学习了并联电路特点和欧姆定律后,科学兴趣小组为研究并联电路总电阻和各分电阻之间的关系,开展了以下探究。
实验次数
电阻R1/Ω
电阻R2/Ω
电压U/V
电流I/A
总电阻R/Ω
1
10
30
3
0.4
7.5
2
30
30
3
0.2
15
3
30
15
3
0.3
10
【实验步骤】
①设计电路,根据电路图连接实物;
②闭合开关,分别读出电压表和电流表的示数并记录;
③计算总电阻并填入表格;
④换用不同规格的电阻重复上述实验。
请你在答题卷中用笔画线代替导线,将实物图连接完整。
【得出结论】并联电路总电阻小于任何一个分电阻。
【思考讨论】
①请根据影响导体电阻大小的因素解释上述结论。
②分析表中数据,若增大其中一个分电阻的阻值,则总电阻将 。
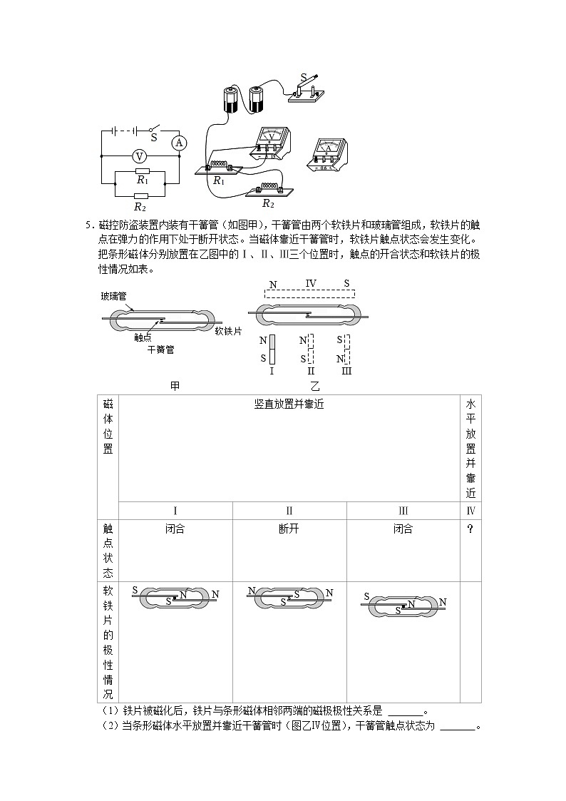
5.磁控防盗装置内装有干簧管(如图甲),干簧管由两个软铁片和玻璃管组成,软铁片的触点在弹力的作用下处于断开状态。当磁体靠近干簧管时,软铁片触点状态会发生变化。把条形磁体分别放置在乙图中的Ⅰ、Ⅱ、Ⅲ三个位置时,触点的开合状态和软铁片的极性情况如表。
磁体位置
竖直放置并靠近
水平放置并靠近
Ⅰ
Ⅱ
Ⅲ
Ⅳ
触点状态
闭合
断开
闭合
?
软铁片的极性情况
(1)铁片被磁化后,铁片与条形磁体相邻两端的磁极极性关系是 。
(2)当条形磁体水平放置并靠近干簧管时(图乙Ⅳ位置),干簧管触点状态为 。
(3)如图丙,门上磁控防盗装置内有一个竖直放置的干簧管,其内部简化电路如图丁,磁控防盗装置的工作原理是:夜间关上门,闭合开关S,启动防盗报警器,此时报警电铃不响;当盗贼打开门时,干簧管远离磁体,电铃响起。图丁虚线中四种磁体摆放方式能满足工作要求的有 (选填图中的字母)。
6.为研究甲状腺激素对蝌蚪生长发育的影响,小金将同种同时孵化的、体长约为20mm的蝌蚪各15只分别放入1~4号玻璃缸中进行实验,其实验过程与结果如下表所示:
玻璃缸编号
放入的试剂及用量(连续投放7天)
第3天观察结果
第7周观察结果
存活数
平均体长(mm)
四肢生长情况
存活数
平均体长(mm)
四肢生长情况
1
甲状腺激素6mg/天
15
26
均出现后肢
0
2
甲状腺激素2mg/天
15
26.5
均出现后肢
15
1只发育成10mm的青蛙,14只均出现前、后肢
3
甲状腺抑制剂30mg/天
15
20
未出现前、后肢
15
21
均出现后肢
4
不加任何药剂
15
20
未出现前、后肢
15
30
均出现后肢
第8周时,2号玻璃缸内的蝌蚪全部发育成青蛙。第12周时,4号玻璃缸内的蝌蚪全部发育成青蛙,但3号玻璃缸内未出现青蛙而出现了体长达39mm的巨型蝌蚪。
请回答下列问题:
(1)本实验中测量蝌蚪的平均体长、观察前后肢的生长情况等指标,其目的是 。
(2)根据1、2、4号玻璃缸对照实验结果可得出的2条结论是 ; 。
(3)3号玻璃缸内出现巨型蝌蚪的原因是 。
7.口渴感觉形成的感受器在哪里?传统观点认为感受器分布于血管内壁,血液中的含水量下降导致盐分过高,神经中枢形成口渴感觉。但美国神经学家 Knight对此提出质疑,认为水进入血液需要一定时间,无法解释水一入口就能瞬间解渴,于是设计实验:
实验1:给两组小白鼠分别吞咽和肠胃里灌注等量的淡水,两者口渴感觉都立刻消失。由此 Knight认为传统观点有误,但又从传统观点里得到启示,提出问题,进一步实验:
实验2:给两组小白鼠分别吞咽等量的淡水和盐水,前者口渴感觉消失,后者先是口渴感觉消失,2~3分钟后恢复。
实验3:给两组小白鼠肠胃里分别直接灌注等量的淡水和盐水,只有前者口渴感觉消失。
综合三个实验,得出结论。
(1)Knight质疑传统观点,认为喝下的水成为血液中的水需要一定时间,理由是 。
(2)实验2基于的问题是
(3)最后得出的结论是 。
8.同学们学习了“光的折射”后,知道了光从空气斜射入玻璃中时,折射角小于入射角。入射角增大,折射角也增大。那么当光从空气斜射入玻璃中时,折射角与入射角大小是否成正比呢
【建立猜想】折射角与入射角大小可能成正比。
【实验探究】同学们测得了四组实验数据。
第2次实验如图所示,请将实验数据填入表格中。
实验序号
1
2
3
4
入射角
20°
40°
60°
80°
折射角
13°
(1)
35°
41°
【实验结论】折射角与入射角大小(2) (选填“成正比”或“不成正比”)。
【评价与交流】根据实验数据,还可以得出的结论是(3)
9.雾天能见度低,骑车易发生交通事故,要减速慢行。
(1)雾天,空气中会形成大量水珠。该过程发生的物态变化是 。
(2)小明要为自行车设计一种“雾灯”,以提示过往的行人和车辆。要求工作时灯泡能持续交替闪烁。忽略弹性衔铁和电磁铁线圈电阻,下列电路中符合设计要求的是 。
10.实验室购买了一卷标有长度为100m的铜芯漆包线,小科想通过实验测定其实际长度。他首先测得导线横截面积S为1mm2,查阅资料得知现温度下这种导线每米的电阻值为0.017Ω。
(1)利用图甲所示的实物图测出铜导线的电阻。
①实验中,小科在闭合开关前应将滑片P置于最 端。(填“左”或“右”)。
②小科通过移动滑片P,测得多组数据,绘制成U﹣I图象如图乙,据此可以判定这卷导线的实际长度 100m。(填“大于”、“等于”或“小于”)
(2)小思认为用电子秤测出这卷导线的质量m,利用铜的密度ρ也可以算出实际长度。请你写出这卷导线实际长度L的计算式:L= (用字母表示)。
11.某科学兴趣小组在探究影响导体电阻大小及灯泡亮暗的因素时。做了如甲图所示的实验:将鳄鱼夹从较长的镍铬合金丝的A端逐渐滑向B端时,发现电流表示数逐渐增大,同灯泡逐渐变亮。
(1)通过实验可得出结论:导体的电阻大小与 有关;灯泡的亮暗与通过灯泡的电流大小有关。
(2)小明认为决定灯泡亮暗的因素只是电流大小,请你设计一个实验来否定小明的观点(只需在相应的方框内画出电路图)。
实验材料:两个不同规格的灯泡L1和L2,电池组、开关S及导线若干。
(3)接下来,小明又做了如下实验:将整条镍合金丝AB接入电路,闭合开关,然后用大功率吹风机先对镍铬合金丝吹一段时间热风,再改用冷风挡对镍铬合金吹冷风。在整个过程中观察电流表示数的变化情况,小明所做的这一实验基于的假设是 。
12.小敏用图甲所示电路来测定某定值电阻的阻值:
实验次数
U/v
I/A
R/Ω
1
2.0
0.20
10.0
2
2.5
3
2.9
0.28
10.4
(1)闭合开关前,要将滑动变阻器滑片滑到 (选填“A”或“B”)端
(2)闭合开关后,发现只有一只电表的指针发生偏转,请结合图甲电路分析产生此现象的原因是 。
(3)排除故障后,进行三次实验,测得数据如上表。表中第二次实验的电流可从图乙中读取,根据这三次测得的数据求得此电阻的阻值为 欧(保留一位小数)
(4)下列实验电路图丙中,也能够得出定值电阻Rx阻值的电路有 。
13.如图所示,在“测量小灯泡正常发光时的电阻”的实验中,提供的器材有:小灯泡(额定电压为2.5V,灯丝电阻约为12Ω)、电源(电压恒为6V)、电流表、电压表、开关各一个,规格不同的滑动变阻器,导线若干。
(1)闭合开关后,发现电压表有示数,电流表无示数,则故障原因可能是 ;
(2)要完成该实验,可选用的滑动变阻器是 ;
A.“10Ω 1A”
B.“20Ω 0.5A”
C.“30Ω 0.1A”
(3)当灯泡实际电压为额定电压一半时的实际电功率为P1,当灯泡实际电流为额定电流的一半时的实际电功率为P2,分析图像发现,P1 P2。(选填“大于”、“小于”或“等于”)。
14.用两节旧的干电池、两个开关、一个电压表、一只阻值为R0=20Ω的定值电阻、导线若干,测量未知电阻Rx的阻值,电路实物图如图甲所示。
(1)用笔画线代替导线将图甲中的电压表接在R0两端。
(2)正确连接电路,闭合开关S1和S电压表示数为U1,如图乙,U1= V。
(3)断开S1,闭合S,电压表示数为U2,若电源电压不变,忽略电阻大小对温度影响,则Rx= (用题中给的字母表示)。
15.小明同学利用如图所示的装置做“探究凸透镜成像规律”的实验。凸透镜固定在光具座45cm刻度处。
(1)实验前将烛焰、凸透镜、光屏三者的中心调节到同一高度,目的是 。
(2)当小明将三个元件移动到如图所示的位置时,光屏上恰好出现了烛焰倒立、 (选填“放大”、“缩小”或“等大”)的清晰实像,若保持蜡烛和光屏不动,将凸透镜移动到 cm刻度处时,仍能在光屏上成清晰的像。
16.小金用如图甲所示的实验装置“探究凸透镜成像规律”:
(1)小金同学正确实验,并根据实验数据绘制了如图乙的图象(v表示像距,u表示物距),则该凸透镜的焦距是 ;
(2)小金同学在实验中将蜡烛置于如图甲所示的位置,则将光屏从图甲所示位置 (选填“向左”或“向右”或“不需要”)移动,光屏上可得到蜡烛清晰的像;
(3)实验过程中小金发现像成在了光屏上方(如图丙所示),若要使像成在光屏的中心,以下方法可行的有 。
①将蜡烛位置适当调高
②将蜡烛位置适当调低
③将透镜位置适当升高
④将透镜位置适当降低
⑤将光屏位置适当远离透镜
⑥将光屏位置适当靠近透镜
17.小明同学设计了如图1所示的电路测电源电压及电阻R1和R2的阻值。实验器材有:待测电源E,待测电阻R1,待测电阻R2,电压表V(量程为3V,内阻很大),电阻箱R(0﹣99.99Ω),单刀单掷开关S1,单刀双掷开关S2,导线若干。
(1)先测电阻R1的阻值。闭合S1,将S2切换到a,调节电阻箱,读出其示数r和对应的电压表示数U1,保持电阻箱示数不变,将S2切换到b,读出电压表的示数U2。则电阻R1= 。(用上述测得的字母表示)
(2)小明同学已经测得电阻R1=4.8Ω,继续测电源电压和电阻R2的阻值。小明的做法是:闭合S1,将S2切换到a,多次调节电阻箱,读出多组电阻箱示数R和对应的电压表示数U,由测得的数据,绘出了如图2所示的图线,则电源电压为 伏,电阻R2= 欧。
18.某物理兴趣小组利用图甲所示实验电路图同时测量电源电压U0的大小和电阻Rx的阻值,电源电压U约为2V~3V,Rx的阻值约为6Ω~7Ω.实验室提供如下器材:导线若干、开关,电流表(量程0~0.6A,0~3A电压表(量程0~3V,0~15V)、滑动变阻器R(最大阻值为30Ω)。请你思考完成下列问题:
(1)按照图甲用笔画线代替导线,在答题卡上将图乙中的实物电路补充完整。
(2)用物理量U0、Rx、电流表的示数I写出表示电压表示数大小的关系式:U= 。
(3)①正确连接电路后,闭合开关前应使滑动变阻器连入电路的阻值为 (选填“最大”或“零”);
②移动滑动变阻器的滑片,读出4组电流表和电压表示数,分别以电流表的示数I和电压表的示数U为横坐标和纵坐标,在坐标纸上描点,把这4个点连接起来大致为一条直线(并虚线延长到纵轴),如图丙所示,从图丙中信息可求得:电源电压U0= V,电阻Rx= Ω。
19.小毛在STEAM课堂上制作出水凸透镜并结合教材知识进行探究。
(1)在探究凸透镜成像的规律时,通过注水器调节水凸透镜的焦距为10cm。将蜡烛、水凸透镜和光屏固定在光具座上,若点燃蜡烛后,无论怎样调节蜡烛的位置,始终不能在光屏上找到烛焰的像,原因是 。
(2)找到原因并解决问题后,在蜡烛处于如图甲所示的位置上,此时在光屏上得到的是倒立、 的实像。
(3)在光屏上得到清晰的像后,如果保持光屏和水凸透镜的位置不变,当蜡烛向水凸透镜靠近时,要在光屏上重新得到清晰的像,可以通过注射器往水凸透镜中 (选填“注入”或“抽出”)适量的水。
(4)根据光的色散现象,太阳光经三棱镜发生偏折后在光屏上自上而下出现了红、橙、黄、绿、蓝、靛、紫的色带(部分色光未画出),如图乙所示。若使用红光、黄光和蓝光来测量水凸透镜的焦距(f)大小(如图丙)。下列关于这三种色光通过水凸透镜时的焦距(f)大小关系正确的是 (填选项)。
A.f红<f黄<f蓝 B.f红=f黄=f蓝 C.f红>f黄>f蓝 D.f黄>f红>f蓝
20.糖尿病是当今危害人体健康的常见病之一,常见症状有多饮、多食、多尿以及消瘦等。糖尿病的主要危害在于它的并发症,会对人体多种系统造成损害。目前,糖尿病患者常采取注射胰岛素的方法治疗。口服胰岛素能治疗糖尿病吗?为探究这一问题,某科技小组设计了如下方案:
步骤
甲鼠
乙鼠
a
将完全相同的甲、乙两只小鼠的胰岛破坏
b
定时喂全营养饲料,每次喂食前注射适量的胰岛素
c
重复b步骤几天后,采集两鼠的尿液,检测其葡萄糖含量,分析得出结论
(1)步骤a中将两只小鼠的胰岛破坏,目的是 。
(2)步骤b中对乙鼠的操作是 。
(3)假如按照上述方案进行实验,最终仅在乙鼠的尿液中检测到了葡萄糖,由此科技小组得出口服胰岛素不能治疗糖尿病的结论,你认为是否科学,理由是 。
21.小金用图甲所示的电路探究串联电路电压的规律,实验时意外发现:“当变阻器滑片P向左移时,两电压表的读数之和减小。”他产生了疑惑,在老师的引导下,知道了用久的普通干电池内部有不可忽略的电阻,可将它看作一个理想电源(电压U恒定,电阻为0)与一个电阻r的串联(图乙所示),为了测量干电池电阻r,他选择了适当器材,设计出如下的实验方案。
(1)选用的器材:一个电压表,符合实验要求的已知阻值的定值电阻R1,导线和开关若干,一节旧干电池。
(2)设计出了如图丙的实验电路图。
(3)请你根据他所设计的电路图,帮他写出主要的实验步骤和需测量的物理量。 。
(4)请你帮他写出干电池电阻r的数学表达式(用已知量和测量量表示): 。
22.小科连接好如图1所示电路,闭合开关,按一定操作来测量“小灯泡的电阻”,获得实验数据如表:
实验次数
1
2
3
4
电压U/伏
2.5
2.0
1.5
1.0
电流I/安
0.22
0.20
0.17
0.13
电阻R/欧
11.36
?
8.82
7.69
(1)表中第2次实验时,小灯泡电阻为 欧;
(2)将表中电流、电压数据转换为I﹣U图象(图2),正确的是 ;
(3)小科发现第3、4两次实验小灯泡不发光,出现这种现象的原因是 ;
(4)小君按小科的方法连接好电路,闭合开关后发现小灯泡不发光,电流表指针不偏转,电压表指针偏转。若此电路只有一处故障,你认为该故障是 。
23.在“探究影响导体电阻的因素”实验中,电阻丝A、B的长度、横截面积相同,材料不同;电阻丝B、C的材料和横截面积相同,C的长度大于B。
实验电路如图甲所示,用电阻丝A、B进行实验,N点固定,M点是金属丝上可以左右移动的点,MN两点间距离用X表示。在实验过程中,用电压表测出MN两点间的电压。
(1)闭合开关,电流表的指针如图乙所示,读数为 。
(2)根据图丙中的实线,判断电阻丝A和电阻丝B的阻值大小关系: 。
(3)小温将电阻丝B换成电阻丝C重新进行实验,再画出电压表读数U随N、M间距离X的变化如丙所示的虚线,老师认为该曲线存在错误,其理由是 。
24.在探究“凸透镜成像规律”的实验中(凸透镜焦距10cm)。
(1)如图甲所示,保持蜡烛的位置不变,移动透镜至图甲所示刻度线处,则人眼应该在图中 (填“A”、“B”或“C”)处且朝着相应方向,才能观察到烛焰的像。
(2)图乙中,点燃蜡烛,经过凸透镜在光屏上成清晰的、倒立缩小的实像。然后,在烛焰和凸透镜之间放副近视眼镜,发现光屏上的像变模糊了。不改变眼镜和透镜的位置,要使光屏上再次呈现清晰的像,可以进行的操作是: (以透镜为参照物)。
(3)小敏利用该凸透镜自制了一个模型照相机,如图丙所示。在纸筒M的一端嵌上这个凸透镜,纸筒N的一端蒙上一层半透明薄膜,把纸筒N套入M中,并能前后滑动。在较暗的室内,把凸透镜对着明亮的室外,调节凸透镜和薄膜之间的距离,在薄膜上可以看到室外景物清晰的像。再把凸透镜正对着室内近处点燃的蜡烛,为了使薄膜上出现烛焰清晰的像,应该 (填“拉长”或“缩短”)凸透镜和薄膜之间的距离。
25.某小组同学利用规格为“50Ω 0.6A”的滑动变阻器和其他的器材来测导体电阻,该变阻器的电阻丝上有一处断点。实验电路如图所示,电源电压恒为4.5V。
请分析回答:
(1)连接好电路,闭合开关,向右移动滑动变阻器滑片,当滑片移到C点时,发现两表才有示数,示数分别为1.5V、0.1A。根据以上信息用笔画线代替导线将图中电路连接完整。
(2)该实验多次测量的目的是 。
(3)小组同学用这套器材(所有器材不变)和阻值为5Ω、10Ω、20Ω的三个定值电阻继续探究“电流与电阻的关系”。实验中要控制电阻两端的电压不变,那么电阻两端电压最小能控制到 V。
26.同学们利用“伏安法”测量未知电阻RX的阻值,所用电源电压为3V,RX阻值约为5Ω。
(1)实物电路如图甲,请用笔画线代替导线将电路连接好。
(2)闭合开关,当电压表示数为2.4V时,电流表示数如图乙,则通过电阻RX的电流I= A,计算出RX= Ω。
(3)利用现有的器材和电路,在已经规范使用器材的前提下,如何使测量结果更接近真实值。
27.小明在进行“测量小彩灯的电阻”的实验时,实验台上给他提供的器材有:6V的蓄电池,电流表(0~0.6A,0~3A),电压表(0~3V,0~15V),滑动变阻器(50Ω,1.5A),额定电压为3.8V的小彩灯,(估计正常发光时的电阻为12Ω左右),开关等各一个,导线若干。
(1)在实验中电流表应选择的量程 。
(2)他连接的实物电路如图甲所示,但还有两根导线没接好,同组小聪同学补接后又画出该电路的电路图如图乙。请用笔画线代替导线将这两根导线连接好。
(3)闭合开关前,应把滑动变阻器的滑片调到 端(填“C”或“D”)
(4)闭合开关后,小明发现小彩灯不发光,电流表的示数为零,电压表的示数为6V,产生故障的原因可能是下列情况中哪一些? (只填序号)
A.小彩灯短路 B.电压表的正负接线柱接反了
C.小彩灯的灯座接触不良 D.小彩灯的灯丝断了
(5)排除故障后闭合开关,移动滑动变阻器的滑片,当电压表的示数为3.8V时,小彩灯正常发光,此时电流表的示数如图丙所示,则小彩灯正常发光时的电阻为 Ω(计算结果保留一位小数)
28.实验小组要得到Rx的值,但是手边只有两个开关,一个未知电压的电源、一个阻值为10欧的定值电阻R0和一只电流表及导线若干,他们设计了如图1所示电路。
(1)根据电路图进行连接时,开关S1应处于 状态。
(2)当S1闭合、S2断开时,电流表示数为0.2A。
(3)当开关S1、S2都闭合时,电流表指针超过了0.6A的量程,改接大量程后,电流表指针恰与第(2)步骤读数时指针所指的位置相同,则此时电流表示数为 A。
(4)若电源电压不变,根据上述数据计算出Rx= Ω。
(5)张国提出将电路中R0换成一个0~10Ω的变阻器,电路设计为如图2所示的情况时,也可以测出Rx的值,此时若S1、S2都闭合,变阻器滑片置于b端时,会发生 的结果。
29.小科同学利用电压表和电流表测量电阻R的阻值(约10Ω),电源选用两节干电池。
(1)检查电路,发现有一根导线连接错误,请你在连接错误的导线上打“×”,在图中补画出正确的连线。
(2)该同学检查电路连接正确后,闭合开关,可是无论怎样移动滑片,电压表示数总为3V不变,为查寻原因,接下来他应先进行的具体操作是 。
A.检查开关是否接触良好
B.检查滑动变阻器是否短路
C.检查定值电阻是否断路
D.查看电流表是否有读数
(3)做完以上实验后,小科将电阻R换成一个额定电压为3.8V,阻值约为10Ω的小灯泡,进行“测量小灯泡的额定电功率”的实验,则小科对电路必须进行的改动,方案是 。
30.实际的电源都有一定的电阻,如干电池,我们需要用它的电压U和电阻r两个物理量来描述它。实际计算过程中,可以把它看成是由一个电压为U、电阻为0的理想电源与一个电阻值为r的电阻串联而成,如图甲所示。实验室有一电源,电源电压约为3V、电阻不到1Ω。为了测量该电源的电压和电阻,现有两个电阻R1=15Ω,R2=5Ω,一量程为0.3A的电流表,并设计了如下的两种测量电路:乙和丙。
(1)请选择可行的测量电路 ,理由是 。
(2)简要叙述实验步骤:
a: ;
b: 。
(3)根据测量数据和已知量,得到电源电压U= ,电源内阻r= 。(用R1、R2的值及所测物理量的符号表示)
2023年中考实验探究题专项训练四
参考答案与试题解析
一.实验探究题(共30小题)
1.某小组同学在进行“伏安法”测电阻实验时,连接了如图甲所示的电路,闭合开关,移动滑动变阻器滑片,多次测量并记录实验数据。小组同学将第一次实验测得的数据绘制成图乙中的a、b、c,发现电压表未调零。将电压表调零后,重做实验,第二次测量数据如图乙中的A、B、C。
(1)图丙是该小组在一次测量中的电流表指针位置,其示数为 0.3 安。
(2)分析图乙中的第二次测量数据,待测电阻的阻值是 4.9 欧。(结果保留一位小数)
(3)小组同学讨论发现,利用第一次的测量数据,能求出第一次实验中电压表接入电路前指针所指的刻度值,也能求出被测电阻的阻值。分析图乙,写出第一次实验电压表接入电路前指针所指的刻度值,并说明理由。 第一次实验电压表接入电路前指针所指的刻度值为0.4V。延长abc三点的连线,与纵坐标相交于0.4V 。
【分析】(1)根据电流表的量程和分度值读出示数;
(2)分析图乙中的第二次测量数据,根据R=分别求出三次测得的阻值,从而求出待测电阻的阻值;
(3)延长abc三点的连线即可判断。
【解答】解:(1)图丙电流表的量程为0~0.6A,分度值为0.02A,示数为0.3A;
(2)分析图乙中的第二次测量数据,由R=可知,
RA===5Ω,RB===5Ω,RC==≈4.83Ω,
所以待测电阻的阻值为:R==≈4.9Ω;
(3)延长abc三点的连线,与纵坐标相交于0.4V,如图所示:
故答案为:(1)0.3;(2)4.9;(3)第一次实验电压表接入电路前指针所指的刻度值为0.4V。延长abc三点的连线,与纵坐标相交于0.4V。
【点评】本题考查“伏安法”测电阻的实验,主要考查了学生对电流表读数、数据处理等,有一定难度。
2.某科学兴趣小组在测量额定电压为2.5V的小灯泡灯丝电阻时发现,小灯泡两端的电压越大,测得电阻的阻值也越大。针对上述现象,同学们进行如下研究:
【建立假设】①灯丝两端的电压增大导致电阻增大;
②灯丝的温度升高导致电阻增大。
【实验器材】干电池2节,额定电压为2.5V的小灯泡1只,电流表1个,电压表1个,滑动变阻器1个,开关1个,装满水的塑料瓶,导线若干。
【实验方案】
次数
1
2
3
4
5
电压/V
电流/A
电阻/Ω
①按图连接好电路,将灯丝插入瓶口浸入水中,使灯丝的温度保持不变;
②闭合开关S,读出电压表和电流表示数,记录在表格中;
③多次改变滑动变阻器的阻值,重复步骤②。
连接电路时,电压表量程选择0~3V而不是0~15V的目的是 读数更精确 。
【得出结论】若假设①被否定,则实验中得到的结果是 所测的灯丝电阻阻值基本相等 。
【交流反思】进一步探究发现,灯丝电阻改变的本质原因是灯丝温度的变化。自然界在呈现真相的同时,也常会带有一定假象,同学们要善于透过现象看本质。例如,用吸管吸饮料表面上看是依靠嘴的吸力,而本质是依靠 大气压强 。
【分析】(1)小灯泡的额定电压为2.5V,且电压表分度值越小所测结果越精确,据此分析;
(2)将灯丝插入瓶口浸入水中,使灯丝的温度保持不变,故灯丝的电阻基本不变,据此分析;
(3)用吸管吸饮料是大气压强在生活中的应用。
【解答】解:小灯泡的额定电压为2.5V,且电压表分度值越小所测结果越精确,故电压表量程选择0~3V而不是0~15V的目的是:读数更精确;
将灯丝插入瓶口浸入水中,使灯丝的温度保持不变,若假设①被否定,则实验中得到的结果是:所测的灯丝电阻阻值基本相等;
用吸管吸饮料表面上看是依靠嘴的吸力,而本质是依靠:大气压强。
故答案为:读数更精确;所测的灯丝电阻阻值基本相等;大气压强。
【点评】本题考查伏安法测电阻的探究实验,考查综合性分析能力,有一定难度。
3.小宁用如图所示电路研究电阻的并联。
(1)按电路图连接电路,闭合开关S,电流表A1、A2、A3的示数分别为0A、0.40A和1.20A。如果电路元件完好,接线时发生了错误,该错误是 接线时使电流表A1短路 。
(2)使用电流表时,当被测电流值大于电流表量程的一半时,能减小实验误差。本实验所用电源电压为8V,电流表有两个量程(0~0.6A、0~3A)。为减小实验误差,小宁重新选择定值电阻,实验室里可供选择的定值电阻的阻值有:5Ω、10Ω、20Ω、50Ω,应该选用的2个电阻阻值分别为 5Ω、20Ω 。
【分析】(1)分析电路的连接,根据并联电路电流特点及A1示数为零分析作答;
(2)根据欧姆定律计算两个支路和干路的电流,对照电流表量程分析作答。
【解答】解:(1)由图可知,闭合开关后,R1与R2并联,A1测量R1中电流I1,A2测量R2中电流I2,A3测量干路中的电流I。若电路正常,根据并联电路的电流特点可知,A3的示数大于A1示数,A3的示数大于A2的示数;
现A1的示数为零,可能:
①R1支路断路,电路为R2接在电源上的简单电路,因A2与A3是串联,它们示数应相同,这与已知矛盾;
②A1短路,则A3测量干路电流,A2在支路测量支路电流,A3示数大于A2的示数,与已知相符。
故电路故障为:接线时使电流表A1短路;
(2)根据并联电路的电压特点可知,各支路两端的电压等于电源电压:U1=U2=U=8V,
若两个支路均选用同量程电流表,当被测电流值大于电流表量程的一半时,干路电流大于支路所选量程,干路需选大量程(0~3A),支路选小量程(0~0.6A),可支路电流即使都达到电流表量程,干路的电流最大为0.6A+0.6A=1.2A<1.5A;综合分析可知,干路和一个支路都需选大量程电流表,另一支路需选用小量程电流表。
由题意知,支路中电流要大于所选电流表量程的一半,对于选大量程电流表的支路,根据欧姆定律可知R===5.3Ω,支路电阻需小于等于5.3Ω,由可供选择电阻可知选R1=5Ω;小量程支路的电流要小于等于0.6A,根据欧姆定律可知R===13.3Ω,且支路的电流要大于等于0.3A,R===26.7Ω,故13.3Ω≤R2≤26.7Ω,因此R2=20Ω。
故答案为:(1)接线时使电流表A1短路;(2)5Ω、20Ω。
【点评】本题是探究“电阻的并联”实验,考查并联电路的规律及欧姆定律的运用和对器材的要求,属于常考命题点。
4.学习了并联电路特点和欧姆定律后,科学兴趣小组为研究并联电路总电阻和各分电阻之间的关系,开展了以下探究。
实验次数
电阻R1/Ω
电阻R2/Ω
电压U/V
电流I/A
总电阻R/Ω
1
10
30
3
0.4
7.5
2
30
30
3
0.2
15
3
30
15
3
0.3
10
【实验步骤】
①设计电路,根据电路图连接实物;
②闭合开关,分别读出电压表和电流表的示数并记录;
③计算总电阻并填入表格;
④换用不同规格的电阻重复上述实验。
请你在答题卷中用笔画线代替导线,将实物图连接完整。
【得出结论】并联电路总电阻小于任何一个分电阻。
【思考讨论】
①请根据影响导体电阻大小的因素解释上述结论。
②分析表中数据,若增大其中一个分电阻的阻值,则总电阻将 增大 。
【分析】根据电路图可知,R1、R2并联,电压表测量并联电路两端电压,电流表测量干路电流,开关控制整个电路,据此连接实物图;
(1)影响导体电阻大小的因素有导体的材料、长度、横截面积,另外还与温度有关;
(2)根据表中数据、结合控制变量法得出结论。
【解答】解:由实物电路可知,电流表没有接入电路;根据表中数据可知,电流表应选择0~0.6A量程,且电流表应串联在干路中,如图所示:
(1)因为电阻并联后相当于增大了导体的横截面积,在导体材料、长度、温度不变时,横截面积越大,导体的电阻越小,所以可得出上述结论;
(2)根据表中1、2两次的实验数据可知,R2的阻值不变,当R1的阻值增大时,电路的总电阻变大,因此并联电路中,增大其中一个分电阻的阻值,则总电阻会增大。
故答案为:见上图;(1)电阻并联后相当于增大了导体的横截面积,在导体材料、长度、温度不变时,横截面积越大,导体的电阻越小;(2)增大。
【点评】本题考查实物图的连接、影响电阻大小的因素、并联电路电阻的特点以及控制变量法的应用,关键要从表中数据得出有用的信息。
5.磁控防盗装置内装有干簧管(如图甲),干簧管由两个软铁片和玻璃管组成,软铁片的触点在弹力的作用下处于断开状态。当磁体靠近干簧管时,软铁片触点状态会发生变化。把条形磁体分别放置在乙图中的Ⅰ、Ⅱ、Ⅲ三个位置时,触点的开合状态和软铁片的极性情况如表。
磁体位置
竖直放置并靠近
水平放置并靠近
Ⅰ
Ⅱ
Ⅲ
Ⅳ
触点状态
闭合
断开
闭合
?
软铁片的极性情况
(1)铁片被磁化后,铁片与条形磁体相邻两端的磁极极性关系是 互为异名磁极 。
(2)当条形磁体水平放置并靠近干簧管时(图乙Ⅳ位置),干簧管触点状态为 闭合 。
(3)如图丙,门上磁控防盗装置内有一个竖直放置的干簧管,其内部简化电路如图丁,磁控防盗装置的工作原理是:夜间关上门,闭合开关S,启动防盗报警器,此时报警电铃不响;当盗贼打开门时,干簧管远离磁体,电铃响起。图丁虚线中四种磁体摆放方式能满足工作要求的有 ACD (选填图中的字母)。
【分析】(1)干簧管被磁化后,靠近条形磁铁磁极的一端是异名磁极,远离的一端是同名磁极;
(2)当条形磁体水平放置并靠近干簧管时(图乙Ⅳ位置),根据条形磁铁对干簧管产生的磁极确定干簧管的工作情况;
(3)由电路图可知:干簧管和电铃并联后与电阻串联,根据闭合开关S和断开开关S时,电铃的工作情况判断出干簧管触点断开和闭合情况,然后由此判断磁体摆放方式。
【解答】解:(1)由图乙中Ⅰ、Ⅱ、Ⅲ位置的磁化情况可知:磁簧片靠近条形磁铁的N极的一端是S极,另一端是N极;所以铁片与条形磁体相邻两端的磁极极性关系是互为异名磁极。
(2)当条形磁体水平放置并靠近干簧管时(图乙Ⅳ位置),条形磁铁对铁片磁化后的情况如下图:
在两舌簧端面形成异名磁极,因相互吸引而吸合,所以干簧管触点为闭合状态;
(3)由电路图可知:干簧管和电铃并联后与电阻串联,开关在干路上,夜间关上门,闭合开关S,由于此时报警电铃不响,则干簧管触点处于闭合状态,对电铃短路,所以报警电铃不响;当盗贼打开门时,干簧管远离磁体,干簧管退磁,触点在弹力作用下分开,干簧管触点处于断开状态,电流通过电铃,则电铃响起。
由此可知:门处于关闭状态时,干簧管和磁体之间的距离最近,并且干簧管触点是处于闭合状态;
由实验结果可知在干簧管和磁体靠近时,能使干簧管处于闭合状态的是磁体在ACD的位置。
故答案为:(1)互为异名磁极;(2)闭合;(3)ACD。
【点评】干簧管实际是一种继电器控制电路,其利用的不是电磁铁,而是一个永久磁铁对磁簧片的磁化作用,搞清这一原理,才能对其工作情况进行有针对性的分析。解答中主要用到了磁化的特点,以及电路的设计,有一定的难度,但也给我们很多的启示,是一个很好的应用,也是一道不错的题目。
6.为研究甲状腺激素对蝌蚪生长发育的影响,小金将同种同时孵化的、体长约为20mm的蝌蚪各15只分别放入1~4号玻璃缸中进行实验,其实验过程与结果如下表所示:
玻璃缸编号
放入的试剂及用量(连续投放7天)
第3天观察结果
第7周观察结果
存活数
平均体长(mm)
四肢生长情况
存活数
平均体长(mm)
四肢生长情况
1
甲状腺激素6mg/天
15
26
均出现后肢
0
2
甲状腺激素2mg/天
15
26.5
均出现后肢
15
1只发育成10mm的青蛙,14只均出现前、后肢
3
甲状腺抑制剂30mg/天
15
20
未出现前、后肢
15
21
均出现后肢
4
不加任何药剂
15
20
未出现前、后肢
15
30
均出现后肢
第8周时,2号玻璃缸内的蝌蚪全部发育成青蛙。第12周时,4号玻璃缸内的蝌蚪全部发育成青蛙,但3号玻璃缸内未出现青蛙而出现了体长达39mm的巨型蝌蚪。
请回答下列问题:
(1)本实验中测量蝌蚪的平均体长、观察前后肢的生长情况等指标,其目的是 据此判断蝌蚪的生长发育状况 。
(2)根据1、2、4号玻璃缸对照实验结果可得出的2条结论是 高剂量的甲状腺激素对蝌蚪有致死作用 ; 低剂量的甲状腺激素能促进蝌蚪的生长发育 。
(3)3号玻璃缸内出现巨型蝌蚪的原因是 甲状腺抑制剂抑制甲状腺激素的分泌,从而阻止蝌蚪发育成青蛙 。
【分析】(1)探究实验的原则:变量的唯一性和设置对照实验。
(2)甲状腺激素是由甲状腺分泌的,它的主要作用是促进新陈代谢、促进生长发育、提高神经系统的兴奋性。
【解答】解:(1)表中设计了测量蝌蚪的平均体长、观察前后肢的生长情况等指标,其目的是据此判断蝌蚪的生长发育状况。
(2)表中1加入高剂量的甲状腺激素,3不加任何药剂,据实验现象可见:高剂量的甲状腺激素对蝌蚪有致死作用;表中2加入低剂量的甲状腺激素,3不加任何药剂,据实验现象可见:低剂量的甲状腺激素能促进蝌蚪的生长发育。
(3)表中3号加如甲状腺抑制剂30mg/天,结果出现巨型蝌蚪,没有发育成青蛙。原因是甲状腺抑制剂抑制甲状腺激素的分泌,从而阻止蝌蚪发育成青蛙。
故答案为:(1)据此判断蝌蚪的生长发育状况;
(2)高剂量的甲状腺激素对蝌蚪有致死作用;低剂量的甲状腺激素能促进蝌蚪的生长发育;
(3)甲状腺抑制剂抑制甲状腺激素的分泌,从而阻止蝌蚪发育成青蛙
【点评】解题的关键是知道甲状腺激素的作用以及探究实验的注意事项。
7.口渴感觉形成的感受器在哪里?传统观点认为感受器分布于血管内壁,血液中的含水量下降导致盐分过高,神经中枢形成口渴感觉。但美国神经学家 Knight对此提出质疑,认为水进入血液需要一定时间,无法解释水一入口就能瞬间解渴,于是设计实验:
实验1:给两组小白鼠分别吞咽和肠胃里灌注等量的淡水,两者口渴感觉都立刻消失。由此 Knight认为传统观点有误,但又从传统观点里得到启示,提出问题,进一步实验:
实验2:给两组小白鼠分别吞咽等量的淡水和盐水,前者口渴感觉消失,后者先是口渴感觉消失,2~3分钟后恢复。
实验3:给两组小白鼠肠胃里分别直接灌注等量的淡水和盐水,只有前者口渴感觉消失。
综合三个实验,得出结论。
(1)Knight质疑传统观点,认为喝下的水成为血液中的水需要一定时间,理由是 水从口腔进入到血液需要时间 。
(2)实验2基于的问题是 盐分能影响口渴的感觉吗?
(3)最后得出的结论是 口咽和肠胃都有口渴感受器,且肠胃口渴感受器还能感受盐分的刺激,并对最后口渴感觉的形成起决定作用 。
【分析】科学探究是指为了能积极主动地获取生物科学知识,领悟科学研究方法而进行的各种活动。通俗地说,就是让我们自己去发现问题。主动去寻找答案,而不是被动地接受知识。科学探究重在探索的过程,而不是只注重答案本身。
【解答】解:(1)Knight质疑传统观点,认为喝下的水成为血液中的水需要一定时间,理由是水从口腔进入到血液需要时间。
(2)实验2基于的问题是盐分能影响口渴的感觉吗?
(3)最后得出的结论是口咽和肠胃都有口渴感受器,且肠胃口渴感受器还能感受盐分的刺激,并对最后口渴感觉的形成起决定作用。
故答案为:(1)水从口腔进入到血液需要时间;
(2)盐分能影响口渴的感觉吗?
(3)口咽和肠胃都有口渴感受器,且肠胃口渴感受器还能感受盐分的刺激,并对最后口渴感觉的形成起决定作用。
【点评】关键是熟记掌握科学探究各个环节的过程以及作用。
8.同学们学习了“光的折射”后,知道了光从空气斜射入玻璃中时,折射角小于入射角。入射角增大,折射角也增大。那么当光从空气斜射入玻璃中时,折射角与入射角大小是否成正比呢
【建立猜想】折射角与入射角大小可能成正比。
【实验探究】同学们测得了四组实验数据。
第2次实验如图所示,请将实验数据填入表格中。
实验序号
1
2
3
4
入射角
20°
40°
60°
80°
折射角
13°
(1) 25°
35°
41°
【实验结论】折射角与入射角大小(2) 不成正比 (选填“成正比”或“不成正比”)。
【评价与交流】根据实验数据,还可以得出的结论是(3) 光从空气斜射入玻璃中时,折射角的增加量小于入射角的增加量
【分析】(1)虚线位置显示90°,折射光线位置显示65°,可以求出折射角多少度。
(2)判断折射角和入射角是否成正比,看看它们的比值是否是一个定值,如果是一个定值就成正比。
(3)根据表格中数据进行分析即可得到结论。
【解答】解:(1)由图知,折射角为:90°﹣65°=25°;
(2)由表格数据可知,折射角和入射角的比值分别为:
=0.65,=0.625,=0.583,=0.5125,
则折射角和入射角的比值不是定值,所以折射角和入射角大小不成正比。
(3)观察表格数据知,
入射角:20°→40°→60°→80°,每次入射角都增加 20°,
折射角:13°→25°→35°→41°,每次分别增加 12°、10°、6°,
所以,光从空气斜射入玻璃中时,折射角的增加量小于入射角的增加量。
故答案为:(1)25°;(2)不成正比;(3)光从空气斜射入玻璃中时,折射角的增加量小于入射角的增加量。
【点评】对于数据处理能力,是很重要的,对于两个量比值一定时成正比,两个量的乘积一定是成反比。
9.雾天能见度低,骑车易发生交通事故,要减速慢行。
(1)雾天,空气中会形成大量水珠。该过程发生的物态变化是 液化 。
(2)小明要为自行车设计一种“雾灯”,以提示过往的行人和车辆。要求工作时灯泡能持续交替闪烁。忽略弹性衔铁和电磁铁线圈电阻,下列电路中符合设计要求的是 D 。
【分析】(1)物体由气态变为液态的过程叫液化,物体由液态变为气态的过程叫汽化;
(2)据该电路的工作过程分析即可解决。
【解答】解:
(1)雾是空气中的水蒸气放热液化成的小水滴;由气态变液态,属于液化现象;
(2)A、该电路闭合开关,电磁铁有了磁性,吸下衔铁,灯泡发光。之后电磁铁一直有电流,磁性保持,动触点无法与下面的静触点分开,灯泡会一直发光,故A不符合要求。
B、该电路闭合开关,电磁铁有了磁性,吸下衔铁,电磁铁一直有电流,磁性保持,动触点无法与下面的静触点分开,由于忽略弹性衔铁和电磁铁线圈电阻,灯泡被局部短路,灯泡会一直不发光,故B不符合要求。
C、该电路闭合开关,电磁铁有了磁性,吸下衔铁,衔接与上面的触点分开,灯泡不发光。之后电磁铁一直有电流,磁性保持,动触点无法与上面的静触点接触,灯泡会一直不发光,故C不符合要求。
D、该电路闭合开关,电磁铁与灯泡中都有电流经过,灯泡发光且电磁铁产生磁性;之后电磁铁将动触点吸下,与静触点分离,电路被切断,灯熄灭且电磁铁磁性消失,弹性衔铁弹性形变恢复,动触点与静触点接触,电路通路,灯泡发光且电磁铁又具有磁性;如此反复,灯泡持续闪烁,故D符合要求。
故答案为:(1)液化;(2)D。
【点评】本题考查液化现象的认识以及电路的设计,掌握好电磁继电器的工作原理是本题的难点。
10.实验室购买了一卷标有长度为100m的铜芯漆包线,小科想通过实验测定其实际长度。他首先测得导线横截面积S为1mm2,查阅资料得知现温度下这种导线每米的电阻值为0.017Ω。
(1)利用图甲所示的实物图测出铜导线的电阻。
①实验中,小科在闭合开关前应将滑片P置于最 右 端。(填“左”或“右”)。
②小科通过移动滑片P,测得多组数据,绘制成U﹣I图象如图乙,据此可以判定这卷导线的实际长度 小于 100m。(填“大于”、“等于”或“小于”)
(2)小思认为用电子秤测出这卷导线的质量m,利用铜的密度ρ也可以算出实际长度。请你写出这卷导线实际长度L的计算式:L= (用字母表示)。
【分析】(1)①为了保护电路闭合开关前滑片在阻值最大处;
②根据图象算出电阻,根据导线每米的电阻值为0.017Ω,算出总长度;
(2)根据ρ=和V=SL表示出总长度。
【解答】解:(1)①为了保护电路闭合开关前滑片在阻值最大处即左右端;
②由图象知:R===1.6Ω,
因为每1m的电阻为0.017Ω,
所以导线的总长度为L线==94.11m<100m;
(2)用电子秤测出这卷导线的质量m,铜的密度ρ;
这卷导线的体积:V=;
这卷导线的长度:L==。
故答案为:(1)①右;②小于;(2)L=。
【点评】本题考查欧姆定律的运用及利用密度公式来设计实验方案,难度不是很大。
11.某科学兴趣小组在探究影响导体电阻大小及灯泡亮暗的因素时。做了如甲图所示的实验:将鳄鱼夹从较长的镍铬合金丝的A端逐渐滑向B端时,发现电流表示数逐渐增大,同灯泡逐渐变亮。
(1)通过实验可得出结论:导体的电阻大小与 导体长度 有关;灯泡的亮暗与通过灯泡的电流大小有关。
(2)小明认为决定灯泡亮暗的因素只是电流大小,请你设计一个实验来否定小明的观点(只需在相应的方框内画出电路图)。
实验材料:两个不同规格的灯泡L1和L2,电池组、开关S及导线若干。
(3)接下来,小明又做了如下实验:将整条镍合金丝AB接入电路,闭合开关,然后用大功率吹风机先对镍铬合金丝吹一段时间热风,再改用冷风挡对镍铬合金吹冷风。在整个过程中观察电流表示数的变化情况,小明所做的这一实验基于的假设是 导体的电阻与温度有关 。
【分析】(1)将鳄鱼夹从较长的镍铬合金丝的A端逐渐滑向B端时,AB接入电路的长度发生了变化,据此分析;
(2)探究决定灯泡亮暗的因素只与电流有关,应控制电流相同;
(3)导体的电阻与温度有关。
【解答】解:(1)将鳄鱼夹从较长的镍铬合金丝的A端逐渐滑向B端时,电阻丝接入电路中的长度变短了,发现电流表示数逐渐增大,同灯泡逐渐变亮,这说明导体的电阻减小了,即电阻大小与导体的长度有关;
(2)实验中,可以将两个不同规格的灯泡L1和L2组成串联电路,此时通过两灯的电流是相同的,然后通过观察灯泡的亮度来验证小明的观点;如图:
;
(3)用大功率吹风机先对镍铬合金丝吹一段时间热风,再改用冷风挡对镍铬合金吹冷风,此时会改变导体的温度,根据电流表示数变化可以得出电阻大小与温度的关系;故小明所做的这一实验基于的假设是导体的电阻与温度有关。
故答案为:(1)导体长度;(2)如图;(3)导体的电阻与温度有关。
【点评】本题考查了探究影响电阻大小因素的实验,利用好控制变量法是解题的关键。
12.小敏用图甲所示电路来测定某定值电阻的阻值:
实验次数
U/v
I/A
R/Ω
1
2.0
0.20
10.0
2
2.5
3
2.9
0.28
10.4
(1)闭合开关前,要将滑动变阻器滑片滑到 A (选填“A”或“B”)端
(2)闭合开关后,发现只有一只电表的指针发生偏转,请结合图甲电路分析产生此现象的原因是 电压表和电流表的位置互换了 。
(3)排除故障后,进行三次实验,测得数据如上表。表中第二次实验的电流可从图乙中读取,根据这三次测得的数据求得此电阻的阻值为 10.3 欧(保留一位小数)
(4)下列实验电路图丙中,也能够得出定值电阻Rx阻值的电路有 ACD 。
【分析】(1)为了保护电路,闭合开关前滑片在阻值最大处;
(2)电压表的特点是电阻很大,串联在电路中相当于断路,电流表无示数,电压表有示数;
(3)根据电流表的量程和分度值读出电流,再根据R=算出第二次电阻,最后求出平均电阻;
(4)要测量电阻阻值,需要测出电阻两端电压与通过电阻的电流,然后应用欧姆定律求出电阻阻值;
分析图示电路图,应用串并联电路特点与欧姆定律分析答题。
【解答】解:(1)为了保护电路,闭合开关前滑片在阻值最大处即A端;
(2)由电路图知:电压表串联在电路中,电流表并联在电路中,由于电压表的电阻很大串联在电路中相当于断路,电路中没有电流,电流表示数为零
电压表与电源两端相连,有示数;
(3)图乙中电流表的量程为0﹣0.6A,分度值为0.02A,示数为0.24A,
此时的电阻R2==≈10.4Ω;
三次的平均电阻为:R==≈10.3Ω;
(4)A、两电阻串联,电压表测电源电压示数为U,电流表测量电路中的电流表示数为I,总电阻为,Rx的阻值为Rx=﹣R,故A可以测出Rx的阻值,故A不正确;
B、两电阻并联,电压表测电源电压示数为U,电流表测量R的电流表示数为I,
已知R的电阻,根据U=IR算出R两端的电压也就是电源电压,无法知Rx电流,不能测出Rx电阻,故B错误;
C、两电阻并联,上面的电流表测量干路的总电流表示数I,下面的电流表测量电阻R的电流表示数为I1,
已知R的电阻和电流,根据欧姆定律求出R的电压U=I1R,Rx的电流Ix=I﹣I1,则Rx==,故C正确;
D、两电阻串联,分别利用电流表测出滑片位于最大阻值处和0Ω时电路中的电流分别为I1和I2,根据电阻的串联和欧姆定律表示出电源的电压,利用电源的电压不变得出等式即可求出Rx的阻值,故D正确。
故选ACD。
故答案为:(1)A;(2)电压表和电流表的位置互换了;(3)10.3;(4)ACD。
【点评】本题难点是特殊方法测电阻阻值问题,要测电阻阻值,需要测出待测电阻两端电压与通过电阻电流,分析清楚图示电路结构、应用串并联电路特点与欧姆定律即可正确解题。
13.如图所示,在“测量小灯泡正常发光时的电阻”的实验中,提供的器材有:小灯泡(额定电压为2.5V,灯丝电阻约为12Ω)、电源(电压恒为6V)、电流表、电压表、开关各一个,规格不同的滑动变阻器,导线若干。
(1)闭合开关后,发现电压表有示数,电流表无示数,则故障原因可能是 灯泡断路 ;
(2)要完成该实验,可选用的滑动变阻器是 B ;
A.“10Ω 1A”
B.“20Ω 0.5A”
C.“30Ω 0.1A”
(3)当灯泡实际电压为额定电压一半时的实际电功率为P1,当灯泡实际电流为额定电流的一半时的实际电功率为P2,分析图像发现,P1 大于 P2。(选填“大于”、“小于”或“等于”)。
【分析】(1)若电流表示数为0,说明电路可能断路;电压表有示数接,说明电压表与电源连通,则与电压表并联的支路以外的电路是完好的,则与电压表并联的电路断路了;
(2)已知额定电压为2.5V,灯丝电阻约为12Ω,由欧姆定律得出灯泡正常发光时的电阻大小,已知电源电压恒为6V,根据串联电阻的规律及欧姆定律得出此时变阻器连入电路的电阻,考虑到电流大小,据此确定故要完成该实验选用的滑动变阻器;
(3)根据图乙可知当灯泡实际电压为额定电压一半时对应的电流大小;当灯泡实际电流为额定电流的一半时对应的电压大小,根据P=UI得出两次的实际功率,据此比较大小。
【解答】解:(1)闭合开关后,电流表无示数,电路可能断路,电压表有示数,则电压表与电源连通,则故障原因可能是灯泡断路;
(2)额定电压为2.5V,灯丝电阻约为12Ω,则灯泡正常发光时的电阻约为:
I=;
电源电压恒为6V,根据串联电阻的规律及欧姆定律,此时变阻器连入电路的电阻约为:
R滑=;
考虑到0.1A小于0.21A,故要完成该实验,可选用的滑动变阻器是“20Ω 0.5A;
故选:B;
(3)当灯泡实际电压为额定电压一半时,即为1.25V时,对应的电流约为0.15A,如下图所示:
实际电功率为:
P1=U1I1=1.25V×0.1A=0.125W;
当灯泡实际电流为额定电流的一半时,即约为0.10A时,对应的电压为0.7V,实际电功率为:
P2=U2I2=0.7V×0.10A=0.07W;
P1 大于P2。
故答案为:(1)灯泡断路;(2)B;(3)大于。
【点评】本题“测量小灯泡正常发光时的电阻”,考查故障分析、对器材的要求和电功率公式的运用。
14.用两节旧的干电池、两个开关、一个电压表、一只阻值为R0=20Ω的定值电阻、导线若干,测量未知电阻Rx的阻值,电路实物图如图甲所示。
(1)用笔画线代替导线将图甲中的电压表接在R0两端。
(2)正确连接电路,闭合开关S1和S电压表示数为U1,如图乙,U1= 2.8 V。
(3)断开S1,闭合S,电压表示数为U2,若电源电压不变,忽略电阻大小对温度影响,则Rx= (用题中给的字母表示)。
【分析】(1)用电压表测电压时,电压表要并联在待测用电器两端,选用合适的量程,并注意电压表正负接线柱的接法;
(2)根据电压表选用的量程及其分度值,读出此时的示数;
(3)根据串联电路的电流特点和欧姆定律可求出Rx的值。
【解答】解:(1)由题知,要求图甲中的电压表接在R0两端,因两节干电池的最大电压为3V,所以电压表应选用“0~3”量程,注意电流从“+”接线柱流入,从“−”接线柱流出,如图所示:
(2)由(1)可知电压表选用“0~3V”量程,分度值为 0.1V,图乙中指针指在2.8刻度线上,读数为2.8V;
(3)闭合开关S1和S时,RX被短路,电路为R0的简单电路,电压表测电源电压,则电源电压为2.8V;
断开S1,闭合S,则RX和R0串联,电压表测R0两端的电压,U0=U2,
根据串联电路的电压特点,Rx两端的电压为UX=U1−U2=2.8V−U2,
由串联分压知识得:,则RX==。
故答案为:(1)如上图所示;(2)2.8;(3)。
【点评】本题考查了实物电路的连接、电压表的读数以及串并联电路的电流、测量未知电阻的方法,稍微偏难。
15.小明同学利用如图所示的装置做“探究凸透镜成像规律”的实验。凸透镜固定在光具座45cm刻度处。
(1)实验前将烛焰、凸透镜、光屏三者的中心调节到同一高度,目的是 使烛焰的像成在光屏的中央 。
(2)当小明将三个元件移动到如图所示的位置时,光屏上恰好出现了烛焰倒立、 缩小 (选填“放大”、“缩小”或“等大”)的清晰实像,若保持蜡烛和光屏不动,将凸透镜移动到 30 cm刻度处时,仍能在光屏上成清晰的像。
【分析】(1)为使像能成在光屏的中央,应使凸透镜、光屏、烛焰的中心大致在同一高度处;
(2)当u>v时,凸透镜成倒立缩小的实像;在光的折射中,光路是可逆的。
【解答】解:(1)实验过程中,调整凸透镜和光屏的高度,使烛焰、凸透镜和光屏三者中心大致在同一高度,目的是使烛焰的像成在光屏的中央;
(2)由图可知,u>v,凸透镜成倒立缩小的实像;保持蜡烛和光屏的位置不动,将凸透镜移动到光具座30cm刻度处,此时的物距等于原来的像距,根据光路可逆可知,光屏上再次出现烛焰倒立、放大的实像;
故答案为:(1)使烛焰的像成在光屏的中央;(2)缩小;30。
【点评】此题主要考查了凸透镜成像的规律及应用,难度不大。
16.小金用如图甲所示的实验装置“探究凸透镜成像规律”:
(1)小金同学正确实验,并根据实验数据绘制了如图乙的图象(v表示像距,u表示物距),则该凸透镜的焦距是 10cm ;
(2)小金同学在实验中将蜡烛置于如图甲所示的位置,则将光屏从图甲所示位置 向左 (选填“向左”或“向右”或“不需要”)移动,光屏上可得到蜡烛清晰的像;
(3)实验过程中小金发现像成在了光屏上方(如图丙所示),若要使像成在光屏的中心,以下方法可行的有 ①④ 。
①将蜡烛位置适当调高
②将蜡烛位置适当调低
③将透镜位置适当升高
④将透镜位置适当降低
⑤将光屏位置适当远离透镜
⑥将光屏位置适当靠近透镜
【分析】(1)u=v=2f,结合表格数据得出该凸透镜的焦距;
(2)u>2f,f<v<2f,据此得出将光屏移动的方向;
(3)根据穿过光心的光线方向不变分析。
【解答】解:(1)从图中可知u=v=2f=20cm,则该凸透镜的焦距是f=10cm;
(2)小金同学在实验中将蜡烛置于如图甲所示的位置,此时u=50cm﹣20cm=30cm=2f,
则f<v<2f,故光屏的位置应在60cm和70cm之间,则将光屏从图甲所示位置向左移动,光屏上可得到蜡烛清晰的像;
(3)实验过程中小金发现像成在了光屏上方(如图丙所示),若要使像成在光屏的中心,根据穿过光心的光线方法不变可知,可将蜡烛位置适当调高,或将透镜位置适当降低,故①④正确、②③错误;
将光屏位置适当远离或靠近透镜,所成的像仍在原来的高度,故⑤⑥错误。
故选①④。
故答案为:(1)10cm;(2)向左;(3)①④。
【点评】本题考查凸透镜成像规律的应用,综合性强,难度适中。
17.小明同学设计了如图1所示的电路测电源电压及电阻R1和R2的阻值。实验器材有:待测电源E,待测电阻R1,待测电阻R2,电压表V(量程为3V,内阻很大),电阻箱R(0﹣99.99Ω),单刀单掷开关S1,单刀双掷开关S2,导线若干。
(1)先测电阻R1的阻值。闭合S1,将S2切换到a,调节电阻箱,读出其示数r和对应的电压表示数U1,保持电阻箱示数不变,将S2切换到b,读出电压表的示数U2。则电阻R1= •r 。(用上述测得的字母表示)
(2)小明同学已经测得电阻R1=4.8Ω,继续测电源电压和电阻R2的阻值。小明的做法是:闭合S1,将S2切换到a,多次调节电阻箱,读出多组电阻箱示数R和对应的电压表示数U,由测得的数据,绘出了如图2所示的图线,则电源电压为 2.5 伏,电阻R2= 7.2 欧。
【分析】(1)分析开关转换时电路的连接及电压表测量的电压,根据欧姆定律求出第1次操作时电阻箱的电流;
根据电路的电阻大小和连接方式不变,电阻箱的电压不变,根据欧姆定律由串联电路的电压规律得出电阻R1的表达式;
(2)闭合S1,将S2切换到a,电阻箱与两电阻串联,电压表测电阻箱两端的电压,根据串联电路的规律和欧姆定律得出电源电压表达式;
根据如图2所示的﹣图线为一次函数,由图2中条件求出其表达式,并将电源电压表达式变形,进行比较得出关于电源电压的方程及两电阻与电源电压关系,从而求出电源电压E和电阻R2。
【解答】解:(1)闭合S1,将S2切换到a,电压表测电阻箱两端的电压;调节电阻箱,读出其示数r和对应的电压表示数U1,此时电阻箱与R1和R2串联,由欧姆定律,电路中的电流:
I=﹣﹣﹣﹣①,
保持电阻箱示数不变,将S2切换到b,读出电压表的示数U2;此时,电压表测电阻箱与R1两端的电压,因电路的连接不变,各电阻大小和电压大小不变,故在第1次操作中,根据串联电路电压的规律,R1的电压:
UR1=U2﹣U1,由欧姆定律,电阻R1的表达式为:
R1==﹣﹣﹣﹣﹣②
由①②得:R1=•r;
(2)闭合S1,将S2切换到a,电阻箱与两电阻串联,电压表测电阻箱两端的电压,根据欧姆定律,通过电阻箱的电流为:I箱=,
根据串联电路的规律和欧姆定律,电源电压:
E=U+(R1+R2)﹣﹣﹣﹣﹣﹣①;
根据绘出了如图2所示的﹣图线为一次函数,设为:
=k+b﹣﹣﹣﹣﹣②,
由图2知,当电阻箱断开时,=0.4,
由②知,b=0.4﹣﹣﹣﹣③,
当=0.5时,=2.8,代入②得,k=4.8﹣﹣﹣﹣﹣④,
由②③④得:
=4.8×+0.4﹣﹣﹣﹣⑤;
由①得:E﹣U=(R1+R2),两边同除以E,有:=,即1﹣=,两边同除以U有:
﹣=,
即=+,﹣﹣﹣⑥
由⑤⑥得:
=4.8﹣﹣﹣﹣﹣﹣⑦
=0.4,
则电源电压E=2.5V,因R1=4.8Ω,
代入⑦式,电阻R2=7.2Ω。
故答案为:(1)•r;(2)2.5;7.2。
【点评】本题测量电源电压和电阻,考查欧姆定律和串联电路的规律,关键是从图2中获取相关的信息,体现了数学知识在物理中的运用和与高中知识的衔接,难度大。
18.某物理兴趣小组利用图甲所示实验电路图同时测量电源电压U0的大小和电阻Rx的阻值,电源电压U约为2V~3V,Rx的阻值约为6Ω~7Ω.实验室提供如下器材:导线若干、开关,电流表(量程0~0.6A,0~3A电压表(量程0~3V,0~15V)、滑动变阻器R(最大阻值为30Ω)。请你思考完成下列问题:
(1)按照图甲用笔画线代替导线,在答题卡上将图乙中的实物电路补充完整。
(2)用物理量U0、Rx、电流表的示数I写出表示电压表示数大小的关系式:U= U0﹣IRx 。
(3)①正确连接电路后,闭合开关前应使滑动变阻器连入电路的阻值为 最大 (选填“最大”或“零”);
②移动滑动变阻器的滑片,读出4组电流表和电压表示数,分别以电流表的示数I和电压表的示数U为横坐标和纵坐标,在坐标纸上描点,把这4个点连接起来大致为一条直线(并虚线延长到纵轴),如图丙所示,从图丙中信息可求得:电源电压U0= 3 V,电阻Rx= 6 Ω。
【分析】(1)电源电压U约为2V~3V,Rx的阻值约为6Ω~7Ω,由欧姆定律求出电路中的最大电流确定电流表选用小量程串联在电路中;
电压表选用小量程并联在变阻器和电流表的两端,根据电路图连接实物图,注意电流从电表正接线柱流入;
(2)根据串联电路的电压特点和欧姆定律可求电流表的示数I写出表示电压表示数U大小的关系式;
(3)①为了保护电路,闭合开关前应使滑动变阻器连入电路的阻值为最大值;
②从图丙中选两个点,根据欧姆定律和串联电路电压的规律列出方程求解。
【解答】解:(1)电源电压U约为2V~3V,Rx的阻值约为6Ω~7Ω,由欧姆定律,电路中的最大电流为:
I大===0.5A,故电流表选用小量程串联在电路中;
电压表选用小量程并联在变阻器和电流表的两端,根据电路图连接实物图,如下图所示:
(2)已知电源电压U0,电阻Rx和滑动变阻器串联,电路中电流为I,
电压表测量滑动变阻器的电压,由串联电路的电压特点和欧姆定律;
电压表的示数:
U=U0﹣Ux=U0﹣IRx;
(3)①为了保护电路,闭合开关前应使滑动变阻器连入电路的阻值为最大值;
②电阻Rx和滑动变阻器串联,由图数据,根据欧姆定律和串联电路电压的规律可得,
U0=U+IRx;
即 U0=2.4V+0.1A×Rx﹣﹣﹣﹣﹣Ⅰ,
U0=1.8V+0.2A×Rx﹣﹣﹣﹣﹣﹣﹣﹣Ⅱ,
由Ⅰ、Ⅱ可得,U0=3V;Rx=6Ω。
故答案为:(1)如上图;(2)U0﹣IRx; (3)①最大; ②3;6。
【点评】本题测量电源电压U0的大小和电阻Rx的阻值,考查电路连接、串联电路的规律及欧姆定律和注意事项。
19.小毛在STEAM课堂上制作出水凸透镜并结合教材知识进行探究。
(1)在探究凸透镜成像的规律时,通过注水器调节水凸透镜的焦距为10cm。将蜡烛、水凸透镜和光屏固定在光具座上,若点燃蜡烛后,无论怎样调节蜡烛的位置,始终不能在光屏上找到烛焰的像,原因是 蜡烛放在一倍焦距以内 。
(2)找到原因并解决问题后,在蜡烛处于如图甲所示的位置上,此时在光屏上得到的是倒立、 缩小 的实像。
(3)在光屏上得到清晰的像后,如果保持光屏和水凸透镜的位置不变,当蜡烛向水凸透镜靠近时,要在光屏上重新得到清晰的像,可以通过注射器往水凸透镜中 注入 (选填“注入”或“抽出”)适量的水。
(4)根据光的色散现象,太阳光经三棱镜发生偏折后在光屏上自上而下出现了红、橙、黄、绿、蓝、靛、紫的色带(部分色光未画出),如图乙所示。若使用红光、黄光和蓝光来测量水凸透镜的焦距(f)大小(如图丙)。下列关于这三种色光通过水凸透镜时的焦距(f)大小关系正确的是 C (填选项)。
A.f红<f黄<f蓝 B.f红=f黄=f蓝 C.f红>f黄>f蓝 D.f黄>f红>f蓝
【分析】(1)若光屏上没有像,可能是因为物距小于焦距,成了虚像,不能成在光屏上;有可能光屏、凸透镜和烛焰的中心不在同一高度上,像无法成在光屏上;有可能物体在焦点上,不能成像;
(2)根据此时的物距与焦距的关系可判断物距的大小,根据物距大于2倍焦距时,凸透镜成倒立缩小的实像可得出结论;
(2)凸透镜成实像规律:物远像近像变小、物近像远像变大;
(4)白光经三棱镜后,光屏上而下出现了红、橙、黄、绿、蓝、靛、紫的色带,是因为不同颜色的光经玻璃的折射本领不同。
【解答】解:(1)从实验装置上考虑:实验时若像很远,像距很大,光具座不够长,则光屏不会接收到像;蜡烛、透镜、光屏若不在同一高度上,所成的像有可能不能呈现在光屏上;从成像规律上考虑:若蜡烛恰好放在焦点上,则不会成像;蜡烛放在焦点以内,则会成正立放大的虚像,虚像不会呈现在光屏上;
(2)凸透镜焦距是10cm,当把凸透镜固定在70cm刻度线位置,蜡烛固定在20cm刻度线位置时,物距为70.0cm﹣20.0cm=50.0cm,物距大于2倍焦距,所以此时成倒立缩小的实像;
(2)光屏和水凸透镜位置保持不变,当蜡烛向水凸透镜靠近时,物距变小,像距变大,像会成在原来像的后方,因此要在光屏上重新得到清晰的像,应减小像距,需要减小凸透镜的焦距,增大凸透镜的凸度,应通过注射器往水凸透镜中注入适量的水;
(4)用红光、黄光和蓝光平行于同一个凸透镜的主光轴射入,红光、黄光和蓝光对凸透镜的焦距不相同,红光相对于黄光、蓝光来说,偏折能力最弱,所以红色光对凸透镜的焦距大;蓝光入射时焦距最小,故三种色光通过水凸透镜时的焦距(f)大小关系正确的是f红>f黄>f蓝,C选项正确。
故答案为:(1)蜡烛放在一倍焦距以内;(2)缩小;(3)注入;(4)C。
【点评】本题主要考查了凸透镜成像的规律,要熟记其内容,并搞清像距与物距之间的关系,有一定难度。
20.糖尿病是当今危害人体健康的常见病之一,常见症状有多饮、多食、多尿以及消瘦等。糖尿病的主要危害在于它的并发症,会对人体多种系统造成损害。目前,糖尿病患者常采取注射胰岛素的方法治疗。口服胰岛素能治疗糖尿病吗?为探究这一问题,某科技小组设计了如下方案:
步骤
甲鼠
乙鼠
a
将完全相同的甲、乙两只小鼠的胰岛破坏
b
定时喂全营养饲料,每次喂食前注射适量的胰岛素
c
重复b步骤几天后,采集两鼠的尿液,检测其葡萄糖含量,分析得出结论
(1)步骤a中将两只小鼠的胰岛破坏,目的是 避免小鼠自身产生胰岛素,对实验产生干扰。 。
(2)步骤b中对乙鼠的操作是 定时喂与甲鼠等量的全营养饲料,每次喂食前口服与甲鼠等量的胰岛素 。
(3)假如按照上述方案进行实验,最终仅在乙鼠的尿液中检测到了葡萄糖,由此科技小组得出口服胰岛素不能治疗糖尿病的结论,你认为是否科学,理由是 科学;因为胰岛素的成分主要是蛋白质,口服胰岛素,会在人体的胃和小肠内被消化,最终以氨基酸的形式被吸收进入血液循环,起不到降低血糖浓度的作用 。
【分析】(1)胰岛素的主要作用是调节糖的代谢。具体说,它能促进血糖合成糖原,加速血糖分解,从而降低血糖浓度。人体内胰岛素分泌不足时,血糖合成糖原和血糖分解的作用就会减弱,结果会导致血糖浓度升高而超过正常值,一部分血糖就会随尿排出体外,形成糖尿病。胰岛素只能注射,不能口服,因为胰岛素是一种蛋白质,如果口服,进入消化道后会在胃内被初步消化,从而失去疗效,在小肠内会被彻底分解成氨基酸。
(2)对照实验是指在研究一种条件对研究对象的影响时,所进行的除了这种条件不同之外,其他条件都相同的实验。其中不同的条件就是实验变量。
【解答】解:(1)当两只小鼠的胰岛破坏后,胰岛也就不起作用了,不能分泌胰岛素,这样做的目的是避免小鼠自身产生胰岛素,对实验产生干扰。
(2)甲和乙的变量是胰岛素的摄入方式,甲组定时喂全营养饲料,每次喂食前注射适量胰岛素,乙组定时喂与甲相同的全营养饲料,每次喂食前口服与甲等量的胰岛素。
(3)假如按照上述方案进行实验,最终仅在乙鼠的尿液中检测到了葡萄糖,说明乙鼠可能患有糖尿病,甲鼠注射胰岛素后小鼠体内的血糖浓度迅速降低。由此得出结论:胰岛素具有降低血糖的作用,口服胰岛素不起作用。
因为胰岛素只能注射,不能口服,因为胰岛素是一种蛋白质,如果口服,进入消化道后会在胃内被初步消化,从而失去疗效,在小肠内会被彻底分解成氨基酸。
故答案为:
(1)避免小鼠自身产生胰岛素,对实验产生干扰。
(2)定时喂与甲鼠等量的全营养饲料,每次喂食前口服与甲鼠等量的胰岛素。
(3)科学;胰岛素只能注射,不能口服,因为胰岛素的成分主要是蛋白质,口服胰岛素,会在人体的胃和小肠内被消化,最终以氨基酸的形式被吸收进入血液循环,起不到降低血糖浓度的作用。
【点评】由于胰岛素的成分主要是蛋白质,口服胰岛素,会在人体的胃和小肠内被消化,最终以氨基酸的形式被吸收进入血液循环,起不到降低血糖浓度的作用。
21.小金用图甲所示的电路探究串联电路电压的规律,实验时意外发现:“当变阻器滑片P向左移时,两电压表的读数之和减小。”他产生了疑惑,在老师的引导下,知道了用久的普通干电池内部有不可忽略的电阻,可将它看作一个理想电源(电压U恒定,电阻为0)与一个电阻r的串联(图乙所示),为了测量干电池电阻r,他选择了适当器材,设计出如下的实验方案。
(1)选用的器材:一个电压表,符合实验要求的已知阻值的定值电阻R1,导线和开关若干,一节旧干电池。
(2)设计出了如图丙的实验电路图。
(3)请你根据他所设计的电路图,帮他写出主要的实验步骤和需测量的物理量。 ①按照电路图连接电路,记下开关S断开时电压表的示数U;②闭合开关S,记下电压表的示数U1 。
(4)请你帮他写出干电池电阻r的数学表达式(用已知量和测量量表示): 。 。
【分析】测量干电池电阻r的原理是用公式R=.电压表是用来测电压的,但用它也可以间接测出电流。因为器材中有已知阻值的电阻,我们用电压表测出定值电阻的电压,根据I=就可以算出电流了。
这样接下来我们就应该想到将定值电阻与电源(即r)串联起来,因为串联电流相等,然后我们要想测出r的电压,可以利用串联电路的电压规律,只要测出电源电压和定值电阻的电压就可以算出r两端的电压了。
【解答】解:根据实验电路丙图可知,将R1与电源(r)串联起来,将电压表并联在R1两端。
当S断开时,电压表测的是电源电压;当S闭合时,电压表测的是R1两端电压,利用串联电路电流规律和电压规律即可求解。
所以实验步骤:
①按照电路图连接电路,记下开关S断开时电压表的示数U;②闭合开关S,记下电压表的示数U1。
因为串联电路电流相等:则 =,整理得r=。
故答案为:(3)①按照电路图连接电路,记下开关S断开时电压表的示数U;②闭合开关S,记下电压表的示数U1;(4)。
【点评】本题难度较大,考查的是测电阻的特殊方法﹣伏欧法,这种方法依据的也是欧姆定律,还有要依据串联电路的电流、电压规律。
22.小科连接好如图1所示电路,闭合开关,按一定操作来测量“小灯泡的电阻”,获得实验数据如表:
实验次数
1
2
3
4
电压U/伏
2.5
2.0
1.5
1.0
电流I/安
0.22
0.20
0.17
0.13
电阻R/欧
11.36
?
8.82
7.69
(1)表中第2次实验时,小灯泡电阻为 10.00 欧;
(2)将表中电流、电压数据转换为I﹣U图象(图2),正确的是 A ;
(3)小科发现第3、4两次实验小灯泡不发光,出现这种现象的原因是 小灯泡的实际功率太小 ;
(4)小君按小科的方法连接好电路,闭合开关后发现小灯泡不发光,电流表指针不偏转,电压表指针偏转。若此电路只有一处故障,你认为该故障是 小灯泡断路 。
【分析】(1)根据R=算出灯泡的电阻;
(2)灯泡的电阻不是定值,I﹣U图象不是直线;
(3)灯泡的亮度是由灯泡的实际功率决定的;
(4)常见的电路故障有断路与短路,根据故障现象分析电路故障原因。
【解答】解:(1)表中第2次实验时,小灯泡的电压U=2.0V,电流I=0.20A,
灯泡的电阻为:R===10.00Ω;
(2)随电压的增大,灯丝的温度升高,而灯丝的电阻随温度的升高而增大,所以小灯泡的电流随两端电压变化的图象不是直线,故A正确;
(3)灯泡的亮度是由灯泡的实际功率决定的,第3、4两次实验电压低,电流小,灯泡的实际功率太小,达不到灯泡的发光功率,所以第3、4两次实验小灯泡不发光;
(4)灯不发光,电流表指针不偏转,说明电路存在断路;电压表有示数,说明电压表与电源两极相连,电压表并联部分之外的电路不存在断路,综合分析可知,电路故障是小灯泡断路。
故答案为:(1)10.00;(2)A;(3)小灯泡的实际功率太小;(4)小灯泡断路。
【点评】本题考查了电阻的计算、图象的分析、实验现象分析、故障分析等知识,是一道中等题。
23.在“探究影响导体电阻的因素”实验中,电阻丝A、B的长度、横截面积相同,材料不同;电阻丝B、C的材料和横截面积相同,C的长度大于B。
实验电路如图甲所示,用电阻丝A、B进行实验,N点固定,M点是金属丝上可以左右移动的点,MN两点间距离用X表示。在实验过程中,用电压表测出MN两点间的电压。
(1)闭合开关,电流表的指针如图乙所示,读数为 0.5A 。
(2)根据图丙中的实线,判断电阻丝A和电阻丝B的阻值大小关系: RA>RB 。
(3)小温将电阻丝B换成电阻丝C重新进行实验,再画出电压表读数U随N、M间距离X的变化如丙所示的虚线,老师认为该曲线存在错误,其理由是 将电阻丝B换成电阻丝C,由于长度变长,则电阻变大,根据串联电路的分压规律可知,RC两端的电压应该大于RB两端的电压 。
【分析】(1)根据电流表的量程确定电流表的分度值,根据指针的位置读数;
(2)根据图丙中的数据,利用R=分析电阻的大小关系;
(3)根据串联电路的分压规律分析。
【解答】解:(1)由图可知,电流表选用的是小量程,分度值为0.02A,示数为0.5A;
(2)根据图丙可知,电阻丝A和电阻丝B的长度相同,电阻丝A两端的电压大于电阻丝B两端的电压,由于两个电阻丝串联,通过两个电阻丝的电流是相同的,根据R=可知,RA>RB;
(3)电阻丝B、C的材料和横截面积相同,C的长度大于B,将电阻丝B换成电阻丝C,由于长度变长,则电阻变大,根据串联电路的分压规律可知,RC两端的电压应该大于RB两端的电压。
故答案为:(1)0.5A;(2)RA>RB;(3)将电阻丝B换成电阻丝C,由于长度变长,则电阻变大,根据串联电路的分压规律可知,RC两端的电压应该大于RB两端的电压。
【点评】本题是“探究影响导体电阻的因素”实验,考查了电流表的读数、欧姆定律的应用、串联电路的分压规律,难度不大。
24.在探究“凸透镜成像规律”的实验中(凸透镜焦距10cm)。
(1)如图甲所示,保持蜡烛的位置不变,移动透镜至图甲所示刻度线处,则人眼应该在图中 B (填“A”、“B”或“C”)处且朝着相应方向,才能观察到烛焰的像。
(2)图乙中,点燃蜡烛,经过凸透镜在光屏上成清晰的、倒立缩小的实像。然后,在烛焰和凸透镜之间放副近视眼镜,发现光屏上的像变模糊了。不改变眼镜和透镜的位置,要使光屏上再次呈现清晰的像,可以进行的操作是: 光屏远离透镜(蜡烛靠近透镜) (以透镜为参照物)。
(3)小敏利用该凸透镜自制了一个模型照相机,如图丙所示。在纸筒M的一端嵌上这个凸透镜,纸筒N的一端蒙上一层半透明薄膜,把纸筒N套入M中,并能前后滑动。在较暗的室内,把凸透镜对着明亮的室外,调节凸透镜和薄膜之间的距离,在薄膜上可以看到室外景物清晰的像。再把凸透镜正对着室内近处点燃的蜡烛,为了使薄膜上出现烛焰清晰的像,应该 拉长 (填“拉长”或“缩短”)凸透镜和薄膜之间的距离。
【分析】(1)根据甲图确定此时的物距,根据凸透镜成像的特点确定像的位置,从而确定观察者的位置;
(2)分析近视眼镜对光线的作用,从而确定成像位置的变化,最终确定光屏的移动方向;
(3)根据凸透镜成实像“物近像远大,物远像近小”的规律分析解答。
【解答】解:(1)根据甲图可知,此时物距u=8cm<f,成正立、放大的虚像,与蜡烛在同一侧,因此人眼应该在图中的B处向左看,才能看到蜡烛火焰的像;
(2)近视眼镜为凹透镜,对光线有发散作用,因此所成的像会向后移动,即像距增大。为了再次在光屏上呈现清晰的像,光屏应该远离透镜;
(3)用凸透镜看近处的蜡烛时,物距减小,根据“物近像远大”的规律可知,此时像距增大,即应该拉长凸透镜到薄膜之间的距离。
故答案为:(1)B;(2)光屏远离透镜(蜡烛靠近透镜);(3)拉长。
【点评】此题考查了凸透镜成像的规律及应用,成像中的一些问题,只要掌握基础知识,做出合理的推理,都比较容易解答。
25.某小组同学利用规格为“50Ω 0.6A”的滑动变阻器和其他的器材来测导体电阻,该变阻器的电阻丝上有一处断点。实验电路如图所示,电源电压恒为4.5V。
请分析回答:
(1)连接好电路,闭合开关,向右移动滑动变阻器滑片,当滑片移到C点时,发现两表才有示数,示数分别为1.5V、0.1A。根据以上信息用笔画线代替导线将图中电路连接完整。
(2)该实验多次测量的目的是 取平均值减小误差 。
(3)小组同学用这套器材(所有器材不变)和阻值为5Ω、10Ω、20Ω的三个定值电阻继续探究“电流与电阻的关系”。实验中要控制电阻两端的电压不变,那么电阻两端电压最小能控制到 1.8 V。
【分析】(1)由题意可知,当向右移动滑动变阻器滑片,当滑片移到C点时,发现两表才有示数,这说明C点左侧有断路故障(或接触不良),据此确定变阻器的连接;
(2)多次测量取平均值可减小误差;
(3)当滑片移到C点时,发现两表才有示数,示数分别为1.5V、0.1A,根据串联电路的规律及欧姆定律得出变阻器的最大电阻;
根据串联电路电压的规律及分压原理有=,据此求出电阻两端的最小电压。
【解答】解:(1)由题意可知,当向右移动滑动变阻器滑片,当滑片移到C点时,发现两表才有示数,这说明C点左侧有断路故障(或接触不良),则变阻器应选择右下接线柱(A接线柱)与电源正极相连,如图所示:
(2)该实验多次测量的目的是取平均值减小误差;
(3)当滑片移到C点时,发现两表才有示数,示数分别为1.5V、0.1A,根据串联电路的规律及欧姆定律,变阻器的最大电阻为:
R滑===30Ω,
电源电压为4.5V,根据串联电路电压的规律及分压原理有:
=,即=,
故电阻两端电压最小:
UV=1.8V;
故答案为:(1)如上所示;(2)取平均值减小误差;(3)1.8。
【点评】本题测导体电阻,考查电路连接、故障分析、数据处理及数据分析等知识,是一道中考常见题。
26.同学们利用“伏安法”测量未知电阻RX的阻值,所用电源电压为3V,RX阻值约为5Ω。
(1)实物电路如图甲,请用笔画线代替导线将电路连接好。
(2)闭合开关,当电压表示数为2.4V时,电流表示数如图乙,则通过电阻RX的电流I= 0.5 A,计算出RX= 4.8 Ω。
(3)利用现有的器材和电路,在已经规范使用器材的前提下,如何使测量结果更接近真实值。
【分析】(1)连接实物图时,注意电压表并联在电阻两端,电流表和滑动变阻器一上一下串联接入电路;
(2)根据电流表量程和分度值,读出电流表示数,用欧姆定律可计算出电阻的大小;
(3)实验时,应多次测量取平均值以减小误差。
【解答】解:
(1)伏安法测电阻的实验中,电压表测被测电阻两端电压,因为电源电压为3V,所以电压表应使用0﹣3V量程;
电流表串联入电路中,电流中的最大电流I===0.6A,所以电流表应使用0﹣0.6A量程;
滑动变阻器一上一下接入电路,如图所示:
(2)电流表量程0﹣0.6A,分度值0.02A,由乙图电流表示数为0.5A,所以RX===4.8Ω;
(3)实验中为使测量结果更接近真实值应多次改变滑动变阻器的滑片到不同位置,分别测出电流和电压并求出电阻值,计算电阻的平均值。
故答案为:(1)见上图;(2)0.5;4.8;(3)多次改变滑动变阻器的滑片到不同位置,分别测出电流和电压并求出电阻值,计算电阻的平均值
【点评】本题考查了伏安法测电阻的实验中,实物电路的连接,电表读数,欧姆定律的应用等,都是一些基础知识的考查,须掌握。
27.小明在进行“测量小彩灯的电阻”的实验时,实验台上给他提供的器材有:6V的蓄电池,电流表(0~0.6A,0~3A),电压表(0~3V,0~15V),滑动变阻器(50Ω,1.5A),额定电压为3.8V的小彩灯,(估计正常发光时的电阻为12Ω左右),开关等各一个,导线若干。
(1)在实验中电流表应选择的量程 0﹣0.6A 。
(2)他连接的实物电路如图甲所示,但还有两根导线没接好,同组小聪同学补接后又画出该电路的电路图如图乙。请用笔画线代替导线将这两根导线连接好。
(3)闭合开关前,应把滑动变阻器的滑片调到 C 端(填“C”或“D”)
(4)闭合开关后,小明发现小彩灯不发光,电流表的示数为零,电压表的示数为6V,产生故障的原因可能是下列情况中哪一些? CD (只填序号)
A.小彩灯短路 B.电压表的正负接线柱接反了
C.小彩灯的灯座接触不良 D.小彩灯的灯丝断了
(5)排除故障后闭合开关,移动滑动变阻器的滑片,当电压表的示数为3.8V时,小彩灯正常发光,此时电流表的示数如图丙所示,则小彩灯正常发光时的电阻为 12.7 Ω(计算结果保留一位小数)
【分析】(1)电源电压为6V,灯丝电阻约为12Ω,电路最大电流约为I===0.5A,电流表量程应选0.6A。
(2)由图知:电压表、电流表、开关连接不完整,电流表、开关串联在电路中,电压表并联在灯泡两端,电流表量程为0.6A,电压表量程15V。
(3)闭合开关前,滑动变阻器接入电路的阻值应为最大,由图可判断滑片应处于什么位置。
(4)闭合开关后,电流表的示数为零,说明电路断路,小彩灯不发光,电压表的示数为6V,说明断路位置在小灯泡处,据此作出选择。
(5)电流表量程为0.6A,最小分度值胃A,由图丙可读出电流表示数I,已知电压U,由欧姆定律可求出电阻。
【解答】解:(1)在实验中电流表应选择0﹣0.6A的量程。
(2)电流表0.6A接线柱接开关左端接线柱,因为灯泡的额定电压为3.8V,故电压表用0﹣15V的量程,故灯泡右端接线柱接电压表15V接线柱,电路图如图所示:
(3)由图知:闭合开关前,应把滑动变阻器的滑片调到C端。
(4)闭合开关后,小明发现小彩灯不发光,电流表的示数为零,电压表的示数为6V,产生故障的原因可能是断路或接触不良,故选CD。
(5)由图丙知电流表示数I=0.3A,灯泡电压U=3.8V,则则小彩灯正常发光时的电阻R==≈12.7Ω。
故答案为:(1)0﹣0.6A;(2)电路图如图示;(3)C;(4)CD;(5)12.7。
【点评】本题考查了电流表量程的选择、连接电路图、滑动变阻器的调节、电路故障分析、电流表的读数、欧姆定律,考查的知识点较多,是一道中档题。
28.实验小组要得到Rx的值,但是手边只有两个开关,一个未知电压的电源、一个阻值为10欧的定值电阻R0和一只电流表及导线若干,他们设计了如图1所示电路。
(1)根据电路图进行连接时,开关S1应处于 断开 状态。
(2)当S1闭合、S2断开时,电流表示数为0.2A。
(3)当开关S1、S2都闭合时,电流表指针超过了0.6A的量程,改接大量程后,电流表指针恰与第(2)步骤读数时指针所指的位置相同,则此时电流表示数为 1 A。
(4)若电源电压不变,根据上述数据计算出Rx= 2.5 Ω。
(5)张国提出将电路中R0换成一个0~10Ω的变阻器,电路设计为如图2所示的情况时,也可以测出Rx的值,此时若S1、S2都闭合,变阻器滑片置于b端时,会发生 短路,烧坏电流表 的结果。
【分析】(1)连接电路时开关应处于断开状态;
(3)电流表的大量程是小量程的5倍,由此判断开关S1、S2都闭合时电流表示数;
(4)分别根据欧姆定律表示出两种状态下电源电压即可计算出的Rx值;
(5)由图分析S1、S2都闭合,变阻器滑片置于b端时的电路状态即可。
【解答】解:
(1)为了保护电路,在连接电路时开关S1应处于断开状态;
(2)当S1闭合、S2断开时,电流表示数为0.2A.此时两电阻串联,
根据I=可得:U=IR=0.2A×(Rx+10Ω)…①
(3)当开关S1、S2都闭合时,R0短路,只有Rx接入电路,电流表改接大量程后,电流表指针恰与第(2)步骤指针所指的位置相同,因为电流表的大量程是小量程的5倍,所以此时电流表示数I′=5I=5×0.2A=1A;
所以U=I′Rx=1A×Rx…②
(4)根据电源电压不变,由①②可得:
0.2A×(Rx+10Ω)=1A×Rx,
解得:Rx=2.5Ω;
(5)由图S1、S2都闭合,变阻器滑片置于b端时,电流不通过电阻会造成短路,由于电流过大而烧坏电流表。
故答案为:(1)断开;(3)1;(4)2.5;(5)短路,烧坏电流表。
【点评】本题考查了特殊方法测电阻的实验,正确分析电路根据题目给出原理即可解题。关键知道电流表的大量程是小量程的5倍。
29.小科同学利用电压表和电流表测量电阻R的阻值(约10Ω),电源选用两节干电池。
(1)检查电路,发现有一根导线连接错误,请你在连接错误的导线上打“×”,在图中补画出正确的连线。
(2)该同学检查电路连接正确后,闭合开关,可是无论怎样移动滑片,电压表示数总为3V不变,为查寻原因,接下来他应先进行的具体操作是 D 。
A.检查开关是否接触良好
B.检查滑动变阻器是否短路
C.检查定值电阻是否断路
D.查看电流表是否有读数
(3)做完以上实验后,小科将电阻R换成一个额定电压为3.8V,阻值约为10Ω的小灯泡,进行“测量小灯泡的额定电功率”的实验,则小科对电路必须进行的改动,方案是 增加一节电池,电压表选择0~15V量程 。
【分析】(1)在伏安法测电阻的实验中,除了电压表与待测电阻Rx并联,其它的元件都是串联。注意电表的量程和正负接线柱的选择,还要注意变阻器接线“一上一下”。
(2)根据电路的接线特点推测可能出现的故障,然后再分析通过哪个操作就能一步确定故障的发生位置。
(3)注意电源电压是否满足要求,以及电表的量程是否需要调换即可。
【解答】解:(1)电压表应该与Rx并联,分析图片可知,只需将Rx与电流表的接线从电流表上拆下,然后改接再电源负极或电压表的“﹣”接线柱上即可,如下图所示:
(2)根据电路的连接情况可知,电压表的示数始终保持3V不变,那么开关肯定接触良好,正常工作。如果电流表有示数,那么说明Rx的连接正常,可能是变阻器被短路(只接上面两个接线柱),此时只有Rx自己,因此它的电压接近电源电压3V;如果电流表没有示数,那么可能是定值电阻发生断路,此时由于电压表与Rx串联,由于它的内阻很大,因此几乎分得全部电源电压3V。
综上所述,只要通过查看电流表的示数就能判断故障种类,故选D。
(3)如果要测量额定电压为3.8V小灯泡的电功率,那么电源电压要大于3.8V,因此电源需要增加一节干电池。因为3.8V>3V,因此电压表只能选择0~15V的量程。
故答案为:
(1);
(2)D;
(3)增加一节电池,电压表选择 0~15V 量程。
【点评】本题考查电路的连接、电路故障的判断、对器材的选择等知识,综合性较强。
30.实际的电源都有一定的电阻,如干电池,我们需要用它的电压U和电阻r两个物理量来描述它。实际计算过程中,可以把它看成是由一个电压为U、电阻为0的理想电源与一个电阻值为r的电阻串联而成,如图甲所示。实验室有一电源,电源电压约为3V、电阻不到1Ω。为了测量该电源的电压和电阻,现有两个电阻R1=15Ω,R2=5Ω,一量程为0.3A的电流表,并设计了如下的两种测量电路:乙和丙。
(1)请选择可行的测量电路 丙 ,理由是 若选择乙图,电路中的电流可能会超过电流表的量程 。
(2)简要叙述实验步骤:
a: 闭合开关S1、S2,读出电流表示数为I1 ;
b: 闭合开关S1,断开开关S2,读出电流表示数为I2 。
(3)根据测量数据和已知量,得到电源电压U= ,电源内阻r= 。(用R1、R2的值及所测物理量的符号表示)
【分析】(1)由乙电路图可知,当闭合开关S2时,R2与电源的内阻r串联,根据电阻的串联特点和欧姆定律求出此时电路中的电流会大于电流表的量程,故此方案不可行;
(2)由丙电路图可知,当只闭合开关S1时,r、R1、R2串联,电流表测电路中的电流;在闭合开关S2时,R2被短路,电路为R1、r串联,电流表测电路中的电流,根据串联电路的电阻特点和欧姆定律分别表示出电源的电压,解等式即可求出电源的电压和内阻的阻值,并据此设计实验步骤。
【解答】解:
(1)若选乙电路图,当闭合开关S2时,R2与电源的内阻r串联,
电路中的电流约为:I===0.5A>0.3A;
所以此方案不可行,故可行的测量电路为丙。
(2)实验步骤:
a闭合开关S1、S2(R1、r串联),读出电流表示数为I1;
b闭合开关S1,断开开关S2(R1、R2、r串联),读出电流表示数为I2。
(3)因电源的电压不变,则
U=I1(R1+r)=I1(15Ω+r)﹣﹣﹣﹣﹣﹣﹣﹣①,
U=I2(R1+R2+r)=I2(15Ω+5Ω+r)=I2(20Ω+r)﹣﹣﹣﹣﹣﹣﹣②,
联立两式解得:U=,r=。
故答案为:(1)丙;若选择乙图,电路中的电流可能会超过电流表的量程;
(2)a闭合开关S1、S2,读出电流表示数为I1;b闭合开关S1,断开开关S2,读出电流表示数为I2;
(3),。
【点评】本题考查了伏安法测电阻的实验,涉及到了串联电路的特点和欧姆定律的应用,关键是会分析两个电路图的变化和区别。
实验探究题专项训练一——浙江省中考科学二轮专题: 这是一份实验探究题专项训练一——浙江省中考科学二轮专题,共44页。试卷主要包含了科学家发现,科学研究发现等内容,欢迎下载使用。
实验探究题专项训练五——浙江省中考科学二轮专题: 这是一份实验探究题专项训练五——浙江省中考科学二轮专题,共50页。试卷主要包含了小乐通过图示实验装置等内容,欢迎下载使用。
实验探究题专项训练四——浙江省中考科学二轮专题: 这是一份实验探究题专项训练四——浙江省中考科学二轮专题,共48页。

