2023年广东省深圳市南山区荔香学校第一次模拟考试化学试卷(含答案)
展开
这是一份2023年广东省深圳市南山区荔香学校第一次模拟考试化学试卷(含答案),共7页。试卷主要包含了5分,9-12题每题2分),下列化学用语与含义相符的是,下列实验操作正确的是,87等内容,欢迎下载使用。
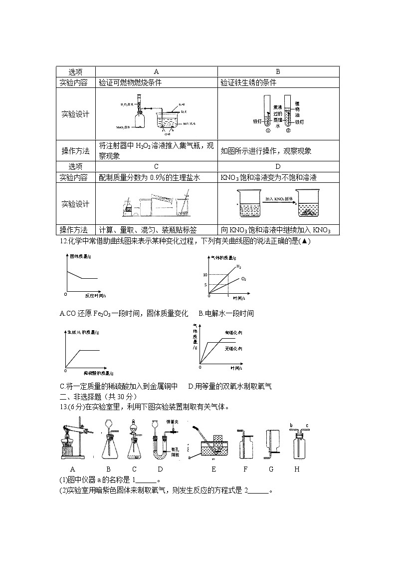
深圳市南山区荔香学校2022-2023学年度第二学期九年级第一次模拟考试化学试卷(卷面满分:50分 物理和化学合卷考试时长:100分钟)第I卷(选择题20分)可能用到的相对原子质量:C 12 O 16 H 1 Mg 24 Zn 65 Ca 40 Cl 35.5一、选择题(共20分,1-8题每题1.5分,9-12题每题2分)1.中国传统手工制墨步骤中,发生化学变化的是(▲)A.炼烟B.锤墨C.成型D.描金原料不完全燃烧得到黑色烟尘将墨饼捶打均匀将墨放入墨模压制在刻好的团上描色 2.3月29日是全国中小学生安全教育日。下列标识与安全无关的是(▲)A. B. C. D.3.下列化学用语与含义相符的是(▲)A.4个氢原子:4H2 B.铝元素的化合价为+3价:Al3+ C.2个碳酸根离子:2CO32- D.2个氮分子:2N4.下列实验操作正确的是(▲) A.塞紧橡胶塞 B.检验氢气纯度 C.检查装置气密性 D.检验二氧化碳 5.神舟飞船返回舱的“避火衣”是由钛合金等材料制成。如图是钛元素在元素周期表中的相关信息,下列说法不正确的是(▲) A.原子序数为22 B.核外电子数为22C.元素符号为Ti D.相对原子质量为47.87g6.推理和归纳是化学学习常用的思维方法。下列推理正确的是(▲)A.燃烧都有发光发热现象,则有发光发热现象的变化一定是燃烧B.原子核一般由质子和中子构成,则所有原子一定具有质子和中子C.某物质燃烧后生成CO2和H2O,则该物质一定含有C、H元素,可能含有O元素D.单质是由一种元素组成的纯净物,则由一种元素组成的物质一定是单质 7.生活中处处离不开化学。下列有关生活现象与化学知识解释不正确的是(▲)选项生活现象化学知识A餐具上的油污可用加入洗涤剂的水洗掉乳化原理B铝具有很好的抗腐蚀性能铝化学性质不活泼C泡茶时闻到茶特有的香气分子在不断地运动D霓虹灯五颜六色稀有气体通电会发光8.歼-20是高态势感知、高机动性的隐形战斗机。其中隐身材料的合成原料之一为间苯二胺(C6H8N2)。下列说法正确的是(▲)A.间苯二胺是由碳、氢、氮元素组成的混合物 B.间苯二胺中氢元素质量分数最大C.间苯二胺是由6个碳原子、8个氢原子和2个氮原子构成D.间苯二胺中碳元素和氢元素质量比为9:19.环境保护是我国的基本国策,消除汽车尾气污染是实施环境保护的重要措施。下图为汽车尾气净化器处理尾气过程示意图,下列有关叙述不正确的是(▲)A.该反应的化学方程式为:2NO+2CO 2CO2+N2 B.反应前后,氮元素的质量不变C.Pt-Rh催化剂在化学反应前后性质不变 D.使用该净化器能使汽车尾气中有害气体转化为无害物质10.A、B、C三种不含结晶水的固体物质溶解度曲线如图所示,下列说法不正确的是(▲)A.t1℃时,A的饱和溶液65g中含有溶剂50g B.将t2℃A、B,C三种物质的饱和溶液降温至t1℃时,C溶液中溶质的质量分数保持不变C.在t2℃时,A、B两种溶液中溶质的质量分数相同D.饱和A溶液中含有少量的杂质B,通常可采用降温结晶的方法来提纯A 11.下面实验设计能够达到目的的是(▲)选项AB实验内容验证可燃物燃烧条件验证铁生锈的条件实验设计操作方法将注射器中H2O2溶液推入集气瓶,观察现象如图所示进行操作,观察现象选项CD实验内容配制质量分数为0.9%的生理盐水KNO3饱和溶液变为不饱和溶液实验设计操作方法计算、量取、混匀、装瓶贴标签向KNO3饱和溶液中继续加入KNO312.化学中常借助曲线图来表示某种变化过程,下列有关曲线图的说法正确的是(▲) A.CO还原Fe2O3一段时间,固体质量变化 B.电解水一段时间 C.将一定质量的稀硫酸加入到金属铜中 D.用等量的双氧水制取氧气二、非选择题(共30分)13.(6分)在实验室里,利用下图实验装置制取有关气体。 A B C D E F G H(1)图中仪器a的名称是1 。(2)实验室用暗紫色固体来制取氧气,则发生反应的方程式是2 。(3)实验室用锌粒和一种稀酸反应制取氢气,反应的化学方程式是3 。若选择H装置采用排水法收集氢气,则应从4 (填“b”或“c”)导管口通入氢气。(4)B、C、D装置均可用作制取二氧化碳的发生装置,D装置与B、C装置相比,其突出优点是5 。14.(7分)预防新型冠状病毒,要养成勤洗手的好习惯。某免洗抑菌洗手液能在15秒内快速杀灭99.99%的细菌,其有效成分之一是乙醇(C2H5OH)。实验小组发现,乙醇与金属钠反应时有气体产生,他们对该反应产生的气体产生了兴趣,对该气体展开了探究。【提出问题】乙醇和金属钠反应产生的气体是什么?【查阅资料】乙醇和金属钠反应能生成一种常见的可燃性气体。【提出假设】对气体提出以下假设。假设I:CO;假设Ⅱ:CH4;假设III:H2;假设IV:CO2。①以上假设中,假设1 不成立,理由是2 。【实验探究】步骤实验操作实验现象实验结论(1)向盛无水乙醇的试管中加入金属钠,迅速塞上带尖嘴导管的胶塞(如上图所示),在管口用一支小试管收集并检验气体的纯度。检验气体的纯度时,听到②3 说明气体较纯(2)点燃气体,在火焰上方罩一个干冷烧杯。烧杯内壁有白雾假设③4 不成立(3)将烧杯迅速倒转,向其中注入适量的④5 ,充分振荡。⑤6 假设III成立【反思评价】根据实验结果,请写出实验步骤(2)反应的化学方程式:⑥7 。15.(8分)金属镍可用于制造货币、合金结构钢、氢化催化剂等。粗制氧化镍主要含氧化镍(NiO),以及少量氧化钴(CoO)和氧化铁,以粗制氧化镍为原料制备纯镍的流程如下:(1)请写出反应①的化学方程式1 。(2)反应③中,黑色单质X的化学式是2 。(3)反应⑤开始前用氮气充分吹扫设备内部,其目的是3 ;该反应中氧化镍与氢气反应转化为金属镍和水,则该反应的化学方程式是4 ;在此反应中,主要利用氢气的5 性(填“还原”或者“氧化”)。(4)以上生产流程中循环使用的物质是6 。(5)若将制得的Ni放入FeSO4溶液中,没有观察到明显现象,证明Ni的金属活动性比Fe 7 (选填“强”或“弱”)。16.(9分)某校化学研究小组利用数字化技术对初中化学常见的实验进行探究活动,请回答: 【活动1】为比较块状碳酸钙和碳酸钙粉末与稀盐酸反应的速率,进行了如图1所示实验,并用压强传感器测得锥形瓶内气压变化情况如图2所示。(1)图1中,C数值为1 。(2)对比分析图2中,曲线2 (选填“I”或“II”)表示的是碳酸钙粉末与稀盐酸反应的气压变化。【活动2】研究小组称取了mg大理石样品,将100g稀盐酸逐滴滴入样品中,实验过程中剩余固体与加入稀盐酸的质量关系如图3所示(假设杂质不反应,也不溶于水)。(3)大理石样品m的值是3 。(4)计算反应结束后生成二氧化碳的质量(写出计算过程)。4【活动3】为了进一步探究其他浓度盐酸与碳酸钙反应,研究小组若要配置浓度为3.7%的稀盐酸100g,则需要浓度为37%的浓盐酸5 g。
深圳市南山区荔香学校2022-2023学年度第二学期九年级第一次模拟考试化学试卷参考答案题号123456789101112答案ABCBDCBDCCAA13. 1水槽 2 2KMnO4 K2MnO4+ MnO2+O2↑ 3 Zn+H2SO4=ZnSO4+H2↑ 4 c 5控制反应开始和停止14. 1 IV 2 CO2不能燃烧 3 微弱的爆鸣声 4 I 5澄清石灰水 6不浑浊 7 2H2+O2 点燃2H2O15. 1 CaCO3 高温 CaO+CO2↑ 2 C 3排净装置内空气,防止加热时氢气不纯而爆炸 4 NiO+H2 Ni+H2O 5还原 6 CO 7弱16. 1 10 2 I 3 12 4解:设反应结束后生成CO2的质量为xCaCO3+2HCl=CaCl2+H2O+CO2↑100 4410g x x=4.4g答:反应结束后生成CO2的质量为4.4g。5 10
相关试卷
这是一份[化学]2024年广东省深圳市南山区第二外国语化学校(集团)学府中学中考四模化学试卷(无答案),共7页。
这是一份2024年广东省深圳市南山区第二外国语学校海德初中部中考三模化学试卷(1),共1页。
这是一份2024年广东省深圳市南山区第二外国语学校海德初中部中考三模化学试卷,共2页。试卷主要包含了95;,5分)等内容,欢迎下载使用。

