所属成套资源:最新中考化学热点预测工艺流程题微专题(全国通用)
专题2工业产品提纯制备类工艺流程题-中考化学热点预测工艺流程题微专题(全国通用)
展开
中考化学热点预测工艺流程题微专题
专题2 工业产品提纯制备类
1.(江苏苏州市吴中吴江相城区2021二模)医用氯化钙可用于生产补钙、抗过敏和消炎等药物。以工业碳酸钙(含有少量其他杂质)生产医药级二水合氯化钙的主要流程如图:
下列说法不正确的是( )
A. “酸溶”时需要进行搅拌以加快反应速率
B. “酸溶”时会有大量气泡产生
C. “酸化”的目的之一是将溶液中的少量Ca(OH)2转化为CaCl2
D. 实验室进行“蒸发结晶”所需的主要仪器是坩埚、玻璃棒、酒精灯
【答案】D
【解析】A、“酸溶”时需要进行搅拌,使碳酸钙与稀盐酸充分接触,以加快反应速率,说法正确;
B、“酸溶”时碳酸钙与稀盐酸反应会生成二氧化碳,会有大量气泡产生,说法正确;
C、氢氧化钙与稀盐酸反应能生成氯化钙和水,“酸化”的目的之一是将溶液中的少量Ca(OH)2转化为CaCl2,说法正确;
D、实验室进行“蒸发结晶”所需的主要仪器是蒸发皿、玻璃棒、酒精灯,说法错误。
故选:D。
2.(江苏无锡锡山区2021年东北塘中学中考三模)工业上可用二氧化硫制取氢气,流程如下图。下列有关说法不正确的是( )
A. 反应器中硫元素的化合价升高 B. 分离器中分离出的副产品是硫酸
C. 膜反应器中反应为 D. 生产流程中能被循环利用的物质是H2
【答案】D
【解析】A、反应器中,二氧化硫和水、碘反应生成硫酸和碘化氢,二氧化硫中硫元素显+4价,硫酸中硫元素显+6价,故反应器中硫元素的化合价升高,不符合题意;
B、由图可知,分离器中分离出的副产品是硫酸,不符合题意;
C、由图可知,膜反应器中的反应是HI在500℃条件下反应生成氢气和碘,该反应的化学方程式为:,不符合题意;
D、由图可知,碘既是反应物,又是生成物,可以循环利用,不是氢气,符合题意。
故选D。
3.(宁夏中卫市中宁县2021届九年级第五次联考)工业上利用赤铁矿石(主要成分是Fe2O3,还含少量SiO2等杂质)冶炼生铁的过程如图所示,下列说法不正确的是( )
A. CaSiO3中硅元素显+4价
B. 高炉气体中SO2会形成酸雨,不能直接排放到空气中
C. 原料中焦炭的作用之一是生成具有还原性的物质CO
D. 高炉炼铁的原理是,该反应属于置换反应
【答案】D
【解析】A、根据化学式化合价代数和为0,钙显+2价,氧显-2价,综合得到硅显+4价,A选项不合题意;
B、二氧化硫会和空气中的氧气和水反应生成硫酸,硫酸形成酸雨,因此二氧化硫不能直接排放,B选项不合题意;
C、焦炭可以直接与铁矿石反应,也可跟碳酸钙分解的二氧化碳反应生成一氧化碳,C选项不合题意;
D、该反应的两种反应物均为化合物,不符合置换反应的“单质与化合物反应生成另一种单质与另一种化合物”的定义,因此D选项错误,符合题意;
故选D。
4.(呼和浩特市新城区2021年新城区中考二模)氯化亚铜(CuCl)常用作有机合成工业中的催化剂。工业上用含FeCl3、CuCl2、FeCl2的废液生产CuCl并制得FeCl3蚀刻液的流程如图。已知。
(1)废液中加入铁粉,发生的化学反应基本类型为化合反应和___________反应。
(2)操作1可以把固体和液体分离,该操作名称是_____,其中玻璃棒的作用是__________。
(3)滤液中的溶质是___________。
(4)滤渣中加入硫酸时,发生反应的化学方程式为___________________________。
【答案】(1)置换 (2) ①. 过滤 ②. 引流
(3)FeCl2,HCl(或氯化亚铁、氯化氢) (4)Cu+2H2SO4=== CuSO4+2H2O+SO2↑
【解析】(1)废液中含氯化铁、氯化铜,氯化亚铁,加入铁粉,铁与氯化铁反应生成氯化亚铁,该反应符合“多变一”的特点,属于化合反应;铁与氯化铜反应生成氯化亚铁和铜,该反应符合“一种单质与一种化合物反应生成另一种单质和另一种化合物”的反应,属于置换反应,故填:置换。
(2)过滤是将不溶于液体的固体和液体分离的一种操作,操作1实现了固液分离,是过滤;其中玻璃棒的作用是引流,故填:过滤;引流。
(3)废液中含氯化铁、氯化铜,氯化亚铁,加入铁粉,铁与氯化铁反应生成氯化亚铁,铁与氯化铜反应生成氯化亚铁和铜,加入过量盐酸,铁与盐酸反应生成氯化亚铁和氢气,滤液中含氯化亚铁和氯化氢,故填:FeCl2,HCl(或氯化亚铁、氯化氢)。
(4)由图可知,滤渣为铜,滤渣中加入浓硫酸,加热,生成硫酸铜、二氧化硫,根据质量守恒定律,化学反应前后,元素的种类不变,生成物中含Cu、H、S、O,生成物中含S、O、Cu,还应含H,所以还有H2O生成,该反应是氧化铜和硫酸在加热的条件下,生成硫酸铜、水和二氧化硫,该反应的化学方程式为:Cu+2H2SO4=== CuSO4+2H2O+SO2↑,故填:Cu+2H2SO4=== CuSO4+2H2O+SO2↑
5.(2021安徽省卷)某燃煤电厂产生的固体废弃物粉煤灰中含有较多的氧化铝。从粉煤灰中提取氧化铝的工艺流程如图。
(1)“酸浸”中使用的酸是______(填字母序号)。
A.HCl B.H2SO4 C.Na2SO4
(2)流程中涉及到的氧化物有______(写出1种即可)。
(3)“煅烧”过程发生反应的化学方程式为______,反应类型是______。
(4)该工艺的价值在于______。
【答案】(1)B (2)A12O3(或H2O) (3)2Al(OH)3 Al2O3+3H2O↑ 分解反应
(4)废物再利用(其他合理答案均可)
【解析】(1)由于“酸浸”后生成了硫酸铝,所以使用的酸是硫酸;
(2)从流程中的物质可以看出,属于氧化物的有氧化铝或水;
(3)煅烧的反应条件是高温,氢氧化铝生成了氧化铝和水,水在高温条件下是气体,要标气体符号,化学方程式为:2Al(OH)3 Al2O3+3H2O↑,一种物质生成了两种,属于分解反应;
(4)该工艺的价值在于废物再利用或有利于保护金属资源等合理均可。
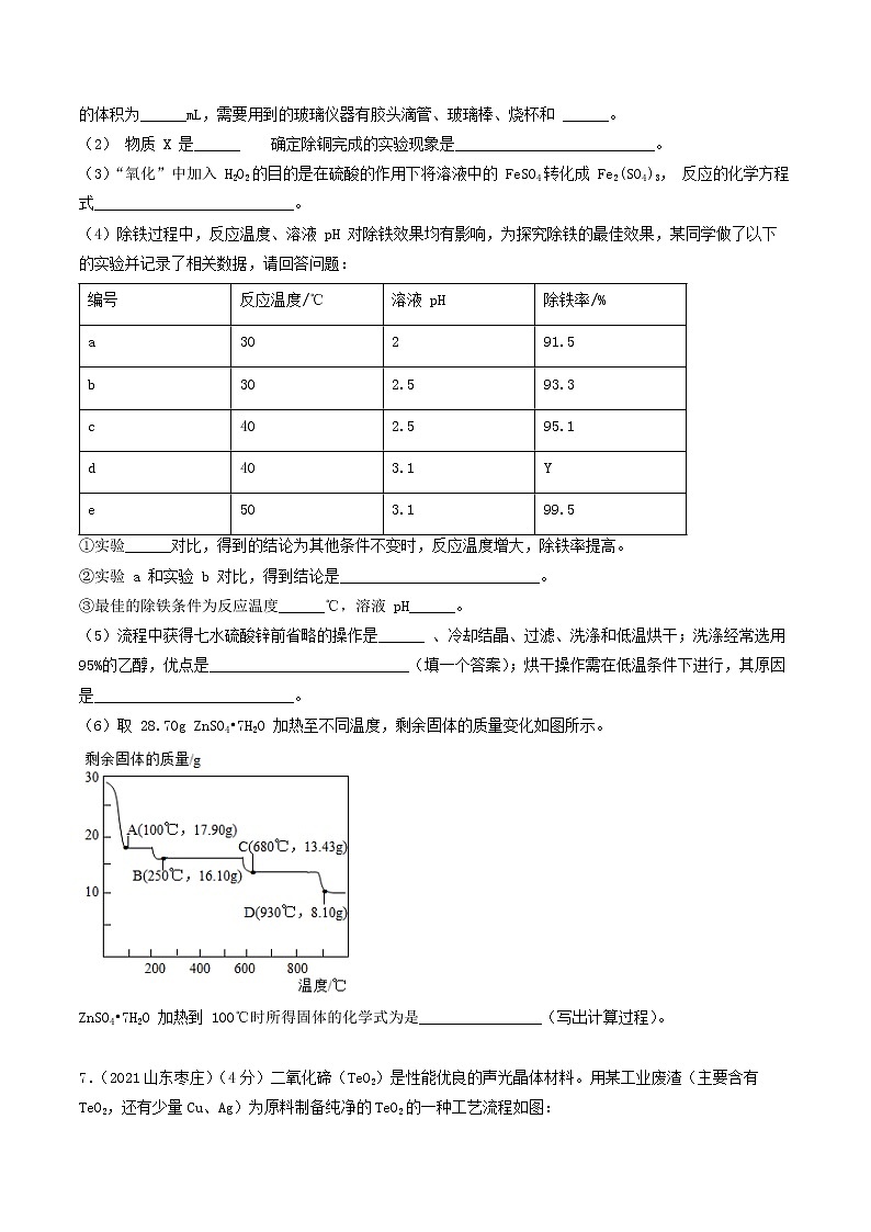
6. 以菱锌矿(主要成分是 ZnCO3,杂质为 Fe2O3、FeO、CuO)为原料制备七水硫酸锌(ZnSO4•7H2O),同时得到铁红副产品,其工艺流程如图,回答下列问题:
(1)若实验室用质量分数为 98%的硫酸配制 200g 质量分数为 24.5%的稀硫酸,需要水( 密度 1g/mL)的体积为______mL,需要用到的玻璃仪器有胶头滴管、玻璃棒、烧杯和 ______。
(2) 物质 X 是______ 确定除铜完成的实验现象是__________________________。
(3)“氧化”中加入 H2O2的目的是在硫酸的作用下将溶液中的 FeSO4转化成 Fe2(SO4)3, 反应的化学方程式__________________________。
(4)除铁过程中,反应温度、溶液 pH 对除铁效果均有影响,为探究除铁的最佳效果,某同学做了以下的实验并记录了相关数据,请回答问题:
编号
反应温度/℃
溶液 pH
除铁率/%
a
30
2
91.5
b
30
2.5
93.3
c
40
2.5
95.1
d
40
3.1
Y
e
50
3.1
99.5
①实验______对比,得到的结论为其他条件不变时,反应温度增大,除铁率提高。
②实验 a 和实验 b 对比,得到结论是__________________________。
③最佳的除铁条件为反应温度______℃,溶液 pH______。
(5)流程中获得七水硫酸锌前省略的操作是______ 、冷却结晶、过滤、洗涤和低温烘干;洗涤经常选用 95%的乙醇,优点是__________________________(填一个答案);烘干操作需在低温条件下进行,其原因是__________________________。
(6)取 28.70g ZnSO4•7H2O 加热至不同温度,剩余固体的质量变化如图所示。
ZnSO4•7H2O 加热到 100℃时所得固体的化学式为是________________(写出计算过程)。
【答案】 ①. 150mL ②. 量筒 ③. 锌 ④. 溶液由蓝色变成无色 ⑤. ⑥. bc ⑦. 其他条件不变时,溶液pH越大,除铁率越高 ⑧. 50℃ ⑨. 3.1 ⑩. 蒸发浓缩 ⑪. 便于干燥或减少晶体溶解损失 ⑫. 防止晶体失去结晶水或防止晶体受热分解 ⑬.
所以化学式为:ZnSO4•H2O
【解析】
(1)设需要水的质量为x,, x=150g,体积,需要用到的玻璃仪器有胶头滴管、玻璃棒、烧杯和量筒,故填:150mL;量筒。
(2)加入x最终生成了硫酸锌水合物,故X为锌,锌和硫酸铜反应生成硫酸锌和铜,溶液由蓝色变成无色,故填:锌;溶液由蓝色变成无色。
(3)加入 H2O2 的目的是在硫酸的作用下将溶液中的 FeSO4 转化成 Fe2(SO4)3,化学方程式2FeSO4+H2O2+H2SO4=Fe2(SO4)3+2H2O,故填:2FeSO4+H2O2+H2SO4=Fe2(SO4)3+2H2O。
(4)①实验bc温度不同,除铁率不同,bc对比,得到的结论为其他条件不变时,反应温度增大,除铁率提高,故填:bc。
②acpH不同其它条件相同,实验 a 和实验 b 对比,得到结论是其他条件不变时,溶液pH越大,除铁率越高,故填:其他条件不变时,溶液pH越大,除铁率越高。
③温度越高、pH越大除铁率越高,最佳的除铁条件为反应温度50℃,溶液 pH=3.1,故填:50;3.1。
(5)流程中获得七水硫酸锌前省略的操作是蒸发浓缩 、冷却结晶、过滤、洗涤和低温烘干;洗涤经常选用 95%的乙醇,优点是便于干燥或减少晶体溶解损失;烘干操作需在低温条件下进行,其原因是防止晶体失去结晶水或防止晶体受热分解,故填:蒸发浓缩;便于干燥或减少晶体溶解损失;防止晶体失去结晶水或防止晶体受热分解。
(6)见答案。
7.(2021山东枣庄)(4分)二氧化碲(TeO2)是性能优良的声光晶体材料。用某工业废渣(主要含有TeO2,还有少量Cu、Ag)为原料制备纯净的TeO2的一种工艺流程如图:
已知:TeO2微溶于水,能与NaOH发生反应。回答下列问题:
(1) 粉碎的目的是 。
(2) 类比CO2和NaOH反应,写出“碱浸”时发生反应的化学方程式: 。
(3) “碱浸”后过滤,此时滤渣成分为 。
(4) “沉碲”时,加入硫酸的作用为 。
【答案】(1)增大接触面积,使其充分反应(2)TeO2 + 2NaOH= Na2TeO3 + H2O
(3)Cu、Ag(4)与 Na2TeO3 反应生成微溶于水的TeO2
【解析】
(1)废渣粉碎增大与氢氧化钠溶液的接触面积,使氢氧化钠与废渣中TeO2 充分反应。
(2)CO2和NaOH反应为:CO2 + 2NaOH= Na2CO3 + H2O,作类比,TeO2与NaOH发生反应化学方程式应为:TeO2 + 2NaOH= Na2TeO3 + H2O 。
(3)氢氧化钠与废渣中TeO2 反应,与废渣中的银、铜不反应,通过过滤方法把不溶性银、铜的分离出来,故“碱浸”后过滤,此时滤渣成分为Cu、Ag 。
(4)“沉碲”顾名思义就是把Te以某种沉淀物的形式析出,根据题意加酸的目的,就是把上一步生成的 Na2TeO3 与硫酸反应,再生成TeO2(微溶于水),然后在进行过滤,得到较纯的TeO2。
8.(江苏无锡锡山区2021年东北塘中学中考三模)工业上采用硫铁矿(主要成分FeS2)在空气中焙烧去硫后的烧渣(主要成分为Fe2O3,FeO,SiO2,Al2O3,不考虑其他杂质)制取七水合硫酸亚铁FeSO4•7H2O流程如图所示:
已知:①焙烧过程主要反应为:4FeS2+11O2 2Fe2O3+8SO2
②Fe3+、Al3+、Fe2+在溶液中开始沉淀至沉淀究全的pH值如下表:
氢氧化物
Fe(OH)3
Al(OH)3
Fe(OH)2
开始沉淀的pH
1.1
3.5
6.5
沉淀完全的pH
3.2
4.7
9.7
(1)“浸取”时生成Fe3+的化学方程式为_________________________________。能提高烧渣浸取速率的措施有_____(填字母)
A 将烧渣粉碎 B 降低硫酸的浓度 C 快速搅拌
(2)“还原”的目的是将溶液中的Fe3+完全转化为Fe2+。若还原剂X是铁粉,反应化学方程式为__;若还原剂X是SO2,反应方程式为Fe2(SO4)3 +SO2+2H2O=2FeSO4+2H2SO4,采用SO2作还原剂的优点是____________________________
(3)“调节pH时”,pH的最佳范围是_____________________
(4)过滤II后,经蒸发浓缩,________________________,过滤、少量冰水洗涤、低温干燥等步骤可得到FeSO4•7H2O晶体。
【答案】(1)①. ②. AC
(2)①. ②. 利用硫铁矿在空气中焙烧产生的二氧化硫,防止污染空气 (3)4.7≤pH

