专题12 力学实验-五年(2018-2022)(原卷版+解析版)高考物理真题分项汇编(全国通用)
展开专题12 力学实验(解析版)
近5年(2018-2022)高考物理试题分类解析
1、(2022·全国乙卷·T22)用雷达探测一高速飞行器的位置。从某时刻()开始的一段时间内,该飞行器可视为沿直线运动,每隔测量一次其位置,坐标为x,结果如下表所示:
0
1
2
3
4
5
6
0
507
1094
1759
2505
3329
4233
回答下列问题:
(1)根据表中数据可判断该飞行器在这段时间内近似做匀加速运动,判断的理由是:______;
(2)当时,该飞行器速度的大小______;
(3)这段时间内该飞行器加速度的大小______(保留2位有效数字)。
【答案】 ①. 相邻1s内的位移之差接近∆x=80m ②. 547 ③. 79
【解析】
(1)[1]第1s内的位移507m,第2s内的位移587m,第3s内的位移665m,第4s内的位移746m,第5s内的位移824m,第6s内的位移904m,则相邻1s内的位移之差接近∆x=80m,可知判断飞行器在这段时间内做匀加速运动;
(2)[2]当x=507m时飞行器的速度等于0-2s内的平均速度,则
(3)[3]根据
2、(2022·全国甲卷·T23)利用图示的实验装置对碰撞过程进行研究。让质量为的滑块A与质量为的静止滑块B在水平气垫导轨上发生碰撞,碰撞时间极短,比较碰撞后A和B的速度大小和,进而分析碰撞过程是否为弹性碰撞。完成下列填空:
(1)调节导轨水平;
(2)测得两滑块的质量分别为和。要使碰撞后两滑块运动方向相反,应选取质量为______kg的滑块作为A;
(3)调节B的位置,使得A与B接触时,A的左端到左边挡板的距离与B的右端到右边挡板的距离相等;
(4)使A以一定的初速度沿气垫导轨运动,并与B碰撞,分别用传感器记录A和B从碰撞时刻开始到各自撞到挡板所用的时间和;
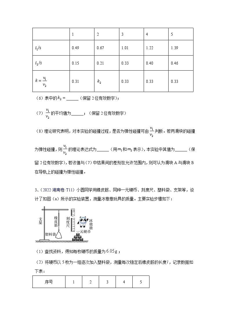
(5)将B放回到碰撞前的位置,改变A的初速度大小,重复步骤(4)。多次测量的结果如下表所示;
1
2
3
4
5
0.49
0.67
1.01
1.22
1.39
0.15
0.21
0.33
0.40
0.46
0.31
0.33
0.33
0.33
(6)表中的______(保留2位有效数字);
(7)的平均值为______;(保留2位有效数字)
(8)理论研究表明,对本实验的碰撞过程,是否为弹性碰撞可由判断。若两滑块的碰撞为弹性碰撞,则的理论表达式为______(用和表示),本实验中其值为______(保留2位有效数字),若该值与(7)中结果间的差别在允许范围内,则可认为滑块A与滑块B在导轨上的碰撞为弹性碰撞。
【答案】 ①. 0.304 ②. 0.31 ③. 0.32 ④. ⑤. 0.33
【解析】
(2)[1]应该用质量较小的滑块碰撞质量较大的滑块,碰后运动方向相反,故选0.304kg的滑块作为A。
(6)[2]由于两段位移大小相等,根据表中的数据可得
(7)[3]平均值为
(8)[4][5]弹性碰撞时满足动量守恒和机械能守恒,可得
联立解得
代入数据可得
3、(2022·湖南卷·T11)小圆同学用橡皮筋、同种一元硬币、刻度尺、塑料袋、支架等,设计了如图(a)所示的实验装置,测量冰墩墩玩具的质量。主要实验步骤如下:
(1)查找资料,得知每枚硬币的质量为;
(2)将硬币以5枚为一组逐次加入塑料袋,测量每次稳定后橡皮筋的长度,记录数据如下表:
序号
1
2
3
4
5
硬币数量/枚
5
10
15
20
25
长度
10.51
12.02
13.54
15.05
16.56
(3)根据表中数据在图(b)上描点,绘制图线;______
(4)取出全部硬币,把冰墩墩玩具放入塑料袋中,稳定后橡皮筋长度的示数如图(c)所示,此时橡皮筋的长度为______;
(5)由上述数据计算得冰墩墩玩具的质量为______(计算结果保留3位有效数字)。
【答案】 ①. 见解析 ②. 15.35 ③. 127
【解析】
(3)[1]根据表格标点连线如图
(4)[2]由图可知刻度尺的分度值为1mm,故读数;
(5)[3]设橡皮筋的劲度系数为k,原长为x0,则
设冰墩墩的质量为m1,则有
联立各式代入数据可得。
4、(2022·广东卷·T11)某实验小组为测量小球从某一高度释放,与某种橡胶材料碰撞导致的机械能损失,设计了如图(a)所示的装置,实验过程如下:
(1)让小球从某一高度由静止释放,与水平放置的橡胶材料碰撞后竖直反弹。调节光电门位置,使小球从光电门正上方释放后,在下落和反弹过程中均可通过光电门。
(2)用螺旋测微器测量小球的直径,示数如图(b)所示,小球直径__________。
(3)测量时,应__________(选填“A”或“B”,其中A为“先释放小球,后接通数字计时器”,B为“先接通数字计时器,后释放小球”)。记录小球第一次和第二次通过光电门遮光时间和。
(4)计算小球通过光电门的速度,已知小球的质量为m,可得小球与橡胶材料碰撞导致的机械能损失__________(用字母m、d、和表示)。
(5)若适当调高光电门的高度,将会__________(选填“增大”或“减小”)因空气阻力引起的测量误差。
【答案】 ①. 7.883##7.884 ②. B ③. ④. 增大
【解析】
(2)[1]依题意,小球的直径为
考虑到偶然误差,7.883mm也可以。
(3)[2]在测量时,因小球下落时间很短,如果先释放小球,有可能会出现时间记录不完整,所以应先接通数字计时器,再释放小球,故选B。
(4)[3]依题意,小球向下、向上先后通过光电门时的速度分别为v1、v2,则有
则小球与硅胶材料碰撞过程中机械能的损失量为
(5)[4]若调高光电门的高度,较调整之前小球会经历较大的空中距离,所以将会增大因空气阻力引起的测量误差。
5、(2022·山东卷·T13)在天宫课堂中、我国航天员演示了利用牛顿第二定律测量物体质量的实验。受此启发。某同学利用气垫导轨、力传感器、无线加速度传感器、轻弹簧和待测物体等器材设计了测量物体质量的实验,如图甲所示。主要步骤如下:
①将力传感器固定在气垫导轨左端支架上,加速度传感器固定在滑块上;
②接通气源。放上滑块。调平气垫导轨;
③将弹簧左端连接力传感器,右端连接滑块。弹簧处于原长时滑块左端位于O点。A点到O点的距离为5.00cm,拉动滑块使其左端处于A点,由静止释放并开始计时;
④计算机采集获取数据,得到滑块所受弹力F、加速度a随时间t变化的图像,部分图像如图乙所示。
回答以下问题(结果均保留两位有效数字):
(1)弹簧的劲度系数为_____N/m。
(2)该同学从图乙中提取某些时刻F与a的数据,画出a—F图像如图丙中I所示,由此可得滑块与加速度传感器的总质量为________kg。
(3)该同学在滑块上增加待测物体,重复上述实验步骤,在图丙中画出新的a—F图像Ⅱ,则待测物体的质量为________kg。
【答案】 ①. 12 ②. 0.20 ③. 0.13
【解析】
(1)[1]由题知,弹簧处于原长时滑块左端位于O点,A点到O点的距离为5.00cm。拉动滑块使其左端处于A点,由静止释放并开始计时。结合图乙的F—t图有
Dx = 5.00cm,F = 0.610N
根据胡克定律
计算出
k ≈ 12N/m
(2)[2]根据牛顿第二定律有
F = ma
则a—F图像的斜率为滑块与加速度传感器的总质量的倒数,根据图丙中I,则有
则滑块与加速度传感器的总质量为
m = 0.20kg
(3)[3]滑块上增加待测物体,同理,根据图丙中II,则有
则滑块、待测物体与加速度传感器的总质量为
m′ = 0.33kg
则待测物体的质量为
Dm = m′ - m = 0.13kg
6、(2022·浙江6月卷·T17)(1)①“探究小车速度随时间变化的规律”实验装置如图1所示,长木板水平放置,细绳与长木板平行。图2是打出纸带的一部分,以计数点O为位移测量起点和计时起点,则打计数点B时小车位移大小为______cm。由图3中小车运动的数据点,求得加速度为______m/s2(保留两位有效数字)。
利用图1装置“探究加速度与力、质量的关系”的实验,需调整的是______。
A.换成质量更小的车 B.调整长木板的倾斜程度
C.把钩码更换成砝码盘和砝码 D.改变连接小车的细绳与长木板的夹角
(2)“探究求合力的方法”的实验装置如图4所示,在该实验中,
①下列说法正确的是______;
A.拉着细绳套的两只弹簧秤,稳定后读数应相同
B.在已记录结点位置的情况下,确定一个拉力的方向需要再选择相距较远的两点
C.测量时弹簧秤外壳与木板之间不能存在摩擦
D.测量时,橡皮条、细绳和弹簧秤应贴近并平行于木板
②若只有一只弹簧秤,为了完成该实验至少需要______(选填“2”、“3”或“4”)次把橡皮条结点拉到O。
【答案】 ①. 6.15~6.25 ②. 1.7 ~2.1 ③. BC##CB ④. D ⑤. 3
【解析】
(1)[1]依题意,打计数点B时小车位移大小为6.20cm,考虑到偶然误差,6.15cm~6.25cm也可;
[2] 由图3中小车运动的数据点,有
考虑到偶然误差,1.7m/s2~2.1 m/s2也可;
[3] A.利用图1装置“探究加速度与力、质量的关系”的实验时,需要满足小车质量远远大于钩码质量,所以不需要换质量更小的车,故A错误;
B.利用图1装置“探究加速度与力、质量的关系”的实验时,需要利用小车斜向下的分力以平衡其摩擦阻力,所以需要将长木板安打点计时器一端较滑轮一端适当的高一些,故B正确;
C.以系统为研究对象,依题意“探究小车速度随时间变化的规律”实验时有
考虑到实际情况,即,有
则可知
而利用图1装置“探究加速度与力、质量的关系”的实验时要保证所悬挂质量远小于小车质量,即;可知目前实验条件不满足,所以利用当前装置在“探究加速度与力、质量的关系”时,需将钩码更换成砝码盘和砝码,以满足小车质量远远大于所悬挂物体的质量,故C正确;
D.实验过程中,需将连接砝码盘和小车的细绳应跟长木板始终保持平行,与之前的相同,故D错误。
故选BC。
(2)[4] A.在不超出弹簧测力计的量程和橡皮条形变限度的条件下,使拉力适当大些,不必使两只测力计的示数相同,故A错误;
B.在已记录结点位置的情况下,确定一个拉力的方向需要再选择相距较远的一个点就可以了,故B错误;
C.实验中拉弹簧秤时,只需让弹簧与外壳间没有摩擦,此时弹簧测力计的示数即为弹簧对细绳的拉力相等,与弹簧秤外壳与木板之间是否存在摩擦无关,故C错误;
D.为了减小实验中摩擦对测量结果的影响,拉橡皮条时,橡皮条、细绳和弹簧秤应贴近并平行于木板,故D正确。
故选D。
[5] 若只有一只弹簧秤,为了完成该实验,用手拉住一条细绳,用弹簧称拉住另一条细绳,互成角度的拉橡皮条,使其结点达到某一点O,记下位置O和弹簧称示数F1和两个拉力的方向;交换弹簧称和手所拉细绳的位置,再次将结点拉至O点,使两力的方向与原来两力方向相同,并记下此时弹簧称的示数F2;只有一个弹簧称将结点拉至O点,并记下此时弹簧称的示数F的大小及方向;所以若只有一只弹簧秤,为了完成该实验至少需要3次把橡皮条结点拉到O。
7、(2022·浙江1月卷·T23)“探究碰撞中的不变量”的实验装置如图所示,阻力很小的滑轨上有两辆小车A、B,给小车A一定速度去碰撞静止的小车B,小车A、B碰撞前后的速度大小可由速度传感器测得。
①实验应进行的操作有_______。
A.测量滑轨的长度
B.测量小车的长度和高度
C.碰撞前将滑轨调成水平
②下表是某次实验时测得的数据:
A的质量/kg
B的质量/kg
碰撞前A的速度大小/()
碰撞后A的速度大小/()
碰撞后B的速度大小/()
0.200
0.300
1.010
0.200
0.800
由表中数据可知,碰撞后小车A、B所构成系统的总动量大小是_______kg·m/s。(结果保留3位有效数字)
【答案】 ①. C ②.
【解析】
①[1]碰撞前将滑轨调成水平,保证碰撞前后A、B做匀速直线运动即可,没有必要测量滑轨的长度和小车的长度、高度。
故选C。
②[2]由表中数据可知小车A的质量小于B的质量,则碰后小车A反向运动,设碰前小车A的运动方向为正方向,则可知碰后系统的总动量大小为
解得
8、(2022·浙江1月卷·T17)(1)在“研究平抛运动”实验中,以小钢球离开轨道末端时球心位置为坐标原点O,建立水平与竖直坐标轴。让小球从斜槽上离水平桌面高为h处静止释放,使其水平抛出,通过多次描点可绘出小球做平抛运动时球心的轨迹,如图所示。在轨迹上取一点A,读取其坐标(x0,y0)。
①下列说法正确的是_______。
A.实验所用斜槽应尽量光滑
B.画轨迹时应把所有描出的点用平滑的曲线连接起来
C.求平抛运动初速度时应读取轨迹上离原点较远的点的数据
②根据题目所给信息,小球做平抛运动的初速度大小v0=_______。
A. B. C. D.
③在本实验中要求小球多次从斜槽上同一位置由静止释放的理由是_______。
【答案】 ①. C ②. D ③. 确保多次运动的轨迹相同
【解析】
①[1]A.只要保证小球每次从同一位置静止释放,到达斜槽末端的速度大小都相同,与实验所用斜槽是否光滑无关,故A错误;
B.画轨迹时应应舍去误差较大的点,把误差小的点用平滑的曲线连接起来,故B错误;
C.求平抛运动初速度时应读取轨迹上离远点较远的点的数据,便于减小读数产生的偶然误差,故C正确;
故选C。
②[2] 坐标原点O为抛出点,由平抛规律有
联立解得平抛初速度为
故选D。
③[3] 小球多次从斜槽上同一位置由静止释放是为了保证到达斜槽末端的速度大小都相同,从而能确保多次运动的轨迹相同。
9、(2022·河北·T11)某实验小组利用铁架台、弹簧、钩码、打点计时器、刻度尺等器材验证系统机械能守恒定律,实验装置如图1所示。弹簧的劲度系数为k,原长为L0,钩码的质量为m。已知弹簧的弹性势能表达式为,其中k为弹簧的劲度系数,x为弹簧的形变量,当地的重力加速度大小为g。
(1)在弹性限度内将钩码缓慢下拉至某一位置,测得此时弹簧的长度为L。接通打点计时器电源。从静止释放钩码,弹簧收缩,得到了一条点迹清晰的纸带。钩码加速上升阶段的部分纸带如图2所示,纸带上相邻两点之间的时间间隔均为T(在误差允许范围内,认为释放钩码的同时打出A点)。从打出A点到打出F点时间内,弹簧的弹性势能减少量为______,钩码的动能增加量为______,钩码的重力势能增加量为______。
(2)利用计算机软件对实验数据进行处理,得到弹簧弹性势能减少量、钩码的机械能增加量分别与钩码上升高度h的关系,如图3所示。由图3可知,随着h增加,两条曲线在纵向的间隔逐渐变大,主要原因是______。
【答案】 ①. ②. ③. mgh5 ④. 见解析
【解析】
(1)[1]从打出A点到打出F点时间内,弹簧的弹性势能减少量为
整理有
[2]打F点时钩码的速度为
由于在误差允许的范围内,认为释放钩码的同时打出A点,则钩码动能的增加量为
[3]钩码的重力势能增加量为
DEp重 = mgh5
(2)[4]钩码机械能的增加量,即钩码动能和重力势能增加量的总和,若无阻力做功则弹簧弹性势能的减少量等于钩码机械能的增加量。现在随着h增加,两条曲线在纵向的间隔逐渐变大,而两条曲线在纵向的间隔即阻力做的功,则产生这个问题的主要原因是钩码和纸带运动的速度逐渐增大,导致空气阻力逐渐增大,以至于空气阻力做的功也逐渐增大。
10、(2022·湖北·T12)某同学设计了一个用拉力传感器验证机械能守恒定律的实验。一根轻绳一端连接固定的拉力传感器,另一端连接小钢球,如图甲所示。拉起小钢球至某一位置由静止释放,使小钢球在竖直平面内摆动,记录钢球摆动过程中拉力传感器示数的最大值和最小值。改变小钢球的初始释放位置,重复上述过程。根据测量数据在直角坐标系中绘制的图像是一条直线,如图乙所示。
(1)若小钢球摆动过程中机械能守恒。则图乙中直线斜率的理论值为_______。
(2)由图乙得:直线的斜率为______,小钢球的重力为_______N。(结果均保留2位有效数字)
(3)该实验系统误差的主要来源是______(单选,填正确答案标号)。
A.小钢球摆动角度偏大
B.小钢球初始释放位置不同
C.小钢球摆动过程中有空气阻力
【答案】 ①. ②. ③. 0.59 ④. C
【解析】
(1)[1]设初始位置时,细线与竖直方向夹角为θ,则细线拉力最小值为
到最低点时细线拉力最大,则
联立可得
即若小钢球摆动过程中机械能守恒。则图乙中直线斜率的理论值为;
(2)[2][3]由图乙得直线的斜率为
则小钢球的重力为
(3)[4]该实验系统误差的主要来源是小钢球摆动过程中有空气阻力,使得机械能减小,故选C。
11. 2021全国甲卷第9题. 为测量小铜块与瓷砖表面间的动摩擦因数,一同学将贴有标尺的瓷砖的一端放在水平桌面上,形成一倾角为的斜面(已知sin=0.34,cos=0.94),小铜块可在斜面上加速下滑,如图所示。该同学用手机拍摄小铜块的下滑过程,然后解析视频记录的图像,获得5个连续相等时间间隔(每个时间间隔∆T=0.20s)内小铜块沿斜面下滑的距离si(i=1,2,3,4,5),如下表所示。
s1
s2
s3
s4
s5
5.87cm
7.58cm
9.31cm
11.02cm
12.74cm
由表中数据可得,小铜块沿斜面下滑的加速度大小为___________m/s2,小铜块与瓷砖表面间的动摩擦因数为___________。(结果均保留2位有效数字,重力加速度大小取9.80m/s2)
【答案】 (1). 0.43 (2). 0.32
【解析】
[1]根据逐差法有
代入数据可得小铜块沿斜面下滑的加速度大小
[2]对小铜块受力分析根据牛顿第二定律有
代入数据解得
。
12. 2021全国乙卷第9题. 某同学利用图(a)所示装置研究平抛运动的规律。实验时该同学使用频闪仪和照相机对做平抛运动的小球进行拍摄,频闪仪每隔发出一次闪光,某次拍摄后得到的照片如图(b)所示(图中未包括小球刚离开轨道的影像)。图中的背景是放在竖直平面内的带有方格的纸板,纸板与小球轨迹所在平面平行,其上每个大方格的边长为。该同学在实验中测得的小球影像的高度差已经在图(b)中标出。
完成下列填空:(结果均保留2位有效数字)
(1)小球运动到图(b)中位置A时,其速度的水平分量大小为___________,竖直分量大小为___________;
(2)根据图(b)中数据可得,当地重力加速度的大小为___________。
【答案】 (1). 1.0 (2). 2.0 (3). 9.7
【解析】
(1)[1]因小球水平方向做匀速直线运动,因此速度为
[2]竖直方向做自由落体运动,因此A点的竖直速度可由平均速度等于时间中点的瞬时速度求得
(2)[3]由竖直方向的自由落体运动可得
代入数据可得
。
13.2021湖南卷(全国新高考1卷)第11题. 某实验小组利用图(a)所示装置探究加速度与物体所受合外力的关系。主要实验步骤如下:
(1)用游标卡尺测量垫块厚度,示数如图(b)所示,___________;
(2)接通气泵,将滑块轻放在气垫导轨上,调节导轨至水平;
(3)在右支点下放一垫块,改变气垫导轨的倾斜角度;
(4)在气垫导轨合适位置释放滑块,记录垫块个数和滑块对应的加速度;
(5)在右支点下增加垫块个数(垫块完全相同),重复步骤(4),记录数据如下表:
1
2
3
4
5
6
0.087
0.180
0.260
0.425
0.519
根据表中数据在图(c)上描点,绘制图线___________。
如果表中缺少的第4组数据是正确的,其应该是___________(保留三位有效数字)。
【答案】 (1). 1.02 (2). (3). 0.342
【解析】
(1)[1]垫块的厚度为
h=1cm+2×0.1mm=1.02cm
(5)[2]绘制图线如图;
[3]根据
可知a与n成正比关系,则根据图像可知,斜率
解得
a=0.342m/s2
14.2021广东卷(新高考)第11题. 某兴趣小组测量一缓冲装置中弹簧的劲度系数,缓冲装置如图所示,固定在斜面上的透明有机玻璃管与水平面夹角为30°,弹簧固定在有机玻璃管底端。实验过程如下:先沿管轴线方向固定一毫米刻度尺,再将单个质量为200g的钢球(直径略小于玻璃管内径)逐个从管口滑进,每滑进一个钢球,待弹簧静止,记录管内钢球的个数n和弹簧上端对应的刻度尺示数,数据如表所示。实验过程中弹簧始终处于弹性限度内。采用逐差法计算弹簧压缩量,进而计算其劲度系数。
n
1
2
3
4
5
6
8.04
10.03
12.05
14.07
16.11
18.09
(1)利用计算弹簧的压缩量:,,______cm,压缩量的平均值______cm;
(2)上述是管中增加______个钢球时产生的弹簧平均压缩量;
(3)忽略摩擦,重力加速度g取,该弹簧的劲度系数为______N/m。(结果保留3位有效数字)
【答案】 (1). 6.04 (2). 6.05 (3). 3 (4). 48.6
【解析】(1)[1]根据压缩量的变化量为
[2]压缩量的平均值为
(2)[3]因三个是相差3个钢球的压缩量之差,则所求平均值为管中增加3个钢球时产生的弹簧平均压缩量;
(3)[4]根据钢球的平衡条件有
解得
。
15.2021河北卷(新高考)第12题. 某同学利用图1中的实验装置探究机械能变化量与力做功的关系,所用器材有:一端带滑轮的长木板、轻细绳、的钩码若干、光电门2个、数字计时器、带遮光条的滑块(质量为,其上可放钩码)、刻度尺,当地重力加速度为,实验操作步骤如下:
①安装器材,调整两个光电门距离为,轻细绳下端悬挂4个钩码,如图1所示;
②接通电源,释放滑块,分别记录遮光条通过两个光电门的时间,并计算出滑块通过两个光电门的速度;
③保持最下端悬挂4个钩码不变,在滑块上依次增加一个钩码,记录滑块上所载钩码的质量,重复上述步骤;
④完成5次测量后,计算出每次实验中滑块及所载钩码的总质量M、系统(包含滑块、滑块所载钩码和轻细绳悬挂钩码)总动能的增加量及系统总机械能的减少量,结果如下表所示:
0.200
0.250
0300
0.350
0.400
0.582
0.490
0.392
0.294
0.195
0.393
0.490
0.686
0.785
回答下列问题:
(1)实验中轻细绳所悬挂钩码重力势能的减少量为______J(保留三位有效数字);
(2)步骤④中的数据所缺数据为______;
(3)若M为横轴,为纵轴,选择合适的标度,在图2中绘出图像______;
若系统总机械能的减少量等于克服摩擦力做功,则物块与木板之间的摩擦因数为______(保留两位有效数字)
【答案】 (1). 0.980 (2). 0.588 (3). (4). 0.40(0.38~0.42)
【解析】(1)[1]四个钩码重力势能减少量为
(2)[2]对滑块和钩码构成的系统,由能量守恒定律可知
其中系统减少的重力势能为
系统增加的动能为
系统减少的机械能为,则代入数据可得表格中减少的机械能为
(3)[3]根据表格数据描点得的图像为
[4]根据做功关系可知
则图像的斜率为
解得动摩擦因数为
(0.38~0.42)
16.2021浙江6月卷(新高考)第17题. 在“验证机械能守恒定律”实验中,小王用如图1所示的装置,让重物从静止开始下落,打出一条清晰的纸带,其中的一部分如图2所示。O点是打下的第一个点,A、B、C和D为另外4个连续打下的点。
①为了减小实验误差,对体积和形状相同的重物,实验时选择密度大的理由是___________。
②已知交流电频率为,重物质量为,当地重力加速度,则从O点到C点,重物的重力势能变化量的绝对值_______J、C点的动能_________J(计算结果均保留3位有效数字)。比较与的大小,出现这一结果的原因可能是___________。
A.工作电压偏高 B.存在空气阻力和摩擦力 C.接通电源前释放了纸带
【答案】(1). 阻力与重力之比更小(或其它合理解释) (2). 0.547 (3). 0.588 (4). C
【解析】
①[1]在验证机械能守恒实验时阻力越小越好,因此密度大的阻力与重力之比更小
②[2]由图中可知OC之间的距离为,因此机械能的减少量为
[3]匀变速运动时间中点的速度等于这段时间的平均速度,因此
因此动能的增加量为
[4]工作电压偏高不会影响实验的误差,存在摩擦力会使重力势能的减少量大于动能的增加量,只有提前释放了纸带,纸带的初速度不为零,下落到同一位置的速度偏大才会导致动能的增加量大于重力势能的减少量。
【点评】此问巧妙:一般的题目都是EKC<,答案是B;本题是EKC>答案是C。还要注意一个细节:从0到第1个点的距离仅为1.55cm,如果是接通电源时释放纸带或先接通电源后释放纸带(正确的操作规范)应该是。现在小于此值,原因是接通电源前释放了纸带。
17.2021年高考上海等级考第9题
物体做直线运动的频闪照片如图所示,对()
(A) 加速度向左
(B) 速度向左
(C) 加速度向右
(D)速度向右
【答案】C
【解析】因为不知道点的先后,不能判断速度方向。只能判断加速度向右,因为越向右相邻两点间距离越来越大,则速度越来越大。
18.2021山东卷第13题.
某乒乓球爱好者,利用手机研究乒乓球与球台碰撞过程中能量损失的情况。实验步骤如下:
①固定好手机,打开录音功能;
②从一定高度由静止释放乒乓球;
③手机记录下乒乓球与台面碰撞的声音,其随时间(单位:s)的变化图像如图所示。
根据声音图像记录的碰撞次序及相应碰撞时刻,如下表所示。
碰撞次序
1
2
3
4
5
6
7
碰撞时刻(s)
1.12
1.58
2.00
2.40
2.78
3.14
347
根据实验数据,回答下列问题:
(1)利用碰撞时间间隔,计算出第3次碰撞后乒乓球的弹起高度为___________m(保留2位有效数字,当地重力加速度)。
(2)设碰撞后弹起瞬间与该次碰撞前瞬间速度大小的比值为k,则每次碰撞损失的动能为碰撞前动能的___________倍(用k表示),第3次碰撞过程中___________(保留2位有效数字)。
(3)由于存在空气阻力,第(1)问中计算的弹起高度___________(填“高于”或“低于”)实际弹起高度。
【答案】 ①. 0.20 ②. ③. 0.95 ④. 高于
【解析】(1)[1]第3次碰撞到第4次碰撞用时,根据竖直上抛和自由落体运动的对称性可知第3次碰撞后乒乓球弹起的高度为
(2)[2]碰撞后弹起瞬间速度为,碰撞前瞬间速度为,根据题意可知
则每次碰撞损失的动能与碰撞前动能的比值为
[3]第2次碰后从最高点落地瞬间的速度
第3次碰撞后瞬间速度为
则第3次碰撞过程中
(3)[4]由于存在空气阻力,乒乓球在上升过程中受到向下的阻力和重力,加速度变大,上升的高度变小,所以第(1)问中计算的弹起高度高于实际弹起的高度。
目录
实验0基本仪器的使用 2题
实验1研究直线运动 4题
实验2测量重力加速度 7题
实验3力的平行四边形法则和摩擦力 6题
实验4探究加速度与力、质量的关系 2题
实验5研究平抛运动 2题
实验6研究动能定理 4题
实验7验证机械能守恒定律 2题
实验8验证动量定理 1题
实验0基本仪器使用:游标卡尺,直尺
19.2019年高考全国1卷第22题.(5分)
某小组利用打点计时器对物块沿倾斜的长木板加速下滑时的运动进行研究。物块拖动纸带下滑,打出的纸带一部分如图所示。已知打点计时器所用交流电的频率为50 Hz,纸带上标出的每两个相邻点之间还有4个打出的点未画出。在ABCDE五个点中,打点计时器最先打出的是 点,在打出C点时物块的速度大小为 m/s(保留3位有效数字);物块下滑的加速度大小为 m/s2(保留2位有效数字)。
【答案】22.A 0.23 0.75
【解析】因为速度是加速的,时间是相等的,所以相邻两点间距离是逐渐增大的,所以打点计时器最先打出的是A点;
速度
加速度
。
实验一、研究直线运动
20.(2018年全国1卷)22.(5分)
如图(a),一弹簧上端固定在支架顶端,下端悬挂一托盘:一标尺由游标和主尺构成,主尺竖直固定在弹簧左边;托盘上方固定有一能与游标刻度线准确对齐的装置,简化为图中的指针。现要测量图(a)中弹簧的劲度系数,当托盘内没有砝码时,移动游标,使其零刻度线对准指针,此时标尺读数为1.950 cm;当托盘内放有质量为0.100 kg的砝码时,移动游标,再次使其零刻度线对准指针,标尺示数如图(b)所示,其读数为_______cm。当地的重力加速度大小为9.80 m/s2,此弹簧的劲度系数为________N/m(保留3位有效数字)。
【解析】游标卡尺的读数:主尺读3.7cm,游标尺的第15个格与主尺某格对齐,所以读数为,所以弹簧伸长为3.775cm。弹簧的劲度系数为
【答案】22.(5分)3.775 53.7
21.(2018年全国3卷)22.(6分)
甲、乙两同学通过下面的实验测量人的反应时间。实验步骤如下:
(1)甲用两个手指轻轻捏住量程为L的木尺上端,让木尺自然下垂。乙把手放在尺的下端(位置恰好处于L刻度处,但未碰到尺),准备用手指夹住下落的尺。学科@网
(2)甲在不通知乙的情况下,突然松手,尺子下落;乙看到尺子下落后快速用手指夹住尺子。若夹住尺子的位置刻度为L1,重力加速度大小为g,则乙的反应时间为________(用L、L1和g表示)。
(3)已知当地的重力加速度大小为g=9.80 m/s2,L=30.0 cm,L1=10.4 cm,乙的反应时间为__________s。(结果保留2位有效数字)
(4)写出一条提高测量结果准确程度的建议:___________。
【答案】22.(1) (2)0.20 (3)多次测量取平均值;初始时乙的手指尽可能接近尺子
22.2018年北京.21题.(18分)
用图1所示的实验装置研究小车速度随时间变化的规律。
主要实验步骤如下:
a.安装好实验器材。接通电源后,让拖着纸带的小车沿长木板运动,重复几次。
b.选出一条点迹清晰的纸带,找一个合适的点当作计时起点O(t=0),然后每隔相同的时间间隔T选取一个计数点,如图2中A、B、C、D、E、F……所示。
c.通过测量、计算可以得到在打A、B、C、D、E……点时小车的速度,分别记作v1、v2、v3、v4、v5……
d.以速度v为纵轴、时间t为横轴建立直角坐标系,在坐标纸上描点,如图3所示。
结合上述实验步骤,请你完成下列任务:
(1)在下列仪器和器材中,还需要使用的有____________和___________(填选项前的字母)。
A.电压合适的50 Hz交流电源
B.电压可调的直流电源
C.刻度尺
D.秒表
E.天平(含砝码)
(2)在图3中已标出计数点A、B、D、E对应的坐标点,请在该图中标出计数点C对应的坐标点,并画出v-t图像。
(3)观察v-t图像,可以判断小车做匀变速直线运动,其依据是___________。v-t图像斜率的物理意义是______________________。
(4)描绘v-t图像前,还不知道小车是否做匀变速直线运动。用平均速度表示各计数点的瞬时速度,从理论上讲,对△t的要求是______(选填“越小越好”或“与大小无关”);从实验的角度看,选取的△x大小与速度测量的误差______(选填“有关”或“无关”)。
(5)早在16世纪末,伽利略就猜想落体运动的速度应该是均匀变化的。当时只能靠滴水计时,为此他设计了如图4所示的“斜面实验”,反复做了上百次,验证了他的猜想。请你结合匀变速直线运动的知识,分析说明如何利用伽利略“斜面实验”检验小球的速度是随时间均匀变化的。
【答案】(1)A C
(2)如图所示
(3)小车的速度随时间均匀变化 加速度
(4)越小越好 有关
(5)如果小球的初速度为0,其速度,那么它通过的位移x∝t2。因此,只要测量小球通过不同位移所用的时间,就可以检验小球的速度是否随时间均匀变化。
实验二、测量加速度包括重力加速度
23.2020全国2卷第9题
9.一细绳跨过悬挂的定滑轮,两端分别系有小球A和B,如图所示。一实验小组用此装置测量小球B运动的加速度。
令两小球静止,细绳拉紧,然后释放小球,测得小球B释放时的高度h0=0.590 m,下降一段距离后的高度h=0.100 m;由h0下降至h所用的时间T=0.730 s。由此求得小球B加速度的大小为a=_______m/s2(保留3位有效数字)。
从实验室提供的数据得知,小球A、B的质量分别为100.0 g和150.0 g,当地重力加速度大小为g=9.80 m/s2。根据牛顿第二定律计算可得小球B加速度的大小为a′=_______m/s2(保留3位有效数字)。
可以看出,a′与a有明显差异,除实验中的偶然误差外,写出一条可能产生这一结果的原因:__________。
【答案】 (1). 1.84 (2). 1.96 (3). 滑轮的轴不光滑,绳和滑轮之间有摩擦(或滑轮有质量)
【解析】①有题意可知小球下降过程中做匀加速直线运动,故根据运动学公式有
代入数据解得a=1.84m/s2;
②根据牛顿第二定律可知对小球A有
对小球B有
带入已知数据解得;
③在实验中绳和滑轮之间有摩擦会造成实际计算值偏小。
24.2020江苏省卷第11题
11.(10分)疫情期间“停课不停学”,小明同学在家自主开展实验探究.用手机拍摄物体自由下落的视频,得到分帧图片,利用图片中小球的位置来测量当地的重力加速度,实验装置如题11-1图所示.
(1)家中有乒乓球、小塑料球和小钢球,其中最适合用作实验中下落物体的是________.
(2)下列主要操作步骤的正确顺序是_______.(填写各步骤前的序号)
①把刻度尺竖直固定在墙上 ②捏住小球,从刻度尺旁静止释放
③手机固定在三角架上,调整好手机镜头的位置 ④打开手机摄像功能,开始摄像
(3)停止摄像,从视频中截取三帧图片,图片中的小球和刻度如题11-2图所示.已知所截取的图片相邻两帧之间的时间间隔为,刻度尺的分度值是,由此测得重力加速度为_______.
(4)在某次实验中,小明释放小球时手稍有晃动,视频显示小球下落时偏离了竖直方向.从该视频中截取图片,_______(选填“仍能”或“不能”)用(3)问中的方法测出重力加速度.
【答案】
11.(1)小钢球 (2)①③④② (3)9.6(9.5~9.7都算对) (4)仍能
【解析】(3)由此测得重力加速度为,,,,代入得。
25.2020山东卷第13题
13.2020年5月,我国进行了珠穆朗玛峰的高度测量,其中一种方法是通过使用重力仪测量重力加速度,进而间接测量海拔高度。某同学受此启发就地取材设计了如下实验,测量当地重力加速度的大小。实验步骤如下:
(i)如图甲所示,选择合适高度的垫块,使木板的倾角为53°,在其上表面固定一与小物块下滑路径平行的刻度尺(图中未画出)。
(ii)调整手机使其摄像头正对木板表面,开启视频录像功能。将小物块从木板顶端释放,用手机记录下小物块沿木板向下做加速直线运动的情况。然后通过录像的回放,选择小物块运动路径上合适的一点作为测量参考点,得到小物块相对于该点的运动距离L与运动时间t的数据。
(iii)该同学选取部分实验数据,画出了-t图像,利用图像数据得到小物块下滑的加速度大小为5.6 m/s2。
(iv)再次调节垫块,改变木板的倾角,重复实验。
回答以下问题:
(1)当木板的倾角为37°时,所绘图像如图乙所示。由图像可得,物块过测量参考点时速度的大小为_____m/s;选取图线上位于坐标纸网格交叉点上的A、B两点,利用A、B两点数据得到小物块下滑加速度的大小为_____m/s2。(结果均保留2位有效数字)
(2)根据上述数据,进一步分析得到当地的重力加速度大小为_____ m/s2。(结果保留2位有效数字,sin37°= 0.60,cos37°=0.80)
【答案】 (1). 0.32或0.33 (2). 3.1 (3). 9.4
【解析】
(1)[1][2]根据可得
则由图像纵轴速度截距,可知,则v0=0.33m/s
加速度等于图像的斜率
(2)[3]由牛顿第二定律可知
即
当θ=53°时a=5.6m/s2,即
当θ=37°时a=3.0m/s2,即
联立解得g=9.4m/s2
26.2018年海南物理卷第11题.
11.(6分)
学生课外实验小组使用如图所示的实验装置测量重力加速度大小。实验时,他们先测量分液漏斗下端到水桶底部的距离s;然后使漏斗中的水一滴一滴地下落,调整阀门使水滴落到桶底发出声音的同时,下一滴水刚好从漏斗的下端滴落;用秒表测量第1个水滴从漏斗的下端滴落至第n个水滴落到桶底所用的时间t。
(1)重力加速度大小可表示为g=_____ (用s、n、t表示);
(2)如果某次实验中,s=0.90m,n=30,t=13.0s, 则测得的重力加速度大小g= m/s2; (保留2位有效数字)
(3) 写出一条能提高测量结果准确程度的建议: 。
11.【解析】,可解得。
【答案】,9.6,适当增大n。
27. 2019年高考全国3卷第22题.(5分)
甲乙两位同学设计了利用数码相机的连拍功能测重力加速度的实验。实验中,甲同学负责释放金属小球,乙同学负责在小球自由下落的时候拍照。已知相机每间隔0.1s拍1幅照片。
(1)若要从拍得的照片中获取必要的信息,在此实验中还必须使用的器材是 。(填正确答案标号)
A.米尺 B.秒表 C.光电门 D.天平
(2)简述你选择的器材在本实验中的使用方法。
答:
(3)实验中两同学由连续3幅照片上小球的位置a、b和c得到ab=24.5cm、ac=58.7cm,则该地的重力加速度大小为g=___m/s2。(保留2位有效数字)
【答案】22.(1)A
(2)将米尺竖直放置,使小球下落时尽量靠近米尺。
(3)9.7
【解析】(3)
28.2020浙江第18题
18.某同学用单摆测量重力加速度,
①为了减少测量误差,下列做法正确的是_____(多选);
A.摆的振幅越大越好
B.摆球质量大些、体积小些
C.摆线尽量细些、长些、伸缩性小些
D.计时的起、止位置选在摆球达到的最高点处
②改变摆长,多次测量,得到周期平方与摆长的关系图象如图所示,所得结果与当地重力加速度值相符,但发现其延长线没有过原点,其原因可能是_____。
A.测周期时多数了一个周期
B.测周期时少数了一个周期
C.测摆长时直接将摆线的长度作为摆长
D.测摆长时将摆线的长度加上摆球的直径作为摆长
【答案】 (1). BC (2). C
【解析】①[1].A.单摆在摆角很小的情况下才做简谐运动,单摆的摆角不能太大,一般不能超过5°,否则单摆将不做简谐振动,故A做法错误;
B.实验尽量选择质量大的、体积小的小球,减小空气阻力,减小实验误差,故B做法正确;
C.为了减小实验误差,摆线应轻且不易伸长的细线,实验选择细一些的、长度适当、伸缩性小的绳子,故C做法正确;
D.物体再平衡位置(最低点)速度最大,计时更准确,故D做法错误。
②[2].单摆的周期
即,但是实验所得没过原点,测得重力加速度与当地结果相符,则斜率仍为;则
故实验可能是测量是直接将摆线的长度作为摆长了。
29.2018年江苏11.(10分)某同学利用如图所示的实验装置来测量重力加速度g.细绳跨过固定在铁架台上的轻质滑轮,两端各悬挂一只质量为M的重锤.实验操作如下:
①用米尺量出重锤1底端距地面的高度H;
②在重锤1上加上质量为m的小钩码;
③左手将重锤2压在地面上,保持系统静止.释放重锤2,同时右手开启秒表,在重锤1落地时停止计时,记录下落时间;
④重复测量3次下落时间,取其平均值作为测量值t.
请回答下列问题
(1)步骤④可以减小对下落时间t测量的 (选填“偶然”或“系统”)误差.
(2)实验要求小钩码的质量m要比重锤的质量M小很多,主要是为了 .
(A)使H测得更准确
(B)使重锤1下落的时间长一些
(C)使系统的总质量近似等于2M
(D)使细绳的拉力与小钩码的重力近似相等
(3)滑轮的摩擦阻力会引起实验误差.现提供一些橡皮泥用于减小该误差,可以怎么做?
(4)使用橡皮泥改进实验后,重新进行实验测量,并测出所用橡皮泥的质量为m0.用实验中的测量量和已知量表示g,得g= .
【解析】(4)推导公式:根据牛顿定律,设细线拉力为F,重锤1一端:有,因为平衡了滑轮的摩擦阻力,所以力中没有,而质量中有。这一点容易错。
重锤2一端,解得又,得,解得
【答案】11.(1)偶然
(2)B
(3)在重锤1上粘上橡皮泥,调整橡皮泥质量直至轻拉重锤1能观察到其匀速下落
(4)
实验三、力的平行四边形法则和摩擦力
30.2018年天津9.(2)题
9.(2)某研究小组做“验证力的平行四边形定则”的实验,所有器材有:方木板一块,白纸,量程为5 N的弹簧测力计两个,橡皮条(带两个较长的细绳套),刻度尺,图钉(若干个)。
①具体操作前,同学们提出了如下关于实验操作的建议,其中正确的是______。
A.橡皮条应和两绳套夹角的角平分线在一条直线上
B.重复实验再次进行验证时,结点O的位置可以与前一次不同
C.使用测力计时,施力方向应沿测力计轴线;读数时视线应正对测力计刻度
D.用两个测力计互成角度拉橡皮条时的拉力必须都小于只用一个测力计时的拉力
②该小组的同学用同一套器材做了四次实验,白纸上留下的标注信息有结点位置O,力的标度、分力和合力的大小及表示力的作用线的点,如下图所示。其中对于提高实验精度最有利的是_____。
【解析】因为AD三个点离得太近,画力的方向误差大。
【答案】9.(2)①BC②B
31.2020北京卷第11题
11.某同学利用图甲所示装置研究摩擦力的变化情况。实验台上固定一个力传感器,传感器用棉线拉住物块,物块放置在粗糙的长木板上。水平向左拉木板,传感器记录的图像如图乙所示。下列说法正确的是( )
A. 实验中必须让木板保持匀速运动
B. 图乙中曲线就是摩擦力随时间的变化曲线
C. 最大静摩擦力与滑动摩擦力之比约为10:7
D. 只用图乙中数据可得出物块与木板间的动摩擦因数
【答案】C
【解析】AB.为了能研究摩擦力随时间的变化曲线,故物块一直要处于静止状态,则向左的摩擦力一直与向右轻绳的拉力平衡,图乙是向右轻绳的拉力随时间变化曲线,故图乙也可以反映摩擦力随时间变化的曲线,由图可乙知向右轻绳的拉力先增大后减小,最后趋于不变,故物块先受静摩擦力作用后受滑动摩擦力作用,所以不需要让木板保持匀速运动,故AB错误;
C.由图可知,最大静摩擦力约为10N,滑动摩擦力约为7N,故最大静摩擦力与滑动摩擦力之比约为10:7,故C正确;
D.根据,可知,由于不知道物块的重力,故无法求物块与木板间的动摩擦因数,故D错误。
故选C。
32.(2018年全国2卷)23.(9分)
某同学用图(a)所示的装置测量木块与木板之间的摩擦因数。跨过光滑定滑轮的细线两端分别与木块和弹簧秤相连,滑轮和木块之间的细线保持水平,在木块上放置砝码。缓慢向左拉动水平放置的木板,当木块和砝码相对桌面静止且木板仍在继续滑动时,弹簧秤的示数即为木块受到的滑动摩擦力的大小。某次实验所得数据在下表中给出,其中的值从图(b)中弹簧秤的示数读出。
砝码的质量m/kg
0.05
0.10
0.15
0.20
0.25
滑动摩擦力f/N
2.15
2.36
2.55
2.93
回答下列问题
(1)=__________N
(2)在图(c)的坐标纸上补齐未画出的数据点并绘出f-m图线;
(3)f与m、木块质量M、木板和木块之间的滑动摩擦因数及重力加速度大小g之间的关系式f=__________,f-m图线(直线)的斜率的表达式k=____________;
(4)取g=9.80 m/,由绘出的f-m图线求得(保留2位有效数字)
【答案】(1)2.75 (2)如图所示 (3)μ(M+m)g μg (4)0.40
33.2019年全国2卷第22题.(5分)
如图(a),某同学设计了测量铁块与木板间动摩擦因数的实验。所用器材有:铁架台、长木板、铁块、米尺、电磁打点计时器、频率50Hz的交流电源,纸带等。回答下列问题:
(1)铁块与木板间动摩擦因数μ= (用木板与水平面的夹角θ、重力加速度g和铁块下滑的加速度a表示)
(2)某次实验时,调整木板与水平面的夹角θ=30°。接通电源。开启打点计时器,释放铁块,铁块从静止开始沿木板滑下。多次重复后选择点迹清晰的一条纸带,如图(b)所示。图中的点为计数点(每两个相邻的计数点间还有4个点未画出)。重力加速度为9.8 m/s2。可以计算出铁块与木板间的动摩擦因数为 (结果保留2位小数)。
【答案】22.(1) (2)0.35
【解析】(1)根据牛顿定律,得
=1.97m/s2
。
34.2018年第23题
23.(9分)某同学用图(a)所示的装置测量木块与木板之间的摩擦因数。跨过光滑定滑轮的细线两端分别与木块和弹簧秤相连,滑轮和木块之间的细线保持水平,在木块上放置砝码。缓慢向左拉动水平放置的木板,当木块和砝码相对桌面静止且木板仍在继续滑动时,弹簧秤的示数即为木块受到的滑动摩擦力的大小。某次实验所得数据在下表中给出,其中的值从图(b)中弹簧秤的示数读出。
砝码的质量m/kg
0.05
0.10
0.15
0.20
0.25
滑动摩擦力f/N
2.15
2.36
2.55
2.93
回答下列问题
(1)=__________N
(2)在图(c)的坐标纸上补齐未画出的数据点并绘出f-m图线;
(3)f与m、木块质量M、木板和木块之间的滑动摩擦因数及重力加速度大小g之间的关系式f=__________,f-m图线(直线)的斜率的表达式k=____________;
(4)取g=9.80 m/,由绘出的f-m图线求得(保留2位有效数字)
【答案】23.(9分)(1)2.75 (2)如图所示 (3)μ(M+m)g μg (4)0.40
实验四、探究加速度与物体受力、物体质量的关系
35.2020北京卷第15题
15.在“探究加速度与物体受力、物体质量的关系”实验中,做如下探究:
(1)为猜想加速度与质量的关系,可利用图1所示装置进行对比实验。两小车放在水平板上,前端通过钩码牵引,后端各系一条细线,用板擦把两条细线按在桌上,使小车静止。抬起板擦,小车同时运动,一段时间后按下板擦,小车同时停下。对比两小车的位移,可知加速度与质量大致成反比。关于实验条件,下列正确的是:________(选填选项前的字母)。
A. 小车质量相同,钩码质量不同
B. 小车质量不同,钩码质量相同
C. 小车质量不同,钩码质量不同
(2)某同学为了定量验证(1)中得到的初步关系,设计实验并得到小车加速度与质量的7组实验数据,如下表所示。在图2所示的坐标纸上已经描好了6组数据点,请将余下的一组数据描在坐标纸上,并作出图像______。
次数
1
2
3
4
5
6
7
0.62
0.56
0.48
0.40
0.32
0.24
0.15
0.25
029
0.33
0.40
0.50
0.71
1.00
(3)在探究加速度与力的关系实验之前,需要思考如何测“力”。请在图3中画出小车受力的示意图。为了简化“力”的测量,下列说法正确的是:__________(选填选项前的字母)。
A.使小车沿倾角合适的斜面运动,小车受力可等效为只受绳的拉力
B.若斜面倾角过大,小车所受合力将小于绳的拉力
C.无论小车运动的加速度多大,砂和桶的重力都等于绳的拉力
D.让小车的运动趋近于匀速运动,砂和桶的重力才近似等于绳的拉力
【答案】 (1). B (2). (3). AD
【解析】(1)[1]为了探究加速度与质量的关系,必须控制小车所受拉力相同,而让小车的质量不同,所以钩码质量相同,故B正确。
(2)[2]数据描点和图像如图所示
(3)[3]A.使小车沿倾角合适的斜面运动,小车所受重力沿斜面的分力刚好等于小车所受的摩擦力,则小车受力可等效为只受绳的拉力,故A正确;
B.若斜面倾角过大,重力沿斜面的分力大于摩擦力,小车所受合力将大于绳的拉力,不利于简化“力”的测量,故B错误;
C.由牛顿第二定律可知,无论小车运动的加速度多大,砂和桶的重力都大于绳的拉力,故C错误;
D.当小车的运动趋近于匀速运动时,砂和桶可近似看成受力平衡,则砂和桶的重力才近似等于绳的拉力,故D正确。
故选AD。
36.2020浙江第17题
17.做“探究加速度与力、质量的关系”实验时,图甲是教材中的实验方案;图乙是拓展方案,其实验操作步骤如下:
(ⅰ)挂上托盘和砝码,改变木板的倾角,使质量为M的小车拖着纸带沿木板匀速下滑;
(ⅱ)取下托盘和砝码,测出其总质量为m,让小车沿木板下滑,测出加速度a;
(ⅲ)改变砝码质量和木板倾角,多次测量,通过作图可得到的关系。
①实验获得如图所示的纸带,计数点a、b、c、d、e、f间均有四个点未画出,则在打d点时小车的速度大小_____(保留两位有效数字);
②需要满足条件的方案是_____(选填“甲”、“乙”或“甲和乙”);在作图象时,把作为F值的是_____(选填“甲”、“乙”或“甲和乙”)。
【答案】 (1). 0.18~0.19 (2). 甲 (3). 甲和乙
【解析】①[1].打点计时器打点周期
由匀加速直线运动中,平均速度等于中间时刻的瞬时速度可得,在打d点时小车的速度
②[2][3].在图甲的实验方案中,由托盘和砝码的重力提供拉力,让小车做匀加速直线运动,由牛顿第二定律可得
则
则绳子对小车的拉力
当时,绳子拉力近似等于托盘和砝码的重力。故甲需要满足。
在图乙的实验方案中,挂上托盘和砝码,小车匀速下滑,设斜面的倾斜角为,斜面和纸带对小车的摩擦力或阻力总和为f,则有
取下托盘和砝码,小车做匀加速直线运动,由牛顿第二定律可得
即,故乙方案中,不需要满足
在甲乙方案中,均用托盘和砝码的重力mg作为小车匀加速的直线运动的合力及F。
实验五、研究平抛运动
37.2020天津卷第9题
9.某实验小组利用图1所示装置测定平抛运动的初速度。把白纸和复写纸叠放一起固定在竖直木板上,在桌面上固定一个斜面,斜面的底边ab与桌子边缘及木板均平行。每次改变木板和桌边之间的距离,让钢球从斜面顶端同一位置滚下,通过碰撞复写纸,在白纸上记录钢球的落点。
①为了正确完成实验,以下做法必要的是________。
A.实验时应保持桌面水平
B.每次应使钢球从静止开始释放
C.使斜面的底边ab与桌边重合
D.选择对钢球摩擦力尽可能小的斜面
②实验小组每次将木板向远离桌子的方向移动,在白纸上记录了钢球的4个落点,相邻两点之间的距离依次为,示意如图2。重力加速度,钢球平抛的初速度为________m/s。
③图1装置中,木板上悬挂一条铅垂线,其作用是________。
【答案】 (1). AB (2). 2 (3). 方便调整木板保持在竖直平面上
【解析】①[1]A.实验过程中要保证钢球水平抛出,所以要保持桌面水平,故A正确;
B.为保证钢球抛出时速度相同,每次应使钢球从同一位置静止释放,故B正确;
CD.实验只要每次钢球抛出时速度相同即可,斜面底边ab与桌面是否重合和钢球与斜面间的摩擦力大小对于每次抛出的速度无影响,故C错误,D错误。
故选AB。
②[2] 每次将木板向远离桌子的方向移动,则在白纸上记录钢球的相邻两个落点的时间间隔相等,刚球抛出后在竖直方向做自由落体运动,根据可知相邻两点的时间间隔为
刚球在水平方向上做匀速直线运动,所以小球初速度为
③[3]悬挂铅垂线的目的是方便调整木板保持在竖直平面上。
38.2019年高考北京理综卷第21题.(18分)
用如图1所示装置研究平地运动。将白纸和复写纸对齐重叠并固定在竖直的硬板上。钢球沿斜槽轨道PQ滑下后从Q点飞出,落在水平挡板MN上。由于挡板靠近硬板一侧较低,钢球落在挡板上时,钢球侧面会在白纸上挤压出一个痕迹点。移动挡板,重新释放钢球,如此重复,白纸上将留下一系列痕迹点。
(1)下列实验条件必须满足的有____________。
A.斜槽轨道光滑
B.斜槽轨道末段水平
C.挡板高度等间距变化
D.每次从斜槽上相同的位置无初速度释放钢球
(2)为定量研究,建立以水平方向为x轴、竖直方向为y轴的坐标系。
a.取平抛运动的起始点为坐标原点,将钢球静置于Q点,钢球的________(选填“最上端”、“最下端”或者“球心”)对应白纸上的位置即为原点;在确定y轴时______(选填“需要”或者“不需要”)y轴与重锤线平行。
b.若遗漏记录平抛轨迹的起始点,也可按下述方法处理数据:如图2所示,在轨迹上取A、B、C三点,AB和BC的水平间距相等且均为x,测得AB和BC的竖直间距分别是y1和y2,则______(选填“大于”、“等于”或者“小于”)。可求得钢球平抛的初速度大小为____________(已知当地重力加速度为g,结果用上述字母表示)。
(3)为了得到平抛物体的运动轨迹,同学们还提出了以下三种方案,其中可行的是____________。
A.从细管水平喷出稳定的细水柱,拍摄照片,即可得到平抛运动轨迹
B.用频闪照相在同一底片上记录平抛小球在不同时刻的位置,平滑连接各位置,即可得到平抛运动轨迹
C.将铅笔垂直于竖直的白纸板放置,笔尖紧靠白纸板,铅笔以一定初速度水平抛出,将会在白纸上留下笔尖的平抛运动轨迹
(4)伽利略曾研究过平抛运动,他推断:从同一炮台水平发射的炮弹,如果不受空气阻力,不论它们能射多远,在空中飞行的时间都一样。这实际上揭示了平抛物体_________。
A.在水平方向上做匀速直线运动
B.在竖直方向上做自由落体运动
C.在下落过程中机械能守恒
(5)牛顿设想,把物体从高山上水平抛出,速度一次比一次大,落地点就一次比一次远,如果速度足够大,物体就不再落回地面,它将绕地球运动,成为人造地球卫星。
同样是受地球引力,随着抛出速度增大,物体会从做平抛运动逐渐变为做圆周运动,请分析原因。
【答案】21.(18分)(1)BD(2)a.球心 需要b.大于 (3)AB(4)B
(5)物体初速度较小时,运动范围很小,引力可以看作恒力——重力,做平抛运动;随着物体初速度增大,运动范围变大,引力不能再看作恒力;当物体初速度达到第一宇宙速度时,做圆周运动而成为地球卫星。
【解析】(1)斜槽末段水平保证钢球平抛。
(2)b.,所以,
实验6验证或探究动能定理
39.2020全国3卷第9题
9.某同学利用图(a)所示装置验证动能定理。调整木板的倾角平衡摩擦阻力后,挂上钩码,钩码下落,带动小车运动并打出纸带。某次实验得到的纸带及相关数据如图(b)所示。
已知打出图(b)中相邻两点的时间间隔为0.02 s,从图(b)给出的数据中可以得到,打出B点时小车的速度大小vB=_____m/s,打出P点时小车的速度大小vP=_____m/s(结果均保留2位小数)。
若要验证动能定理,除了需测量钩码的质量和小车的质量外,还需要从图(b)给出的数据中求得的物理量为_________。
【答案】 (1). 0.36 (2). 1.80 (3). B、P之间的距离
【解析】[1][2]由匀变速直线运动中间时刻的瞬时速度等于平均速度
[3]验证动能定理需要求出小车运动的过程中拉力对小车做的功,所以需要测量对应的B、P之间的距离。
40. 2019年高考江苏省物理卷第10题.(8分)
某兴趣小组用如图10-1所示的装置验证动能定理
(1)有两种工作频率均为50Hz的打点计时器供实验选用:
A.电磁打点计时器
B.电火花打点计时器
为使纸带在运动时受到的阻力较小,应选择_______(选填“A”或“B”)
(2)保持长木板水平,将纸带固定在小车后端,纸带穿过打点计时器的限位孔。实验中,为消除摩擦力的影响,在砝码盘中慢慢加入沙子,直到小车开始运动。同学甲认为,此时摩擦力的影响已经得到消除。同学乙认为还应从盘中取出适量沙子,
直至轻推小车观察到小车做匀速运动。看法正确的同学是______(选填“甲”或“乙”)。
(3)消除摩擦力的影响后,在砝码盘中加入砝码,接通打点计时器电源,松开小车,小车运动,纸带被打出一系列点,其中一段如题10-2图所示。图中纸带按实际尺寸画出,纸带上A点的速度=______m/s.
(4)测出小车的质量为M,再测出纸带上起点到A点的距离为L。小车动能的变化量可用算出。砝码盘中砝码的质量为m,重力加速度为g.实验中,小车的质量应(选填“远大于”、“远小于”或“接近”)砝码、砝码盘和沙子的总质量,小车所受合力的功可用算出。多次测量,若W与均基本相等则验证了动能定理。
【答案】(1)B(2)乙(3)0.31(0.30~0.33都算对)(4)远大于
【解析】用刻度尺测出A两边的两点间的距离为,则速度。
这是江苏省物理卷要求用刻度尺直接测量试卷上的实际长度了,所以老师一再要求学生高考时带齐文具包括刻度尺、三角板、量角器、圆规等,就有学生不以为然,果然吃亏。不听老人言吃亏在眼前嘛!
实验七 验证机械能守恒
41.2020上海等级考第18题
18、(10分)图(a)是用DIS研究机械能守恒的装置.
(1)图(a)中定位档片的作用是( )
(2) (多选题)实验中测得C点的机械能偏大的原因是( )
(A)光电门在C的下方
(B)摆锤释放时绳子松弛
(C)摆锤在摆动的过程中有空气阻力
(D)摆锤释放时在A的上方
(3)为了验证单摆的机械能守恒。某同学测量了摆下摆时动能Ek与偏角的函数关系图,如图(b)所示。以D为零势能面,当偏角=32°时摆的重力势能为_______J,若摆的质量为0.0075kg.则摆长为_________m.
[答案](1)定性研究在改变摆长时,机械能是否守恒
(2) AD
(3) 0.060J, 0.439m
【解析】从图象知,当时,即最低点D处,动能为,即为其他位置动能与重力势能之和。从图象知。当时,动能为,所以当时,重力势能为。
根据,解得,求得摆长L。
[考察知识] DIS研究机械能守恒定律,
[核心素养]科学探究(机械能守恒定律实验的基本原理十数据读取)
实验八、验证动量定理
42.2020全国1卷第10题
10.某同学用如图所示的实验装置验证动量定理,所用器材包括:气垫导轨、滑块(上方安装有宽度为d的遮光片)、两个与计算机相连接的光电门、砝码盘和砝码等。
实验步骤如下:
(1)开动气泵,调节气垫导轨,轻推滑块,当滑块上的遮光片经过两个光电门的遮光时间________时,可认为气垫导轨水平;
(2)用天平测砝码与砝码盘的总质量m1、滑块(含遮光片)的质量m2;
(3)用细线跨过轻质定滑轮将滑块与砝码盘连接,并让细线水平拉动滑块;
(4)令滑块在砝码和砝码盘的拉动下从左边开始运动,和计算机连接的光电门能测量出遮光片经过A、B两处的光电门的遮光时间Δt1、Δt2及遮光片从A运动到B所用的时间t12;
(5)在遮光片随滑块从A运动到B的过程中,如果将砝码和砝码盘所受重力视为滑块所受拉力,拉力冲量的大小I=________,滑块动量改变量的大小Δp=________;(用题中给出的物理量及重力加速度g表示)
(6)某次测量得到的一组数据为:d=1.000 cm,m1=1.5010-2 kg,m2=0.400 kg,△t1=3.90010-2 s,Δt2=1.27010-2 s,t12=1.50 s,取g=9.80 m/s2。计算可得I=________N·s,Δp=____ kg·m·s-1;(结果均保留3位有效数字)
(7)定义,本次实验δ=________%(保留1位有效数字)。
【答案】 (1). 大约相等 (2). m1gt12 (3). (4). 0.221 (5). 0.212 (6). 4
【解析】(1)[1]当经过A,B两个光电门时间相等时,速度相等,此时由于阻力很小,可以认为导轨是水平的。
(5)[2]由I=Ft,得
[3] 由得
(6)[4]代入数值得,冲量
[5]动量改变量
(7)[6]=。
专题19 热学-五年(2018-2022)(原卷版+解析版)高考物理真题分项汇编(全国通用): 这是一份专题19 热学-五年(2018-2022)(原卷版+解析版)高考物理真题分项汇编(全国通用),文件包含专题19热学-五年2018-2022高考物理真题分项汇编全国通用解析版docx、专题19热学-五年2018-2022高考物理真题分项汇编全国通用原卷版docx等2份试卷配套教学资源,其中试卷共79页, 欢迎下载使用。
专题16 动量-五年(2018-2022)(原卷版+解析版)高考物理真题分项汇编(全国通用): 这是一份专题16 动量-五年(2018-2022)(原卷版+解析版)高考物理真题分项汇编(全国通用),文件包含专题16动量-五年2018-2022高考物理真题分项汇编全国通用解析版docx、专题16动量-五年2018-2022高考物理真题分项汇编全国通用原卷版docx等2份试卷配套教学资源,其中试卷共57页, 欢迎下载使用。
专题13 电学实验-五年(2018-2022)(原卷版+解析版)高考物理真题分项汇编(全国通用): 这是一份专题13 电学实验-五年(2018-2022)(原卷版+解析版)高考物理真题分项汇编(全国通用),文件包含专题13电学实验-五年2018-2022高考物理真题分项汇编全国通用解析版docx、专题13电学实验-五年2018-2022高考物理真题分项汇编全国通用原卷版docx等2份试卷配套教学资源,其中试卷共110页, 欢迎下载使用。

