湖北省恩施市2020-2022三年中考化学真题知识点分类汇编-07化学实验
展开一、单选题
1.(2020·湖北恩施·统考中考真题)规范的操作是实验成功的保证。下列实验操作正确的是
A.CO2验满B.检查装置的气密性
C.滴加液体D.测溶液pH
二、推断题
2.(2020·湖北恩施·统考中考真题)已知A、E、F是单质,B、C、D是化合物,它们分别是由碳、氢、氧三种元素中的一种或者几种组成。其中B乃生命之源,是相对分子质量最小的氧化物,D物质很不稳定,容易分解为B和C,且C能使澄清石灰水变浑浊,它们之间的转化关系如图所示。
(1)A的名称_______,请写出A和E反应的化学方程式_______。
(2)请写出D→B+C的化学方程式____,并说出C的一种用途______。
三、实验题
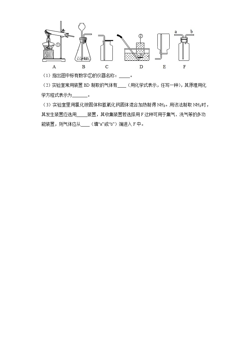
3.(2020·湖北恩施·统考中考真题)如图是几种实验室制取气体的发生装置和收集装置。请回答下列问题:
(1)指出图中标有数字②的仪器名称:_____。
(2)实验室常用装置BD制取的气体有____(用化学式表示,任写一种),其原理用化学方程式表示为_______。
(3)实验室里用氯化铵固体和氢氧化钙固体混合加热制得NH3。用该法制取NH3时,其发生装置应选用_____装置,其收集装置若选择用F这种可用于集气、洗气等的多功能装置,则气体应从____(填“a”或“b”)端进入F中。
参考答案:
1.B
【详解】A、二氧化碳验满:二氧化碳不燃烧,也不支持燃烧,应将燃着的木条放在集气瓶口,木条熄灭,说明已经集满,图中操作错误,不符合题意;
B、检查装置的气密性:将导管置于水中,用手紧握试管,观察导管口是否有气泡冒出,有气泡冒出,说明气密性良好,图中操作正确,符合题意;
C、胶头滴管加液时,既不能伸入容器,更不能接触容器,应垂直悬空于容器上方0.5cm处,图中操作错误,不符合题意;
D、测溶液的pH值:用洁净、干燥的玻璃棒蘸取待测液点在pH试纸上,观察颜色的变化,然后与标准比色卡对照,图中操作错误,不符合题意。
故选B。
2. 氧气 灭火(或人工降雨等)
【分析】根据题目中所给信息,A~E是由碳、氢、氧三种元素中的一种或者几种组成,其中B是相对分子质量最小的氧化物,因此A为H2O;D很不稳定,会分解为H2O和C,因此D为H2CO3,C为CO2;A即可以与E生成H2O,又可与F生成CO2,因此A为O2,E为H2,F为C。
【详解】(1)根据上述分析,A为O2,因此名称为氧气;O2与H2反应生成H2O,方程式为:;
(2)D为H2CO3,因此D→B+C为H2CO3分解成CO2和H2O的反应,方程式为:;CO2可用于灭火、制备汽水、制备肥料、人工降雨,写出其中一种即可;
故答案为:氧气;;;灭火(或人工降雨等)。
3. 集气瓶 O2 A b
【详解】(1)图中标有数字②的仪器名称:集气瓶;
(2)装置B适用于固液不加热反应制取气体,装置D是排水法收集气体,适用于收集不溶于水且不与水反应的气体,氧气可用过氧化氢和二氧化锰制取,该反应属于固液不加热反应,且氧气不易溶于水,可用装置BD制取,故填:O2;
过氧化氢在二氧化锰的催化下分解为水和氧气,该反应的化学方程式为:;
(3)实验室里用氯化铵固体和氢氧化钙固体混合加热制得NH3,该反应属于固体加热反应,发生装置应选A;
氨气的密度比空气小,其收集装置若选择用F这种可用于集气、洗气等的多功能装置,则气体应从b端进入F中。
新疆2020-2022三年中考化学真题知识点分类汇编-07化学实验: 这是一份新疆2020-2022三年中考化学真题知识点分类汇编-07化学实验,共14页。试卷主要包含了单选题,实验题,科学探究题,填空题,流程题等内容,欢迎下载使用。
湖南衡阳市2020-2022三年中考化学真题知识点分类汇编-07化学实验: 这是一份湖南衡阳市2020-2022三年中考化学真题知识点分类汇编-07化学实验,共14页。试卷主要包含了单选题,填空题,推断题,实验题,科学探究题等内容,欢迎下载使用。
湖北省随州市2020-2022三年中考化学真题知识点分类汇编-07化学实验: 这是一份湖北省随州市2020-2022三年中考化学真题知识点分类汇编-07化学实验,共11页。试卷主要包含了单选题,推断题,实验题等内容,欢迎下载使用。

