2021-2022学年云南省玉溪市易门一中高二(下)月考化学试卷(3月份)(含答案解析)
展开2021-2022学年云南省玉溪市易门一中高二(下)月考化学试卷(3月份)
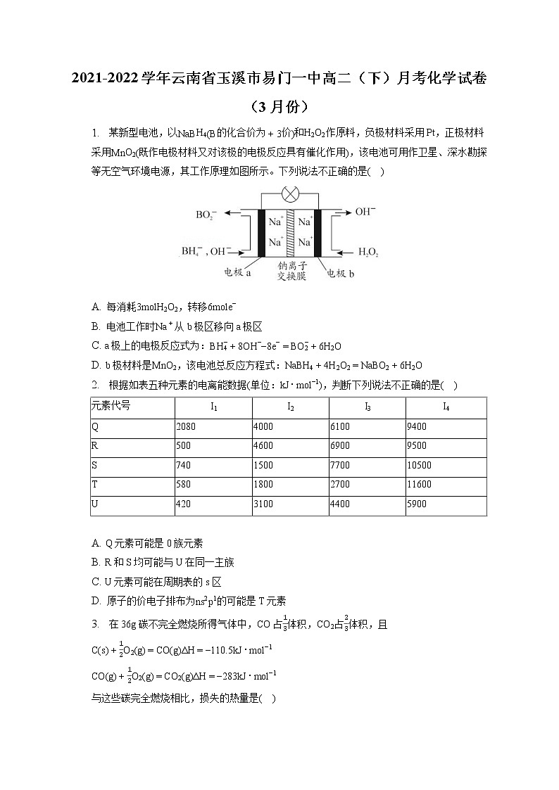
1. 某新型电池,以NaBH4(B的化合价为+3价)和H2O2作原料,负极材料采用Pt,正极材料采用MnO2(既作电极材料又对该极的电极反应具有催化作用),该电池可用作卫星、深水勘探等无空气环境电源,其工作原理如图所示。下列说法不正确的是( )
A. 每消耗3molH2O2,转移6mole−
B. 电池工作时Na+从b极区移向a极区
C. a极上的电极反应式为:BH4−+8OH−−8e−=BO2−+6H2O
D. b极材料是MnO2,该电池总反应方程式:NaBH4+4H2O2=NaBO2+6H2O
2. 根据如表五种元素的电离能数据(单位:kJ⋅mol−1),判断下列说法不正确的是( )
元素代号
I1
I2
I3
I4
Q
2080
4000
6100
9400
R
500
4600
6900
9500
S
740
1500
7700
10500
T
580
1800
2700
11600
U
420
3100
4400
5900
A. Q元素可能是0族元素
B. R和S均可能与U在同一主族
C. U元素可能在周期表的s区
D. 原子的价电子排布为ns2p1的可能是T元素
3. 在36g碳不完全燃烧所得气体中,CO占13体积,CO2占23体积,且
C(s)+12O2(g)=CO(g)ΔH=−110.5kJ⋅mol−1
CO(g)+12O2(g)=CO2(g)ΔH=−283kJ⋅mol−1
与这些碳完全燃烧相比,损失的热量是( )
A. 172.5kJ B. 566kJ C. 1149kJ D. 283kJ
4. 如图是一种浓差电池,阴、阳离子交换膜交替放置,中间的间隔交替充以河水和海水,选择性透过Cl−和Na+,在两电极板形成电势差,进而在外部产生电流。下列关于该电池的说法正确的是( )
A. a电极为电池的正极,电极反应式为2H++2e−=H2↑
B. C为阴离子交换膜,A为阳离子交换膜
C. 负极隔室的电中性溶液通过阳极表面的还原作用维持
D. 该电池的缺点是离子交换膜价格昂贵,电极产物也没有经济价值
5. 按能量由低到高的顺序排列,正确的一组是( )
A. 1s、2p、3d、4s B. 1s、2s、3s、2p C. 2s、2p、3s、3p D. 4p、3d、4s、3p
6. 25℃时,纯水的Kw=1×10−14,100℃时,纯水的Kw=5.45×10−13,这说明( )
A. 100℃时水的电离常数较小 B. 前者c(H+)比后者大
C. 水的电离过程是一个吸热过程 D. Kw和温度无直接关系
7. 在水溶液中,下列物质的电离方程式书写正确的是( )
A. NaHCO3=Na++H++CO32− B. HF+H2O=H3O++F−
C. H2SO3⇌2H++SO32− D. NH3⋅H2O⇌NH4++OH−
8. 某化学学习小组在学习元素周期表和周期的划分时提出了以下观点:
①周期表的形成是由原子的结构决定的;
②元素周期表中IA族元素统称为碱金属元素;
③每一周期的元素原子外围电子排布均是从ns1开始至ns2np6结束;
④元素周期表的每一周期元素的种类均相等;
⑤基态原子电子排布为ls22s22p3和ls22s22p63s23p3的两元素原子位于同一周期;
⑥周期序号越大,该周期所含金属元素一般越多.
你认为正确的是( )
A. ①②③⑤⑥ B. ①⑥ C. ①④⑥ D. ②③⑤
9. 电解一定量的硫酸铜溶液的实验装置如图①所示,电解的实验数据如图②所示,横轴表示电解过程中转移电子的物质的量,纵轴表示电解过程中产生气体的总体积(标准状况)。则下列说法正确的是( )
A. 开始时b电极上有红色物质析出,而后有气泡产生
B. a电极上的电子经溶液流向b电极再流入直流电源
C. 在PQ段,产生的H2和O2的体积之比为1:2
D. 从开始到Q点,装置中产生的气体中有0.1mol氧气
10. 钢铁在海水中的锈蚀过程示意见图,有关说法正确的是( )
A. 电子从碳转移给铁
B. 在钢铁上连接铅块,可起到防护作用
C. 正极反应为:O2+2H2O+4e−=4OH−
D. 钢管发生析氢腐蚀,负极反应是Fe−3e−=Fe3+
11. 将一定量的 SO2(g)和 O2(g)置于一恒容密闭容器中,在不同温度下进行反应(已知该反应为放热反应)。实验记录得到下表中的两组数据:下列有关说法中不正确的是( )
实验序号
温度(℃)
平衡常数(L⋅mol−1)
起始量/mol
平衡量/mol
达到平衡所需时间(min)
SO2
O2
SO2
O2
1
T1
K1
4
2
x
0.8
6
2
T2
K2
4
2
0.4
y
t
A. 表中x=1.6;y=0.2
B. 表中t>6
C. 表中K1、K2的关系:K2>K1
D. 实验1在前6min的反应速率 υ(SO2)=0.2mol⋅(L⋅min)−1
12. 某反应的ΔH=+100kJ⋅mol−1,下列有关该反应的叙述正确的是( )
A. 正反应活化能小于100kJ⋅mol−1
B. 逆反应活化能一定小于100kJ⋅mol−1
C. 正反应活化能大于100kJ⋅mol−1
D. 正反应活化能比逆反应活化能小100kJ⋅mol−1
13. 某温度下,①pH=2的CH3COOH溶液;②pH=2的H2SO4溶液;③pH=12的氨水;④pH=12的NaOH溶液。相同条件下,有关上述溶液的比较中,正确的是( )
A. 水电离的c(H+):①=②=③=④
B. 将②、④溶液混合后,pH=7,消耗溶液的体积:②<④
C. 等体积的①、②、④溶液分别与足量铝粉反应,生成H2的量:②最大
D. 向10mL上述四溶液中各加入90mL水后,溶液的pH:③>④>①>②
14. 用惰性电极电解某pH=a的电解质溶液,一段时间后,溶液的pH A. NaOH B. KI C. Na2SO4 D. AgNO3
15. A、B、C、D四种元素,已知A元素是地壳中含量最多的元素;B元素为金属元素,它的原子核外K、L层上电子数之和等于M、N层电子数之和;C元素是第3周期第一电离能最小的元素;D元素在第3周期中第一电离能最大.下列有关叙述错误的是( )
A. 四种元素A、B、C、D分别为O、Ca、Na、Ar
B. 元素A、B、C两两组成的化合物可为CaO、CaO2、Na2O、Na2O2等
C. 元素A、C简单离子的半径大小关系为A
16. Mg−H2O2燃料电池可用于驱动无人驾驶的潜航器。该电池以海水为电解质溶液,原理如图。该电池工作时,下列说法正确的是( )
A. Mg电极是该电池的正极
B. H2O2在Pt电极上发生氧化反应
C. Pt电极附近溶液的pH增大
D. 溶液中Cl−向正极移动
17. 铋的相关信息如图所示,下列说法正确的是( )
A. Bi元素的质量数是209
B. Bi元素位于第六周期第ⅤA族
C. Bi原子的6p能级上有1个未成对电子
D. Bi原子最外层有5个能量相同的电子
18. 一定条件下合成乙烯:6H2(g)+2CO2(g)CH2=CH2(g)+4H2O(g);已知温度对CO2的平衡转化率和催化剂催化效率的影响如图,下列说法不正确的是( )
A. 该反应的逆反应为吸热反应
B. 平衡常数:KM>KN
C. 生成乙烯的速率:v(N)一定大于v(M)
D. 当温度高于250℃,升高温度,催化剂的催化效率降低
19. 电渗析法是一种利用离子交换膜进行海水淡化的方法,其原理如图所示.已知海水中含Na+、Cl−、Ca2+、Mg2+、SO42−等离子,电极为惰性电极.下列叙述中正确的是( )
A. A膜是阳离子交换膜
B. 通电后,海水中阴离子往b电极处运动
C. 通电后,b电极上产生无色气体,溶液中出现白色沉淀
D. 通电后,a电极的电极反应式为4OH−−4e−=O2↑+2H2O
20. 根据电子排布的特点,Cu在周期表属于( )
A. s区 B. p区 C. d区 D. ds区
21. 在t℃时,AgBr在水中的沉淀溶解平衡曲线如图所示.又知t℃时AgCl的Ksp=4×10−10,下列说法不正确的是( )
A. 在t℃时,AgBr的Ksp为4.9×l0−13
B. 在AgBr饱和溶液中加入NaBr固体,可使溶液由c点到b点
C. 图中a点对应的是AgBr的不饱和溶液
D. 在t℃时,AgCl(s)+Br−(aq)⇌AgBr(s)+Cl−(aq)平衡常数K≈816
22. 表示一个原子在第三个电子层上有10个电子可以写成( )
A. 3s10 B. 3d10 C. 3s23p63d2 D. 3s23p53d3
23. 25℃时,某稀溶液中由水电离产生的c(H+)为1×10−10,下列说法不正确的是( )
A. 该溶液一定不是中性
B. NH4+、Na+、Cl−、HCO3−在该溶液中不能大量共存
C. 该溶液c(H+)一定为1×10−10mol⋅L−1
D. 该溶液中水的电离受到抑制
24. 在由水电离出的c(H+)=1×10−12mol⋅L−1的溶液中,一定能大量共存的离子组是( )
A. NH4+、Ba2+、NO3−、Cl− B. Cl−、NO3−、Na+、K+
C. SO42−、NO3−、Fe2+、Mg2+ D. Na+、K+、ClO−、I−
25. 一定条件下,向2L密闭容器中加入2molN2和10molH2,发生反应N2(g)+3H2(g)⇌2NH3(g),2min时测得剩余N2 1mol,下列化学反应速率不正确的是( )
A. v(N2)=0.25mol⋅L−1⋅min−1 B. v(H2)=0.75mol⋅L−1⋅min−1
C. v(NH3)=1mol⋅L−1⋅min−1 D. v(NH3)=0.5mol⋅L−1⋅min−1
26. 氯碱工业是以电解饱和食盐水为基础的基本化学工业。如图是某氯碱工业生产原理示意图。
(1)写出装置A在通电条件下反应的化学方程式:______。
(2)装置A所用食盐水由粗盐水精制而成。精制时,为除去食盐水中的Mg2+和Ca2+,要加入的试剂分别为______、______。
(3)氯碱工业是高耗能产业,按图将电解池与燃料电池相组合的新工艺可以节(电)能30%以上,相关物料的传输与转化关系如图所示,其中的电极未标出,所用的离子膜都只允许阳离子通过。
①图中Y是______(填化学式);X与稀NaOH溶液反应的离子方程式为______。
②比较图示中氢氧化钠的质量分数a%与b%的大小:a%______b%。
A.大于
B.小于
C.等于
D.无法确定
③若用装置B作为装置A的辅助电源,每当消耗标准状况下氧气的体积为11.2L时,则装置A中产生X为______mol。
27. 某研究性学习小组的同学对Zn、Cu、稀硫酸组成的原电池进行了探究,其中甲同学利用图Ⅰ装置进行探究,乙同学经过查阅资料后设计了图Ⅱ装置进行探究(盐桥内含有某种电解质的饱和溶液,起到连通电路的作用)。
(1)实验表明,图Ⅰ中两个电极上均有气泡产生,锌电极上有气泡产生,说明反应中有一部分化学能转化为 ______能;铜电极上有气泡产生,说明反应中有一部分化学能转化为 ______能。
(2)图Ⅱ中的X、Y是ZnSO4溶液及稀硫酸中的一种,实验过程中只有正极上产生气泡,则X是 ______,正极上的电极反应式为 ______。
(3)当图Ⅰ装置的溶液质量增加63g时,生成的氢气共有 ______L(标准状况);当图Ⅱ中锌电极质量减少65g时,电路中转移的电子数为 ______NA。
28. 某学生设计如下图Ⅰ装置,测定2mol/L的硫酸与锌粒和锌粉反应的速率.请回答:
(1)装置图Ⅰ中放有硫酸的仪器名称是______.
(2)按照图Ⅰ装置实验时,他限定了两次实验时间均为10min,他还需要测定的另一个数据是______.
(3)实验结束后,得到的结论是______.
(4)该生又将图Ⅰ装置中的气体收集装置改为图Ⅱ,实验完毕待冷却后,该生准备读取滴定管上液面所在处的刻度数,发现滴定管中液面高于干燥管中液面,应首先采取的操作是______.
29. H、C、N、O、W、Fe、V都是生活与化学工业中常见元素,请回答下列问题:
(1)碳负离子CH3−的空间构型为______;根据等电子原理,NO+的电子式为______。
(2)N、Na+、Fe3+、Cu2+四种微粒基态的核外电子排布式中未成对电子数最多的是______;Cu2+在水中呈现蓝色是因为形成了水合铜离子,其化学式为______。
(3)钒可用于人工合成的二价钒固氮美酶(结构如图甲)。钒固氮酶中钒的配位原子有______(填元素符号)。
(4)烟酰胺(结构如图乙)可用于合成光合辅酶NADPH,烟酰胺分子中氮原子的杂化轨道类型有______,1mol该分子中含σ键的数目为______。
(5)图2为碳化钨晶体的一部分结构,碳原子嵌入金属钨的晶格的间隙,并不破坏原有金属的晶格,形成填隙+固溶体,也称为填隙化合物。在此结构中,其中钨原子有______个,1个钨原子周围距离钨原子最近的碳原子有______个,假设该部分晶体的体积为Vcm3,碳化钨的摩尔质量为Mg/mol,密度为bg/cm3,则阿伏加德罗常数NA用上述数据可以表示为______。
(6)12g石墨烯(结构如图丙)中含有的正六边形的物质的量为______mol;请你预测硅是否容易形成类似石墨烯的结构,并说明理由______。
30. 将CH4与H2O(g)通入聚焦太阳能反应器,发生反应:CH4(g)+H2O(g)⇌CO(g)+3H2(g),将等物质的量的CH4和H2O(g)充入1L恒容密闭容器,某温度下反应达到平衡,平衡常数K=27,此时测得CO的物质的量为0.10mol,求CH4的平衡转化率.
答案和解析
1.【答案】B
【解析】解:根据图片知,双氧水得电子发生还原反应,则b电极为正极,a电极为负极,负极上BH4−失去电子和氢氧根离子反应生成BO2−。
A.正极电极反应式为H2O2+2e−=2OH−,每消耗3molH2O2,转移的电子为6mol,故A正确;
B.原电池工作时,阳离子向正极移动,阴离子向负极移动,则Na+从a极区移向b极区,故B错误;
C.负极发生氧化反应生成BO2−,电极反应式为BH4−+8OH−−8e−=BO2−+6H2O,故C正确;
D.电极b采用MnO2,为正极,将两电极反应相加,得该电池总反应方程式NaBH4+4H2O2=NaBO2+6H2O,故D正确;
故选:B。
本题考查原电池工作原理,涉及电极判断与电极反应式书写等问题,做题时注意从氧化还原的角度判断原电池的正负极以及电极方程式的书写,本题中难点和易错点为电极方程式的书写,注意化合价的变化。
2.【答案】B
【解析】解:A.由元素的电离能可以看出,Q的第一电离能很大,可能为零族元素,故A正确;
B.由元素的电离能可以看出,Q的电离能很大,可能为零族元素,R和U的第一电离能较小,第二电离能剧增,故表现+1价,最外层电子数为1,二者位于同一族,S的第一、第二电离能较小,第三电离能剧增,故表现+2价,最外层电子数为2,所以R和U的第一至第四电离能变化规律相似,即R和U最可能在同一主族,S 不是,故B错误;
C.U的第一电离能较小,最外层电子数为1,U 可能在元素周期表的 S 区,故C正确;
D.T的第一、第二、第三电离能较小,第四电离能剧增,表现+3价,最外层电子数为3,价电子排布式可能为 ns2np1,故D正确;
故选:B。
由元素的电离能可以看出,Q的第一电离能很大,可能为零族元素;
R和U的第一电离能较小,第二电离能剧增,故表现+1价,最外层电子数为1,二者位于同一族;
S的第一、第二电离能较小,第三电离能剧增,故表现+2价,最外层电子数为2;
T的第一、第二、第三电离能较小,第四电离能剧增,表现+3价,最外层电子数为3;
A.根据五种元素的电离能数据分析;
B.R和U二者位于同一族,S 不是;
C.U的第一电离能较小,最外层电子数为1;
D.T的第一、第二、第三电离能较小,表现+3价。
本题考查元素周期律,侧重考查学生对电离能规律的理解和掌握,明确电离能与其原子结构关系是解本题关键,知道原子最外层电子个数与电离能发生飞跃的关系,题目难度不大。
3.【答案】D
【解析】解:36g碳的物质的量为36g12g/mol=3mol,不完全燃烧所得气体中,CO占三分之一体积,根据碳原子守恒,求得CO的物质的量为3mol×13=1mol,CO(g)+12O2(g)=CO2(g)ΔH=−283kJ⋅mol−1,1molCO燃烧放出的热量为283kJ,所以36g碳不完全燃烧生成1molCO损失的热量为283kJ,
故选:D。
盖斯定律指若是一个反应可以分步进行,则各步反应的吸收或放出的热量总和与这个反应一次发生时吸收或放出的热量相同.36g碳不完全燃烧与这些碳完全燃烧相比损失的热量为生成的一氧化碳燃烧放出的热量;根据碳原子守恒计算出一氧化碳的物质的量,再根据一氧化碳燃烧的热化学方程式计算,即可解答。
本题考查盖斯定律、反应热与焓变,明确盖斯定律的应用是解本题关键,侧重考查学生分析能力和计算能力,此题难度不大。
4.【答案】A
【解析】解:A.b极为电子的流出极,故b极为负极,a极为正极,电极反应式为2H++2e−=H2↑,故A正确;
B.钠离子向a极迁移,故C为阳离子交换膜,氯离子向b极迁移,故A为阴离子交换膜,故B错误;
C.负极隔室的钠离子透过C膜移入河水,维持负极隔室的电中性,故C错误;
D.离子交换膜价格昂贵,但两极生成氢气和氯气等是工业制盐酸的原料,有经济价值,故D错误;
故选:A。
有图可知,b极为电子的流出极,故b极为负极,电极反应式为2Cl−−2e−=Cl2↑,a极为正极,电极反应式为2H++2e−=H2↑,据此作答。
本题考查原电池原理,题目难度中等,能依据图象和题目信息准确判断正负极是解题的关键,难点是电极反应式的书写。
5.【答案】C
【解析】
【分析】
本题考查原子核外电子排布规律,题目难度不大,注意构造原理的应用以及能级的能量顺序,属于识记型题目,注意积累。
【解答】
A.能量3d>4s,故A错误;
B.根据构造原理可知能量3s>2p,故B错误;
C.符合能级构造原理,能量顺序正确,故C正确;
D.能量4p>3d,4s>3p,故D错误。
故选:C。
6.【答案】C
【解析】解:25℃时,纯水的Kw=1×10−14,100℃时,纯水的Kw=5.45×10−13,说明升温促进水的电离,电离程度增大,证明水的电离过程为吸热过程,
A.升温促进水的电离,电离程度增大,100℃时水的电离常数大,故A错误;
B.升温促进水的电离,电离程度增大,前者c(H+)比后者小,故B错误;
C.25℃时,纯水的Kw=1×10−14,100℃时,纯水的Kw=5.45×10−13,说明升温促进水的电离,电离程度增大,证明水的电离过程为吸热过程,故C正确;
D.Kw和温度有关,温度升高促进水的电离,离子积常数增大,故D错误;
故选:C。
25℃时,纯水的Kw=1×10−14,100℃时,纯水的Kw=5.45×10−13,说明升温促进水的电离,电离程度增大,证明水的电离过程为吸热过程,升高温度促进水电离,但纯水仍然呈中性,纯水中仍然存在c(H+)=c(OH−)。
本题考查水的离子积常数、水的电离等知识点,明确离子积常数只与温度有关,与溶液酸碱性、浓度无关,注意要根据溶液中c(H+)、c(OH−)相对大小判断溶液酸碱性,为易错点.
7.【答案】D
【解析】解:A.碳酸氢钠为强电解质,完全电离,电离方程式:NaHCO3=Na++HCO3−,故A错误;
B.HF是弱电解质,不能完全电离,电离方程式:HF+H2O⇌H3O++F−,故B错误;
C.亚硫酸为二元弱酸,分步电离,以第一步为主,电离方程式:H2SO3⇌H++HSO3−,故C错误;
D.次氯酸为弱电解质,部分电离,用可逆号,电离方程式:NH3⋅H2O⇌NH4++OH−,故D正确;
故选:D。
A.碳酸氢钠为强电解质,完全电离,碳酸氢根离子为弱酸根离子,第一步电离中不能拆;
B.HF是弱电解质,不能完全电离;
C.亚硫酸为二元弱酸,分步电离,以第一步为主;
D.一水合氨为弱电解质,电离用可逆号。
本题考查了电离方程式的书写,明确电解质强弱及电离方式是解题关键,题目难度不大。
8.【答案】B
【解析】解:①周期表中电子层数等于周期数,最外层的电子数等于族充数,所以周期表的形成是由原子的结构决定的,故正确;
②元素周期表中IA族元素除氢外称为碱金属元素,故错误;
③除第一周期以外的每一周期的元素原子外围电子排布均是从ns1开始至ns2np6结束,故错误;
④元素周期表从第一周期到第七周期元素种类为2、8、8、18、18、32、26,所以各周期元素种类各不相等,故错误;
⑤基态原子电子排布为ls22s22p3是第二周期,ls22s22p63s23p3处第三周期,所以不在同一周期,故错误;
⑥由元素周期表可知周期序号越大,该周期所含金属元素一般越多,故正确;
故选:B。
①周期表中电子层数等于周期数,最外层的电子数等于族充数;
②元素周期系中IA族元素除氢外称为碱金属元素;
③除第一周期以外;
④元素周期表从第一周期到第七周期元素种类为2、8、8、18、18、32、26;
⑤基态原子电子排布为ls22s22p3是第二周期,ls22s22p63s23p3处第三周期;
⑥由元素周期表可知周期序号越大,该周期所含金属元素一般越多.
本题考查元素周期表和元素周期律的应用,注意同周期、同主族元素的性质变化规律是解答本题的关键,注意利用实例分析问题,题目难度中等.
9.【答案】D
【解析】A.b为阳极,阳极上电极反应式为2H2O−4e−=4H++O2↑,所以b电极上只有无色气泡生成,故A错误;
B.电子不进入电解质溶液,电解质溶液中阴阳离子定向移动形成电流,故B错误;
C.曲线P∼Q段实质上是电解水,所以表示产生H2和O2的体积比为2:1,故C错误;
D.从开始到Q点收集到的混合气体中氧气的物质的量=0.05mol×2=0.1mol,故D正确;
故选:D。
根据电子流向知,a为阴极、b为阳极,开始时,阴极上铜离子放电、阳极上氢氧根离子放电,所以电池反应式为2Cu2++2H2O−电解2Cu+O2↑+4H+,当铜离子完全放电后,再继续电解相当于电解水,电池反应式为2H2O−电解2H2↑+O2↑,所以从O到P点,生成的气体为氧气,从P到Q点生成的气体是氧气和氢气,
P点收集到n(O2)=1.1222.4mol=0.05mol,从P到Q收集到气体体积=4.48L−1.12L=3.36L,其物质的量=3.3622.4=0.15mol,根据2H2O−电解2H2↑+O2↑,从P到Q收集的氢气和氧气物质的量之比为2:1,则从P到Q点收集到的氢气物质的量是0.1mol、氧气的物质的量是0.05mol,据此分析解答。
本题考查原电池原理和电解池原理,题目难度中等,能依据图象和信息准确判断正负极是解题的关键,难点是电极反应式的书写。
10.【答案】C
【解析】解:钢铁中含有铁和碳,在潮湿的环境中构成原电池,铁作负极,碳作正极。
A.电子从负极铁转移给正极碳,故A错误;
B.在钢铁上连接铅块,因为铁比铅活泼,则铁为负极,加快腐蚀,故B错误;
C.吸氧腐蚀时,氧气在正极发生得电子的还原反应:O2+2H2O+4e−=4OH−,故C正确;
D.从图中看出,钢管发生析氧腐蚀,负极反应是Fe−2e−=Fe2+,故D错误;
故选:C。
A.电子从负极铁转移给正极碳;
B.在钢铁上连接铅块,因为铁比铅活泼,则铁为负极,加快腐蚀;
C.吸氧腐蚀时,氧气在正极发生得电子的还原反应;
D.根据电化学腐蚀中的氢气和氧气的情况来确定电化学腐蚀类型。
本题考查金属的电化学腐蚀,明确原电池的工作原理是解题的关键,注意电解质溶液的酸碱性,难度中等。
11.【答案】D
【解析】
【分析】
本题考查化学平衡计算及温度对化学平衡移动影响,侧重考查分析判断及计算能力,明确温度对化学平衡移动影响原理与温度和化学平衡常数关系是解本题关键,D为解答易错点,题目难度不大。
【解答】
A.根据表中数据知,消耗的n(O2)=(2−0.8)mol=1.2mol,根据2SO2(g)+O2(g)⇌2SO3(g)知,消耗n(SO2)=2n(O2)=2×1.2mol=2.4mol,剩余的n(SO2)=(4−2.4)mol=1.6mol,即x=1.6;消耗的n(SO2)=(4−0.4)mol=3.6mol,消耗的n(O2)=12 n(SO2)=12×3.6mol=1.8mol,剩余的n(O2)=(2−1.8)mol=0.2mol,即y=0.2,故A正确;
B.开始时n(SO2)相等,达到平衡后剩余n(SO2):1>2,说明平衡正向移动,该反应的正反应是放热反应,降低温度平衡正向移动,则T1>T2,反应温度越低反应速率越慢,所以达到平衡时间:t>6,故B正确;
C.根据B知,反应温度T1>T2,降温平衡正向移动,化学平衡常数增大,则K2>K1,故C正确;
D.容器体积未知,无法计算二氧化硫浓度变化量,导致无法计算二氧化硫化学反应速率,故D错误。
故选D。
12.【答案】C
【解析】解:焓变等于正逆反应的活化能之差,某反应的△H=+100kJ⋅mol−1,则正反应活化能比逆反应活化能大100kJ⋅mol−1,正反应活化能大于100kJ⋅mol−1,正逆反应的活化能数值不能确定,
故选:C。
根据焓变等于正逆反应的活化能之差,据此分析回答问题。
本题考查反应热与焓变,为高考常见题型,把握反应中能量变化、焓变与活化能为解答的关键,侧重分析与应用能力的考查,题目难度不大。
13.【答案】A
【解析】解:A.酸或碱都抑制水电离,酸中c(H+)或碱中c(OH−)越大,其抑制水电离程度越大,则水电离出的c(H+)越小,酸中c(H+)等于碱中c(OH−),所以水的电离程度①=②=③=④,故A正确;
B.②中c(H+)等于④中c(OH−),且都是强电解质,混合溶液pH=7,溶液呈中性,说明酸中n(H+)等于碱中n(OH−),所以消耗溶液体积:②=④,故B错误;
C.等体积的①、②、④溶液分别与足量铝粉反应,最终电离出的n(H+):①>②,碱和Al反应生成氢气,所以最终生成氢气最多的是弱电解质,为①,故C错误;
D.加水稀释酸的pH增大、碱的pH减小,且稀释后pH:强酸>弱酸、弱碱>强碱、碱>酸,所以稀释后溶液的pH:③>④>②>①,故D错误;
故选:A。
A.酸或碱都抑制水电离,酸中c(H+)或碱中c(OH−)越大,其抑制水电离程度越大,则水电离出的c(H+)越小;
B.②中c(H+)等于④中c(OH−),且都是强电解质,混合溶液pH=7,溶液呈中性,说明酸中n(H+)等于碱中n(OH−);
C.等体积的①、②、④溶液分别与足量铝粉反应,最终电离出的n(H+):①>②,碱和Al反应生成氢气,所以最终生成氢气最多的是弱电解质;
D.加水稀释酸的pH增大、碱的pH减小,且稀释后pH:强酸>弱酸、弱碱>强碱、碱>酸。
本题考查了弱电解质的电离、溶液稀释后pH值相对大小的比较等知识点,侧重于学生的分析能力的考查,为高频考点,易错选项是D,注意无论是水溶液还是碱溶液都抑制水的电离,题目难度不大。
14.【答案】D
【解析】解:A、电解氢氧化钠溶液时,实际上电解的是水,但溶液中氢离子的浓度增大,pH值增大,故A错误;
B、电解KI溶液时,阴极上析出氢气,阳极上得到I2,所以溶液中的氢氧根离子浓度增大,溶液的pH值增大,溶液的pH>a,故B错误;
C、电解硫酸钠溶液时,实际上电解的是水,所以溶液中氢离子和氢氧根离子的相对浓度不变,只是硫酸钠的浓度增大,故pH值不变,故C错误;
D、电解硝酸银溶液时,阴极上析出银,阳极上得到氧气,所以溶液中的氢氧根离子的浓度减小,氢离子的浓度增大,溶液的pH值减小,故D正确;
故选:D。
根据用惰性电极电解时,阳离子放电顺序:Ag⁺>Hg2⁺>Fe3⁺>Cu2⁺>Pb2⁺>Sn2⁺>Fe2⁺>Zn2⁺>H⁺⁺⁺>Na⁺⁺>K⁺;阴离子放电顺序:S2⁻>I⁻>Br⁻>Cl⁻>OH⁻>含氧酸根>F⁻,根据离子的放电顺序判断电解实质,根据电解实质判断溶液中氢离子浓度与氢氧根离子浓度的关系,结合题意判断选项。
本题考查了电解原理,随着电解的进行判断溶液pH值的变化,首先要知道离子的放电顺序、电解的实质,只有明白这些知识点才能正确解答,题目难度中等。
15.【答案】CD
【解析】解:A、B、C、D四种元素,A元素是地壳中含量最多的元素,则A是O元素;B元素为金属元素,它的原子核外K、L层上电子数之和等于M、N层电子数之和,则其原子核外电子数=2×(2+8)=20,则B是Ca元素;C元素是第3周期第一电离能最小的元素,则C是Na元素,D元素在第3周期中电负性最大,则D是Ar元素,
A.由上述分析可知,四种元素A、B、C、D分别为O、Ca、Na、Ar,故A正确;
B.元素O、Ca、Na两两组成的化合物可为CaO、CaO2、Na2O、Na2O2等,故B正确;
C.O2−、Na+离子电子层结构相同,核电荷数越大离子半径越小,故离子半径O2−>Na+,故C错误;
D.金属性Ca>Na,金属性越强电负性越小,故电负性Na>Ca,故D错误,
故选CD.
A、B、C、D四种元素,A元素是地壳中含量最多的元素,则A是O元素;B元素为金属元素,它的原子核外K、L层上电子数之和等于M、N层电子数之和,则其原子核外电子数=2×(2+8)=20,则B是Ca元素;C元素是第3周期第一电离能最小的元素,则C是Na元素,D元素在第3周期中电负性最大,则D是Ar元素.
本题考查结构性质位置关系应用,推断元素是解题关键,注意微粒比较及电负性比较.
16.【答案】C
【解析】解:A.该燃料电池中,Mg易失电子作负极,故A正确;
B.正极上双氧水得电子发生还原反应,故B错误;
C.Pt电极发生的电极反应式为H2O2+2e−+2H+=2H2O,消耗氢离子,溶液的pH增大,故C正确;
D.放电时,电解质溶液中阴离子向负极移动,所以氯离子向负极移动,故D错误;
故选:C。
A.该燃料电池中,失电子发生氧化反应的电极为负极;
B.得电子的物质发生还原反应;
C.Pt电极发生的电极反应式为H2O2+2e−+2H+=2H2O;
D.放电时,电解质溶液中阴离子向负极移动。
本题考查化学电源新型电池,侧重考查基础知识的掌握和灵活运用能力,明确正负极判断方法、各个电极上发生的反应、离子移动方向是解本题关键,题目难度不大。
17.【答案】B
【解析】解:A.该表中最下面数据为Bi元素的相对原子质量,其相对原子质量为209.0,不表示质量数,故A错误;
B.根据Bi元素价电子排布式可知,该元素原子有6个电子层,且最外层有5个电子,则Bi元素位于第六周期第ⅤA族,故B正确;
C.根据Bi元素价电子排布式可知,Bi原子6p亚层(能级)三个轨道,每个轨道上各有一个电子,所以有三个未成对电子,故C错误;
D.Bi原子最外层有5个电子,能量不相同,6s轨道2个电子能量相同,6p轨道上3个电子能量相同,故D错误;
故选:B。
依据图示可知:Bi元素原子序数为83,相对原子质量为209.0,价层电子排布为6s26p3,在周期表中第6周期ⅤA族,据此解答。
本题考查结构位置性质关系,关键是根据元素序数确定元素在周期表中的位置,准确理解题干图示含义是解题关键,注意对元素周期律的理解掌握。
18.【答案】C
【解析】
【分析】
本题考查了图象分析化学反应速率的影响因素、平衡计算、平衡移动等,题目难度不大.
【解答】
A、升高温度二氧化碳的平衡转化率下降,则升温平衡逆向移动,则逆反应为吸热反应,故A正确;
B、升高温度二氧化碳的平衡转化率下降,则升温平衡逆向移动,所以M化学平衡常数大于N,故B正确;
C、化学反应速率随温度的升高而加快,催化剂的催化效率降低,所以v(N)有可能小于v(M),故C错误;
D、根据图象虚线可知,当温度高于250℃,升高温度催化剂的催化效率降低,故D正确;
故选:C。
19.【答案】C
【解析】
【分析】
本题考查了电解原理的应用,电极反应,电极判断,题干信息的分析应用,题目难度中等。掌握电解池原理是解答的关键。
【解答】
A.阴离子交换膜只允许阴离子自由通过,阳离子交换膜只允许阳离子自由通过,隔膜A和阳极相连,阳极是阴离子放电,所以隔膜A是阴离子交换膜,故A错误;
B.电解过程中阳离子移向阴极b极,故B错误;
C.b电极氢离子放电生成氢气,电极附近氢氧根离子浓度增大,结合镁离子生成白色沉淀,故C正确;
D.a电极和电源正极相连是电解池的阳极,溶液中氯离子先放电,电极反应为:2Cl−−2e−=Cl2↑,故D错误。
故选C。
20.【答案】D
【解析】
【分析】
本题考查元素周期表的结构及应用,为高频考点,把握外围电子排布式及最后填充的电子为解答的关键,注重基础知识的考查,题目难度不大。
【解答】
周期表分为s区、p区、d区、ds区、f区,Cu的外围电子排布式为3d104s1,Cu属于第IB族元素,在周期表中位于ds区,
故选:D。
21.【答案】B
【解析】
【分析】
本题考查了沉淀溶解平衡曲线,曲线为饱和溶液,曲线以上为过饱和溶液,以下为不饱和溶液;要掌握Ksp及简单计算。
【解答】
A.根据图中c点的c(Ag+)和c(Br−)可得该温度下AgBr的Ksp为4.9×10−13,故A正确;
B.在AgBr饱和溶液中加入NaBr固体后,c(Br−)增大,沉淀溶解平衡逆向移动,c(Ag+)减小,故B错误;
C.在a点时Qc
故选:B。
22.【答案】C
【解析】解:一个原子在第三电子层上有10个电子,排列第三电子层上电子时,排列顺序是3s、3p、3d,3s能级最多排列2个电子、3p能级最多排列6个电子、3d能级最多排列10个电子,再根据能量最低原理排列电子,所以该电子层上电子排布式为3s23p63d2,
故选:C。
一个原子在第三电子层上有10个电子,排列第三电子层上电子时,排列顺序是3s、3p、3d,再结合每个能级上排列电子数分析,据此解答.
本题考查了原子核外电子排布,明确电子排列顺序及每个能级上最多排列电子是解本题关键,根据能量最低原理排列即可,题目难度不大.
23.【答案】C
【解析】解:A.溶液可能是酸或碱溶液,故该溶液的pH不可能是7,不可能是中性,故A正确;
B.溶液可能是酸或碱溶液,NH4+在碱溶液中不能存在,HCO3−在酸碱溶液不能共存,故B正确;
C.溶液可能是酸或碱溶液,该溶液的pH=10,或pH=4,故C错误;
D.溶液可能是酸或碱溶液,该溶液中水的电离受到抑制,故D正确;
故选:C。
酸或碱抑制水电离,含有弱根离子的盐促进水电离,25℃时,纯水中水电离产生的c(H+)=1×10−7,该溶液中由水电离产生的c(H+)=1×10−10<1×10−7,说明该溶液中的溶质抑制水的电离,则溶液可能是酸或碱溶液。
本题考查影响水电离的因素,题目难度不大。注意酸或碱能抑制水电离,含有弱根离子的盐能促进水电离。
24.【答案】B
【解析】解:A.NH4+、OH−之间发生反应,在碱性溶液中不能大量共存,故A错误;
B.Cl−、NO3−、Na+、K+之间不反应,都不与OH−、H+反应,能够大量共存,故B正确;
C.NO3−、Fe2+、H+之间发生氧化还原反应,OH−与Fe2+、Mg2+发生反应,不能大量共存,故C错误;
D.ClO−与H+、I−反应,不能大量共存,故D错误;
故选:B。
由水电离出的c(H+)=1×10−12mol⋅L−1的溶液呈酸性或碱性,离子之间不生成气体、沉淀、弱电解质或不发生氧化还原反应、络合反应、双水解等反应时能大量共存,以此进行判断。
本题考查离子共存的判断,为高频考点,明确题干暗含信息、常见离子的性质及离子反应发生条件为解答关键,注意掌握常见离子不能共存的情况,试题侧重考查学生的分析与应用能力,题目难度不大。
25.【答案】C
【解析】
【分析】本题考查化学反应速率的计算,题目比较基础,掌握化学反应速率的计算公式很关键。
【解答】
根据题意,2min内,以 N2表示的反应速率v(N2)=2mol−1mol2L2min=0.25mol/(L⋅min),根据速率之比等于化学计量数之比可知:
A.v(N2)=0.25mol/(L⋅min),A正确;
,B正确;
,C错误,D正确。
故选:C。
26.【答案】溶液 Na2CO3溶液 H2
【解析】解:(1)根据生产流程示意图,装置A是电解池装置,电解饱和食盐水,该反应的化学方程式为:2NaCl+2H2O−通电2NaOH+H2↑+Cl2↑,
故答案为:2NaCl+2H2O−通电2NaOH+H2↑+Cl2↑;
(2)除去杂质不能引入新的杂质,则除去Mg2+用NaOH溶液,除去Ca2+用Na2CO3溶液,
故答案为:NaOH溶液;Na2CO3溶液;
(3)①装置A右端产生NaOH溶液,说明右端电极是阴极,发生反应为:2H2O+2e−=H2↑+2OH−,因此Y是氢气,装置A的左端是阳极,发生反应:2Cl−−2e−=Cl2↑,X为Cl2,氯气和NaOH溶液的反应的离子方程式为:2OH−+Cl2=ClO−+Cl−+H2O,
故答案为:H2;2OH−+Cl2=ClO−+Cl−+H2O;
②装置B中通氧气的一极为正极,环境是NaOH溶液,因此正极反应式为:O2+2H2O+4e−=4OH−,产生的NaOH浓溶液,则a% 故答案为:B;
③标况下11.2L氧气的物质的量为:11.2L22.4L/mol=0.5mol,两个装置通过的电量相等,根据电子守恒可知,O2∼4e−∼2Cl2↑,则装置A中产生Cl2的物质的量为0.5mol×2=1mol,
故答案为:1。
(1)根据生产流程示意图,装置A是电解池装置,电解饱和食盐水生成氢氧化钠、氢气和氯气;
(2)除杂不能引入新的杂质,除去Mg2+用NaOH溶液,除去Ca2+用Na2CO3溶液;
(3)①装置A右端产生NaOH溶液,说明右端电极是阴极,发生反应为:2H2O+2e−=H2↑+2OH−,因此Y是氢气,装置A的左端是阳极,发生反应:2Cl−−2e−=Cl2↑,X为Cl2,氯气和NaOH溶液反应生成氯化钠、次氯酸钠和水;
②装置B中通氧气的一极为正极,环境是NaOH溶液,因此正极反应式为:O2+2H2O+4e−=4OH−,产生的NaOH浓溶液;
③标况下11.2L氧气的物质的量为:11.2L22.4L/mol=0.5mol,两个装置通过的电量相等,根据电子守恒计算装置A中产生Cl2的物质的量。
本题考查粗盐提纯、氯碱工业应用等知识,题目难度中等,明确电解原理为解答关键,注意掌握粗盐提纯原理,试题培养了学生的分析能力及综合应用能力。
27.【答案】热 电 ZnSO4溶液 2H++2e−=H2↑22.42
【解析】解:(1)实验表明,图Ⅰ中两个电极上均有气泡产生,锌电极上有气泡产生,该反应部分的能量没有转化为电能,说明反应中有一部分化学能转化为热能,铜电极上有气泡产生,电路中有电子转移,说明反应中有一部分化学能转化为电能,
故答案为:热;电;
(2)为避免负极与电解质溶液反应,X是ZnSO4溶液;作正极,电极反应式为2H++2e−=H2↑,
故答案为:ZnSO4溶液;2H++2e−=H2↑;
(3)装置Ⅰ中,Zn比Cu活泼,Zn作负极,电极反应式为Zn−2e−=Zn2+,Cu作正极,电极反应式为2H++2e−=H2↑,当转移2mol电子时,溶液质量增加1mol锌离子,同时生成1mol氢气,溶液质量增加65g/mol×1mol−2g/mol×1mol=63g,生成氢气体积为1mol×22.4L/mol=22.4L,装置Ⅱ为原电池,Zn作负极,电极反应式为Zn−2e−=Zn2+,当图Ⅱ中锌电极质量减少65g,即1molZn反应时,转移电子数目为1mol×2×NA/mol=2NA,
故答案为:22.4;2。
装置Ⅰ中,Zn比Cu活泼,Zn作负极,电极反应式为Zn−2e−=Zn2+,Cu作正极,电极反应式为2H++2e−=H2↑,装置Ⅱ为原电池,Zn作负极,电极反应式为Zn−2e−=Zn2+,Cu作正极,电极反应式为2H++2e−=H2↑,X为ZnSO4溶液,避免负极与电解质溶液反应,据此作答。
本题考查原电池原理,题目难度中等,能依据图象和题目信息准确判断正负极是解题的关键,难点是电极反应式的书写。
28.【答案】(1)分液漏斗
(2)收集到气体的体积
(3)在其他条件相同时,锌粉比锌粒反应的速率快
(4)调节滴定管的高度使得两侧液面相平
【解析】解:(1)用分液漏斗滴加硫酸,便于控制酸的用量,故答案为:分液漏斗;
(2)因是测反应速率,限定时间固定,故要测相同时间内收集到气体的体积,故答案为:收集到气体的体积;
(3)因实验目的是测定2mol/L的硫酸与锌粒和锌粉反应的速率,故得出的结论应是锌粒和锌粉与硫酸反应的快慢,等质量锌粉比锌粒与硫酸接触面积大,故锌粉反应速率比锌粒大,故答案为:在其他条件相同时,锌粉比锌粒反应的速率快;
(4)读数时应使左右压强相等保证读数准确,可上下移动滴定管,使左右两边液面相平,故答案为:调节滴定管的高度使得两侧液面相平.
(1)用分液漏斗滴加硫酸,便于控制酸的用量;
(2)因是测反应速率,限定时间固定,故要测相同时间内收集到气体的体积;
(3)从实验目的考虑;
(4)读数时,应使左右压强相等.
本题考查了反应速率的测定,较基础.测定反应速率一般固定其他因素,只改变一个因素来考虑对速率的影响.
29.【答案】(1)三角锥形;;(2)Fe3+;[Cu(H2O)4]2+;(3)N、S;(4)sp2、sp3;15NA;(5)6;6;6MbV;(6)0.5;不容易,Si原子半径较大,3p轨道不易重叠形成π键
【解析】解:(1)碳负离子CH3−中碳原子孤电子对数=4+1−1×32=1,价层电子对数=3+1=4,离子空间构型为三角锥形;NO+与N2互为等电子体,二者结构相似,NO+的电子式为:,
故答案为:三角锥形;;
(2)N外围电子排布为2s22p3,原子有3个未成对电子,Na+最外层电子排布为2s22p6,没有单电子,Fe3+的外围电子排布为3d5,有5个单电子,Cu2+的外围电子排布为3d9,有1个电子;Cu2+在水中呈现蓝色是因为形成了水合铜离子,其化学式为[Cu(H2O)4]2+,
故答案为:Fe3+;[Cu(H2O)4]2+;
(3)由图可知,钒固氨酶中钒的配位原子有S与N,故答案为:N、S;
(4)由烟酰胺结构式可知,分子中氨基中N原子成3个σ键、含有1对孤电子对,杂化轨道数目为4,采取sp3杂化,而环中N原子成2个σ键、含有1对孤电子对,杂化轨道数目为3,采取sp2杂化;
分子中含有4个C−H键、2个N−H键、3个C−C键、,2个C−N键、4个双键,单键为σ键,双键含有1个σ键、1个π键,故分子中含有σ键为15,故lmol该分子中含σ键数目为15NA,
故答案为:sp2、sp3;15NA;
(5)在此结构中钨原子数目为1+2×12+12×16+6×13=6,以体内钨原子可知,1个钨原子周围距离钨原子最近的碳原子有6个,结构中W原子数目为6、C原子数目为6,则结构质量为6×Mg/molNAmol−1,则6×Mg/molNAmol−1=Vcm3×bg/cm3,故NA=6MbV,
故答案为:6;6;6MbV;
(6)12g石墨烯中碳原子的物质的量为12g12g/mol=1mol,由石墨烯的结构图可知,每个碳原子为3个正六边形共有,则一个正六边形含有碳原子数目=6×13=2,则含有的正六边形为1mol×12=0.5;Si原子半径比碳原子半径大,3p轨道不易重叠形成π键,硅不容易形成类似石墨烯的结构,
故答案为:0.5NA;不容易,Si原子半径较大,3p轨道不易重叠形成π键。
(1)碳负离子CH3−中碳原子孤电子对数=4+1−1×32=1,价层电子对数=3+1=4;NO+与N2互为等电子体,二者结构相似;
(2)N外围电子排布为2s22p3,Na+最外层电子排布为2s22p6,Fe3+的外围电子排布为3d5,Cu2+的外围电子排布为3d9;Cu2+在水中呈现蓝色是因为形成了水合铜离子;
(3)钒有空轨道,S、N原子有孤电子对,由图可知,钒固氨酶中钒的配位原子有S与N;
(4)由烟酰胺结构式可知,分子中氨基中N原子成3个σ键、含有1对孤电子对,而环中N原子成2个σ键、含有1对孤电子对,单键为σ键,双键含有1个σ键、1个π键,注意利用H原子饱和C的四价结构;
(5)利用均摊法计算钨原子数目,以体内钨原子可知,1个钨原子周围距离钨原子最近的碳原子有6个,结构中C原子数目为6,利用阿伏伽德罗常数表示出质量,再根据m=ρV联立计算;
(6)由石墨烯的结构图可知,每个碳原子为3个正六边形共有,则一个正六边形含有6×13=2,计算12石墨烯中碳原子数目,进而计算含有的正六边形物质的量;Si原子半径比碳原子半径大,3p轨道不易重叠形成π键。
本题是对物质结构的考查,涉及空间构型、等电子体、核外电子排布、配合物、化学键、杂化轨道、晶胞计算等,需要学生具备知识的基础与迁移运用能力,难度中等。
30.【答案】解:依据化学平衡的三段式列式计算,设CH4与H2O(g)物质的量为a,
CH4(g)+H2O(g)⇌CO(g)+3H2(g)
起始量(mol)aa00
变化量(mol)0.100.100.100.30
平衡量(mol)a−0.10a−0.100.100.30
由平衡常数表达式:
解之得:a=0.11
平衡转化率:0.100.11×100%=91%
故答案为:91%
【解析】依据化学平衡的三段式计算列式计算,根据转化率和平衡常数的概念计算应用;注意平衡常数的计算需要计算平衡状态各物质的平衡浓度列式计算;
本题考查了化学平衡的三段式计算应用,主要是转化率、平衡常数的概念计算应用,题目较简单.
云南省玉溪市一中2022-2023学年高二下学期第一次月考化学试题含答案: 这是一份云南省玉溪市一中2022-2023学年高二下学期第一次月考化学试题含答案,共13页。试卷主要包含了2L气体,00g产品置于盛有50,3×10-31,,lg2=0,2≤pH<4,69%等内容,欢迎下载使用。
2021-2022学年云南省文山州广南一中高二(下)月考化学试卷(3月份)(含答案解析): 这是一份2021-2022学年云南省文山州广南一中高二(下)月考化学试卷(3月份)(含答案解析),共19页。试卷主要包含了 已知甲烷的燃烧热为890, 298K、1, 实验, 常温下,取0,9×10−7ml⋅L−1,2ml⋅L−1等内容,欢迎下载使用。
2021-2022学年云南省丽江一中高二(下)月考化学试卷(2月份)(含答案解析): 这是一份2021-2022学年云南省丽江一中高二(下)月考化学试卷(2月份)(含答案解析),共20页。试卷主要包含了 下列说法正确的是, 已知等内容,欢迎下载使用。

