2023年中考物理一轮复习 第八章 液体压强
展开
这是一份2023年中考物理一轮复习 第八章 液体压强,共16页。试卷主要包含了小明用密度为1,4 D,8×103Pa/m×h等内容,欢迎下载使用。
2023年中考物理一轮复习
第八章 液体压强
题型一: 实验(大表格)
题型特征: 有大表格。
题型方法: 第一类:数学关系 90%的题,取任意两列,若第一行是成倍数关系,第二行也成倍数关系,则用y = kx,否则用y = kx+b;
第二类:物理关系 10%的题,取决于物理公式。
1.小明用压强传感器,测量水面以下6个不同深度点的压强大小。
h/m
0
0.1
0.2
0.3
0.4
0.5
p/Pa
1.01×105
1.02×105
1.03×105
1.04×105
1.05×105
1.06×105
⑴根据表中的数据,小明同学画出如图所示压强随深度变化的关系图象,根据图象归纳出水面以下压强大小p与深度h的关系式为: p = ___________ ;
小明利用课堂上学习的液体压强公式,计算出水在6个不同深度点的液体压强和传感器测得的数值
相差1.01×105 Pa,这是因为: ___________________________________________________________。
2.小明用密度为1.2×103 kg/m3的液体做“研究液体内部压强规律”的实验,实验记录的数据如下表.
从表中的数据可以归纳出该液体内部压强与液体深度的关系为: ___________________________。
次数
液体深度h / cm
液体内部压强p / Pa
1
10
1. 17×103
2
20
2. 34×103
3
30
3.51×103
4
40
4.68×103
5
50
5.85×103
6
60
7.02×103
3.小明在研究“水产生的压强与水的深度的关系”的实验中,记录的部分数据如下表。请你对数据进行分析,归纳出水产生压强与水的深度的关系: _______________________________________。
h/m
0.05
0.10
0.15
0.20
0.25
0.30
p/( ×103 Pa)
0.49
0.98
1.47
1.96
2.45
2.94
4.小明同学利用几种液体调配出密度合适的液体来研究“液体的压强与液体密度的关系”,记录的部分数据如下表。请你对数据进行分析,归纳出当深度不变时,液体产生的压强与液体密度的关系式为:______________ 。(只写出表达式)
p/(kg . m-3)
0.8×103
0.9×103
1.0×103
1.2×103
1.6×103
1.8×103
p / Pa
1.6×103
1.8×103
2.0×103
2.4×103
3.2×103
3.6×103
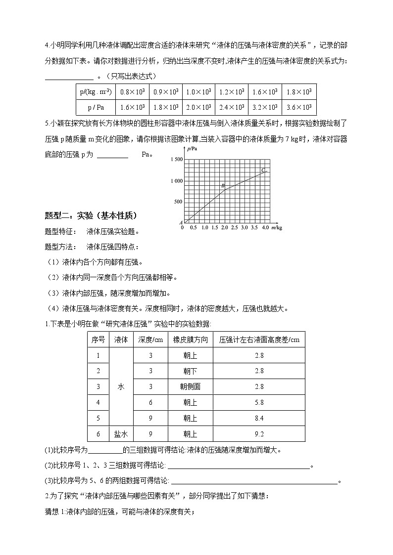
5.小颖在探究放有长方体物块的圆柱形容器中液体压强与倒入液体质量关系时,根据实验数据绘制了压强p随质量m变化的图象,请你根据该图象计算,当装入容器中的液体质量为7 kg时,液体对容器底部的压强p为 _________ Pa。
题型二:实验(基本性质)
题型特征: 液体压强实验题。
题型方法: 液体压强四特点:
(1)液体内各个方向都有压强。
(2)液体内同一深度各个方向压强都相等。
(3)液体内部压强,随深度增加而增加。
(4)液体压强与液体密度有关。深度相同时,液体的密度越大,压强也就越大。
1.下表是小明在做“研究液体压强”实验中的实验数据:
序号
液体
深度/cm
橡皮膜方向
压强计左右液面高度差/cm
1
水
3
朝上
2.8
2
3
朝下
2.8
3
3
朝侧面
2.8
4
6
朝上
5.8
5
9
朝上
8.4
6
盐水
9
朝上
9.2
(1)比较序号为__________的三组数据可得结论:液体的压强随深度增加而增大。
(2)比较序号1、2、3三组数据可得结论: _________________________________________。
(3)比较序号为5、6的两组数据可得结论: ________________________________________________。
2.为了探究“液体内部压强与哪些因素有关”,部分同学提出了如下猜想:
猜想1:液体内部的压强,可能与液体的深度有关;
猜想2 :同一深度,方向不同,液体的压强可能不同;
猜想3:液体内部的压强,可能与液体的密度有关。
为了验证上述猜想1和猜想2,他们用压强计研究水内部的压强,得到数据如下表:
实验序号
1
2
3
4
5
6
7
8
9
深度/cm
5
5
5
10
10
10
15
15
15
橡皮膜方向
上
下
侧
上
下
侧
上
下
侧
压强计液面高度差/cm
4.3
4.3
4.3
9.2
9.2
9.2
13.8
13.8
13.8
(1)请你分析实验数据并回答:
为了验证猜想1,应选序号为________的实验数据;猜想2的结论是________(填“正确”或“不正确”)。根据数据的分析,可得出的结论是: __________________________________________。
(2)为了验证猜想3是否正确,在上述实验的基础上,请你设计实验探究方案。写出实验步骤。
3.在探究液体压强的实验中,小明用两端开口的玻璃管,其中一端用橡皮膜封住,并向管中注入一定量的水, 此时观察到的现象是___________________,这说明__________________;随后老师拿出压强计准备探究液体内部压强,而小明认为没必要,利用自己的装置也可以,于是小明将玻璃管中的水倒出,缓慢地竖直浸入水中探究液体内部压强,小明认为柴铅球的装置不如老师的装置更适合,他的理由是: _________________________________________________________________________________。4.刻漏是人类最早制造的不完全依赖天象、相对独立运行的计时仪器。刻漏以水等液体(也有少数例外,如水银或沙等)为工作物质,根据流水的量与流逝时间的对应关系,通过漏壶或箭壶中的水量变化来度量时间。我国使用刻漏的时间非常早,最早可追溯到中国历史上第一个王朝 — 夏朝(大约公元前2070年),约在汉武帝时期发明了浮箭漏。漏,指漏壶;刻,指箭尺上的刻度;箭,就是标有时间刻度的标尺。浮箭漏由两只漏壶组成,一只是播水壶,另一只是受水壶,因为壶内装有指示时刻的箭尺,所以通常称为箭壶。随着受水壶内水位的上升,安在箭舟上的箭尺随之上浮,所以称作浮箭漏。但这种浮箭漏计时误差较大,西汉时期的巨野铜, 日误差约为6分钟左右。经过人们的调整,东汉以后,我国刻漏的最好的日误差已经可以达到20 s左右。而欧洲直到1715年,机械钟的计时精度才达到日误差几秒的数量级。
(1)你认为单级浮箭漏误差较大的主要原因是: ____________________________________________。
(2)请你猜想一种减少(1)中误差的方法: _______________________________________________。
5.液体对饮料瓶底的压力效果因瓶底较为坚硬而不易被观察到,将塑料瓶底换成了柔软的橡皮膜,可观察到如图所示的现象。这种研究问题的方法叫做 _______________。(填“控制变量法”“放大法”或“转换法”)
题型三:互相攀比
题型特征: 比较A、B点压强大小。
题型方法: 用间接法表示pA、pB,找杯底或者是某一个液面,两个容器中的液体在这个平面上压强相等,并且用 p表示。pA = p - ρgh。(记住这个公式,h为杯底到所求同A、B的高度)
1.在水平桌面上的甲、乙两完全相同的烧杯中,分别装有质量相等的两种液体。液体中的A、B两点在同一条水平线上,距离杯底的距离都为h。则力pA _______ pB。
第1题图 第2题图
2.圆柱形容器甲和乙内装有不同的液体。乙液体的密度是甲液体的,甲液体的深度是乙液体深度的,如图所示。距两个容器底部相同高度h处A点和B点的压强分别为pA和pB,则pA _____ pB。
3.在水平桌面上放着甲、乙两杯液体,甲杯内装有水,乙杯内装有煤油。已知两杯底部受到的液体压强相等,且两杯液体内A、B两点距底部的距离hA=2hB。 A、B两点处的液体压强分别为pA、pB。(已知煤油= O.8×l03 kg/m3)则正确的是( )
A. 且-=0.2
题型四:两只“压子”(压力和压强)
题型特征:题目中,既求液体压强,又求固体压强。
题型方法:(1)求液体的压力压强:先用 =gh求压强,再用F=S求压力。
(2)求固体压力压强:先求压力F,再用求压强。
1 .小明放学回家,看见水平茶几的中央放着一个盛有水的平底玻璃杯。于是他利用家中的皮尺测得水深12 cm,测出玻璃杯的底面积为2×l0-3 m2;又估测出水和杯子的总质量约为 0. 4 kg; (g取10 N/kg,水=1. 0 × 103 kg/m3)
(1)水和杯子的总重力 ________ 。
(2)水对杯底的压强和水对杯底的压力分别为 _______ 。
(3)杯子对水平茶几的压强为 _________ 。
2.平底茶壶的质量是400 g,底面积是40 cm2 ,内盛0.6 kg的开水,放置在面积为1 m2 的水平桌面中央,g取10 N/kg。则:
(1)水对茶壶底部的压力为 _________ 。
(2)茶壶对桌面的压强为 ____________ 。
3.在一个重2 N,底面积为0.01 m2的容器里装8 N的水,容器中水的深度为0. 05 m, 把它放在水平桌面上,如图所示(g取10 N / kg) 。求:
(1)水对容器底部的压强和压力:_______________________
(2)容器对桌面的压力和压强:_________________________
4.平底水桶的质量是2 kg,底面积是800 cm2,桶内装有50 cm深,体积是46 dm3的水,放 置在面积为1 m2的水平桌面中央,取g = 10 N / kg则:(1)水对水桶底部的压强为多少帕? ____________
(2)水对水桶底部的压力为多少牛? _____________
(3)水桶对桌面的压力为多少N ? ___________
(4)水桶对桌面的压强为多少帕?__________
5.放水平桌面上的容器,侧壁上有一开口弯管,弯管内的液面高度h1 =0.8 m;其顶部和底部的面积均为 0. 1 m2,顶部到底部的高度h2 =0.6 m,容器中的液体密度为1. 2 × 103 kg/m3测液体对容器顶的压力 为 _________ N。
第5题图 第6题图
6.容器中装满水,容器顶端A点产生的压强为 ____________ 。
7.质量为1 kg的平底空水桶,底面积为700 cm2 。水桶内装有30 cm深的水,放在水平地面上,如图甲所示,水对水桶底的压强比水桶对地面的压强小1 000 Pa。当小明用竖直向上的力F提水桶,但没有提起来时,如图乙所示,水桶对地面的压强为1 800 Pa。求:(g取10 N / kg)
(1)水的重力?_______________
(2)F的大小?_______________
8.质量是2 kg的平底水桶底面面积为800 cm2,放在水平地面上,桶内装有50 cm深,体积是45 dm3的 水。小明同学用竖直向上的力提起水桶,但是没有提起来。这时,如果水对桶底的压强和桶对地面的压强相等。小明同学提水桶的力为 ___________ N。
题型五:三管比较
题型特征: 给两三个试管。
题型方法: 相同深度,倾斜的V大。
1.一试管中装有某种液体,在试管处于下图所示的甲、乙、丙三个位置时,管内液体质量保持不变,则________管底部受到的液体压强大。
第1题图 第2题图 第3题图
2.两支完全相同的试管中,分别装有质量为m甲、m乙,密度为甲、乙的液体。甲试管竖直放置,乙试管倾斜放置,两试管液面相平时,液体对试管底的压强相等,则( )
A. m甲 < m乙 B. m甲 = m乙 C. 甲 >乙 D.甲 < 乙
3.甲乙两支完全相同的试管,分别装有质量相等的液体,甲试管竖直放置,乙试管倾斜放置,两试管液面 相平。设液体对两试管底的压强分别为p甲和p乙,则p甲 ____ p乙。
4.一个上下粗细不一样的容器,注入部分水后封闭。如图甲那样放置时,水对底部的压强是p1,将它倒
置如图乙那样放置时,水对底部的压强为p2。那么p1和p2关系是p1 ____ p2 (填“>”“”“”“ 4. < 5.甲
题型六:实验(压强计)
1. < 2. 相等 变大 3. 变大 不能。没有控制探头在同一深度
4. 刻度尺 ABC DF 大 BDE 5. 液体内部有压强 等效替代 ②
6. 实验步骤:(1)将A烧杯中倒入多量水,将B烧杯中倒入少量水;
(2)将探头放入A烧杯水中,用刻度尺测出探头到烧杯底部的距离L,读出U形管两侧液面高度差h1,将数据记录表格中。
(3)将探头放入B烧杯水中,用刻度尺测出探头到烧杯底的距离仍为L,读出U形管两侧液面高度差h2,将数据记录在表格中。
实验现象:通过数据可发现h1>h2。证明液体内部任意一点的压强,跟该点到容器底的距离L无关,所以小明的观点是错误的。
7.(1)没有改变自变量“探头到烧杯底的距离”,改变了控制变量“探头到水面的距离”
(2)步骤②改为:向烧杯中倒入适量的水,调整探头所在的位置,使探头到水面的距离仍为H1,用刻度尺测量探头到烧杯底部的距离L',读出压强计U形管两侧的液面高度差h2,将L'和h2记录在表格中。
8.(1)将压强计的金属盒浸没到甲乙两种液体中同一深度,记下压强计U形管两侧的液面高度差h1和h2。
(2)比较h1和h2的大小,因盐水密度大于水的密度,所以U形管两侧的液面高度差大的烧杯中盛的是盐水。
题型七:液压传动
1. 省力
2. 帕斯卡 压强 液压千斤顶
3. 2F
4. 较低 机械能 省力
题型八:口大力小、口小力大
1. > 2. (a) 3. A 4. < 5. ACD
题型九:容器底对桌面
1. = > 2. < 3. > 4. > > 5. BC
相关试卷
这是一份2024年中考物理一轮复习专题讲义 压强(液体压强),共10页。试卷主要包含了“网络式”复习法,提高“回头率”,“空想法”,树形图,梳理错题法,“齐头并进”法等内容,欢迎下载使用。
这是一份中考物理专题复习《固体液体压强》1,共4页。
这是一份中考物理专题复习《固体液体压强》2,共4页。

