初中生物中考复习 专题二 生物体的结构层次-2023年中考生物核心考点必背合集
展开
这是一份初中生物中考复习 专题二 生物体的结构层次-2023年中考生物核心考点必背合集,共7页。
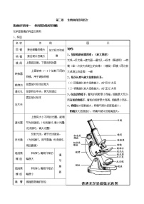
第二章 生物体的结构层次基础知识梳理一 使用显微镜观察细胞光学显微镜的构造及使用1、构造名 称作 用图 示目 镜接近眼睛的镜头放大标本和成像说明:1、显微镜的成像原理:(放大原理)光线→反光镜→遮光器→通光孔→标本(要透明)→物镜(第一次放大成倒立的实像)→镜筒→目镜(再次放大成倒立的虚像)→眼2、镜头长度与放大倍数的关系:(1)目镜越长放大倍数越小,成“反比”关系(2)物镜越长放大倍数越大,成“正比”关系3、在高倍物镜下,看到的视野是小而暗,细胞是大而少;而在低倍物镜下,看到的视野是大而亮,细胞是小而多。4、物镜放大倍数越大,物镜与玻片的距离越小;物镜放大倍数越小,物镜与玻片的距离越大。物 镜接近玻片的镜头镜 筒上面装目镜,下面连转换器转换器上面装有1~3个倍数不同的物镜,用于调换物镜载物台放置玻片标本的地方通光孔在载物台中央,使光线通过压片夹固定玻片标本遮光器上面有大小不同的光圈,能调节光线强弱。(光线强时,调小光圈;光线弱时,调大光圈) 反光镜反射光线,调节光线强弱。(光线强时,用平面镜;光线弱时,用凹面镜)粗准焦螺 旋转动时,镜筒升降的幅度大 调节焦距细准焦螺 旋转动时,镜筒升降的幅度小镜 臂提握显微镜的部位镜 柱支持镜身镜 座稳定镜身2、有关显微镜与实验方面的知识: 内 容1制作洋葱表皮临时装片的步骤:擦片→滴液【清水】→撕洋葱表皮→展开洋葱表皮→盖盖玻片→染色【稀碘液】→吸水。【注:被染料染成深色的结构是细胞核】【其过程可简化为:一擦、二滴、三撕、四展、五盖、六染、七吸。】2制作人的口腔上皮细胞临时装片的步骤:擦片→滴液【0.9%生理盐水】→ 刮口腔上皮细胞→涂口腔上皮细胞→盖盖玻片→染色【稀碘液】→吸水。【其过程可简化为:一擦、二滴、三刮、四涂、五盖、六染、七吸。】3在显微镜视野内看到的物像是:倒像。【即:上下倒翻、左右相反的放大虚像】如:玻片上的字母为“b”字,而在显微镜视野中看到的物像则是“q”字。4显微镜放大倍数的计算:目镜放大倍数×物镜放大倍数=该物体的放大倍数。如:已知一台显微镜有5X、10X、15X三个目镜,有10X、45X两个物镜,问这台显微镜的最小放大倍数和最大放大倍数分别是50X和675X。5观察显微镜的正确方法:两眼都睁开、左眼向目镜内看。6用显微镜观察玻片标本时,若光线过暗时,应调大光圈和凹面镜。若光线过强时,应调小光圈和平面镜。7用显微镜观察时,若发现视野中的细胞偏左下方,为使物像刚好在视野的中央,应将玻片往左下方移动。如果物像是在视野的左下方,若将玻片往右上方移动,其物像将被移出视野外。【这是因为视野中物像的位置与玻片标本移动的方向相反】8若要使镜筒明显上升或下降,应调节粗准焦螺旋,要使观察的物像更加清晰,应调节细准焦螺旋。9判断显微镜视野中出现的污点:可先移动目镜和物镜,污点如果不移动,说明污点是在玻片上,其他与此类推。【污点存在部位有可能在目镜、物镜或玻片上】10盖盖玻片的正确方法:用镊子夹住盖玻片的一边,将另一边先接触载玻片上的水滴,然后缓慢地放下,以免产生气泡。11气泡和细胞的主要区别:在显微镜视野中看到的气泡是周围黑、中央亮,会变形;而细胞则具有一定的形态结构,而且不变形。12对实验材料的要求是:薄而又透明,才有利于透光。13一般常用的染色方法:在盖玻片的一边滴加染液,用吸水纸在盖玻片的另一边吸引,使染料浸染到标本的全部。 3、玻片标本的种类与制作方法:种 类制 作 方 法举 例切 片用从生物体上切取的薄片制成的植物的茎、叶等切片涂 片用液体的生物材料经过涂抹制成的血液涂片等装 片用从生物体上撕下或挑起少量的材料制成的人的口腔上皮细胞临时装片等 4、探究实验常用的器具:显微镜、放大镜、解剖盘、解剖针、解剖刀、刀片、剪刀、镊子、骨剪、滴瓶、滴管、载玻片、盖玻片、培养皿、烧杯、试管、酒精灯、三角架、石棉网等。常用的染料主要是碘液等。 基础知识梳理二 一、细胞的结构和功能1、细胞的基本结构和功能:【在显微镜下,看到的细胞结构是立体的而不是平面的】植物细胞的基本结构和功能结 构功 能细胞壁位于细胞最外层,具有保护和支持作用。细胞膜紧贴于细胞壁内侧一层极薄的膜,具有保护和控制物质进出细胞的作用。(细胞膜在显微镜下看不清楚)细胞质位于细胞膜以内,细胞核以外的物质,具有液泡【液泡中含有细胞液,细胞液中又含有有机酸、糖类和色素等物质】;线粒体和叶绿体等。细胞质具有流动性,能加速细胞内外的物质交换,是细胞生命活动的重要场所。细胞核位于细胞中,内含染色体,是细胞生命活动的控制中心。具有储存、复制遗传物质(DNA),与遗传有关,称为遗传信息库。动物细胞的基本结构和功能由细胞膜、细胞质和细胞核三部分构成。功能:与植物细胞相对应的结构相同。主要区别相 同 点动、植物细胞都具有细胞膜、细胞质(内含线粒体)和细胞核。不 同 点动物细胞没有细胞壁,液泡和叶绿体(眼虫有叶绿体)。图示 二、细胞中的能量转换器1、能将光能变成化学能,储存在有机物中的是叶绿体;2、能将有机物中的化学能释放出来,供给生物体生命活动利用的是线粒体;3、线粒体是大多数活细胞都有的结构,叶绿体是植物体的绿色部分存在的结构。 三、动植物体的结构层次1、细胞的分裂和分化细胞分裂:一个细胞分成两个细胞的过程.细胞分化:细胞分裂产生的新细胞,在遗传物质的作用下,其形态、结构、功能随着细胞的生长出现了差异,这就是细胞的分化。组织:形态相似,结构、功能相同的细胞组成的细胞群叫做组织,(1)细胞分裂的过程:先是细胞核一分为二,再是细胞质分裂。细胞核分裂时,染色体先进行复制,再平均分配到两个新细胞中去,保持亲代与后代具有相同的遗传物质。动物和植物细胞细胞壁和细胞膜分裂、形成的方式不同。(2)细胞分化的结果------形成组织动物的几种基本组织:上皮组织(人皮肤的表皮)、神经组织、肌肉组织、结缔组织(血液)植物的几种基本组织:营养组织(果肉)、保护组织(西红柿皮、苹果皮等)、输导组织(导管、筛管等)、机械组织(一些木纤维,石细胞,如叶脉,花生的果壳)。总结:细胞分裂使细胞数目增多,细胞生长使细胞体积增大,细胞分化形成组织。如:一颗小树由小长大的原因是:细胞分裂和细胞生长、细胞分化。概念一个细胞分成两个细胞的过程,叫做细胞分裂。【细胞分裂时,细胞核变化最明显】过 程1、细胞核平分为二。【动、植物细胞在分裂前,细胞核中的染色体进行了自我复制【加倍】,复制后的染色体平均分配到两个细胞核中去。即:恢复原来细胞核中染色体固有的数目】2、细胞质也平分为二,每分各含有一个细胞核。3、动物细胞在原细胞中央形成新的细胞膜,植物细胞还形成新的细胞壁。4、一个细胞就分裂成了两个细胞。 意 义(1)有利于生物新个体的繁殖、生长;(2)更新生物体内衰老、死亡的细胞。细胞分裂的特点是:遗传物质平均分配到两个子细胞中去。生物体由小变大的根本原因细胞的分裂:使细胞数目不断增多细胞的生长:使细胞体积不断增大2、细胞分化与分裂的区别和联系:细胞分化的 概 念受精卵在发育过程中,一些细胞各自具有了不同的功能,它们在形态、结构上也逐渐发生了变化,这个过程叫做细胞分化。细胞分化的结果形成了各种不同的组织。图 示细胞分化的 过 程细胞分裂→细胞生长→细胞分化→形成组织。细胞分化与分裂的区 别 细胞分裂:是细胞在数量上的增加,是属于量变。细胞分化:则是细胞在形态、结构和生理功能上的变化,是属于质变联 系细胞分裂是细胞分化的基础。 3、组织、器官、系统的概念:类 别概 念举 例组 织由许多形态相似、结构和功能相同的细胞联合在一起而成的细胞群,叫做组织。血液、脂肪、心肌或果皮、果肉等。器 官由不同的组织,按照一定的次序联合起来,形成具有一定生理功能的结构,叫做器官。构成绿色开花植物的根、茎、叶、花、果实和种子,以及人的心脏、肺、皮肤等都是属于器官。系 统由多个器官按照一定的次序组合在一起,构成的结构就是系统。人或哺乳动物是由消化、呼吸、循环、 泌尿、运动、生殖、内分泌和神经等“八大系统”构成了一个完整的统一整体。 4、构成植物体四种基本组织的结构、功能和分布:类别保 护 组 织分 生 组 织营 养 组 织输 导 组 织结构细胞扁平状、排列紧密细胞小、壁薄、核大、质浓细胞壁薄,质少,液泡大细胞呈管状功能保护作用细胞具有很强的分裂增生能力制造营养物质(叶肉)储存营养物质(果肉)具有输导作用分布位于植物体各器官的表皮位于叶芽的生长点、根尖的分生区和茎的形成层位于植物体的各器官中位于根、茎、叶、花、果实中的导管和筛管 5、构成人和动物体四种基本组织的结构、功能和分布:类别上 皮 组 织结 缔 组 织肌 肉 组 织神 经 组 织结构细胞排列紧密,细胞间质少细胞排列疏松,细胞间质发达主要由肌细胞构成主要由神经细胞构成功能保护和分泌等支持、保护营养和连结等能收缩和舒张接受刺激、产生和传导冲动(或兴奋)分布体表和体内各种管腔壁的内表面分布最广泛如:血液、肌腱、骨、韧带和脂肪等附着在骨骼上、心脏、胃、肠和血管等处脑和脊髓中的组织 6、构成高等植物体及人或高等动物体的结构层次: 1、 :细胞—→组织 →器官 2、 :细胞——→组织 →器官→八大系统→人或动物体
相关试卷
这是一份初中生物中考复习 专题一 生物与环境-2023年中考生物核心考点必背合集,共3页。
这是一份初中生物中考复习 专题一 生物与环境-2021年中考生物核心考点必背合集,共3页。
这是一份初中生物中考复习 专题四 绿色植物的作用-2023年中考生物核心考点必背合集,共3页。

