北京市东城区三年(2020-2022)高二物理下学期期末试题题型分类汇编2-实验题
展开北京市东城区三年(2020-2022)高二物理下学期期末试题题型分类汇编2-实验题
一、实验题
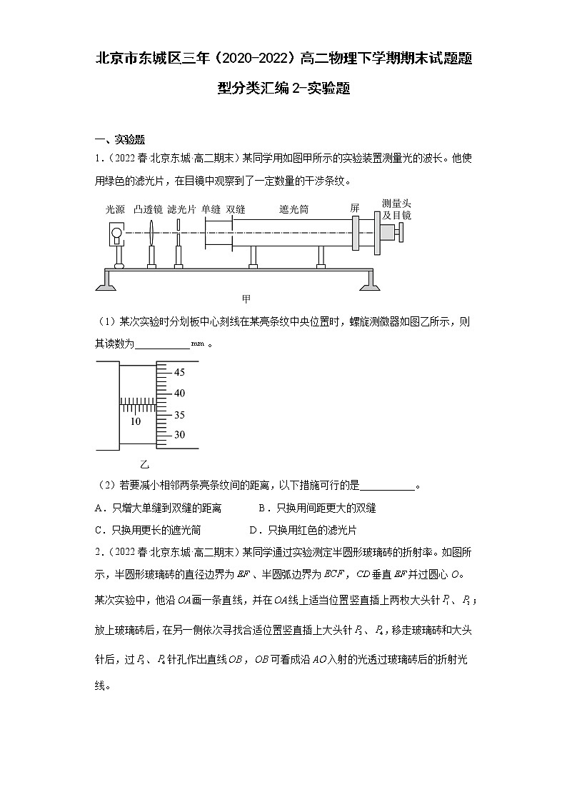
1.(2022春·北京东城·高二期末)某同学用如图甲所示的实验装置测量光的波长。他使用绿色的滤光片,在目镜中观察到了一定数量的干涉条纹。
(1)某次实验时分划板中心刻线在某亮条纹中央位置时,螺旋测微器如图乙所示,则其读数为___________。
(2)若要减小相邻两条亮条纹间的距离,以下措施可行的是___________。
A.只增大单缝到双缝的距离 B.只换用间距更大的双缝
C.只换用更长的遮光筒 D.只换用红色的滤光片
2.(2022春·北京东城·高二期末)某同学通过实验测定半圆形玻璃砖的折射率。如图所示,半圆形玻璃砖的直径边界为、半圆弧边界为,垂直并过圆心O。某次实验中,他沿画一条直线,并在线上适当位置竖直插上两枚大头针、;放上玻璃砖后,在另一侧依次寻找合适位置竖直插上大头针、,移走玻璃砖和大头针后,过、针孔作出直线,可看成沿入射的光透过玻璃砖后的折射光线。
(1)测量相应的角度后,计算玻璃砖折射率的表达式为___________;
(2)该同学认为,实验中可以取接近的任意值,请说明你的观点及理由。___________
3.(2022春·北京东城·高二统考期末)某同学用如图甲所示的装置,通过半径相同的两球碰撞来验证动量守恒定律,图中是斜槽,是水平槽,斜槽与水平槽之间平滑连接。
实验时先使小球1从斜槽上某一固定位置由静止开始滚下,落到位于水平地面的记录纸上,留下痕迹,重复上述操作多次。再把小球2放在水平槽末端的位置小球1仍从原位置由静止开始滚下,与小球2碰撞后,两小球分别在记录纸上留下各自的落点痕迹,重复上述操作多次。在记录纸上确定M、N、P为三个落点的平均位置。实验中测出小球1的质为,小球2的质量为,M、N、P三点到O点的距离为、、,其中O点为水平槽末端在记录纸上的竖直投影点。
(1)本实验必须满足的条件是___________;
A.两小球质量必须相等 B.斜槽轨道必须是光滑的 C.轨道末端必须是水平的
(2)某次实验中P点位置的多次落点痕迹如图乙所示,刻度尺的零点与O点对齐,则___________;
(3)若实验结果满足___________,就可以验证碰撞过程中动量守恒;
(4)实验中通过仅测量小球做平抛运动的___________(选填“水平位移”或“竖直位移”),可间接得到小球碰撞前后的速度关系,这样做的依据是___________。
4.(2020春·北京东城·高二期末)如图所示是利用单摆测定重力加速度的实验装置。
(1)请写出单摆的周期公式_____,并据此可推导出g的表达式g=_____。
(2)为了提高周期的测量精度,下列哪种做法是可取的_____(选填正确选项前的字母)。
A.用秒表直接测量一次全振动的时间
B.用秒表测30至50次全振动的时间,计算出平均周期
C.在最大位移处启动秒表和结束计时
D.在平衡位置处启动秒表和结束计时
(3)摆长测量完成后,在测量周期时,摆球振动过程中悬点处摆线的固定处出现松动,摆长略微变长,这将会导致所测重力加速度的数值_____(选填“偏大”、“偏小”或 “不变”)。
5.(2020春·北京东城·高二期末)用如图所示的实验器材来探究产生感应电流的条件。
(1)图中已经用导线将部分器材连接,请将实物间的连线补充完整_____;
(2)若连接好实验电路并检查无误后,在闭合开关的瞬间,观察到电流计指针向右偏转,这是由于线圈_____(填“A”或“B”)中有了感应电流。
(3)在开关闭合且稳定后,使滑动变阻器的滑片向右匀速滑动,此过程中灵敏电流计的指针_____(选填“向右偏”、“不偏转”或“向左偏”)。
6.(2020春·北京东城·高二期末)在“测定玻璃折射率”的实验中操作步骤如下,请在横线上将实验内容补充完整。
(1)先在白纸上画出一条直线aa′代表两种介质的界面,过aa′上的一点O画出界面的法线NN′,并画一条线段AO作为入射光线;
(2)把长方形玻璃砖放在白纸上,使它的长边跟aa′对齐。在白纸上画出玻璃砖的另一个界面bb′;
(3)在线段AO上竖直地插上两枚大头针P1、P2,透过玻璃砖观察大头针P1、P2的像。调整视线方向,直到P1的像被P2挡住。再在观察的这一侧插两枚大头针P3、P4,使P3挡住P1、P2的像,P4挡住P1、P2的像和___,记下___和__的位置(用题目中出现的字母表示);
(4)移去大头针和玻璃砖,连接P3、P4作为折射光线,应通过P3、P4的连线与bb′的交点O′和aa′上的入射点O,作出玻璃砖中的光线OO′,测量出法线NN′与AO之间的夹角作为入射角θ1,测量出法线NN′与___之间的夹角作为折射角θ2,填入表格中。由计算玻璃的折射率(用题目中出现的字母表示)。
参考答案:
1. B
【详解】(1)[1]由图乙可知,螺旋测微器的速度为
(2)[2]由公式可知
A.只增大单缝到双缝的距离,不改变相邻两条亮条纹间的距离,故A错误;
B.只换用间距更大的双缝,则变大,减小,即相邻两条亮条纹间的距离减小,故B正确;
C.只换用更长的遮光筒,则变大,增大,即相邻两条亮条纹间的距离增大,故C错误;
D.只换用红色的滤光片,则变大,增大,即相邻两条亮条纹间的距离增大,故D错误。
故选B。
2. 该同学的观点是不对的
【详解】(1)[1]折射率为
其中,是入射角,是折射角,则测量相应的角度后,计算玻璃砖折射率的表达式为
(2)[2]由于全反射现象,从空气射入玻璃砖,当OB与EF重合时,
可知
实验中的取值应小于。
3. C 44.79(44.76~44.82范围内均可) 水平位移 小球下落高度相同,做平抛运动的时间相同,碰撞前后的速度正比于水平位移
【详解】(1)[1]A.为了使小球1碰撞后不反弹,且速度不变为零,应满足,故A不符合题意;
B.实验中要求小球1每次运动至斜槽末端时的速度大小相同,所以需要每次将小球1从斜槽轨道上同一位置由静止释放,而斜槽轨道是否光滑对上述要求无影响,故B不符合题意;
C.为了使两小球离开斜槽轨道末端后能够做平抛运动,轨道末端必须是水平的,故C符合题。
故选C。
(2)[2]如图所示,作一尽可能小的圆将所有落点痕迹围住,圆心所在位置即为落点的平均位置,所以
(3)(4)[3][4][5]设小球1与小球2碰撞前瞬间的速度为v1,碰后瞬间二者的速度分别为v1′和v2′,根据动量守恒定律和机械能守恒定律分别得
①
②
联立①②解得
③
④
根据③④式可知N是未放小球2时小球1落点的平均位置,M、P分别是小球1和小球2碰撞后二者各自落点的平均位置。因为小球下落高度相同,做平抛运动的时间相同,则碰撞前后的速度正比于水平位移,所以实验中通过仅测量小球做平抛运动的水平位移可间接得到小球碰撞前后的速度关系,即
⑤
⑥
⑦
联立①⑤⑥⑦可得需要验证碰撞过程中动量守恒的表达式为
4. BD 偏小
【详解】(1)[1]单摆的周期公式为;
[2]根据
变形可得
(2)[3]A.直接测量一次全振动的时间较短,不利于减小误差,A错误;
B.用秒表测30至50次全振动的时间,计算出平均周期,利于减小误差,B正确;
CD.在平衡位置启动秒表开始计时,在平衡位置结束计时,因为速度最大,误差比较小,C错误,D正确。
故选BD。
(3)[4]测量摆长后,测量周期时,摆球振动过程中悬点处摆线的固定出现松动,摆长略微变长;计算时,摆长的测量值偏小,根据公式,故重力加速度的测量值偏小。
5. B 向左偏
【详解】(1)[1]本实验中线圈A与电源相连,通过调节滑动变阻器使线圈A中的磁通量发生变化,从而使线圈B产生电磁感应线象,故线圈B应与检流计相连,如图所示
(2)[2]闭合开关的瞬间,观察到电流计指针发生偏转,说明线圈B中有了感应电流,产生感应电流的原因是其磁通量发生变化。
(3)[3]如果在闭合电键时,线圈中的电流增大,穿过线圈的磁通量增加,产生感应电流,指针向右偏。闭合电键后,滑动变阻器的滑片向右移动,电流减小,穿过线圈的磁通量减小,产生感应电流,根据楞次定律知,感应电流的方向与闭合电键的瞬间电流方向相反,则电流表指针向左偏。
6. P3 P3 P4 OO′
【详解】[1][2][3]如图所示
在“测定玻璃折射率”的实验中需要保持P1、P2、P3和P4四点视线在一条直线上,即可得P4挡住P1、P2和P3的像,且需要记下P3和P4的位置。
[4] 由折射率公式
需要测量出法线NN′与AO之间的夹角作为入射角θ1,测量出法线NN′与OO′之间的夹角作为折射角θ2。
北京市西城三年(2020-2022)高一物理下学期期末试题题型分类汇编2-多选题、实验题: 这是一份北京市西城三年(2020-2022)高一物理下学期期末试题题型分类汇编2-多选题、实验题,共16页。试卷主要包含了多选题,实验题等内容,欢迎下载使用。
北京市西城三年(2020-2022)高二物理下学期期末试题题型分类汇编2-多选题、实验题: 这是一份北京市西城三年(2020-2022)高二物理下学期期末试题题型分类汇编2-多选题、实验题,共11页。试卷主要包含了多选题,实验题等内容,欢迎下载使用。
北京市顺义区三年(2020-2022)高一物理下学期期末试题题型分类汇编2-填空题、实验题: 这是一份北京市顺义区三年(2020-2022)高一物理下学期期末试题题型分类汇编2-填空题、实验题,共10页。试卷主要包含了实验题,知识点填空题,填空题等内容,欢迎下载使用。

