高中物理高考 2022年高考物理一轮复习(新高考版2(粤冀渝湘)适用) 第9章 实验十一 练习使用多用电表
展开
这是一份高中物理高考 2022年高考物理一轮复习(新高考版2(粤冀渝湘)适用) 第9章 实验十一 练习使用多用电表,共11页。试卷主要包含了了解多用电表的构造和工作原理,25,0等内容,欢迎下载使用。
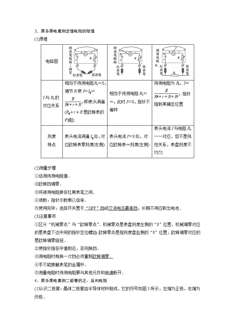
实验十一 练习使用多用电表目标要求 1.了解多用电表的构造和工作原理.2.会用多用电表测量电压、电流.3.测量定值电阻和二极管的正负极.4.会用多用电表进行简单的电路故障分析.实验技能储备1.认识多用电表(1)多用电表可以用来测量电流、电压、电阻等,并且每一种测量项目都有几个量程.图1(2)外形如图1所示:上半部分为表盘,表盘上有电流、电压、电阻等多种量程的刻度;下半部分为选择开关,它的四周刻有各种测量项目和量程.多用电表面板上还有:欧姆表的欧姆调零旋钮(使电表指针指在右端零欧姆处)、指针定位螺丝(使电表指针指在左端的“0”位置)、表笔的正、负插孔(红表笔插入“+”插孔,黑表笔插入“-”插孔).2.用多用电表测量小灯泡的电压和电流按如图2甲所示的电路图连好电路,将多用电表选择开关置于直流电压挡,测小灯泡两端的电压.图2按如图乙所示的电路图连好电路,将选择开关置于直流电流挡,测量通过小灯泡的电流. 3.用多用电表测定值电阻的阻值(1)原理电路图I与Rx的对应关系相当于待测电阻Rx=0,调节R使I=Ig=,即表头满偏(Rg+r+R是欧姆表的内阻)相当于待测电阻Rx=∞,此时I=0,指针不偏转待测电阻为Rx,I=,指针指到某确定位置刻度特点表头电流满偏Ig处,对应欧姆表零刻度(右侧)表头电流I=0处,对应欧姆表∞刻度(左侧)表头电流I与电阻Rx一一对应,但不是线性关系,表盘刻度不均匀 (2)测量步骤①估测待测电阻值.②欧姆挡调零.③将被测电阻接在红黑表笔之间.④读数:指针示数乘以倍率.⑤使用完毕:选择开关置于“OFF”挡或交流电压最高挡,长期不用应取出电池.(3)注意事项①区分“机械零点”与“欧姆零点”.机械零点是表盘刻度左侧的“0”位置,机械调零对应的是表盘下边中间的指针定位螺丝;欧姆零点是指刻度盘右侧的“0”位置,欧姆调零对应的是欧姆调零旋钮.②使指针指在中值附近,否则换挡.③测电阻时每换一次挡必须重新欧姆调零.④手不能接触表笔的金属杆.⑤测量电阻时待测电阻要与其他元件和电源断开.4.用多用电表测二极管的正、反向电阻(1)认识二极管:晶体二极管由半导体材料制成,它的符号如图3所示,左端为正极,右端为负极.图3特点:当给二极管加正向电压时电阻很小,当给二极管加反向电压时电阻很大.(2)用多用电表测二极管的正、反向电阻①测二极管正向电阻:将多用电表的选择开关选至低倍率的欧姆挡,欧姆调零之后将黑表笔接触二极管的正极,红表笔接触二极管的负极(如图4甲).②测二极管反向电阻:将多用电表的选择开关选至高倍率的欧姆挡,欧姆调零之后将黑表笔接触二极管的负极,红表笔接触二极管的正极(如图乙).图4使用二极管前,常常需要辨明它的正负极,若标识模糊,可用欧姆表测量两个方向的电阻判断二极管的正负极.考点一 教材原型实验 欧姆表的原理和使用 例1 图5(a)为多用电表的示意图,其中S、K、T为三个可调节的部件,现用此电表测量一阻值约1 000 Ω的定值电阻.图5(1)测量的某些操作步骤如下:①调节可调部件________,使电表指针停在________(选填“电流0刻度”“欧姆0刻度”)位置.②调节可调部件K,使它的尖端指向________(选填“×1 k”“×100”“×10”“×1”)位置.③将红、黑表笔分别插入“+”“-”插孔,笔尖相互接触,调节可调部件________,使电表指针指向________(选填“电流0刻度”“欧姆0刻度”)位置.④将红、黑表笔笔尖分别接触待测电阻的两端,当指针稳定后,读出表头的示数,如图(b)所示,再乘以可调部件K所指的倍率,得出该电阻的阻值Rx=________.⑤测量完毕,应调节可调部件K,使它的尖端指向“OFF”或交流电压“×500”位置.(2)欧姆挡进行调零后,用“×10”挡测量另一个阻值未知的电阻,发现指针偏转角度很小,则下列说法和做法中正确的是________.A.这个电阻的阻值较小B.这个电阻的阻值较大C.为测量更准确些,电表应当换用欧姆“×1”挡,并且重新调零后进行测量D.为测量更准确些,电表应当换用欧姆“×100”挡,并且重新调零后进行测量答案 (1)①S 电流0刻度 ②×100 ③T 欧姆0刻度 ④1 100 Ω (2)BD
多用电表的原理和使用 例2 (2017·全国卷Ⅲ·23)图6(a)为某同学组装完成的简易多用电表的电路图.图中E是电池;R1、R2、R3、R4和R5是固定电阻,R6是可变电阻;表头的满偏电流为250 μA,内阻为480 Ω.虚线方框内为换挡开关,A端和B端分别与两表笔相连.该多用电表有5个挡位,5个挡位为:直流电压1 V挡和5 V挡,直流电流1 mA挡和2.5 mA 挡,欧姆×100 Ω挡.图6(1)图(a)中的A端与________(填“红”或“黑”)色表笔相连接.(2)关于R6的使用,下列说法正确的是________(填正确答案标号).A.在使用多用电表之前,调整R6使电表指针指在表盘左端电流“0”位置B.使用欧姆挡时,先将两表笔短接,调整R6使电表指针指在表盘右端电阻“0”位置C.使用电流挡时,调整R6使电表指针尽可能指在表盘右端电流最大位置(3)根据题给条件可得R1+R2=________Ω,R4=________Ω.(4)某次测量时该多用电表指针位置如图(b)所示.若此时B端是与“1”相连的,则多用电表读数为__________;若此时B端是与“3”相连的,则读数为________;若此时B端是与“5”相连的,则读数为____________.(结果均保留3位有效数字)答案 (1)黑 (2)B (3)160 880 (4)1.47 mA1.10 kΩ 2.94 V解析 (1)当B端与“3”连接时,内部电源与外部电路形成闭合回路,电流从A端流出,故A端与黑色表笔相连接.(2)在使用多用电表之前,调整表头指针定位螺丝使电表指针指在表盘左端电流“0”位置,选项A错误;使用欧姆挡时,先将两表笔短接,调整R6使电表指针指在表盘右端电阻“0”位置,选项B正确;使用电流挡时,电阻R6不在闭合电路中,调节无效,选项C错误.(3)根据题给条件可知,当B端与“2”连接时,表头与R1、R2组成的串联电路并联,此时为量程1 mA的电流挡,由并联电路两支路电流与电阻成反比知,==,解得R1+R2=160 Ω.当B端与“4”连接时,表头与R1、R2组成的串联电路并联后再与R4串联,此时为量程1 V的电压挡,表头与R1、R2组成的串联电路并联后的总电阻为120 Ω,两端电压为0.12 V,由串联电路中电压与电阻成正比知:R4两端电压为0.88 V,则R4电阻为880 Ω.(4)若此时B端是与“1”连接的,多用电表作为直流电流表使用,量程为2.5 mA,读数为1.47 mA.若此时B端是与“3”连接的,多用电表作为欧姆表使用,读数为11×100 Ω=1.10 kΩ.若此时B端是与“5”连接的,多用电表作为直流电压表使用,量程为5 V,读数为2.94 V. 使用多用电表测量二极管 例3 (2020·浙江名校协作体模拟)钱华同学的爸爸是个电气工程师,钱华经常看到爸爸用多用电表进行一些测量.在高中物理课堂上学习了多用电表的用法之后,爸爸给他出了一道题目,让他通过测量找到发光二极管的负极.(1)钱华同学做了如下两步具体的操作:第一,将多用电表选择开关旋转到电阻挡的“×1”挡,经过________之后,他把红表笔接在二极管的短管脚上,把黑表笔接在二极管的长管脚上,发现二极管发出了耀眼的白光;然后他将两表笔的位置互换以后,发现二极管不发光.这说明二极管的负极是________(选填“长管脚”或“短管脚”)所连接的一极.(2)钱华同学的好奇心一下子就被激发起来了,他琢磨了一下,然后又依次用电阻挡的“×1挡”、“×10挡”、“×100挡”、“×1 k挡”分别进行了二极管导通状态的准确的测量,他发现二极管发光的亮度越来越________(选填“大”或“小”),请帮助他分析一下具体的原因:_____________________________________________________________答案 (1)欧姆调零 短管脚 (2)小 原因见解析解析 (1)在测量电阻时,选择挡位后首先要进行欧姆调零;二极管发光时处于正向导通状态,因为黑表笔所接的长管脚为二极管的正极,故短管脚为负极.(2)从×1挡、×10挡、×100挡到×1 k挡,多用电表的内阻越来越大,根据闭合电路欧姆定律I=可知,通过二极管的电流越来越小,根据P=I2R可知二极管的亮度越来越小.1.(八省联考·江苏·13)电流表改装成欧姆表的电路如图7所示,两表笔直接相连时,指针指在表盘刻度“5”上.两表笔之间接有600 Ω的电阻时,指针指在刻度“1”上,求刻度“3”应标注的电阻值R.图7答案 100 Ω解析 指针指在刻度“5”时,电流表满偏,设为Ig,则指针指在刻度“3”和刻度“1”时的电流分别为Ig和Ig,指针指在刻度“5”,由闭合电路欧姆定律得Ig=指针指在刻度“1”,由闭合电路欧姆定律得Ig=解得R内=150 Ω指针指在刻度“3”,由闭合电路欧姆定律得:Ig=解得R=100 Ω考点二 拓展创新实验 欧姆表检测电路故障 断开电路,用多用电表的欧姆挡测量待测部分的电阻,若检测部分示数正常,说明两点间电路正常;若检测部分电阻很小(几乎为零),说明该部分短路;若检测部分指针几乎不动,说明该部分有断路.例4 (1)某同学按如图8所示的电路图连接元件后,闭合开关S,发现A、B灯都不亮.该同学用多用电表的欧姆挡检查电路的故障.检查前,应将开关S________.(选填“闭合”或“断开”)图8(2)若(1)中同学检查结果如表所示,由此可以确定________.测试点b、fb、eb、dd、e多用电表示数无穷大无穷大500 Ω无穷大 A.灯A断路B.灯B断路C.灯A、B都断路D.d、e间导线断路答案 (1)断开 (2)D解析 (1)用欧姆挡检查电路需将电路断开.(2)b、f之间电阻无穷大说明b、f间有断路,b、e之间电阻无穷大说明b、e间有断路,d、e之间电阻无穷大说明d、e间有断路,b、d间电阻有一定的数值,说明b、d间没有断路,所以断路在d、e之间. 组装欧姆表 例5 (2019·全国卷Ⅲ·23)某同学欲将内阻为98.5 Ω、量程为100 μA的电流表改装成欧姆表并进行刻度和校准,要求改装后欧姆表的15 kΩ刻度正好对应电流表表盘的50 μA刻度.可选用的器材还有:定值电阻R0(阻值14 kΩ),滑动变阻器R1(最大阻值1 500 Ω),滑动变阻器R2(最大阻值500 Ω),电阻箱(0~99 999.9 Ω),干电池(E=1.5 V,r=1.5 Ω),红、黑表笔和导线若干.图9(1)欧姆表设计将图9中的实物连线组成欧姆表.欧姆表改装好后,滑动变阻器R接入电路的电阻应为________ Ω;滑动变阻器选________(填“R1”或“R2”).(2)刻度欧姆表表盘通过计算,对整个表盘进行电阻刻度,如图10所示.表盘上a、b处的电流刻度分别为25和75,则a、b处的电阻刻度分别为________、________.图10(3)校准红、黑表笔短接,调节滑动变阻器,使欧姆表指针指向________ kΩ处;将红、黑表笔与电阻箱连接,记录多组电阻箱接入电路的电阻值及欧姆表上对应的测量值,完成校准数据测量.若校准某刻度时,电阻箱旋钮位置如图11所示,则电阻箱接入的阻值为________ Ω.图11答案 (1)如图所示 900 R1(2)45 5 (3)0 35 000.0解析 (1)由题知当两表笔间接入15 kΩ的电阻时,电流表示数为50 μA,由闭合电路欧姆定律有=,代入数据解得R=900 Ω,所以滑动变阻器选择R1.(2)欧姆表的内阻Rg′=Rg+r+R0+R=15 kΩ,当电流为25 μA时,有=,可得Rx′=45 kΩ;当电流为75 μA时,有=,可得Rx″=5 kΩ.(3)红、黑表笔短接,调节滑动变阻器,使欧姆表指针指向0 kΩ处.题图中电阻箱读数为35 000.0 Ω.2.(2019·安徽皖江名校联盟摸底大联考)某实验小组在练习使用多用电表时,他们正确连接好电路如图12甲所示.闭合开关S后,发现无论如何调节电阻箱R0,灯泡都不亮,电流表无读数,他们判断电路可能出现故障.经小组讨论后,他们尝试用多用电表的欧姆挡来检测电路.已知保护电阻R=15 Ω,电流表量程为0~50 mA.操作步骤如下:图12①将多用电表挡位调到欧姆×1挡,再将红、黑表笔短接,进行欧姆调零;②断开图甲电路开关S,将多用电表两表笔分别接在a、c上,多用电表的指针不偏转;③将多用电表两表笔分别接在b、c上,多用电表的示数如图乙所示;④将多用电表两表笔分别接在c、e上,调节R0=20 Ω时,多用电表示数如图丙所示,电流表的示数如图丁所示.回答下列问题:(1)图丙中的多用电表读数为________ Ω;图丁中的电流表读数为________ mA.(2)操作步骤④中,多用电表红表笔应接________(选填“c”或“e”)点.(3)电路的故障可能是________.A.灯泡短路 B.灯泡断路C.保护电阻R短路 D.保护电阻R断路(4)根据以上实验得出的数据,同学们还计算出多用电表内部电源的电动势E′=______ V(结果保留三位有效数字).答案 (1)24 38.0 (2)e (3)B (4)1.48解析 (1)欧姆表的读数为24×1 Ω=24 Ω,电流表的最小分度是1 mA,需估读到0.1 mA,所以图丁中的电流表读数为38.0 mA.(2)根据电流必须从电流表正接线柱流入,电流从欧姆表的红表笔流入,黑表笔流出,电路中电流表在e端为负极,即电流经过电流表的方向为d→e,则操作步骤④中,多用电表黑表笔应接c点,红表笔应接e点.(3)将多用电表两表笔分别接在a、c上,多用电表的指针不偏转,说明ac间有断路.将多用电表两表笔分别接在b、c上,多用电表的示数不为零,所以电路的故障是灯泡断路.(4)由操作步骤③中多用电表指针正好指在中间刻度,根据欧姆表的中值电阻等于其内阻,则知欧姆表的内阻为R欧=15 Ω.操作步骤④中,根据闭合电路欧姆定律得:I=,又R0+RmA=24 Ω,故E′=I(R0+RmA+R欧)=38.0×10-3×(24+15) V≈1.48 V.
相关试卷
这是一份高中物理高考 2022年高考物理一轮复习(新高考版2(粤冀渝湘)适用) 第14章 第2讲 固体、液体和气体,共19页。试卷主要包含了液体,液晶,下列说法正确的是,18 mmHg等内容,欢迎下载使用。
这是一份高中物理高考 2022年高考物理一轮复习(新高考版2(粤冀渝湘)适用) 第9章 实验十 测定电源的电动势和内阻,共15页。试卷主要包含了61-1等内容,欢迎下载使用。
这是一份高中物理高考 2022年高考物理一轮复习(新高考版2(粤冀渝湘)适用) 第7章 专题强化11 碰撞模型及拓展,共16页。试卷主要包含了理解碰撞的种类及其遵循的规律等内容,欢迎下载使用。

