所属成套资源:高考化学三轮复习题型精准练题型+规范练(含解析)
新高考化学三轮复习非选择题专项练七(含解析)
展开
这是一份新高考化学三轮复习非选择题专项练七(含解析),共8页。
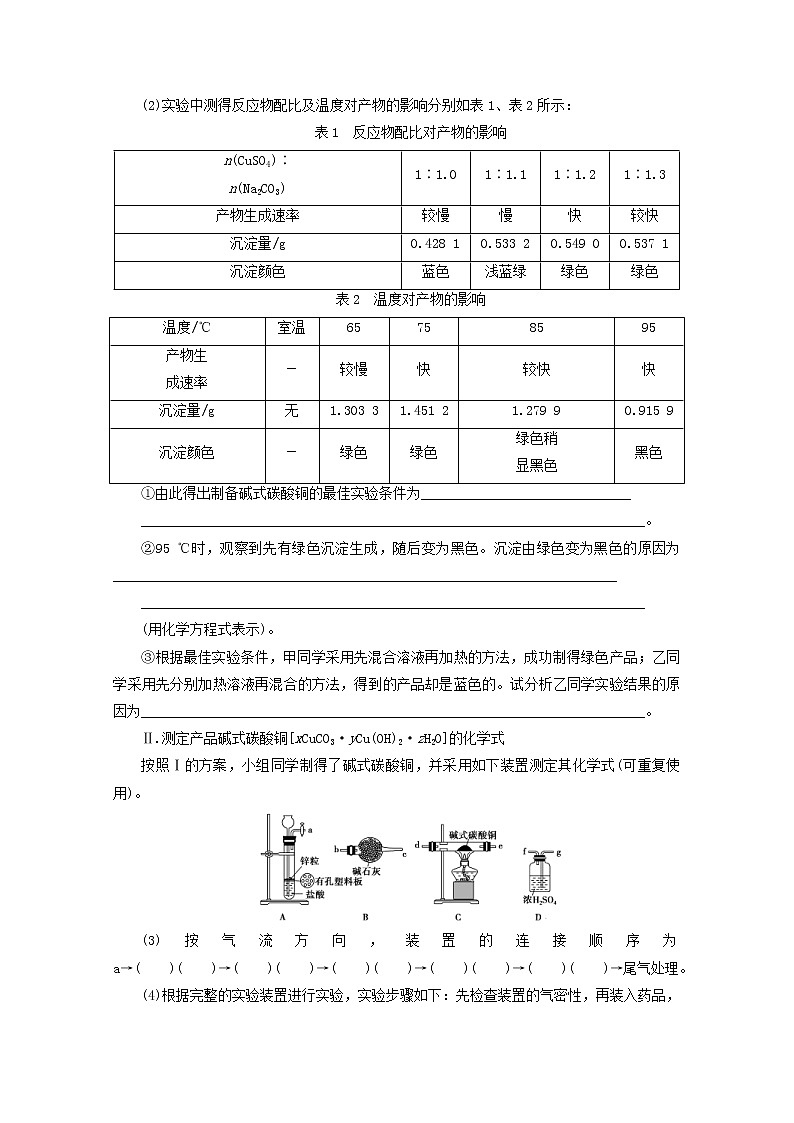
非选择题专项练(七) (建议用时:40分钟)1.亚铁氰化钾{K4[Fe(CN)6]·3H2O}俗称黄血盐,常用于检验Fe3+,也是食盐防结剂。以生产电石的副产物氰熔体[Ca(CN)2和NaCN的混合物]为原料,制备亚铁氰化钾的流程如下:回答下列问题:(1)“浸取”需控制在80 ℃以下进行,原因是______________________________________________________________________________________________________。(2)用硫酸亚铁晶体配制FeSO4溶液时还需加入__________________________。(3)对“滤液”处理可获得一种实验室常用干燥剂,它的化学式是________。(4)“加热”使HCN气体逸出发生“反应Ⅲ”,生成K4[Fe(CN)6]、二氧化碳和氢气,该反应的化学方程式为_____________________________________________。(5)“反应Ⅲ”后的溶液经蒸发浓缩、冷却结晶、________、________、干燥即得产品。(6)工业上,以石墨为电极,电解亚铁氰化钾溶液可以制备铁氰化钾{K3[Fe(CN)6],可用于检验Fe2+},阳极的电极反应式为______________________________________。(7)设计如图实验探究牺牲阳极的阴极保护法原理。操作现象(i)取铁极附近的溶液于试管中,滴加铁氰化钾溶液无明显现象(ii)在U形管铁极附近滴加铁氰化钾溶液产生蓝色沉淀得出结论:①锌能保护铁;②________________。2.某学习小组欲在实验室探究制备碱式碳酸铜的最佳实验条件,并测定所制得产品的化学式。已知:xCuCO3·yCu(OH)2·zH2O为绿色或暗绿色固体,Cu4SO4(OH)6·2H2O为蓝色固体。Ⅰ.探究制备碱式碳酸铜的最佳实验条件(1)实验需要0.50 mol·L-1 Na2CO3溶液和0.50 mol·L-1 CuSO4溶液各500 mL,配制上述溶液所使用的玻璃仪器除烧杯和胶头滴管外,还有__________________________。(2)实验中测得反应物配比及温度对产物的影响分别如表1、表2所示:表1 反应物配比对产物的影响n(CuSO4)∶n(Na2CO3)1∶1.01∶1.11∶1.21∶1.3产物生成速率较慢慢快较快沉淀量/g0.428 10.533 20.549 00.537 1沉淀颜色蓝色浅蓝绿绿色绿色表2 温度对产物的影响温度/℃室温65758595产物生成速率-较慢快较快快沉淀量/g无1.303 31.451 21.279 90.915 9沉淀颜色-绿色绿色绿色稍显黑色黑色①由此得出制备碱式碳酸铜的最佳实验条件为______________________________________________________________________________________________________。②95 ℃时,观察到先有绿色沉淀生成,随后变为黑色。沉淀由绿色变为黑色的原因为________________________________________________________________________________________________________________________________________________(用化学方程式表示)。③根据最佳实验条件,甲同学采用先混合溶液再加热的方法,成功制得绿色产品;乙同学采用先分别加热溶液再混合的方法,得到的产品却是蓝色的。试分析乙同学实验结果的原因为________________________________________________________________________。Ⅱ.测定产品碱式碳酸铜[xCuCO3·yCu(OH)2·zH2O]的化学式按照Ⅰ的方案,小组同学制得了碱式碳酸铜,并采用如下装置测定其化学式(可重复使用)。(3)按气流方向,装置的连接顺序为a→( )( )→( )( )→( )( )→( )( )→( )( )→尾气处理。(4)根据完整的实验装置进行实验,实验步骤如下:先检查装置的气密性,再装入药品,________(请按正确的顺序填入步骤的标号)。①停止加热,充分冷却②加热C装置一段时间③打开A装置中的活塞通氢气④收集气体并检验纯度⑤关闭A装置中的活塞(5)称取9.55 g xCuCO3·yCu(OH)2·zH2O产品,充分反应后,硬质玻璃管中得到4.8 g残留物,同时生成2.2 g二氧化碳和2.7 g水。则该产品的化学式为____________。3.甲烷催化裂解是工业上制备乙炔的方法之一。回答下列问题:(1)已知:CH4(g)+2O2(g)===CO2(g)+2H2O(l) ΔH1=-890 kJ·mol-1C2H2(g)+O2(g)===2CO2(g)+H2O(l) ΔH2=-1 300 kJ·mol-12H2(g)+O2(g)===2H2O(l) ΔH3=-572 kJ·mol-1则2CH4(g)C2H2(g)+3H2(g) ΔH=________kJ·mol-1。(2)某科研小组尝试利用固体表面催化工艺进行CH4的裂解。①若用和分别表示CH4、C2H2、H2和固体催化剂,在固体催化剂表面CH4的裂解过程如图1所示。从吸附到解吸的过程中,能量状态最低的是________(填字母),其理由是_____________________________________。②在恒容密闭容器中充入a mol甲烷,测得单位时间内在固体催化剂表面CH4的转化率[α(CH4)]与温度(t)的关系如图2所示,t0 ℃后CH4的转化率突减的原因可能是________________________________________________________________________。(3)甲烷分解体系中几种气体的平衡分压(p,单位为Pa)与温度(t,单位为℃)的关系如图3所示。①t1 ℃时,向V L恒容密闭容器中充入0.12 mol CH4,只发生反应2CH4(g)C2H4(g)+2H2(g),达到平衡时,测得p(C2H4)=p(CH4),CH4的平衡转化率为________,在上述平衡状态某一时刻,改变温度至t2 ℃,CH4以0.01 mol·L-1·s-1的平均速率增多,则t1________t2(填“>”“=”或“<”)。②在图3中,t3 ℃时,化学反应2CH4(g)C2H2(g)+3H2(g)的压强平衡常数Kp=________。4.石墨是一种混合型晶体,具有多种晶体结构,其一种晶胞的结构如图所示。回答下列问题:(1)基态碳原子的核外电子排布图为___________________________________。(2)碳、氮、氧三种元素的第一电离能由大到小的顺序为________(用元素符号表示)。(3)CH是有机反应中重要的中间体,其立体构型为__________________。(4)石墨晶体中碳原子的杂化形式为________,晶体中微粒间的作用力有________(填字母),石墨熔点高于金刚石是因为石墨中存在________(填字母)。A.离子键 B.σ键 C.π键 D.氢键 E.范德华力F.金属键(5)若该晶胞底面边长为a pm,高为c pm,则石墨晶体中碳碳键的键长为________pm,密度为________g·cm-3(设阿伏加德罗常数的值为NA)。5.利用蒈烯(A)为原料可制得杀虫剂菊酯(H),其合成路线可表示如下:(1)化合物B中的含氧官能团名称为________。(2)A→B的反应类型为________。(3)A的分子式为________。(4)写出一分子F通过酯化反应生成环酯的结构简式:________________________________________________________________________。(5)写出G→H反应的化学方程式:_______________________________________________________________________________________________________________。(6)写出满足下列条件的C的一种同分异构体的结构简式:____________________。①能与FeCl3溶液发生显色反应②分子中有4种不同化学环境的氢(7)写出以和CH3CH2OH为原料制备的合成路线流程图(无机试剂任用)。非选择题专项练(七)1.解析:(1)温度过低,浸取效率低;温度过高,会促进CN-水解,生成有毒的HCN,污染环境,故需控制温度低于80 ℃。(2)为防止硫酸亚铁氧化变质,应加入铁粉,为防止其水解,应加入稀硫酸。(3)分析流程图可知,可获得的常用干燥剂是CaCl2。(4)根据题给条件可知,“反应Ⅲ”的反应物为HCN、K2CO3、Fe,生成物为K4[Fe(CN)6]、CO2、H2,结合原子守恒和得失电子守恒可得反应的化学方程式为6HCN+2K2CO3+Fe===K4[Fe(CN)6]+2CO2↑+H2↑+2H2O。(5)从溶液中得到带结晶水的晶体一般需经过蒸发浓缩、冷却结晶、过滤、洗涤、干燥操作。(6)阳极发生氧化反应,Fe元素由+2价变为+3价,电极反应式为[Fe(CN)6]4--e-===[Fe(CN)6]3-。(7)由操作(i)及实验现象可知,在该原电池中Zn被腐蚀,铁被保护,电解质溶液中无Fe2+,在U形管铁极附近滴加铁氰化钾溶液后产生了蓝色沉淀,则说明有二价铁生成,即铁被铁氰化钾氧化生成了Fe2+。答案:(1)温度过低,浸取效率低;温度过高,促进CN-水解,生成有毒的HCN,污染环境 (2)稀硫酸和铁屑 (3)CaCl2(4)2K2CO3+6HCN+Fe===K4[Fe(CN)6]+2CO2↑+H2↑+2H2O (5)过滤 洗涤 (6)[Fe(CN)6]4--e-===[Fe(CN)6]3- (7)铁能被铁氰化钾氧化生成Fe2+2.解析:Ⅰ.(1)配制500 mL一定物质的量浓度溶液所需玻璃仪器除烧杯、胶头滴管外,还有500 mL容量瓶、玻璃棒。(2)①根据题表1可知,n(CuSO4)∶n(Na2CO3)=1∶1.2时,产物生成速率快,沉淀量最大;根据题表2可知,温度为75 ℃时,产物生成速率快,沉淀量最大,故最佳实验条件为n(CuSO4)∶n(Na2CO3)=1∶1.2,温度为75 ℃。②温度为95 ℃时,沉淀由绿色变为黑色,说明碱式碳酸铜发生分解生成CuO,化学方程式为xCuCO3·yCu(OH)2·zH2O(x+y)CuO+xCO2↑+(y+z)H2O。③乙同学得到的产品为蓝色,说明生成了Cu4SO4(OH)6·2H2O,其原因可能是加热促进了CO水解,使Na2CO3溶液中OH-浓度增大,CO浓度减小,故混合时生成了Cu4SO4(OH)6·2H2O。Ⅱ.(3)欲测定碱式碳酸铜的化学式,需测定碱式碳酸铜加热分解生成的水蒸气和CO2的量,同时还需测定C装置中残留固体的量;利用A装置中产生的氢气排尽装置中的空气并将C装置中产生的CO2和H2O全部赶入吸收装置中;A装置产生的氢气中混有水蒸气和HCl,故氢气需用B装置进行除杂、干燥;将纯净的氢气通入C装置中,验纯后点燃C装置处酒精灯,将所得气体先通过浓硫酸吸收水,后通过碱石灰吸收CO2,同时要防止外界中的水蒸气和CO2进入,据此连接装置。(4)根据测定原理,实验时应先通氢气,不纯的氢气加热时会发生爆炸,故应验纯氢气后再点燃C装置处酒精灯,待反应完成后,为防止C装置中生成的Cu被氧化,应先停止加热,再停止通入氢气。(5)n(C)=n(CO2)= mol=0.05 mol,n(Cu)= mol=0.075 mol,n(O)=n(H2O)+2n(CO2)=(+×2) mol=0.25 mol,则n(Cu)∶n(C)∶n(O)=0.075∶0.05∶0.25=3∶2∶10,即(x+y)∶x∶(3x+2y+z)=3∶2∶10,解得x∶y∶z=2∶1∶2,故该产品的化学式为2CuCO3·Cu(OH)2·2H2O。答案:Ⅰ.(1)500 mL容量瓶、玻璃棒 (2)①n(CuSO4)∶n(Na2CO3)=1∶1.2,反应温度为75 ℃ ②xCuCO3·yCu(OH)2·zH2O(x+y)CuO+xCO2↑+(y+z)H2O ③加热促进CO水解,溶液中的CO浓度减小,OH-浓度增大,生成大量的Cu4SO4(OH)6·2H2O(答案合理即可)Ⅱ.(3)b c d e(或e d) g f b c b c(4)③④②①⑤ (5)2CuCO3·Cu(OH)2·2H2O3.解析:(1)将已知反应依次编号为①②③,根据盖斯定律,由①×2-②-③×可得:2CH4(g)C2H2(g)+3H2(g) ΔH=+378 kJ·mol-1。(2)①甲烷的裂解反应为吸热反应,则反应物总能量小于生成物总能量,且反应物中化学键断裂需吸收能量,故能量状态最低的是A。②温度过高,催化剂活性降低(或催化剂失活),则单位时间内甲烷的转化率减小。(3)①设平衡时甲烷转化x mol,根据三段式法有: 2CH4(g)C2H4(g)+2H2(g)初始/mol 0.12 0 0反应/mol x x平衡/mol 0.12-x x结合题意知存在0.12-x=,解得x=0.08,故CH4的平衡转化率为×100%=66.7%。根据题图3可知,2CH4(g)C2H4(g)+2H2(g)为吸热反应,改变温度,甲烷的浓度增大,即平衡左移,则温度降低,即t1>t2。②将气体的平衡浓度换为平衡分压,则t3 ℃时,该反应的压强平衡常数Kp===104.7。答案:(1)+378 (2)①A CH4的裂解为吸热反应,CH4分子活化需吸收能量 ②温度过高,催化剂活性降低(或催化剂失活) (3)①66.7% > ②104.74.解析:(1)碳原子核外有6个电子,其电子排布式为1s22s22p2,电子排布图为(2)同周期元素,从左向右第一电离能总体上呈增大趋势,但第ⅤA族因p轨道处于半充满的较稳定状态,故其第一电离能比相邻的第ⅥA族元素大,故第一电离能的大小顺序是N>O>C。(3)CH的中心C原子的价层电子对数为3+×(4+1-3×1)=4,有1对孤电子对和3对成键电子对,故其立体构型为三角锥形。(4)结合题图可知,该石墨晶体中C原子采用sp2杂化,石墨晶体中除存在σ键外,还存在大π键、金属键,石墨晶体层与层之间存在范德华力。石墨晶体中存在π键,而金刚石晶体中只存在σ键,故石墨的熔点比金刚石高。(5)根据晶胞结构可知,距离最近的2个碳原子间的距离为 pm= pm。由晶胞结构可知,每个晶胞含有的碳原子数为1+2×+8×+4×=4,晶胞质量为 g= g,晶胞体积为a2c pm3,故晶体密度为×1030 g·cm-3。答案:(1) (2)N>O>C (3)三角锥形(4)sp2 BCEF C (5) ×10305.解析:(1)由B的结构简式可知,B含有的官能团为醛基和羰基。(2)有机化学中加氧去氢的反应为氧化反应,根据A和B的结构简式可知,A→B为氧化反应。(3)由A的结构简式可确定其分子式为C10H16。(4)F中同时含有羟基和羧基,可发生酯化反应生成环酯,其结构简式为。(6)根据题中限定条件可知,C的同分异构体中含有酚羟基,且含有4种氢原子,则符合条件的同分异构体的结构简式为、。(7)结合逆推法可知要合成该目标化合物,需先合成,其可由氧化得到,结合题中信息可利用与CH3CHO制备,而CH3CHO可由CH3CH2OH催化氧化得到,据此可完成合成路线设计。答案:(1)醛基、羰基(2)氧化反应(3)C10H16(4)(5)
相关试卷
这是一份新高考化学三轮复习非选择题专项练一(含解析),共9页。试卷主要包含了高聚物M广泛用于各种刹车片等内容,欢迎下载使用。
这是一份新高考化学三轮复习非选择题专项练五(含解析),共9页。
这是一份新高考化学三轮复习非选择题专项练四(含解析),共8页。

