所属成套资源:2022届高考化学二轮复习 专项练习(含解析)
2022届高考化学二轮复习常见物质的制备专项练习(含解析)
展开
这是一份2022届高考化学二轮复习常见物质的制备专项练习(含解析),共23页。试卷主要包含了选择题,实验题等内容,欢迎下载使用。
2022届高三化学二轮复习常见物质的制备专项练习
一、选择题(共17题)
1.实验室中,一般使用MnO2和浓盐酸制备少量Cl2,涉及的主要操作如下:
①将烧瓶固定在铁架台上;
②将酒精灯放在铁架台合适位置,根据酒精灯确定铁圈的高度,固定铁圈,放上石棉网;
③向烧瓶中加入MnO2,再向分液漏斗中加入盐酸,并将导管放入集气瓶中;
④检查装置的气密性;
⑤在烧瓶上装好漏斗,连接好导管;
⑥选取实验仪器和实验试剂。
最好的实验操作顺序是
A.⑥②③④①⑤ B.⑥②①③⑤④
C.⑥②①⑤④③ D.⑥②①③④⑤
2.不可以用于实验室制取氨气的方法是
A.在浓氨水中加入固体氢氧化钠并加热
B.加热分解氯化铵晶体
C.在浓氨水中加入固体氧化钙并加热
D.加热氯化铵和消石灰的固体混合物
3.右图为实验室制氢气的简易装置。若在加稀硫酸时,发现锌粒与稀硫酸没有接触而稀硫酸不够了,为使该反应顺利进行,可以从长颈漏斗中加入的试剂是
①食盐水 ②KNO3溶液 ③适量稀硫酸铜溶液
④Na2CO3溶液 ⑤CCl4 ⑥浓氨水
A.①③⑤ B.①②③ C.④⑤⑥ D.①②③⑤
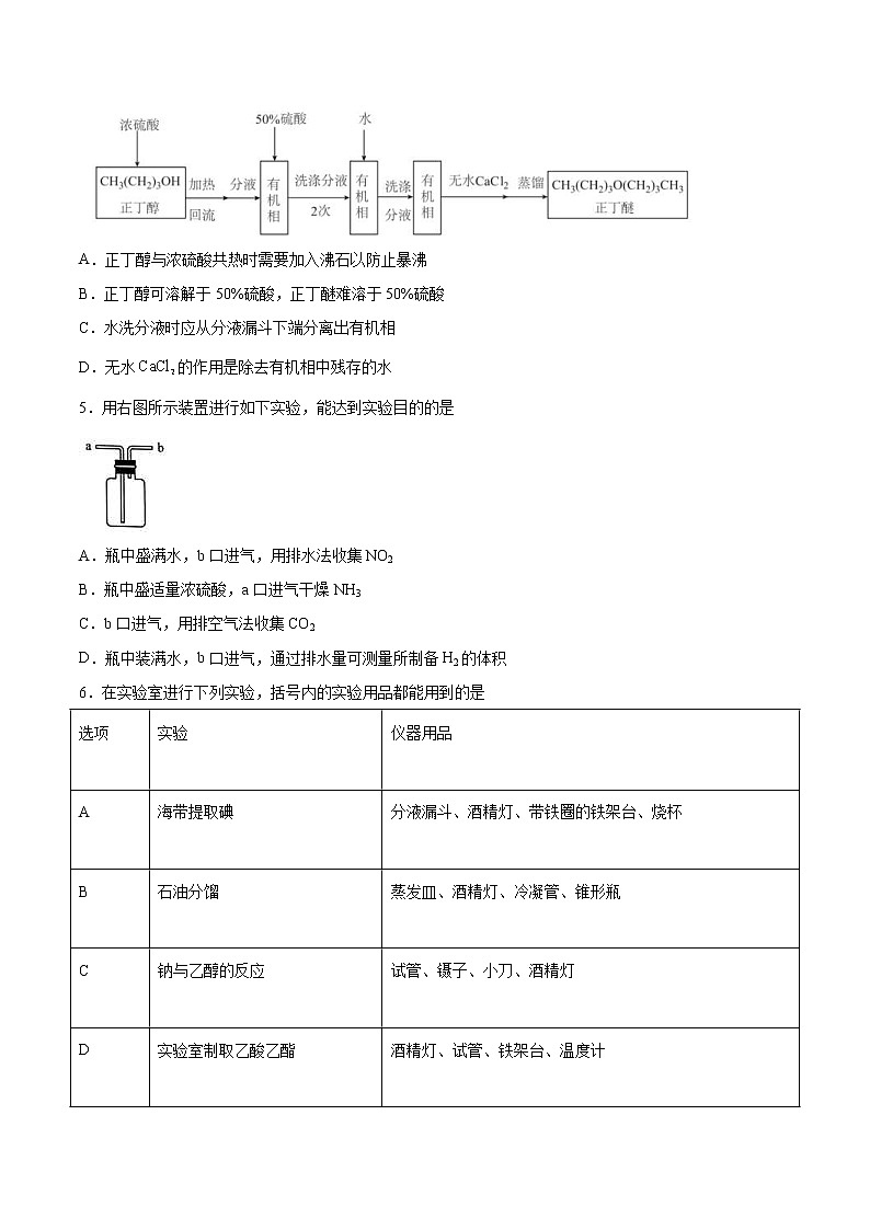
4.正丁醚(相对水的密度为0.77)是一种常见有机溶剂,也可用作化工原料。实验室中以正丁醇为原料制取正丁醚的流程如图所示。下列说法错误的是
A.正丁醇与浓硫酸共热时需要加入沸石以防止暴沸
B.正丁醇可溶解于50%硫酸,正丁醚难溶于50%硫酸
C.水洗分液时应从分液漏斗下端分离出有机相
D.无水的作用是除去有机相中残存的水
5.用右图所示装置进行如下实验,能达到实验目的的是
A.瓶中盛满水,b口进气,用排水法收集NO2
B.瓶中盛适量浓硫酸,a口进气干燥NH3
C.b口进气,用排空气法收集CO2
D.瓶中装满水,b口进气,通过排水量可测量所制备H2的体积
6.在实验室进行下列实验,括号内的实验用品都能用到的是
选项
实验
仪器用品
A
海带提取碘
分液漏斗、酒精灯、带铁圈的铁架台、烧杯
B
石油分馏
蒸发皿、酒精灯、冷凝管、锥形瓶
C
钠与乙醇的反应
试管、镊子、小刀、酒精灯
D
实验室制取乙酸乙酯
酒精灯、试管、铁架台、温度计
A.A B.B C.C D.D
7.既能用浓硫酸干燥又能用碱石灰干燥的气体是( )
A.Cl2 B.CO2 C.O2 D.NH3
8.NiSO4·6H2O易溶于水,其溶解度随温度升高明显增大。以电镀废渣(主要成分是NiO,还有CuO、FeO等少量杂质)为原料制备该晶体的流程如图:
已知:25℃时,Ksp(CuS)=8.9×10-35、Ksp(FeS)=4.9×10-18。下列叙述错误的是
A.溶解废渣时不能用稀盐酸代替稀H2SO4 B.除去Cu2+可采用FeS
C.流程中a~b的目的是富集NiSO4 D.“操作I”为蒸发浓缩、冷却结晶
9.下列实验操作或装置(略去部分夹持仪器)正确的是
A.配制溶液
B.碳酸氢铵受热分解
C.制备乙酸乙酯
D.制备收集干燥的氨气
10.用下列实验装置(部分夹持装置略去)进行相关的实验,能达到实验目的的是
A.用装置甲检验该条件下铁发生了吸氧腐蚀
B.用装置乙可以来加热熔融的烧碱固体
C.用装置丙可提纯胶体
D.用装置丁可分离苯(沸点80.1)和溴苯(沸点156.2)
11.下列实验图示能完成实验描述的是( )
选项
实验描述
实验图示
A
该实验能验证氧化性:H2O2>Br2>H2SO3
B
该实验能够比较Cl、C、Si非金属性的强弱
C
该实验装置用于干燥、收集并吸收多余氨气
D
该实验能验证SO2的氧化性、漂白性
A.A B.B C.C D.D
12.实验室能用如图所示的装置干燥、收集的气体是
A.NH3 B.Cl2 C.SO2 D.NO2
13.铬酸铅(PbCrO4)通常用作着色剂,一种以CrCl3·6H2O和Pb(NO3)2等为原料制备铬酸铅的流程如下。
已知Cr(OH)3不溶于水,与Al(OH)3类似,具有两性,绿色溶液的主要成分为NaCrO2;Cr2O(橙色)+H2O2H++2CrO(黄色);碱性条件下Pb2+可形成Pb(OH)2沉淀。下列说法错误的是
A.在实验室进行溶解、过滤操作时,均需要用到的玻璃仪器为烧杯、玻璃棒
B.第①步发生反应的离子方程式为Cr3++4OH-=CrO+2H2O
C.第②步中溶液变为黄色后,仍须煮沸溶液一段时间,其目的为除去过量的H2O2
D.第③步中加入醋酸溶液的目的是使溶液中的CrO转化为Cr2O
14.实验是化学研究的基础,关于下列各实验装置的叙述错误的是
A.装置①可用于分离煤油和水
B.装置②可用于准确称取8.55g氯化钠固体
C.装置③可用于从海水中得到淡水
D.装置④可用于排空气收集CO2
15.海水资源开发利用的部分过程如下图所示(苦卤中主要含 K+、Mg2+、Br-等),下列说法错误的是
A.从海水得到粗盐主要通过蒸发操作实现
B.向苦卤中通入 Cl2 时溴离子被还原为 Br2
C.富集溴涉及的离子反应有 Br2+SO2+2H2O==2Br-+4H++SO42-
D.工业选用的沉淀剂通常经煅烧碳酸钙获得而不是电解食盐水
16.有一兴趣小组准备在实验室中制H2,装置如图所示。可是在实验室 中发现酸液不足而又无其他酸液可加入。为达到实验目的,可以从长颈漏斗中加入适量的试剂是
①NaNO3溶液;②酒精;③CCl4;④苯;⑤Na2CO3溶液;⑥KCl溶液。
A.①②③ B.②④⑤ C.①②④⑥ D.②③⑥
17.实验室中可由叔丁醇(沸点83℃)与浓盐酸反应制备2-甲基-2-氯丙烷(沸点52℃):
已知:ROH+HClRCl+H2O RCl+NaOHROH+NaCl
下列说法不正确的是
A.试剂X是氢氧化钠溶液在加热条件下更有利于除去酸性杂质
B.使用过量浓盐酸可以提高叔丁醇的转化率
C.无水CaCl2的作用是除去少量水
D.蒸馏时,产物先蒸馏出体系
二、实验题(共6题)
18.某化学课外小组用如图装置制取溴苯。先向分液漏斗中加入苯和液溴,再将混合液慢慢滴入反应器A(A下端活塞关闭)中。
(1)写出A中反应的化学方程式___。
(2)实验结束时,打开A下端的活塞,让反应液流入B中,充分振荡,目的是___,写出有关反应的离子方程式____。
(3)C中盛放CCl4的作用是____。
(4)能证明苯和液溴发生的是取代反应,而不是加成反应,可向试管D中加入AgNO3溶液,若产生淡黄色沉淀,则能证明。另一种验证的方法是向试管D中加入___,现象是____。
19.碱式氯化铜为绿色或墨绿色结晶性粉末,难溶于水,溶于稀酸和氨水,在空气中十分稳定。
Ⅰ.模拟制备碱式氯化铜
向CuCl2溶液中通入NH3和HCl,调节pH至5.0~5.5,控制反应温度于70~80℃,实验装置如图所示(部分夹持装置已省略)。
(1)仪器X的名称是___,其主要作用有导气、____。
(2)实验室利用装置A制NH3,发生反应的化学方程式为____。
(3)反应过程中,在三颈烧瓶内除观察到溶液蓝绿色褪去,还可能观察到的现象是___、___、____。
(4)若体系pH过高会导致碱式氯化铜的产量___(填“偏高”、“偏低”或“无影响”)。
(5)反应结束后,将三颈瓶中的混合物过滤,从滤液中还可以获得的副产品是___(填化学式),经提纯得产品无水碱式氯化铜。
Ⅱ.无水碱式氯化铜组成的测定
称取产品4.290g,加硝酸溶解,并加水定容至200mL,得到待测液。
(6)铜的测定:取20.00mL待测液,经测定,Cu2+浓度为0.2000mol·L-1。则称取的样品中n(Cu2+)=__mol。
(7)采用沉淀滴定法测定氯:用NH4SCN标准溶液滴定过量的AgNO3,实验如图。
(聚乙烯醇的作用是阻止AgCl与AgSCN的转化)
①滴定时,应选用下列哪种物质作为指示剂___(填标号)。
A.FeSO4 B.Fe(NO3)3 C.FeCl3
②重复实验操作三次,消耗NH4SCN溶液的体积平均为10.00mL。则称取的样品中n(Cl-)=____mol。
(8)根据上述实验结果可推知无水碱式氯化铜的化学式为___。
20.黄血盐[亚铁氰化钾,K4Fe(CN)6]目前广泛用做食盐添加剂(抗结剂),制备黄血盐的一种工艺如下:
回答下列问题:
(1)实验室用绿矾晶体配制硫酸亚铁溶液时,为了防止其变质需要添加的试剂为__________________。
(2)步骤Ⅱ中滤渣的主要成分是_______________,步骤Ⅴ所用的试剂X可以是________________。
(3)步骤Ⅲ反应的化学方程式为_______________________________________。
(4)工艺中用到剧毒的HCN溶液,含CN-的废水必须处理后才能排放。25℃时,Ka(HCN) =6.25×10-10。
①HCN的电子式为__________________。
②25℃时,反应CN-+H2OHCN+OH-的平衡常数K=_____________________。
③含CN-废水的处理方法之一是:pH控制在11左右,用氯气将废水中CN-氧化成CO2和N2,该反应的离子方程式为_____________________________________。
(5)近日,一条“盐里面加进了亚铁氰化钾”危害身体健康的信息在网上流传。已知K4Fe(CN)64KCN+FeC2+N2↑,氰化钾的半数致死量(LD50)为6.4 mg·kg-1 (即每1kg体重6.4 mg),我国卫生部规定食盐中黄血盐的最大使用量为10 mg·kg-1。假设烹饪过程中黄血盐发生上述分解,一名60Kg男子每天摄入60g食盐是否达到氰化钾的半数致死量?_________________________________。(列式计算说明)。
21.下图所示装置为含一定量的铜跟浓硫酸反应制取二氧化硫的实验装置,K为活塞。请回答下列问题:
Ⅰ.(1)要检验装置A和B的气密性,其操作方法和现象是:____________。
(2)在装置A、B、D中放入相关药品后,打开活塞K,将分液漏斗中的液体加入烧瓶中,关闭分液漏斗的活塞,点燃酒精灯,烧瓶中反应的化学方程式为:_______________。当观察到________________________________时,可判断集气瓶C中已收集满气体。
(3)装置D中试管口放置的棉花中应浸有一种液体,这种液体是________,其作用是:__________________________________________。
(4)装置B的作用是贮存多余的二氧化硫和防止其污染环境,则B中应盛放的液体是(填写字母代号)________;
a.水 b.浓溴水; c.KMnO4酸性溶液 d.NaHSO3饱和溶液
Ⅱ.两位同学设计了下述两个方案,并都认为如果观察到的现象和自己设计的方案一致,即可确证C中无色气体含有CO2和SO2。
上述两方案中不严密的是方案_______,其理由是:_____________。
22.常见的一硝基甲苯有对硝基甲苯和邻硝基甲苯两种,均可用于合成各种染料。某探究小组利用下列反应和装置制备一硝基甲苯。
实验中可能用到的数据:
密度/g·cm-3
沸点/℃
溶解性
甲苯
0.866
110.6
不溶于水,易溶于硝基甲苯
对硝基甲苯
1.286
237.7
不溶于水,易溶于液态烃
邻硝基甲苯
1.162
222
不溶于水,易溶于液态烃
实验步骤:①按体积比1∶3配制浓硫酸与浓硝酸混合物40 mL;
②在三颈瓶中加入15 mL(13 g)甲苯,按图所示装好药品和其他仪器;
③向三颈瓶中加入混酸,并不断搅拌(磁力搅拌器已略去);
④控制温度约为50 ℃,反应大约10 min,三颈瓶底有大量淡黄色油状液体出现;
⑤分离出一硝基甲苯的总质量13.60 g。
请回答下列问题:
(1)配制混酸的方法是_______________________________________________________。
反应中需不断搅拌,目的是__________________________________________________。
(2)仪器A的名称是______,使用该仪器前必须进行的操作是____________________。
(3)若实验后在三颈瓶中收集到的产物较少,可能的原因是_________________________。
(4)分离反应后产物的方案如下:
其中,操作1的名称为___________,操作2中需要使用下列仪器中的__________(填字母)。
a.冷凝管 b.酒精灯 c.温度计 d.分液漏斗 e.蒸发皿
(5)该实验中一硝基甲苯的产率为________________(保留4位有效数字)。
23.草酸是一种重要的化工产品.实验室用硝酸氧化淀粉水解液制备草酸的装置如图所示(加热、搅拌和仪器固定装置均已略去)。
实验过程如下:
①将一定量的淀粉水解液加入三颈瓶中;
②控制反应液温度在55~60℃条件下,边搅拌边缓慢滴加一定量含有适量催化剂的混酸(65%HNO3与98%H2SO4的质量比为2∶1.5)溶液;
③反应3h左右,冷却,抽滤后再重结晶得草酸晶体;
硝酸氧化淀粉水解液过程中可发生下列反应:
C6H12O6+12HNO3→3H2C2O4+9NO2↑+3NO↑+9H2O
C6H12O6+8HNO3→6CO2+8NO↑+10H2O
3H2C2O4+2HNO3→6CO2+2NO↑+4H2O
(1)检验淀粉是否水解完全所需用的试剂为________;
(2)实验中若混酸滴加过快,将导致草酸产率下降,其原因是_________;
(3)装置C用于尾气吸收,当尾气中n(NO2)∶n(NO)=1∶1时,过量的NaOH溶液能将NO,全部吸收,原因是_________(用化学方程式表示);
(4)与用NaOH溶液吸收尾气相比较,若用淀粉水解液吸收尾气,其优、缺点是________;
(5)草酸重结晶的减压过滤操作中,除烧杯、玻璃棒外,还必须使用属于硅酸盐材料的仪器有_________。
参考答案
1.C
【详解】
进行实验时,先选取合适的仪器及试剂;再安装实验装置,安装实验装置时,应该从左到右,从下到上;安装好仪器后检查装置气密性;最后加入试剂,进行气体制备。因此顺序为⑥②①⑤④③,C符合题意。
答案选C。
2.B
【详解】
A. 氢氧化钠固体溶于水呈碱性,且放出大量热,可以加速氨水中氨气的逸出,A项正确;
B. 氯化铵不稳定,加热易分解生成氨气和HCl,两者遇冷又重新结合生成氯化铵,B项错误;
C. 氧化钙溶于水生成氢氧化钙呈碱性,并放出大量热,可以加速氨水中氨气的逸出,C项正确;
D. 实验室常用加热氯化铵和消石灰的固体混合物方法制取氨气,D项正确;
答案选B。
3.A
【分析】
加入的物质:不能和容器中的物质反应生成其它气体;能够让稀硫酸和锌混合生成氢气。
【详解】
①食盐水和锌和硫酸都不反应,不影响氢气的生成,降低反应速率,故正确;
②加入KNO3溶液后,相当于溶液中含有硝酸,硝酸和锌反应不生成氢气,故错误;
③适量稀硫酸铜溶液,锌能置换出铜,锌、铜和硫酸构成原电池能加快反应速率,但不产生其它气体,即不影响氢气,故正确;
④Na2CO3溶液和硫酸反应生成二氧化碳,所以能影响氢气,故错误;
⑤CCl4和硫酸、锌都不反应,所以不影响氢气,故正确;
⑥浓氨水能和硫酸反应生成盐,所以能影响氢气,故错误。
故选A。
4.C
【分析】
正丁醇与浓硫酸混合加热回流后,加入50%硫酸萃取、分液得到含有正丁醚的有机相,经过洗涤分液后再加水洗涤分液除去残留的少量硫酸,分液后得到含有少量水的有机相,加入无水干燥、蒸馏得到正丁醚,据此分析解答。
【详解】
A.正丁醇与浓硫酸均为液体,共热时需要加入沸石以防止暴沸,故A正确;
B.分析流程可知,加入50%硫酸的目的是萃取,后续分液时有机相中含有正丁醚,所以正丁醇可溶解于50%硫酸,而正丁醚难溶解于50%硫酸,故B正确;
C.由于正丁醚的密度小于水,水洗分液时应从分液漏斗下端分离出水,有机相从分液漏斗上端倒出,故C错误;
D.无水是干燥剂,在本实验中的作用是除去有机相中残存的水,故D正确;
故选C。
5.D
【解析】
试题分析:A、二氧化氮与水反应,不能用排水法收集,A错误;B、氨气是碱性气体,不能用浓硫酸干燥,B错误;C、二氧化碳的密度大于空气,应从a口进,C错误;D、b口进气,通过排水量可测量所制备H2的体积,D正确。答案选D。
考点:气体的收集、净化、干燥
6.A
【解析】
试题分析:A.海带提取碘要将海带灼烧,然后溶解、过滤,向滤液中加入适量新制氯水,然后萃取、分液,使用的仪器有坩埚、分液漏斗、酒精灯、带铁圈的铁架台、烧杯、玻璃棒等,正确;B.石油分馏时不使用蒸发皿,错误;C.钠与乙醇的反应时不需要加热,故不用酒精灯,错误;D.实验室制取乙酸乙酯虽然需要加热,但不必精确控制温度,因此不必使用温度计,错误。
考点:考查化学实验使用的仪器的判断的知识。
7.C
【详解】
A. Cl2是酸性气体,能与碱石灰反应,不能用碱石灰干燥,Cl2可以用浓硫酸干燥,故不选A;
B. CO2是酸性气体,能与碱石灰反应,不能用碱石灰干燥,CO2可以用浓硫酸干燥,故不选B;
C. O2与碱石灰、浓硫酸都不反应,既能用浓硫酸干燥又能用碱石灰干燥,故选C;
D. NH3是碱性气体,能与酸反应,不能用浓硫酸干燥,NH3可以用碱石灰干燥,故不选D;
8.A
【分析】
电镀废渣用稀硫酸酸浸时,金属氧化物与稀硫酸反应生成可溶性硫酸盐,过滤得到含有镍离子、亚铁离子和铜离子的硫酸盐溶液;向溶液中加入硫化亚铁将溶液中铜离子转化为更难溶的硫化铜,再加入双氧水、氧化镍使亚铁离子先转化为铁离子,再将铁离子转化为氢氧化铁沉淀,过滤得到硫酸镍溶液;向溶液中加入碳酸钠溶液后过滤得到碳酸镍沉淀,向碳酸镍沉淀中加入稀硫酸得到浓度较高的硫酸镍溶液,硫酸镍溶液经蒸发浓缩、冷却结晶,过滤、洗涤、干燥得到六水硫酸镍晶体。
【详解】
A.溶解废渣时,发生的反应主要是用酸将金属氧化物溶解,加入稀盐酸同样可以达到目的,则能用稀盐酸代替稀硫酸,故A错误;
B.由分析可知,除去铁离子的操作为向溶液中加入硫化亚铁将溶液中铜离子转化为更难溶的硫化铜,故B正确;
C.由分析可知,流程中a~b的过程为浓度较低的硫酸镍溶液转化为浓度较高的硫酸镍溶液的过程,是富集硫酸镍的过程,故C正确;
D.由分析可知,硫酸镍溶液经蒸发浓缩、冷却结晶,过滤、洗涤、干燥得到六水硫酸镍晶体,则操作I为蒸发浓缩、冷却结晶,故D正确;
故选A。
9.C
【详解】
A.配制溶液,在液面低于刻度线1-2cm时,改用胶头滴管滴加,直至凹液面最低处与刻度线相切,A错误;
B.固体物质碳酸氢铵加热时,为防止产生的水蒸气冷凝回流使试管炸裂,试管口要向下略倾斜,B错误;
C.符合制备乙酸乙酯的实验操作要求和试剂使用原则,C正确;
D.实验室制备收集干燥的氨气时,为了得到纯净的氨气,导气管要伸入到收集氨气的试管底部,D错误;
故合理选项是C。
10.A
【详解】
A.润湿的铁粉和碳粉在NaCl溶液中与空气接触会发生吸氧腐蚀,从而左侧试管中压强减小,右侧试管中的红墨水吸入导管形成一段水柱,故用装置甲可以检验该条件下铁发生了吸氧腐蚀,A正确;
B.高温熔融的烧碱固体会与瓷坩埚中的SiO2反应而腐蚀坩埚,因而不能用瓷坩埚,B错误;
C.Fe(OH)3胶体中胶体粒子粒径介于1 nm~100 nm,能透过滤纸,故不能用过滤的方法提纯该胶体,C错误;
D.用装置丁进行蒸馏操作时,温度计的作用是测定蒸汽的温度,应位于蒸馏烧瓶的支管口附近,D错误;
答案选A。
11.A
【详解】
A.打开活塞a,使氯水滴入NaBr溶液中反应生成Br2,通入热氮气让Br2进入B中氧化H2SO3成H2SO4,再与BaCl2反应生成白色沉淀,打开活塞b,使H2O2进入B氧化Br-,能实现氧化性的比较,故A正确;
B.比较Cl、C、Si非金属性的强弱,应用最高价氧化物对应水化物酸性强弱进行比较,盐酸应改成HClO4,故B错误;
C.该方案收集氨气的装置应该是短管进长管出,故C错误;
D.SO2与Na2S溶液反应生成硫单质表现氧化性,使氯水褪色,表现还原性,NaOH处理尾气,整个过程中没有验证二氧化硫的漂白性,故D错误;
故选A。
12.A
【解析】
【详解】
NH3为碱性气体,能用碱石灰干燥,密度比空气小,用向下排空气法收集且塞上一团棉花防止对流,选项A符合;Cl2、SO2、NO2均为酸性气体不能用碱石灰干燥,且密度均比空气大、不能用向下排空气法收集,选项BCD不符合。答案选A。
13.D
【分析】
根据流程,向CrCl3·6H2O中加入过量的NaOH溶液,因Cr(OH)3与Al(OH)3类似,因此过量的NaOH溶液可以将Cr3+转化为CrO,随后向绿色溶液中加入浓H2O2将CrO转化为CrO,随后加入煮沸除去多余的H2O2,用醋酸调节溶液pH将CrO转化为Cr2O,最后加入Pb(NO3)2溶液得到PbCrO4沉淀,据此分析。
【详解】
A.在实验室进行溶解操作时需要用到烧杯、玻璃棒,进行过滤操作时需要用到烧杯、玻璃棒、漏斗等,A项正确;
B.类比Al与OH-的反应,结合已知信息可知Cr3+与过量OH-反应的离子方程式为Cr3++4OH-=CrO+2H2O,B项正确;
C.过氧化氢作为一种常见的氧化剂,第②步中加入浓H2O2溶液是为了把+3价的铬氧化为+6价,溶液变为黄色时已经完全反应,再煮沸一段时间是为了让过量的H2O2分解,避免干扰后续反应,C项正确;
D.pH过高时,Pb2+易形成Pb(OH)2沉淀,第③步中加入醋酸溶液的目的是防止加入Pb(NO3)2溶液后产生氢氧化铅沉淀,D项错误;
故答案选D。
14.B
【详解】
A.煤油和水不互溶,二者分层,装置①是分液装置,可用于分离煤油和水,A正确;
B.装置②为托盘天平,只能称准到小数点后一位,不可用于称取8.55g氯化钠固体,B错误;
C.装置③是蒸馏装置,可用于从海水中将蒸出淡水,C正确;
D.装置④导管长进短出,可用于收集密度比空气大的气体,CO2的相对分子质量比空气在,所以可用于排空气收集CO2,D正确;
故选B。
15.B
【解析】
【详解】
A.从海水得到粗盐主要通过蒸发,从而得到固体粗盐,故A正确;
B.向苦卤中通入Cl2,溴元素的化合价由-1价升高为0价,溴离子被氧化为Br2,故B错误;
C.海水浓缩过程中,为了得到高浓度的溴,涉及的离子方程式为:Br2+SO2+2H2O=2Br-+4H++SO42-,故C正确;
D.工业选用的沉淀剂通常经煅烧碳酸钙得到氧化钙,再与水反应生成氢氧化钙,而不是电解食盐水,故D正确。
故选B。
16.D
【详解】
试题分析:①NaNO3溶液在酸性条件下与Zn反应不生成氢气,故错误;②酒精可使液体总体积变大,Zn与稀硫酸接触而制取氢气,故正确;③CCl4与硫酸不反应且密度比硫酸密度大,Zn与稀硫酸接触而制取氢气,故正确;④苯的密度比硫酸密度小,隔绝Zn与稀硫酸,不能制备氢气,故错误;⑤Na2CO3溶液与硫酸反应生成二氧化碳,不利于制备氢气,故错误;⑥KCl溶液可使液体总体积变大,Zn与稀硫酸接触而制取氢气,故正确;故选D。
考点:考查实验装置综合应用及物质的性质。
17.A
【详解】
A.叔丁醇与浓盐酸常温搅拌反应15min可得2-甲基-2-氯丙烷,后向有机相中加入水进行洗涤分液,继续向有机相中加入5%Na2CO3溶液洗涤,由于有机物2-甲基-2-氯丙烷不溶于水,易溶于有机物,分液后获得有机相,向有机相中加入少量无水CaCl2干燥,蒸馏即得有机物2-甲基-2-氯丙烷。试剂X如果是氢氧化钠溶液在加热条件下,2-甲基-2-氯丙烷水解又生成叔丁醇, A错误;
B.使用过量浓盐酸,提高反应物的浓度,促进反应正向进行,可以提高叔丁醇的转化率, B正确;
C.无水CaCl2是常用干燥剂,无水CaCl2的作用是除去少量水,C正确;
D.蒸馏时,2-甲基-2-氯丙烷(沸点52℃)沸点低,先蒸馏出体系,D正确;
故选A。
18.C6H6+Br2C6H5Br+HBr 除去溶于溴苯中的溴 Br2+2OH-=Br-+BrO-+H2O 除去溴化氢气体中的溴蒸气 石蕊试液 溶液变红色
【分析】
苯和液溴在铁作催化剂作用下反应生成溴苯和溴化氢,生成的溴苯中混合溴单质,将反应后的液体放入到氢氧化钠溶液中除掉溴单质,制溴苯反应是放热反应,生成HBr同时由于溴易挥发,因此HBr和溴蒸汽进入到后面装置中,将有机溶剂萃取溴单质,HBr溶于水电离出氢离子和溴离子,用紫色石蕊或硝酸银来验证。
【详解】
⑴A中是苯和液溴在铁作催化剂作用下反应生成溴苯和溴化氢,其反应的化学方程式C6H6 + Br2C6H5Br+HBr;故答案为:C6H6+Br2C6H5Br+HBr。
⑵实验结束时,打开A下端的活塞,反应液中含有未反应完的溴单质,让反应液流入B中,充分振荡,目的是除去溶于溴苯中的溴,氢氧化钠和溴单质反应生成溴化钠、次溴酸钠和水,其反应的离子方程式Br2+2OH- = Br-+BrO-+H2O;故答案为:除去溶于溴苯中的溴;Br2+2OH- = Br-+BrO-+H2O。
⑶为了验证发生取代反应,因此生成溴化氢同时还有溴蒸汽进入到后面装置中,因此C中盛放CCl4的作用是除去溴化氢气体中的溴蒸气;故答案为:除去溴化氢气体中的溴蒸气。
⑷能证明苯和液溴发生的是取代反应,而不是加成反应,可向试管D中加入AgNO3溶液,若产生淡黄色沉淀,则能证明。另一种验证的方法利用HBr溶于水溶液显酸性,用紫色石蕊来验证,因此是向试管D中加入石蕊试液,现象是溶液变红色;故答案为:石蕊试液;溶液变红色。
19.球形干燥管 防止倒吸 2NH4Cl+Ca(OH)2CaCl2+2NH3↑+2H2O 溶液中有大量墨绿色固体产生 三颈烧瓶中有白烟 干燥管中有液体上升后下降的现象 偏低 NH4Cl 0.04000或0.04 B 0.02000或0.02 Cu2(OH)3Cl
【分析】
(1)根据仪器的形状用途回答;
(2)实验室制取氨气是利用氯化铵和氢氧化钙加热的条件下反应,生成氯化钙,氨气和水,写出化学方程式;
(3)反应过程中,在三颈烧瓶内生成碱式氯化铜,氯化氢进入,从气体的压强变化分析;
(4)从碱式氯化铜溶于氨水分析产量的变化;
(5)氨气与氯化氢会反应生成氯化铵作为副产物;
(6)根据稀释前后离子的物质的量不变进行计算;
(7) ①用NH4SCN标准溶液滴定过量的AgNO3,根据滴定终点,判断所加的指示剂;
②利用10.00mL0.1mol/L的NH4SCN溶液计算出剩余的硝酸银的物质的量,利用总的硝酸银的物质的量减去剩余的硝酸银的物质的量,计算出与氯离子反应的硝酸银的物质的量,从而算出氯离子的物质的量,换算成样品中的氯离子的物质的量;
(8)根据铜离子,铝离子的物质的量,计算出样品的物质的量,根据质量和物质的量关系,计算出相对分子质量,减去铜和氯的相对原子质量,可以得到氢氧根离子的数目;
【详解】
(1)仪器X的名称是球形干燥管,其主要作用有导气、防止倒吸,故答案为:球形干燥管,防止倒吸;
(2)实验室制取氨气的化学方程式为2NH4Cl+Ca(OH)2CaCl2+2NH3↑+2H2O,故答案2NH4Cl+Ca(OH)2CaCl2+2NH3↑+2H2O;
(3) 在三颈烧瓶内,氯化铜,氨气和氯化氢气体反应制取碱式氯化铜,碱式氯化铜为绿色或墨绿色结晶性粉末,难溶于水,故实验现象为:溶液中有大量墨绿色固体产生;由于通入的氯化氢气体和氨气相遇产生氯化铵,故实验现象:三颈烧瓶中有白烟生成;干燥管中充满了氨气和氯化氢气体,反应后气体的压强迅速减小,故实验现象:干燥管中有液体上升后下降的现象,故答案为:溶液中有大量墨绿色固体产生,三颈烧瓶中有白烟生成,干燥管中有液体上升后下降;
(4)若NH3过高,会导致氨水浓度增大,会使碱式氯化铜有损耗,故导致碱式氯化铜的产量偏低;
(5)该反应为氯化铜,氨气和氯化氢反应,氨气会和氯化氢反应生成氯化铵,作为副产物;
(6) 20.00mL待测液,Cu2+浓度为0.2000 mol·L-1,则铜离子的物质的量为0.2mol/L×0.02L=0.004mol,由于称取的样品中是20ml溶液的10倍,所得铜离子的物质的量也是20mL溶液的10倍,样品中所含铜离子的物质的量为0.004mol×10=0.04000mol或0.04mol;
(7)①用NH4SCN标准溶液滴定过量的AgNO3,到达滴定终点,用三价铁离子检验硫氰根离子,可以使用硝酸铁,不能使用氯化铁,由于氯化铁会和硝酸银反应生成氯化银沉淀,影响滴定终点的判断,故选B。
②10.00mL0.1mol/L的NH4SCN的物质的量等于0.1mol/L×0.01L=0.001mol,由NH4SCN~AgNO3可知,未反应的硝酸银的物质的量等于0.001mol,共加入30mL0.1mol/L的硝酸银,则与氯离子反应的硝酸银的物质的量等于0.03L×0.1mol/L-0.001mol=0.002mol,Cl-~Ag+,n(Cl-)=0.002mol,样品配成的是200mL溶液,滴定只取了20mL,样品中的氯离子是0.002mol×10=0.02mol;
(8)测定无水碱式氯化铜组成时,称取产品4.290 g,已知铜离子的物质的量为0.04mol,氯离子的物质的量为0.02mol,假设无水碱式氯化铜的化学式为Cu2(OH)xCl,可知无水碱式氯化铜的物质的量为0.02mol,摩尔质量为,64×2 g/mol +17x g/mol +35.5 g/mol =214.5 g/mol,解得x=3,故无水碱式氯化铜的化学式为Cu2(OH)3Cl。
20.铁粉、稀硫酸 CaSO4 K2CO3 Ca2Fe(CN)6+2KCl=K2CaFe(CN)6↓+ CaCl2 1.6×10-5 5Cl2+2CN-+8OH-=10Cl-+N2+2CO2+4H2O =7.06×10-3mg·kg-1< 6.4 mg·kg -1,不能达到氰化钾的半数致死量
【详解】
(1)实验室用绿矾晶体配制硫酸亚铁溶液时,为了防止其氧化变质,应该加入铁粉,为了抑制其水解应该加入稀硫酸。
(2)步骤Ⅱ中滤渣主要是反应中生成的CaSO4沉淀。步骤V的作用是将残留的钙离子沉淀除去,所以应该使用能较好的沉淀钙离子的试剂,考虑到最后得到的是钾盐,所以试剂X碳酸钾。
(3)步骤Ⅲ是向上面得到的Ca2Fe(CN)6溶液中加入KCl得到K2CaFe(CN)6沉淀,反应的方程式为:Ca2Fe(CN)6+2KCl=K2CaFe(CN)6↓+ CaCl2。
(4)①H应该形成一个共价键,C应该形成四个共价键,N应该形成三个键,所以HCN的结构式为H-C≡N,所以其电子式为。
②CN-+H2OHCN+OH-是CN-的水解反应,水解反应的平衡常数K应该等于KW与电离平衡常数的比值,所以K=KW/ Ka(HCN)=1×10-14/6.25×10-10=1.6×10-5。
③氯气将废水中CN-氧化成CO2和N2,本身被还原为氯离子,溶液显碱性,所以在反应物中添加氢氧根离子,所以方程式为:5Cl2+2CN-+8OH-=10Cl-+N2+2CO2+4H2O(注意:CN-中C为+2价,N为-3价,所以一个CN-化合价升高5价)
(5)60g食盐中含有的黄血盐为60g×10-3kg·g-1×10mg·kg1,黄血盐的分子量为368,所以得到黄血盐的物质的量为60g×10-3kg·g-1×10mg·kg1/368,分解得到的KCN的物质的量是黄血盐物质的量的4倍,KCN 的分子量为65,所以得到的KCN的质量为4×65×60g×10-3kg·g-1×10mg·kg1/368(此时单位为mg),男子体重为60kg,得到每1kg体重摄入的KCN为:=7.06×10-3mg·kg-1< 6.4 mg·kg -1,所以不能达到氰化钾的半数致死量。
21.在B中加入适量的水没过长颈漏斗下端管口,关闭活塞K和分液漏斗活塞,微热A装置,B瓶中液面下降,长颈漏斗中液面上升,说明A、B两处的气密性良好 Cu+2H2SO4(浓)CuSO4+SO2↑+2H2O D中品红溶液褪色 碱液 吸收多余的SO2气体 d 甲 气体通过高锰酸钾溶液时,SO2可能未完全被吸收,SO2也可使石灰水变浑浊,不能判断CO2是否存在
【分析】
Ⅰ.(1)在B中加入适量的水没过长颈漏斗下端管口,关闭活塞K和分液漏斗活塞,形成封闭体系,再加热圆底烧瓶,根据装置B以及长颈漏斗中液面变化判断气密性情况;
(2)烧瓶中铜与浓硫酸在加热条件下反应生成硫酸铜、二氧化硫和水,装置C用于收集二氧化硫,当观察到D中品红溶液褪色时,可判断集气瓶C中已收集满气体;
(3)二氧化硫有毒,需要使用碱液进行尾气处理;
(4)根据装置B的作用是“贮存多余的二氧化硫”,所以B中盛放的液体不能使二氧化硫的量减少,据此进行判断;
Ⅱ.甲方案:气体通过高锰酸钾溶液时,溶液褪色,说明气体中有SO2,但SO2可能未完全被吸收,SO2也可使石灰水变浑浊,不能判断CO2是否存在;
乙严密,第一个品红溶液颜色变浅,说明无色气体中有二氧化硫,高锰酸钾溶液可以除去二氧化硫,第二个品红溶液不褪色,说明二氧化硫除尽,余下的气体能使澄清的石灰水变浑浊,则余下的气体是二氧化碳气体,则证明C中无色气体含有CO2和SO2。
【详解】
Ⅰ.(1)在B中加入适量的水,关闭活塞K和分液漏斗活塞,微热A装置,B瓶中液面下降,长颈漏斗中液面上升,说明A、B两处的气密性良好,否则气密性较差;
(2)烧瓶中铜在加热条件下与浓硫酸反应生成二氧化硫气体、硫酸铜和水,反应的化学方程式为:Cu+2H2SO4(浓)CuSO4+SO2↑+2H2O;装置C用于收集二氧化硫,当观察到D中品红溶液褪色时,可判断集气瓶C中已收集满气体;
(3)二氧化硫有毒,容易造成大气污染,需要使用碱液吸收多余的二氧化硫,所以装置D中试管口放置的棉花中应浸有碱液,其作用是吸收多余的SO2气体;
(4)装置B的作用是贮存多余的二氧化硫和防止其污染环境,则B中应盛放的液体不能导致二氧化硫减少,a. 二氧化硫易溶于水,B中液体不能为水,故a错误;b. 浓溴水能够氧化二氧化硫,导致二氧化硫减少,故b错误;c. KMnO4酸性溶液能够氧化二氧化硫,导致二氧化硫减少,故c错误;d. 二氧化硫在饱和亚硫酸钠溶液中溶解度较小,该液体可以为亚硫酸钠饱和溶液,故d正确;故答案为:d;
Ⅱ.甲不严密,气体通过高锰酸钾溶液时,SO2可能未完全被吸收,SO2也可使石灰水变浑浊,不能判断CO2是否存在;
乙严密,第一个品红溶液颜色变浅,说明无色气体中有二氧化硫,高锰酸钾溶液可以除去二氧化硫,第二个品红溶液不褪色,说明二氧化硫除尽,余下的气体能使澄清的石灰水变浑浊,则余下的气体是二氧化碳气体,则证明C中无色气体含有CO2和SO2。
22.(1)分别量取10 mL和30 mL的浓硫酸和浓硝酸,将浓硝酸倒入烧杯中,浓硫酸沿着烧杯内壁缓缓注入,并不断搅拌 使反应充分进行,并防止温度过高有其他副产物生成 分液漏斗 检查是否漏液 温度过高,导致HNO3大量挥发 分液 abc 70.25%
【详解】
⑴. 配制混酸时,分别量取10mL和30mL的浓硫酸和浓硝酸,将浓硝酸倒入烧杯中,浓硫酸沿着烧杯内壁缓缓注入,并不断搅拌,如果将浓硝酸加到浓硫酸中可能发生液体飞溅的情况。搅拌的目的是为了使反应充分进行,并防止温度过高有其他副产物生成;
故答案为分别量取10mL和30mL的浓硫酸和浓硝酸,将浓硝酸倒入烧杯中,浓硫酸沿着烧杯内壁缓缓注入,并不断搅拌;使反应充分进行,并防止温度过高有其他副产物生成;
⑵. 仪器A是分液漏斗,使用前必须检查是否漏液;故答案为分液漏斗;检查是否漏液;
⑶. 若实验后在三颈瓶中收集到的产物较少,可能的原因是温度过高,导致HNO3大量挥发,故答案为温度过高,导致HNO3大量挥发;
⑷. 因为分离得到的是无机和有机两种液体,而有机物和无机物是不相溶的,因此方法是分液;分离两种硝基化合物只能利用它们沸点的不同,因此采用蒸馏的方法,使用到所提供仪器中的分别是:酒精灯、温度计、冷凝管;故答案为分液;abc;
⑸. 产率的计算方法是用实际产量除以理论产量,根椐方程式,1mol的甲苯可以得到1mol的对硝基甲苯与1mol的邻硝基甲苯,换算成质量应该是:92g的甲苯可以得到137g的对硝基苯和137g的邻硝基苯,则13g的甲苯可得到的一硝基苯的质量是: =19.35g,所以一硝基苯的产量为:×100%=70.25%;故答案为70.25%.
23.碘水 由于温度过高、硝酸浓度过大,导致C6H12O6和H2C2O4进一步被氧化 NO2+NO+2NaOH=2NaNO2+H2O 优点:提高HNO3利用率;缺点:NOx吸收不完全 布氏漏斗、吸滤瓶
【分析】
(1)根据淀粉的特性分析解答;
(2)草酸和葡萄糖均具有还原性,升高温度,增大硝酸浓度,硝酸的氧化性越强;
(3)NO中氮元素为+2价,NO2中氮元素为+4价,在碱性条件下,发生价态归中反应;
(4)根据尾气的成分和氢氧化钠和淀粉的性质解答;
(5)根据减压过滤的特点分析解答。
【详解】
(1)淀粉遇碘变蓝色,在已经水解的淀粉溶液中滴加几滴碘液,溶液显蓝色,则证明淀粉没有完全水解;溶液若不显色,则证明淀粉完全水解,故答案为碘水;
(2)混酸为65%HNO3与98%H2SO4的混合液,混合液溶于水放热,温度高能加快化学反应,若混酸滴加过快,硝酸浓度过大,导致C6H12O6和H2C2O4进一步被氧化,故答案为温度过高、硝酸浓度过大,导致C6H12O6 和H2C2O4进一步被氧化;
(3) NO中氮元素为+2价,NO2中氮元素为+4价,在碱性条件下,二者发生反应生成NaNO2,反应的化学方程式为NO+NO2+2NaOH=2NaNO2+H2O,故答案为NO2+NO+2NaOH=2NaNO2+H2O;
(4)尾气为一氧化氮和二氧化氮,用碱吸收,它们将转变为亚硝酸钠完全吸收,如果用淀粉水解液吸收,二氧化氮与水反应生成硝酸,葡萄糖能继续被硝酸氧化,但NOx吸收不完全,故答案为优点:提高HNO3利用率;缺点:NOx吸收不完全;
(5)减压过滤与常压过滤相比,优点:可加快过滤速度,并能得到较干燥的沉淀,装置特点:布氏漏斗颈的斜口要远离且面向吸滤瓶的抽气嘴,因此草酸重结晶的减压过滤操作中,除烧杯、玻璃棒外,还必须使用属于硅酸盐材料的仪器有布氏漏斗、吸滤瓶,故答案为布氏漏斗、吸滤瓶。
相关试卷
这是一份新高考化学二轮复习高频考点50 物质的制备与性质实验(含解析),共14页。
这是一份新高考化学二轮复习专题练习常见物质的制备(含解析),共23页。试卷主要包含了选择题,实验题等内容,欢迎下载使用。
这是一份山东省2023年高考化学模拟题汇编-34常见物质的制备,共30页。试卷主要包含了单选题,多选题,实验题,工业流程题等内容,欢迎下载使用。

