2022长沙师大附中高一上学期期中考试物理试题含解析
展开湖南师大附中2021-2022学年度高一第一学期期中考试
物 理
时量:75分钟 满分:100分
得分:____________
一、选择题(本大题共10小题,共44分,1~6小题只有一个选项正确,每小题4分;7~10小题有多个选项正确,全部选对得5分,部分选对得3分,错选或不选得0分)
1.一辆公共汽车进站后开始刹车,做匀减速直线运动。开始刹车后的第1 s内和第2 s内位移大小依次为9 m和7 m。则停车前最后1 s内的位移是
A.1 m B.1.5 m C.2 m D.2.25 m
2.物体间的相互作用非常普遍且复杂,下列关于相互作用的说法中,正确的是
A.同一物体在地球表面,无论运动状态如何都受重力作用
B.只有相互接触的物体间才有力的作用
C.坚硬的铁球放在柔软的海绵上,海绵受到的弹力更大
D.木块放在桌面上受到一个向上的弹力,这是由于木块发生微小形变而产生的
3.做匀减速直线运动的物体途经A、B、C三点,已知AB=BC,AB段的平均速度是2v,BC段的平均速度是v,则B点的瞬时速度为
A.v B.v C.v D.v
4.某物体沿直线运动的v-t图像如图所示,0时刻该物体位于原点正方向2 m处,以下说法正确的是
A.0~3 s内物体的加速度发生过变化
B.2 s末物体位于x=3 m的位置
C.1 s末和3 s末物体的位置相同
D.0时刻物体的加速度为0
5.A、B两个物体在同一条直线上运动,运动的x-t图像如图所示。其中A的图像为顶点位于O点的二次函数图像的一部分,B的图像是倾斜的直线。根据图像,以下对两物体运动的分析正确的是
A.两物体在0~t0时间内平均速度相同
B.两物体相遇时速度大小相等
C.两图像的交点为A、B相遇点
D.t0时刻二者的速度大小相等
6.质点从A点静止出发,沿直线AB运动,行程的第一阶段是加速度大小为a1的匀加速运动,接着做加速度大小为a2的匀减速运动,到达B点时恰好速度减为0。若AB间总长度为s,则质点从A到B所用时间t为
A. B.
C. D.
7.下列关于直线运动中速度和加速度的描述,正确的是
A.速度改变量越大,加速度越大
B.加速度增大,速度不一定增大
C.物体加速度方向为正,速度就一定增大
D.速度很大的物体,其加速度可能很小
8.某物体从静止开始做匀加速直线运动,已知第3 s内与第2 s内的位移之差是6 m,则可知
A.物体运动的加速度大小为6 m/s2
B.第2 s末的速度大小为6 m/s
C.第1 s内的位移大小为1 m
D.物体在前4 s内的平均速度大小为12 m/s
9.甲物体质量为5m,乙物体的质量为m。开始时甲距离地面高度为H, 乙距离地面高度为2H,二者同时开始做自由落体运动。在两物体落地前(都还未落地),下列说法正确的是
A.两物体下落位移是0.5H时,乙物体的速度更大
B.下落后第1 s末(都还未落地),它们的速度相等
C.两个物体落地前(都还未落地)的平均速度始终相等
D.下落过程中(都还未落地)甲的加速度比乙的大
10.小涛是班级里的物理课代表,他负责帮同学们打印物理公式和资料。他仔细观察打印机的结构发现A4纸是被打印机内部的搓纸轮、摩擦片压紧,然后随着搓纸轮的运动,A4纸被逐张推入打印机的内部,如图所示。已知小涛一次需要放入50张A4纸完成打印,每张纸质量为m,搓纸轮与A4纸之间的动摩擦因数为μ1,纸与纸之间、纸与底部摩擦片之间的动摩擦因数都为μ2,工作时搓纸轮给下方第一张纸的压力为F。搓纸轮开始工作后,下列说法正确的是
A.搓纸轮下方第1张纸给第2张纸的摩擦力向左
B.搓纸轮下方第1张纸给第2张纸的摩擦力向右
C.搓纸轮下方第49张纸给第50张纸的摩擦力大小为μ2(F+49mg)
D.若μ1=μ2,则搓纸轮无法将纸张推入打印机
答题卡
题号 | 1 | 2 | 3 | 4 | 5 | 6 | 7 | 8 | 9 | 10 | 得分 |
答案 |
|
|
|
|
|
|
|
|
|
|
|
二、实验题(本大题2小题,每空2分,共16分)
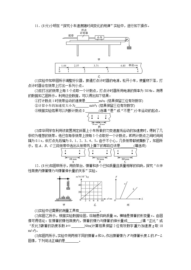
11.(8分)小明在“探究小车速度随时间变化的规律”实验中,进行如下操作。
(1)实验中如甲图所示调整好仪器,接通打点计时器的电源,松开小车,使重物下落,打点计时器会在纸带上打出一系列小点。
(2)在打出的纸带上每5个点取一个计数点,打点计时器所用电源的频率为50 Hz。测得的数据如乙图所示。利用这些数据,可以得出如下结果:
①打计数点1时纸带运动的速度是________m/s;(结果保留三位有效数字)
②计算小车的加速度大小为________ m/s2;(结果保留三位有效数字)
③根据实验结果可以判断计数点0 ________(选填“是”或“不是”)小车运动的起点。
(3)李华同学在利用该装置测定斜面上小车所做的匀变速直线运动的加速度时,得到了几条较为理想的纸带。他已在每条纸带上按每5个点取好一个计数点,即两计数点之间时间间隔为0.1 s,依打点先后编为0、1、2、3、4、5。由于不小心,几条纸带都被撕断了,如图所示,在A、B、C三段纸带中选出从纸带丙上撕下的那段应该是________(填选项)
12.(8分)如图甲所示,用铁架台、弹簧和多个已知质量且质量相等的钩码,探究“在弹性限度内弹簧弹力与弹簧伸长量的关系”实验。
(1)实验中还需要的测量工具有____________。
(2)如图乙所示,根据实验数据绘图,纵轴是钩码质量m,横轴是弹簧的形变量x。由图像可得结论:在弹簧的弹性限度内,弹簧的弹力与弹簧的伸长量成________(填“正比”或“反比”),弹簧的劲度系数k=________N/m(计算结果保留2位有效数字,重力加速度g取10 m/ s2)。
(3)如图丙所示,实验中用两根不同的弹簧a和b,作出弹簧弹力F与弹簧长度L的F-L图像,下列说法正确的是________。
A.a的原长比b的短
B.a的劲度系数比b的大
C.a的劲度系数比b的小
D.弹力与弹簧长度成正比
三、计算题(本大题3小题,共40分)
13.(15分)汽车在水平地面上从静止开始向东做匀加速直线运动,加速度大小为2 m/s2。试求:
(1)2 s末汽车的瞬时速度v;
(2)第7 s内汽车走过的位移x;
(3)第7 s内汽车的平均速度.
14.(15分)在国家法定假日期间,政府取消了7座及其以下的小车的收费公路的过路费,给自驾带来了很大的实惠,但车辆的增多也给交通道路的畅通增加了很大的压力,因此国家规定了免费车辆在通过收费站时在专用车道上可以不停车取卡,但是需要减速通过。假设收费站的前、后都是平直大道,假期间过站的车速要求不超过v=18 km/h,小汽车未减速前的车速为v0=90 km/h,制动后小汽车的加速度的大小为a1=4 m/s2。试问(不计小车、收费站的大小):
(1)国家法定假日期间,驾驶员应在距收费站至少多远处开始制动?
(2)假设车过站后驾驶员立即使车以a2=5 m/s2的加速度加速至原来的速度,则从减速开始到最终恢复到原来速度的过程中,汽车经历的最短时间是多少?
(3)在(1)(2)问题中,车因减速和加速过站而耽误的时间至少为多少?
15.(10分)一辆公交车从静止开始以加速度a做匀加速运动的同时,在车尾的后面离车头为s(s>L)远的地方有一乘客以某一恒定的速度v正在追赶这辆公交车。已知司机从车头反光镜内能看到离车头最远的距离为L(即人离车头的距离超过L,司机不能从反光镜中看到此人)。问:
(1)若a=1.0 m/s2,s=28 m,L=20 m,公交司机恰好能看到此乘客一眼,随后消失,乘客的速度v多大?
(2)司机需要从反光镜中看到此人,且持续时间在t0以上才能注意到此人,这样才能制动公交车使车停下来。该乘客要想乘坐上这辆公交车,追赶公交车匀速运动的速度v应该满足什么条件(请用题中所给的字母表示)?
湖南师大附中2021-2022学年度高一第一学期期中考试
物理参考答案
一、选择题(本大题共10小题,共44分,1~6小题只有一个选项正确,每小题4分;7~10小题有多个选项正确,全部选对得5分,部分选对得3分,错选或不选得0分)
题号 | 1 | 2 | 3 | 4 | 5 | 6 | 7 | 8 | 9 | 10 |
答案 | A | A | B | C | C | B | BD | AD | BC | AD |
1.A 【解析】运用逆向思维,从汽车停车作为运动的初状态,汽车做一个初速度为0的匀加速直线运动,相等时间间隔内位移之比满足1∶3∶5∶7∶9……,易得第一秒的位移为1 m,即减速运动的最后1 s为1 m。或者利用位移公式x=v0t+at2,代入数据解方程组得到初速度和加速度,再计算最后一秒的位移。
2.A 【解析】电荷间的相互作用、磁体间的相互作用、万有引力都不需要物体相互接触,B错;根据牛顿第三定律可知,一对相互作用力总是等大的,只是相同大小的力作用在不同材质的物体上产生的形变大小不同,C错;木块受到的弹力是由桌面产生的,D错。
3.B 【解析】由于AB=BC,则AB·tAB=BC·tBC,可得tAB∶tBC=1∶2,取D为BC的时间中点,可以将AC段分割为三个等时间间隔,如图所示,易得vA+vB=4v,vD=v,两式相加可得vA+vB+vD=5v,注意到B是AD阶段的中点时刻,那么有vA+vD=2vB,综上可得3vB=5v,故B正确。本题亦可利用v-t图像解题,或者利用位移中点公式解题。
4.C 【解析】从图像可以看出斜率的大小还有正负都没有发生变化,所以加速度不变,A、D均错;0~2 s物体的位移是3 m,由于0时刻物体的初位置是2 m,所以末位置为5 m,B错;1~3 s内物体的位移为0,所以1 s末和3 s末物体处于同一位置,C对。
5.C 【解析】两图像相交意味着二者在相同的时刻出现在相同的位置,即为相遇,C对;两物体平均速度方向不同,A错;由图像得A的位移时间关系为x=t2,发现位移与t2成正比,故为匀加速直线运动,加速度为,A的速度与时间关系为vA=t。B的速度大小始终为,故当|vA|=|vB|时,t=,将该时间代入A、B的位置时间关系中,发现xA≠xB,所以相遇时刻并不是速度大小相等的时刻,B错;A在t0时刻的速度必然大于A全程的平均速度A=,所以t0时刻不可能和B的速度大小相等,D错。
6.B 【解析】设物体加速经历的时间为t1,则物体加速过程最大速度也为减速过程的最大速度,同时这个速度也是全程的平均速度的两倍(可以通过图像证明),a1t1=a2(t-t1);物体在全程的平均速度为a1t1,则总位移:s=a1t1·t;联立可以解得B选项正确。
7.BD 【解析】速度改变量大,如果对应的时间长,加速度也会小,A错;如果加速度和初速度方向相反,速度会减小,B对,C错;速度很大的物体,速度变化可以很慢,加速度就会很小,D对。
8.AD 【解析】第3 s内与第2 s是相邻相等时间间隔,根据Δx=aT2可解得a=6 m/s2,A对;物体初速度为0,则2秒末速度为12 m/s,B错;第1 s位移为3 m,C错;前4 s的总位移为48 m,故平均速度为12 m/s,D对。
9.BC 【解析】不同质量的物体做自由落体运动时的加速度相同,运动时间相同时,位移相同、速度相等,故A错B对;由于两物体都还未落地时,每时每刻的瞬时速度都相同,运动状态完全一致,所以在相同的运动时间内平均速度相等(或从平均速度的定义来理解,相同时间对应的位移总是相同,所以平均速度大小相同),C对D错。
10.AD 【解析】研究搓纸轮下方第1张纸,相对于第2张纸往左运动,滑动摩擦力阻碍这个相对运动,所以第1张纸受到第2张纸给的向右的滑动摩擦力,故第1张纸施加给第2张纸向左的滑动摩擦力,A对B错;研究搓纸轮下方第2张纸,受到第1张纸给的滑动摩擦力,大小为μ2(F+mg),但是第2张纸保持不动,所以水平方向二力平衡,第3张纸给第2张纸的静摩擦力大小同样为μ2(F+mg),以此类推,搓纸轮下方第49张纸给第50张纸的摩擦力大小为μ2(F+mg),C错;若μ1=μ2,则搓纸轮与第1张纸之间的压力小于第1张纸与第2张纸之间的压力,故搓纸轮与第1张纸之间的最大静摩擦力小于第1张纸与第2张纸之间的最大静摩擦力,所以第1张纸与搓纸轮之间会先发生滑动,纸张无法被推入打印机。
二、实验题(本大题2小题,每空2分,共16分)
11.(8分)(2)①0.201 ②1.14 ③不是 (3)B
【解析】利用计数点0~2的平均速度求1点的瞬时速度v1=,解得v1=0.201 m/s;利用逐差法计算加速度a=,解得a=1.14 m/s2;结合v1可以判断计数点0的速度不为0,所以不是小车运动的起点;相邻相等时间间隔内位移之差为定值,所以2与3之间的位移为42 mm,3与4之间为48 mm,4与5之间为54 mm,B正确。
12.(8分)(1)刻度尺 (2)正比 5.0 (3)AB
【解析】利用劲度系数的定义k=,解得k=5.0 N/m;F=0时L等于弹簧原长,故A对;a的斜率更大,意味着伸长相同长度时增加的弹力要大一些,故a的劲度系数更大,B对。
三、计算题(本大题3小题,共40分)
13.(15分)【解析】(1)以向东为正方向,汽车的末速度v=at(3分)
代入t=2 s解得v=4 m/s(2分)
(2)汽车前6 s的位移x1=at(1分)
代入t1=6 s解得x1=36 m(1分)
前7 s的位移x2=at(1分)
代入t2=7 s解得x2=49 m(1分)
故第7 s内汽车走过的位移Δx=x2-x1,代入解得Δx=13 m(1分)
(3)汽车第7 s内的平均速度=(3分)
结合第(2)问的结果可得=13 m/s(2分)
14.(15分)【解析】设小汽车初速度方向为正方向,将单位换算为国际单位制v=5 m/s,v0=25 m/s
(1)小汽车进入站台前做匀减速直线运动,设距离收费站x1处开始制动,由公式v2-v=2a1x1(3分)
解得x1=75 m(2分)
(2)小汽车通过收费站经历匀减速和匀加速两个阶段,前后两段的位移分别为x1和x2,时间分别为t1和t2,加速阶段的末速度是减速阶段的初速度
减速阶段v=v0-a1t1(1分)
代入数据解得t1=5 s(1分)
加速阶段v0=v+a2t2(1分)
代入数据解得t2=4 s(1分)
则加速和减速的总时间t=t1+t2,代入解得t=9 s(1分)
(3)在加速阶段v-v2=2a2x2(1分)
解得x2=60 m(1分)
若汽车不减速通过这段位移的总时间为t′=,代入数据解得t′=5.4 s(2分)
车因减速和加速过站而耽误的时间Δt=t-t′,代入数据解得Δt=3.6 s(1分)
15.(10分)【解析】(1)以人的初始位置为原点,追车的方向为正方向建立坐标系。
司机刚好能看到此乘客一眼,说明乘客恰好进入车头后方20 m的地方,随后立即被汽车甩开。
当v车=v人时,乘客离汽车最近(1分)
设经历时间t后二者速度相等。则有:
人的位置x1=v人t;汽车速度v车=at,汽车的位置x2=at2+s(1分)
人离汽车最近的时候,汽车在人的前方L处,则有x2-x1=L(1分)
代入数据可得t=4 s,乘客的速度v=4 m/s(1分)
(2)人的位置随时间变化的关系为:x1=vt(1分)
车的位置随时间变化的关系为:x2=at2+s(1分)
人车距离随时间变化的关系为:Δx=x2-x1
令Δx=L,即at2+s-vt=L(1分)
该方程对应的两解t1、t2即为两次到达汽车后方距离L处(第一次是人进入司机视野,第二次是人离开司机视野),按照题意应有:t2-t1≥t0>0(1分)
即(t2+t1)2-4t2t1≥t(1分)
结合二次方程根与系数关系可得:
-4·≥t解得:v≥·(1分)
2024长沙长郡中学高一上学期期末物理试题含解析: 这是一份2024长沙长郡中学高一上学期期末物理试题含解析,文件包含湖南省长沙市长郡中学2023-2024学年高一上学期期末考试物理试题含解析docx、湖南省长沙市长郡中学2023-2024学年高一上学期期末考试物理试题无答案docx等2份试卷配套教学资源,其中试卷共22页, 欢迎下载使用。
2024长沙师大附中高一入学考试物理试题含解析: 这是一份2024长沙师大附中高一入学考试物理试题含解析,文件包含湖南省长沙市湖南师范大学附属中学2023-2024学年高一上学期入学考试物理试题原卷版docx、湖南省长沙市湖南师范大学附属中学2023-2024学年高一上学期入学考试物理试题含解析docx等2份试卷配套教学资源,其中试卷共34页, 欢迎下载使用。
2023长沙雨花区高一上学期期末物理试题含解析: 这是一份2023长沙雨花区高一上学期期末物理试题含解析,文件包含精品解析湖南省长沙市雨花区2022-2023学年高一上学期期末质量检测物理试题解析版docx、精品解析湖南省长沙市雨花区2022-2023学年高一上学期期末质量检测物理试题原卷版docx等2份试卷配套教学资源,其中试卷共25页, 欢迎下载使用。

