所属成套资源:高中生物专题复习
- 专题1 细胞的分子组成教师版 课件 4 次下载
- 专题1 细胞的分子组成学生版 课件 7 次下载
- 专题2 细胞的结构学生版 课件 5 次下载
- 专题3 细胞和能量(教师版)修改版 课件 3 次下载
- 专题3 细胞和能量(学生版)修改版 课件 5 次下载
专题2 细胞的结构教师版
展开
这是一份专题2 细胞的结构教师版,共25页。
专题2细胞的结构
[考试标准]
知识内容
必考要求
加试要求
细胞概述
(1)细胞学说的基本观点
(2)细胞学说的建立过程
(3)细胞的大小、数目和种类
(4)活动:观察多种多样的细胞
a
a
b
a
c
a
b
细胞膜和细胞壁
(1)质膜的结构和功能
(2)质膜组成成分的作用
(3)植物细胞壁的组成和作用
(4)活动:验证活细胞吸收物质的选择性
b
a
a
b
b
a
a
b
细胞质
(1)主要细胞器的形态、结构与功能
(2)主要细胞器之间的协调配合
(3)细胞溶胶的功能
(4)活动:观察叶绿体
a
a
b
a
b
a
b
细胞核
(1)细胞核的结构和功能
(2)动、植物细胞结构的异同
b
b
b
b
原核细胞
真核细胞和原核细胞结构的异同
b
b
一、 细胞的概述
1、细胞学说建立的过程
(1)建立过程
①1665年, 胡克 发现了细胞(其实是植物细胞壁)。
②细胞学说:
A.1838年, 施莱登 提出“所有的植物都是由细胞组成的,细胞是植物各种功能的基础”的观点。
B.1839年, 施万 提出“所有的动物也是由细胞组成的”。
C.20年后, 菲尔肖 提出:所有的细胞都必定来自 已存在的活细胞 。
(2) 细胞学说内容
①所有的生物都是由 一个或多个细胞 组成的。
②细胞是所有生物的 结构和功能 的单位。
③所有的细胞必定是由 已存在的细胞 产生的。
(3) 意义:证明动植物界具有最本质的联系。
2、细胞的大小、数目和种类
(1)细胞的大小:一般来说,细胞的大小以微米(μm)计算,1mm=103μm=106nm。
最小的细胞是 支原体 ,直径只有100nm;最大的细胞是鸵鸟蛋的 蛋黄 (170mmx135mm);棉花的一条纤维是单个细胞,长达3~4cm;神经细胞的直径不足1mm,但长度可超过1m,番茄果肉中圆粒状的细胞用放大镜就可以看到,一般只能在显微镜才能看到。
注:细胞通过其表面与外界进行物质交换,发生信息交流。细胞体积小,表面积与体积之比 相对变大 ,有利于活细胞与环境进行物质 交换 。如果细胞体积大,表面积与体积之比过小,则不利于各项生命活动的完成,因此细胞的体积总是很小。
(2) 数目:按细胞数目分:可分为由 单个细胞 组成的 单细胞 生物和 多个细胞 组成的 多细胞 生物。生物体的长大不是由于单个细胞体积的增大,而是由于 细胞数目 的增多。一个新生婴儿的细胞数目约为2x1012,成人约为2x1014个,两者细胞大小差不多。
(3)细胞的种类 很多 ,不同细胞大小差别 很大 。
种类:根据细胞中是否有由核膜包被的 细胞核 ,细胞可分为 原核细胞 和 真核细胞 。
原核细胞——原核生物 比真核细胞 小 ,结构 简单 ,如细菌、支原体。
真核细胞——真核生物 有由核膜包被的细胞核,结构较复杂,包括动植物、真菌等。
真核细胞分为细胞膜、 细胞质 、细胞核三部分,植物细胞和真菌还有 细胞壁 。
[诊断与思考]
1.判断下列叙述的正误
(1)细胞学说认为所有生物都是由细胞构成的( √ )
(2)细胞学说认为一切都是由细胞分裂产生的( × )
(3)细胞学说从一个方面揭示了生物界的多样性( × )
2.请从分子水平上分析细胞多样性的直接原因和根本原因。
提示 直接原因:构成细胞的蛋白质分子结构不同。
根本原因:不同个体的细胞中含有的DNA不同;同一个体不同类型细胞的形成是基因选择性表达的结果。
3.请从细胞的化学组成、结构、遗传物质、能源物质、增殖方式等5个方面归纳细胞的统一性。
提示 (1)化学组成:组成细胞的元素基本一致,化合物种类也非常相似(水、无机盐、氨基酸、核苷酸等)。
(2)结构:都具有细胞膜、细胞质、核糖体。
(3)遗传物质:都以DNA作为遗传物质,且遗传密码通用。
(4)能源物质:都以ATP作为直接能源物质。
(5)增殖方式:主要以细胞分裂的方式增殖。
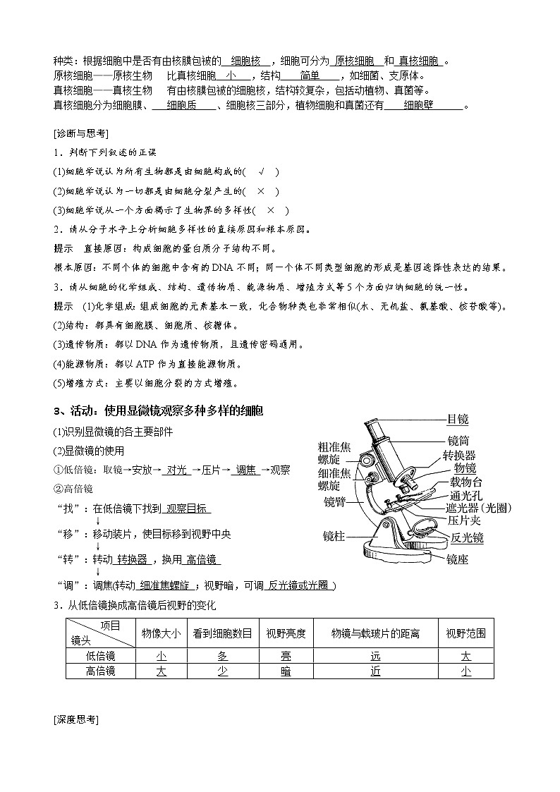
3、活动:使用显微镜观察多种多样的细胞
(1)识别显微镜的各主要部件
(2)显微镜的使用
①低倍镜:取镜→安放→ 对光 →压片→ 调焦 →观察
②高倍镜
“找”:在低倍镜下找到 观察目标
↓
“移”:移动装片,使目标移到视野中央
↓
“转”:转动 转换器 ,换用 高倍镜
↓
“调”:调焦(转动 细准焦螺旋 ;视野暗,可调 反光镜或光圈 )
3.从低倍镜换成高倍镜后视野的变化
项目
镜头
物像大小
看到细胞数目
视野亮度
物镜与载玻片的距离
视野范围
低倍镜
小
多
亮
远
大
高倍镜
大
少
暗
近
小
[深度思考]
(1)如何区分目镜与物镜,其长短与放大倍数之间存在怎样的关系?
提示 目镜无螺纹,物镜有螺纹。物镜越长,放大倍数越大;目镜越长,放大倍数越小。
(2)如何把物像移到视野中央?
提示 物像在视野中偏向哪个方向,装片就向哪个方向移动,简称“偏哪移哪”。
(3)若视野中出现一半亮一半暗;观察花生切片标本材料一半清晰一半模糊不清,出现上述两种情况的可能原因分别是什么?
提示 前者可能是反光镜的调节角度不对;后者可能是由花生切片厚薄不均匀造成的。
(4)若所观察视野中有“污物”,应如何判断“污物”位置?
题组一 细胞学说的判断
1.下列关于细胞学说及其建立的叙述,错误的是( )
A.细胞学说主要是由施莱登和施万提出的
B.细胞学说认为细胞分为真核细胞和原核细胞
C.细胞学说阐明了细胞的统一性和生物体结构的统一性
D.细胞学说的重要内容之一是:细胞是所有生物的结构和功能的单位
细胞学说是由德国植物学家施莱登和动物学家施万提出的,细胞学说的内容包括所有的生物都是由一个或多个细胞组成的;细胞是所有生物的结构和功能的单位;所有的细胞必定是由已存在的细胞产生。答案B
2.下列关于细胞学说的建立过程的说法,不正确的是( )
A.胡克在显微镜下看到的软木塞薄片中的蜂窝状小室是真正的细胞
B.施莱登最先提出植物都是由细胞组成的
C.施万最先提出动物都是由细胞组成的
D.菲尔肖提出所有的细胞都必定来自已存在的活细胞
解析 在细胞学说的建立过程中,有多位科学家作出了重大的贡献。B、C、D三项说法都是正确的,但A项中胡克在自制显微镜下看到的软木塞薄片中的蜂窝状小室并不是真正意义的细胞,而是已死亡细胞的细胞壁。但他由这个发现提出了细胞的概念,为细胞学说的建立奠定了最原始的基础。答案A
题组二 显微镜的使用
3.下图中甲图是一组目镜标有5×和16×字样、物镜标有10×和40×字样的镜头,乙图是在甲图中选用的一组能放大160倍的镜头组合所观察到的图像。欲将乙图视野中处于右上方的细胞移至视野中央放大640倍观察,下列操作中不正确的是( )
A.将装片向右上方移动,至右上方的细胞位于视野正中央
B.将显微镜的光圈调小,反光镜调成平面镜
C.目镜不需要换,转动转换器将物镜换成镜头③
D.物镜换成高倍物镜后,如果视野模糊,应调节细准焦螺旋
解析 根据题干知,欲将乙图视野中处于右上方的细胞移至视野中央放大640倍观察,首先要将装片向右上方移动,至右上方的细胞位于视野正中央;然后转动转换器将物镜换成高倍镜头③,但物像放大后视野变暗,故应将显微镜的光圈调大,反光镜调成凹面镜,再调节细准焦螺旋,使物像清晰。答案 B
4.下列关于高倍物镜的叙述中,正确的是( )
A.因为藓类叶片大,在高倍镜下容易找到,所以可以直接使用高倍物镜观察
B.为了使高倍镜下的视野亮一些,可使用更大的光圈或凹面反光镜
C.换上高倍物镜后,必须先用粗准焦螺旋调焦,再用细准焦螺旋调至物像最清晰
D.要观察图1所示微生物,应把载玻片向图2中甲方向移动
解析 使用高倍镜时应先在低倍镜下找到视野,不能直接使用高倍物镜观察,A项错误;为了使高倍物镜下的视野亮一些,可使用更大的光圈或凹面反光镜,B项正确;换上高倍物镜后,禁止用粗准焦螺旋调焦,可用细准焦螺旋调至物像最清晰,C项错误;要观察图1所示微生物,应把载玻片向图2中丙方向移动,D项错误。答案 B
5.用显微测微尺测量某个洋葱表皮细胞的长度时,下列目镜和物镜的组合中,视野内目镜测微尺每小格所代表的实际长度最小的是( )
①目镜10× ②目镜16× ③物镜10× ④物镜40×
A.①③ B.①④ C.②③ D.②④
解析 分析①②③④可知,放大倍数最大的组合是②④,因此视野内目镜测微尺每小格所代表的实际长度最小的组合是②④。答案 D
关注显微镜使用的“4”个易错点
(1)必须先用低倍物镜观察,找到要观察的物像,移到视野中央,然后再换用高倍物镜。
(2)换用高倍物镜后,不能再转动粗准焦螺旋,只能用细准焦螺旋来调节。
(3)换用高倍物镜后,若视野太暗,应先调节遮光器(换大光圈)或反光镜(用凹面反光镜)使视野明亮,再调节细准焦螺旋。
(4)观察颜色深的材料,视野应适当调亮,反之则应适当调暗。
4、原核细胞
(1) 原核细胞的结构(以细菌为例,见右图)
(2)总结:
①原核细胞有 拟核 或称 拟核区 ,没有细胞核
和由 膜包被 的各种细胞器,但有 核糖体 。
②细菌细胞壁的外面有时还有一层 荚膜 。有些细菌还有 菌毛 、 鞭毛 等结构。
③原核细胞虽然没有 线粒体 ,但仍有一些细胞进行需氧呼吸(如硝化细菌), 细胞膜 就是这些
细胞进行需氧呼吸的场所;有的原核细胞虽然没有 叶绿体 ,但仍能进行光合作用(如蓝藻)。
知识点补充:A、原核细胞和真核细胞的比较
类别
原核细胞
真核细胞
大小
较小
较大
本质区别
无以核膜为界限的细胞核
有以核膜为界限的真正的细胞核
细胞壁
主要肽聚糖(细菌)
纤维素、果胶(植);几丁质(真菌,也叫壳多糖)
细胞质
有核糖体(唯一),无其他细胞器
有核糖体和其他细胞器
细胞核
拟核,无核膜和核仁
有细胞核和核仁
分裂方式
二分裂
有丝分裂 减数分裂
例子
细菌、蓝藻、乳酸菌等
动植物、真菌、酵母菌、霉菌等
DNA存在形式
拟核:大型环状
质粒:小型环状
细胞核:和蛋白质等形成染色质
细胞质:在线~、叶~中裸露存在
转录和翻译
转录产生的mRNA不需要加工;转录和翻译通常在同一时间同一地点进行(在转录完成之前翻译便开始进行)
核基因转录产生的mRNA需要加工;核基因转录和翻译不在同一时间同一地点进行(转录在翻译之前,转录在细胞核内,翻译在细胞质的核糖体上)
是否遵循遗传规律
不遵循孟德尔遗传规律
遵循孟德尔遗传规律
变异类型
基因突变
基因突变、基因重组、染色体畸变
遗传物质
DNA
进化水平
低
高
共同点
质膜、细胞溶胶、核糖体、DNA
B、从化学组成、基本结构及功能上正确区分各类生物
(1)真正理解原核生物、真核生物、病毒的隶属关系
生
物
非细胞
结构生物
病毒
如SARS病毒、人类免疫缺陷病毒(HIV)
亚病毒
类病毒
仅由RNA分子组成 如烟草花叶病毒(TMV)
朊病毒
由蛋白质组成,如疯牛病病原体
拟病毒、卫星病毒等
细胞
结构
生物
原核
生物
细菌
球菌、杆菌、螺旋菌 如大肠杆菌
蓝藻
如蓝球藻、念珠藻、颤藻
放线菌、支原体、衣原体、螺旋体、立克次氏体、古细菌、原绿藻等
真核
生物
原生生物
单细胞植物
如衣藻
单细胞动物
如草履虫、变形虫
真菌
如酵母菌(共500多种)、霉菌、蕈菌(蘑菇、木耳、灵芝等)
植物
多细胞低等、高等植物
动物
多细胞低等、高等动物
(2) 理解真核细胞和原核细胞在结构与功能上的统一性
①不同的细胞具有基本相似的结构:细胞膜、细胞质、核物质及核糖体;
②不同的细胞具有基本相同的化学组成,组成元素基本一致,化合物种类也非常相似(水、无机盐、糖类、蛋白质、脂质和核酸等);
③细胞中的某些生命活动相似,如DNA复制、蛋白质合成等;
④遗传物质都是核酸,遗传密码通用等。
(3)病毒:一般病毒的遗传物质是DNA或RNA,每种病毒的碱基和核苷酸都只有4种;在病毒增殖过程中,氨基酸原料、核苷酸原料、核糖体、tRNA等都由宿主提供。
[诊断与思考]
1.判断下列叙述的正误
(1)蓝细菌无叶绿体,但能进行光合作用( √ )
(2)硝化细菌无线粒体,只能通过厌氧呼吸获得能量( × )
(3)蓝细菌细胞具有细胞核且DNA分子呈环状( × )
(4)布鲁氏杆菌在分裂过程中不出现基因重组( √ )
(5)大肠杆菌中没有线粒体、核糖体等复杂的细胞器( × )
(6)原核生物细胞不含线粒体,不能进行需氧呼吸( × )
2.原核细胞与真核细胞有哪些共同点?
提示 都有相似的细胞膜、细胞质、核糖体和DNA分子。
3.观察下列四种生物图示,说出所属生物类型的判断依据。
提示 甲、乙为原核生物,因为无以核被膜为界限的细胞核;丙为病毒,因为无细胞结构;丁为真核生物,因为有核被膜包被的细胞核。
题组一 利用模型分析细胞核的结构
1.下列有关细胞核的叙述,正确的是( )
A.①主要由DNA和蛋白质组成
B.②是由2层磷脂分子组成的
C.④核孔复合体是包括DNA在内的大分子物质任意通过的通道
D.③是产生核糖体、mRNA和蛋白质的场所
解析 ①是染色质,主要由DNA和蛋白质组成。②是核被膜,由2层脂双层组成。④是核孔复合体,是生物大分子选择性进出的通道,DNA不能进出细胞核。③是核仁,它与核糖体的形成以及某种RNA的合成有关。答案 A
2.如图为细胞核结构模式图,下列有关叙述不正确的是( )
A.①主要由DNA和蛋白质组成,在细胞分裂不同时期呈现不同状态
B.②是产生核糖体、mRNA和合成蛋白质的场所
C.③在细胞周期中发生周期性变化,其主要成分是磷脂和蛋白质
D.蛋白质和RNA等大分子物质通过核孔复合体进出细胞核需要消耗能量
解析 ①是染色质,主要由DNA和蛋白质组成,在细胞分裂不同时期呈现不同形态,间期和末期以染色质形式存在,前期、中期和后期以染色体形式存在,A项正确;②是核仁,与某种RNA和核糖体的形成有关,但不是合成mRNA和蛋白质的场所,B项错误;③是核被膜,在细胞周期中发生周期性变化,前期消失,末期重现,其主要成分是磷脂和蛋白质,C项正确;蛋白质和RNA等大分子物质通过核孔复合体进出细胞具有选择性,同时需要消耗能量,D项正确。答案 B
题组二 依据实验所遵循的原则分析细胞核的功能实验
3.科学家在单细胞伞藻幼体嫁接的实验中,将甲的伞柄嫁接到乙的假根上,长出了乙的伞帽。下列有关评价合理的是( )
A.该实验证明了细胞核是遗传的控制中心
B.该实验证明了细胞核是代谢的调控中心
C.欲证明细胞核的功能,需进一步进行实验
D.该实验证明了细胞质是遗传的控制中心
解析 假根中既有细胞核,也有细胞质,该实验不能排除细胞质的影响。应该进一步进行伞藻核移植实验,可排除假根中其他物质的作用,从而证明是细胞核控制伞藻“帽”的形状。答案 C
4.核孔复合体是具有选择性的核质交换通道,亲核蛋白需通过核孔复合体进入细胞核发挥功能。如图为非洲爪蟾卵母细胞亲核蛋白注射实验,下列相关叙述正确的是( )
A.亲核蛋白进入细胞核由头部决定
B.亲核蛋白进入细胞核不需要载体蛋白
C.亲核蛋白进入细胞核需要消耗能量
D.亲核蛋白进入细胞核的方式与葡萄糖进入红细胞相同
解析 图示可见放射性的亲核蛋白能从细胞质通过核孔复合体进入细胞核中,放射性的尾部也能从细胞质通过核孔复合体进入细胞核中,但放射性的头部却不能从细胞质通过核孔复合体进入细胞核中,可见亲核蛋白进入细胞核是由放射性的尾部决定的,A项错误;亲核蛋白需与特定的载体结合后才能通过核孔复合体进入细胞核,消耗能量,方式类似主动转运,B项错误,C项正确;葡萄糖进入红细胞的方式为易化扩散,需要载体蛋白协助,不消耗能量,D项错误。答案 C
题组三 由实例确定原核生物与真核生物
5.微生物的种类繁多,下列微生物中属于原核生物的是( )
①霉菌 ②酵母菌 ③蓝细菌 ④大肠杆菌⑤乳酸杆菌
A.①②③ B.②③④ C.③④⑤ D.①④⑤
解析 蓝细菌、大肠杆菌、乳酸杆菌都没有细胞核,都属于原核生物。而霉菌、酵母菌都有真正的细胞核,都属于真核生物。答案 C
6.下列叙述不正确的是( )
A.酵母菌有核被膜,而根瘤菌没有 B.酵母菌有核糖体,而硝化细菌没有
C.黑藻细胞有线粒体,而蓝细菌没有 D.黑藻细胞有内质网,而蓝细菌没有
解析 原核细胞无核被膜、核仁,但有唯一的细胞器——核糖体。选项中,蓝细菌、硝化细菌和根瘤菌是原核生物,酵母菌和黑藻是真核生物。答案B
题组四 利用图表信息分析原、真核细胞的结构
7.对下图所示细胞的概述不正确的是( )
A.能够进行光合作用的是甲、丁
B.甲是已经分化的细胞
C.丙、丁不遵循孟德尔的遗传定律
D.四种细胞均有内质网
解析 甲含叶绿体、大液泡,属于高度分化的植物细胞;乙是动物细胞;丙为细菌,丁为蓝细菌,两者为原核细胞,唯一有的细胞器是核糖体。答案 D
8.(2013·广东,24)下表为四种不同细胞的比较结果,正确的是(多选)( )
选项
细胞
细胞壁
光合作用
染色质
细胞全能性
A
蓝细菌
有
有
有
无
B
洋葱根尖细胞
有
无
有
有
C
兔成熟红细胞
无
无
有
有
D
蛙受精卵
无
无
有
有
解析 蓝细菌属于原核生物,其外层有细胞壁,细胞内含有藻蓝素和叶绿素,是能进行光合作用的自养型生物,原核细胞没有由核被膜包被的细胞核,也没有染色质,A项错误;洋葱属于真核生物,由真核细胞组成,洋葱根尖细胞细胞膜外有细胞壁,细胞质中无叶绿体,不能进行光合作用,细胞核中有染色质,在离体情况下,洋葱根尖细胞具有发育成完整个体的潜能,B项正确;动物细胞无细胞壁,且不能进行光合作用,兔成熟的红细胞无众多细胞器和细胞核,无染色质,不能表现细胞全能性,C项错误;蛙是动物,其受精卵无细胞壁,细胞质中无叶绿体,不能进行光合作用,受精卵能发育成完整个体,具有很高的全能性,D项正确。答案 BD
题组五 细胞图像的识别
9.如图为细胞亚显微结构示意图,下列有关说法中正确的是( )
A.此图可用来表示高等植物细胞的亚显微结构
B.若此图表示洋葱根尖分生区细胞,应去掉的结构为5、9
C.3是细胞的控制中心,一定位于细胞中央
D.此图若表示动物的性腺细胞,则不应有的结构为1、2、5
解析 该细胞有细胞壁和中心体,说明为低等植物细胞,示意图显示了细胞器的内部结构,为亚显微结构;若表示洋葱根尖分生区细胞,应去掉9中心体、2大液泡和5叶绿体;3是细胞的控制中心,但不一定位于细胞中央;动物细胞不应有1细胞壁、5叶绿体、2大液泡。答案 D
10.下列细胞亚显微结构示意图,正确的是( )
解析 选项A、B中细菌细胞和蓝细菌细胞都是原核细胞,原核细胞内唯一的细胞器是核糖体,没有线粒体和叶绿体等细胞器;选项C、D中的水稻叶肉细胞和小鼠肝脏细胞都是真核细胞,但中心体只存在于动物细胞和低等植物细胞中,所以选项C中水稻叶肉细胞内不应有中心体。答案D
1.关于细胞核结构的5个易错点
(1)核被膜、核仁在细胞周期中表现为周期性地消失和重建。
(2)核被膜和核孔复合体都具有选择透性,核孔复合体虽然可以允许大分子物质通过,但仍然具有选择性,如细胞核中的DNA就不能通过核孔复合体进入细胞质。
(3)核孔复合体的数量、核仁的大小与细胞代谢有关,如代谢旺盛、蛋白质合成量大的细胞,核孔复合体数多,核仁较大。
(4)核仁不是遗传物质的贮存场所。细胞核中的遗传物质分布在染色体(染色质)上。
(5)染色体和染色质只是形态不同,而成分完全相同。
2.解答细胞核功能探究题的思路
首先要明白实验要探究的目的,找到合适的材料;再弄清楚实验思路、操作过程;根据实验结果,结合实验目的和假设,作出科学、合理的实验结论。
3.关注原、真核细胞的8个“不一定”
(1)不属于真核生物的不一定就是原核生物,病毒没有细胞结构,既非原核生物也非真核生物。
(2)带“菌”的不一定都是原核生物,如酵母菌是真核生物。
(3)细胞壁的主要成分不一定都是纤维素和果胶。植物细胞细胞壁的主要成分是纤维素和果胶,而细菌细胞壁的主要成分是肽聚糖。
(4)能进行光合作用的细胞不一定都含有叶绿体,如蓝细菌无叶绿体。
(5)能进行需氧呼吸的细胞不一定都含有线粒体,如硝化细菌。
(6)没有细胞核的细胞不一定都是原核细胞,如哺乳动物的成熟红细胞。
(7)细胞不一定都是由细胞分裂产生的,如受精卵是通过受精作用产生的。
4.真、原核细胞及动、植物细胞的判断
5.关于细胞结构图像的2点判断
(1)显微、亚显微结构图像的判断
①显微结构图像:光学显微镜下观察到的细胞结构图像。
②亚显微结构图像:电子显微镜下观察到的细胞结构图像,一般图中呈现出细胞器的内部结构等。
(2) 区分动物、植物及低等植物细胞时,主要观察是否有细胞壁、叶绿体、液泡、中心体,若是分裂的细胞还可以根据细胞一分为二的方式判断是动物细胞还是植物细胞。
二、 真核细胞的结构
1、细胞壁
(1)组成成分
①植物(含藻类):主要:纤维素(支撑)、果胶(粘合)。
②真菌:主要:多糖,其次蛋白质、类脂。
③细菌:主要:肽聚糖。
补:青霉素有抑菌作用是因为它能抑制细菌合成肽聚糖。
真菌(如酵母菌):低等真菌的细胞壁成分以纤维素为主。酵母菌以葡聚糖为主,而高等真菌则以几丁质(又称壳多糖,一种多糖)为主。
(2)功能:①保护细胞 ②支撑植物体
(3)特性:全透性,与细胞的 选择透性 无关。
2、细胞膜(又叫质膜)
(1)组成成分
脂质50%
磷脂
主要成分,质膜基本骨架,流动性最强。
胆固醇
亲脂,起固定作用(使质膜的流动性不会在温度降低时下降;使膜保持一定的“刚性”)。
糖脂
在细胞识别中起识别作用。
蛋白质40%
主要成分,如载体蛋白、通道蛋白、酶、信号分子受体、细胞标志物(能识别化学信号、其他细胞)
糖类2~10%
糖蛋白
保护润滑,细胞识别有关
A.脂双层:是流动镶嵌模型最基础的部分。
主要成分:磷脂分子
头部的成分是 磷酸基团 特性为 亲水 性
尾部的成分是 脂肪酸 特性为 亲脂 性
脂双层形成原因: 磷酸分子 的物理、化学性质
决定的。脂双层的“柔性”取决于脂肪酸分子的
尾部 可以摇摆;“刚性”取决于脂双层中的
胆固醇 。
B.膜蛋白
a、位置:全部或部分 镶嵌 在膜中,还有部分露
在膜表面。
b、分子特点:有 水溶性 部分和 脂溶性 部分。
c、功能:控制某些分子和离子的 出入 ;起生物
催化 的作用;起细胞 标志物 的作用。
C.质膜的结构特点:具有 一定的流动性 。
(2)流动镶嵌模型(内容)
①磷脂双分子层构成细胞膜的基本骨架,磷脂分子是可以运动的。
②蛋白质分子在磷脂双分子层上的分布:镶嵌、嵌入、贯穿。大多数蛋白质分子也是可运动的。
③质膜的结构特点:具有一定的流动性。
④细胞膜上蛋白质的种类、数量决定膜的功能。细胞膜是选择透过性膜。
(3) 结构特点和功能特性
项目
特点
原因
影响元素
实例
结构
特点
一定的
流动性
构成细胞膜的磷脂分子和大部分蛋白质分子不是静止的,而是可以运动的
温度,在一定范围内,温度越高,细胞膜的流动性越大
变形虫的变形运动、细胞融合、胞吞、胞吐
功能
特性
选择
透性
遗传因素
↓决定
载体蛋白的种类数量
↓决定
选择透性
①内因:细胞膜上载体蛋白的种类和数量
②外因:温度、PH、O2等影响呼吸作用的因素
植物对离子的选择性吸收、神经细胞对K+的吸收和对Na+的排出、肾小管的重吸收作用等
(4)功能总结(细胞控制、细胞通讯)
①将细胞与外界环境分隔开,保障细胞内的相对稳定。
②物质运输:易化扩散、主动运输、胞吞、胞吐等。
③信息传递:激素、神经递质、淋巴因子、细胞间识别等。
④能量转换:为酶提供附着点。
[诊断与思考]
1.判断下列叙述的正误
(1)同一生物体的细胞膜中蛋白质的种类和数量相同( × )
(2)在组成细胞膜的脂质中,胆固醇最丰富( × )
(3)细胞膜的成分是恒定不变的( × )
(4)动物细胞间的黏着性与细胞膜上的糖蛋白有关( √ )
(5)细胞膜的流动性与ATP没有关系( × )
2.根据细胞膜的物质组成,推测细胞膜的组成元素有哪些?
提示 有C、H、O、N、P等。
3.用“”表示磷脂分子,“”表示蛋白质分子,“”表示糖蛋白,请构建细胞膜的结构模型。
提示 如图所示
4.观察下列图示,写出三个图的信息交流类型。
提示 图1通过分泌的化学物质(如激素、化学递质)传递信息;图2通过细胞膜直接接触(如精子和卵细胞)传递信息;图3通过细胞通道传递信息,如高等植物细胞的胞间连丝。
5.组成成分的鉴定实验
(1)用溶解脂质的溶剂处理细胞膜,细胞膜被溶解;脂溶性物质能够优先通过细胞膜;磷脂酶处理细胞膜,细胞膜被破坏。上述实验说明了什么?
提示 说明细胞膜中含有脂质成分。
(2)用蛋白酶处理细胞膜,膜被破坏;制备细胞膜样液,用双缩脲试剂鉴定,结果呈现紫色。上述实验说明了什么?
提示 细胞膜中含有蛋白质成分。
6.结构及结构特点的分析实验
(1)将膜结构中的磷脂分子提取出来,铺在空气—水界面上,测得磷脂占有面积是细胞膜面积的两倍,此实验说明了什么?
提示 说明细胞膜中磷脂分子为双层。
(2)采用荧光标记法,标记小鼠细胞与人细胞做如图实验,
此实验说明了什么?
提示 说明细胞膜具有一定的流动性。
题组一 细胞膜的成分、结构与功能分析
1.关于细胞膜结构和功能的叙述,错误的是( )
A.脂质和蛋白质是组成细胞膜的主要物质
B.当细胞衰老时,其细胞膜的通透性会发生改变
C.蛋白质分子构成了细胞膜的基本支架
D.细胞产生的激素与靶细胞膜上相应受体的结合可实现细胞间的信息传递
解析 A项,细胞膜主要由脂质和蛋白质组成。B项,细胞衰老的主要特征之一是细胞膜的通透性改变,物质运输功能降低。C项,细胞膜的基本支架是脂双层。D项,细胞产生的激素随血液到达全身各处,与靶细胞表面的相应受体结合,实现细胞间的信息传递。答案 C
2.如图是一种细胞膜的亚显微结构模式图,下列有关叙述错误的是( )
A.人体内多数细胞上的①与组织液直接接触
B.图中③在不同的生物膜中的排布方式相同
C.图示模型建立在认同“细胞膜的流动镶嵌模型”的基础上
D.组成物质④的基本单位是氨基酸
解析 ①多糖参与构成糖蛋白,而糖蛋白位于细胞膜的外侧,故大多数细胞上的①与组织液直接接触,A正确;③磷脂分子构成生物膜的脂双层,B正确;图示物质④代表糖蛋白,其基本组成单位是氨基酸和单糖(葡萄糖)答案 D
3.细胞的膜蛋白具有物质运输、信息传递、免疫识别等重要生理功能。下列图示中,可正确示意不同细胞的膜蛋白及其相应功能的是( )
解析 A项,运输O2的血红蛋白分布在红细胞的细胞质中,不是在细胞膜上。B项,T细胞不能分泌抗体。C项,胰岛素受体具有特异性,只能与胰岛素特异性结合,不能与胰高血糖素结合。答案 D
题组二 细胞膜的结构特性与功能特性的判断
4.下列关于细胞膜的说法,不正确的是( )
A.组成不同细胞膜的化学成分种类基本相同,但每种成分的含量不同
B.白细胞能吞噬某些细菌,说明细胞膜具有一定的选择透性
C.不具有流动性的细胞膜将不具有选择透性
D.不同细胞对同一种物质的吸收量不同,体现了细胞膜的选择透性功能
解析 不同细胞膜的化学成分种类大体相同,即都含有脂质、蛋白质和少量的糖类,但每种成分的含量却不同;细胞膜的结构特点是具有一定的流动性,功能特性是具有选择透性。功能特性是由结构特点决定的,如果细胞膜失去了流动性,也就失去了选择透性;白细胞吞噬细菌,依赖的是胞吞作用,其结构基础是细胞膜的流动性,不能体现细胞膜的选择透性;不同细胞对同一种物质的吸收量不同的根本原因是膜上载体蛋白的种类和数量不同,体现了细胞膜的选择透性。答案 B
5.生物膜在生命过程中发挥着非常重要的作用。如图所示的过程中,相关叙述错误的是( )
A.说明细胞膜具有信息传递功能
B.说明细胞膜具有一定的流动性
C.图中所示细胞膜的识别功能依赖于膜上的载体蛋白
D.说明细胞膜具有物质运输功能
解析 图中所示细胞膜的识别功能是指化学递质与突触后膜的受体蛋白结合,不是载体蛋白。突触小泡膜与突触前膜融合将化学递质排到突触间隙,体现了细胞膜的流动性和物质运输功能。答案 C
1.与细胞膜相关的4个易错提醒
(1)组成细胞膜基本支架的物质是脂双层而不是蛋白质。
(2)各种膜所含的蛋白质与脂质的比例与膜的功能有密切的关系,功能越复杂的细胞膜,其蛋白质的种类和数量越多。这充分体现了细胞的结构和功能相适应的特点。
(3)不同种类的细胞,细胞膜的成分及含量不完全相同。如动物细胞膜中含有一定量的胆固醇,而植物细胞膜中含量很少或没有。
(4)细胞膜的组分并不是不可变的。例如,细胞癌变过程中,细胞膜组分发生变化,糖蛋白含量下降,产生甲胎蛋白、癌胚抗原等物质。
3、细胞质——细胞器+细胞溶胶
(1)细胞溶胶
a、状态:液态(除细胞器外的液体部分)。
b、成分:含 多种酶 。(蛋白质在细胞溶胶中约占25~50%)
c、功能:是多种 代谢活动 的主要场所。
拓展:如何把细胞器分离出来?差速离心法。把细胞的细胞膜破坏以后,形成由各种细胞器和细胞中其他物质组成的匀浆,将这个匀浆放在离心管里面,用高速离心机在不同的转速下进行离心,利用不同的离心速度所产生的离心力,可以把不同的细胞器给分开。
(2)细胞器
A、植物特有的细胞器
①液泡
数量:0个(如筛管细胞)、1个(成熟细胞)、多个小泡(细胞刚分裂时)
成分:由 单位膜 包被,其内的水溶液称 细胞液 ,其中含有 水、
无机盐类、糖类、氨基酸、色素(花青素,使花果实叶呈各种颜色)等 。
功能:储存物质,进行渗透作用,维持植物细胞紧张度,使植物细胞坚挺。
补充:植物细胞中,随细胞的长大,分散的小液泡逐渐合并发展成一个大液泡。液泡有时相当于植物细胞的代谢库,有些液泡代替了溶酶体的功能。
②质体(植物和藻类细胞中的一类特殊细胞器,分两类:白色体、有色体)
a、白色体:是贮存 脂质 和 淀粉 的,存在于不可见光的细胞中。
b、有色体(含有色素,最重要的一类有色体: 叶绿体 )
结构:双层膜 基质 基粒 类囊体
分布:只存在于进行 光合作用 的细胞中。
功能:能量转换器(光能→化学能);光合作用的场所。
B、动物、低等植物(高等植物无)特有——中心体(1个)
无 膜 结构,由两个相互垂直的 中心粒 组成,每个中心粒
又由微管构成;存在于大部分真核细胞中,但高等植物细胞
中没有,参与动物细胞的分裂过程,在 动物细胞分裂 中起作用。
补充:与纺锤体的形成有关,在细胞分裂间期复制,分裂前期移向
两极(在细胞增殖中发出纺锤丝牵引染色体向细胞两极运动)。
中心体异常可能导致染色体异常。
一个中心粒由9组三体微管组成,成分为微管蛋白。
C、动植物共有的
①线粒体
分布:需氧型真核生物细胞中,颗粒状或短杆状,相当于细菌大小。
结构:由内、外两层膜构成,外膜 平整 ,内膜向内折叠成嵴,两层
膜之间以及嵴的周围都是液态的 基质 。线粒体是 细胞呼吸
和 能量代谢 的中心。嵴作用 增大内膜面积 ,有利于生化反应的进行。
功能:需氧呼吸的主要场所;能量代谢的中心。
功能补充:①线粒体中还有少量的DNA、RNA和核糖体,能合成一部分
自身所需的蛋白质。②红细胞、猪肉绦虫、蛔虫无线粒体。
②核糖体
分布:附着在粗面内质网上或核外膜;游离在细胞溶胶中;线粒体和
叶绿体中有少量。
结构:由 蛋白质 和 RNA 组成,外表 无膜 包裹,
是 合成蛋白质 的场所。
功能:细胞溶胶(游离核糖体):主要合成结构性蛋白(胞内蛋白)。
粗面内质网(附着核糖体):主要合成分泌蛋白。
线粒体、叶绿体:少量,自主合成部分自身所需的蛋白质。
③内质网
分布:大多数动植物细胞中,广泛分布于细胞的细胞溶胶中。
结构:由 单位膜 构成的囊腔和细管组成,向内与 细胞核
膜相连,向外与 质膜 相连,细胞内存在一套复杂的膜系统。
分类:分粗面内质网和光面内质网,前者运输 蛋白质 ,
后者含有某种酶,如氧化酒精的酶、合成磷脂的酶。
功能:
粗面内质网:是核糖体的支架。加工、运输蛋白质。
光面内质网:与糖类和磷脂的合成及解毒作用有关。
补充:光面内质网上有氧化分解酒精的酶(人肝脏)。
④高尔基体
分布:大多数动植物细胞中。
结构:由单层膜构成的 扁平小囊 和小囊泡组成。
功能:与动物细胞的分泌物的形成及植物 细胞壁 的形成有关。
对蛋白质起着 加工 、 分拣 、 运输 的作用。
⑤溶酶体
结构:由 单位膜 包被的小泡。由 高尔基体 断裂形成。
内含多种 水解酶 (60多种,酶来自高尔基体),
能催化多糖、蛋白质、脂质、DNA和RNA等的降解。
分布:动物、真菌和某些细胞。
功能:消化细胞从外界吞入的颗粒和自身产生的碎渣。
补充:溶酶体的存在,说明细胞中的一些分解反应局限在某种
由膜包被的结构中进行,这对保证细胞中其他结构的完整性具
有重要意义。如果没有溶酶体,水解酶可以破坏整个细胞。
⑥细胞骨架
成分:蛋白质纤维
结构:微丝:由肌动蛋白组成,起支撑作用。在细胞运动中起作用。
肌肉的收缩与微丝有关。胞质环流的原因就在于细胞骨架的运动。
微管:较长、粗。有些从近核的细胞中央一直延伸到质膜。有助于
某些细胞器在细胞内移动。如有些囊泡和线粒体就沿着微管移动,而不是在细胞质中漂移。
补充:微丝、微管能不断的组装和去组装,是一种高度动态的结构体系。
功能:为细胞生命活动提供基本框架,决定着细胞的形态。
a、维持细胞形态,辅助细胞运动。
b、为细胞器、酶等提供附着点。
c、为细胞器的运动提供基础。
[诊断与思考]
1.判断下列叙述的正误
(1)人体细胞的线粒体内膜蛋白质和脂质的比值大于外膜( √ )
(2)性激素主要是由内质网上的核糖体合成( × )
(3)高尔基体参与了蛋白质的合成( × )
(4)含中心体的细胞一定是动物细胞( × )
(5)溶酶体合成和分泌多种酸性水解酶( × )
(6)线粒体基质和叶绿体基质所含酶的种类相同( × )
(7)叶绿体、线粒体和核糖体都含有DNA( × )
2.多角度比较各种细胞器
按分布
植物特有的细胞器
叶绿体、液泡
动物和低等植物
特有的细胞器
中心体
按成分
含DNA的细胞器
线粒体、叶绿体、细胞核
含RNA的细胞器
核糖体、线粒体、叶绿体、细胞核
含色素的细胞器
叶绿体、液泡
按功能
能产生ATP的细胞器
线粒体、叶绿体
能自主复制的细胞器
线粒体、叶绿体、中心体、细胞核
与有丝分裂有关的细胞器
核糖体、线粒体、高尔基体、中心体、细胞核
与蛋白质合成、分泌相关的细胞器
核糖体、内质网、高尔基体、线粒体、细胞核
能发生碱基互补配对的细胞器
线粒体、叶绿体、核糖体、细胞核
与主动转运有关的细胞器
核糖体、线粒体
光学显微镜下可见的细胞器
线粒体、叶绿体、液泡
不具膜结构的细胞器
核糖体、中心体
具单层膜结构的细胞器
内质网、高尔基体、液泡、溶酶体
具双层膜结构的细胞器
线粒体、叶绿体
3.细胞溶胶、线粒体基质和叶绿体基质的成分和功能有何不同?
提示 细胞溶胶含有多种成分,为生命活动提供了重要的代谢反应场所及所需的物质和一定的环境条件;线粒体基质中含有多种与需氧呼吸有关的酶,是进行需氧呼吸第二阶段的场所;叶绿体基质含有与碳反应有关的酶类,是植物进行光合作用碳反应的场所。
4.普通光学显微镜下能看到细胞内的哪些结构?
提示 细胞壁、细胞核、叶绿体、液泡、线粒体(需染色),染色体(需染色)。
题组一 把握主要细胞器的结构与功能的统一
1.下列细胞结构中具有两层单位膜的是( )
A.细胞壁 B.中心体 C.核糖体 D.线粒体
解析 中心体与核糖体无单位膜包被,线粒体为双层膜。答案 D
2.下列关于真核细胞中①~④结构与功能的叙述,正确的是( )
A.①是合成磷脂和氧化酒精的场所
B.②是分拣和转运蛋白质的场所
C.③是利用光能合成淀粉的场所
D.④是贮存和复制遗传物质的场所
解析 ①为叶绿体,②为高尔基体,③为细胞核,④为内质网。答案 B
3.下列有关细胞结构与功能的叙述,正确的是( )
A.磷脂是构成细胞膜的重要物质,但磷脂与物质的跨膜运输无关
B.巨噬细胞对抗原—抗体复合物的处理离不开溶酶体的作用
C.破伤风杆菌分泌外毒素(一种蛋白质)离不开高尔基体的作用
D.洋葱根尖分生区细胞的有丝分裂离不开中心体的作用
解析 细胞膜的主要成分是磷脂和蛋白质,脂溶性物质优先通过细胞膜与磷脂有关,A错误;巨噬细胞吞噬的抗原—抗体复合物在溶酶体中的水解酶作用下水解,B正确;破伤风杆菌属于原核生物,没有高尔基体,C错误;洋葱是高等植物,没有中心体,D错误。答案B
4.下图a、c表示细胞中的两种结构,b是它们共有的特征。下列有关叙述正确的是( )
A.若b表示两层膜结构,则a、c肯定是叶绿体和线粒体
B.若b表示细胞器中含有的核酸,则a、c肯定是叶绿体和线粒体
C.若b表示产生水分子的生理过程,则a、c不可能是细胞核和高尔基体
D.若b表示磷脂,a、c肯定不是核糖体和中心体
解析 若b表示两层膜结构,a、c可能是线粒体、叶绿体、细胞核中的任意两种;含有核酸的细胞器有线粒体、叶绿体、核糖体与细胞核;细胞核内的转录与DNA复制均可产生水,高尔基体形成多糖的过程中会产生水;没有膜结构的细胞器有核糖体与中心体。答案D
题组二 利用联系的观点把握细胞器之间的协作
5.血浆中的抗体是效应B细胞产生的分泌蛋白。下表的抗体肽链合成与抗体加工的场所,正确的是( )
选项
抗体肽链合成场所
抗体加工场所
A
游离的核糖体
细胞溶胶、内质网
B
游离的核糖体
溶酶体、高尔基体
C
内质网上的核糖体
溶酶体、内质网
D
内质网上的核糖体
内质网、高尔基体
解析抗体属于分泌蛋白,其合成的场所是附着在内质网上的核糖体,其加工场所为内质网、高尔基体。D
6.下图是溶酶体发生过程及其“消化”功能示意图,下列叙述错误的是( )
A.b是刚形成的溶酶体,它起源于高尔基体
B.c是内质网,d是线粒体,e是包裹线粒体的小泡
C.溶酶体的生命活动所需能量由e内的d提供
D.b和e融合为f的过程体现了生物膜具有一定的流动性
解析 溶酶体的生命活动所需能量不是由e内的d提供,而是由细胞质中的线粒体提供的。答案 C
7. 甲状腺细胞可以将氨基酸和碘离子合成甲状腺球蛋白,并且将甲状腺球蛋白分泌到细胞外,其过程如图所示。图中a、b、c是生理过程,①~⑦是结构名称。分析下列叙述错误的是( )
A.甲图中b是脱水缩合,产生的水中的氧仅来自氨基酸的—COOH,完成的场所是乙图中的①
B.细胞内的碘离子浓度远远高于血浆中的碘离子浓度,这表明a是主动转运过程
C.与甲图c过程有关的细胞器是乙图中③②⑤,⑥中形成的蛋白质已经是成熟蛋白质
D.在甲状腺球蛋白合成过程中,膜面积基本保持不变的有②和④,但膜的成分均发生更新
解析 依据分泌蛋白合成、加工、运输的过程,推断出甲图中a表示主动转运吸收I-,b表示脱水缩合,c表示加工成熟蛋白质至分泌出细胞的过程;图乙中①为核糖体,②为高尔基体,③为内质网,④为细胞膜,⑤为线粒体,⑥为具膜小泡,⑦为细胞核。氨基酸脱水缩合形成多肽的场所在核糖体上,A项正确;逆浓度梯度进行的跨膜运输方式为主动转运,B项正确;分泌蛋白加工的场所有内质网、高尔基体等,同时需线粒体供能,C项正确;分泌蛋白合成过程中,膜面积基本保持不变的是高尔基体,D项错误。答案 D
题组三 利用曲线、柱状图等形式分析细胞器之间的合作
8.用35S标记一定量的氨基酸,并用来培养哺乳动物的乳腺细胞,测得核糖体、内质网、高尔基体上放射性强度的变化曲线(甲图)以及在此过程中高尔基体、内质网、细胞膜膜面积的变化曲线(乙图),则下列分析不正确的是( )
A.甲图中的a、b、c三条曲线所指代的细胞器分别是核糖体、内质网、高尔基体
B.与乳腺分泌蛋白的合成与分泌密切相关的具膜细胞器是内质网、高尔基体和线粒体
C.乙图中的d、e、f三条曲线所指代的膜结构分别是细胞膜、内质网膜、高尔基体膜
D.35S在细胞各个结构间移动的先后顺序是核糖体→内质网→高尔基体→细胞膜
解析 分泌蛋白首先在核糖体上合成,再依次经过内质网和高尔基体的加工,最后经细胞膜分泌到细胞外,在此过程中,由线粒体提供能量,因此选项A、B、D正确,由分泌蛋白分泌前后对比可知,内质网膜面积相对减小,细胞膜面积相对增大,高尔基体膜面积先增大后减小,最后基本不变。答案 C
9.图甲和图乙分别表示某种细胞内生命活动变化前后内质网、高尔基体、细胞膜膜面积变化图,下列说法错误的是( )
A.图甲可以表示效应B细胞分泌抗体前后膜面积变化图
B.图乙可以表示B细胞受相应抗原刺激前后膜面积变化图
C.胰岛β细胞只发生图甲过程而不发生图乙过程
D.图甲、图乙变化过程可反映生物膜的流动性
解析 抗体分泌过程中,内质网形成小泡与高尔基体膜融合,高尔基体产生小泡与细胞膜融合,故整个过程中,内质网膜面积减小,高尔基体膜面积基本不变,细胞膜面积增大,A正确;B细胞受相应抗原刺激后要增殖、分化,增殖的过程中首先细胞体积和细胞器体积要增大,B正确;胰岛β细胞在生长过程中发生图乙过程,C错误;膜的融合和体积的变化都体现了生物膜的流动性,D正确。答案 C
1.与细胞器有关的5个常见思维误区
(1)没有叶绿体或中央液泡的细胞一定是动物细胞。反例:植物根尖分生区细胞。
(2)具有细胞壁的细胞一定是植物细胞。反例:真菌细胞、细菌等都有细胞壁。注意细胞壁的组成成分不同。
(3)没有叶绿体的细胞不能进行光合作用。反例:蓝细菌。
(4)没有叶绿体或光合色素就不能将无机物合成有机物。反例:进行化能合成作用的细菌。
(5)没有线粒体就不能进行需氧呼吸。反例:大多数原核生物是需氧型的。
2.“三看法”判断蛋白质的形成
细胞器分工合作的典型是分泌蛋白的合成和分泌,解题时,可从三个方面进行分析:
一看标记氨基酸出现的先后顺序:核糖体→内质网→小泡→高尔基体→小泡→细胞膜(→胞外)。
二看膜面积变化的结果:内质网膜面积缩小,高尔基体膜面积基本不变,细胞膜面积增大。
三看与分泌蛋白形成有关的细胞器:核糖体(蛋白质的装配机器)、内质网(加工车间)、高尔基体(加工和包装)和线粒体(提供能量)。
3.分沁蛋白在加工、运输过程中相关结构放射性及膜面积变化分析
(1)图1表示用放射性元素标记某种氨基酸追踪不同时间放射性元素出现顺序为:内质网→高尔基体→分泌小泡。
(2)图2和图3分别以直方图和曲线图形式表示在分泌蛋白加工、运输过程中,内质网膜面积减小,高尔基体膜面积基本不变,细胞膜面积相对增大。
4、细胞核
功能:是遗传物质 贮存和复制 的场所,是细胞的控制中心。
数量:一般生物体细胞中都是一个细胞核,但人的骨胳肌中的细胞核一般也就3~4个有的可达数百个,功能与结构相适应的,骨骼肌有那么多细胞核是因为需要进行频繁的物质交换与合成蛋白质,还有植物的筛管细胞与哺乳动物的成熟血红细胞是没有细胞核的。
结构:
核膜:双层膜把核内物质与细胞质分开,外膜与 粗面内质网 相连。
核孔复合体: 蛋白质、RNA等大分子 出入细胞核的通道。
核仁:与rRNA的合成及 核糖体 的形成有关。
染色质:与染色体成分相同,都主要由 DNA 和 蛋白质 组成,染色质和染色体是细胞分裂不同时期形状各异的同一种物质。
核基质:细胞核内的其他液态成分。
[诊断与思考]
1.判断下列叙述的正误
(1)核被膜上的核孔复合体可以让蛋白质和RNA自由进出( × )
(2)染色体和染色质只是形态不同,而成分完全相同( √ )
(3)细胞核是细胞代谢的控制中心,也是细胞代谢的中心( × )
(4)所有的真核细胞都有细胞核,且只有一个核( × )
(5)核被膜、核仁在细胞周期中的分裂间期消失,分裂后期重建。( × )
(6)代谢越旺盛的细胞,核仁与核孔复合体的数目越多,核仁的体积越大( √ )
2.黑白美西螈核移植实验
(1)实验过程
(2)实验结论: 美西螈皮肤颜色遗传受细胞核控制 。
3.蝾螈受精卵横缢实验
(1)实验过程
(2)实验结论: 蝾螈的细胞分裂、分化受细胞核控制 。
4.变形虫切割实验
(1)实验过程
(2)实验结论: 变形虫的分裂、生长、再生、对刺激的反应等生命活动受细胞核控制 。
5.伞藻嫁接与核移植实验
(1)伞藻嫁接实验过程
(2)伞藻核移植实验过程
菊花形帽伞藻核移植,伞形帽伞藻→去掉帽和核后的部分
(3)实验结论: 伞藻“帽”的形状是由细胞核控制的 。
三、质膜、细胞器膜在结构和功能上的联系
1、在结构上具有一定的连续性
(1)直接或间接联系:
核膜 内质网膜 细胞膜
细胞器膜
(2)通过具膜囊泡的转化:
囊泡 囊泡
内质网 高尔基体 细胞膜
2、 在功能上的联系
在分泌蛋白的合成、加工、运输过程中,生物膜系统各部分之间协调配合如图所示:
3、总结(生物膜系统功能)
(1)保证内环境相对稳定,对物质运输、能量转换、信息传递等过程起决定作用。
(2)为酶提供附着点,是许多生化反应的场所。
(3)分隔细胞,保证生命活动高效有序地进行。
4、对分泌蛋白过程中膜面积变化的分析
[诊断与思考]
1.判断下列叙述的正误
(1)膜蛋白的形成与核糖体、内质网、高尔基体有关( √ )
(2)小泡可以由内质网向高尔基体转运( √ )
(3)分泌蛋白的修饰加工由内质网和高尔基体共同完成( √ )
(4)生物膜之间通过具膜小泡的转移实现膜成分的更新( √ )
(5)造血干细胞中合成的细胞膜蛋白运输的途径可能是:高尔基体→核糖体→细胞膜( × )
2.请写出与分泌蛋白的合成和运输密切相关的结构有哪些。
提示 核糖体、内质网、高尔基体、线粒体、分泌小泡、细胞膜。
3.用箭头表示线粒体膜、内质网膜、高尔基体膜、细胞膜与核被膜之间的关系。
提示
4.游离的核糖体与附着在内质网上的核糖体合成的蛋白质种类有何不同?
提示 游离的核糖体与附着在内质网上的核糖体合成的蛋白质种类不同:前者合成的一般是胞内蛋白,后者合成的一般是分泌蛋白。
四、验证活细胞吸收物质的选择性
1.实验原理
(1)质膜允许某种物质透过的特性,称为质膜对该物质的 透性 。
(2)红墨水中的染料, 质膜 不允许透过,但煮熟的种子 质膜 被破坏,染料进入胚细胞从而使胚体着色。
2.实验步骤
3.结果与结论
(1)结果:煮过的玉米籽粒胚体细胞着色 深 ,未煮过的玉米籽粒胚体细胞着色 浅 。
(2)结论:细胞膜具有 选择透性 。
题组 细胞膜选择透性的实验分析
1.水溶性染色剂(PI)能与核酸结合而使细胞核着色,可将其应用于细胞死活的鉴别。细胞浸泡于一定浓度的PI中,仅有死亡细胞的核会被染色,活细胞则不着色,但将PI注射到活细胞中,则细胞核会着色。利用PI鉴别细胞的基本原理是( )
A.死细胞与活细胞的核酸结构不同 B.死细胞与活细胞的核酸含量不同
C.活细胞能分解染色剂PI D.活细胞的细胞膜阻止PI的进入
解析 活细胞的细胞膜具有选择透性以保证物质选择性地出入细胞,维持正常的生命活动。水溶性染色剂(PI)不是细胞所需物质,因而不能通过活细胞的细胞膜。细胞死亡后,细胞膜及其他生物膜的选择透性丧失,溶于水中的物质(如PI)都可以通过,从而使细胞核着色。答案 D
2.将小麦种子浸泡在红墨水中10min后,取出剖开,发现胚为白色,胚乳为红色,这说明( )
A.胚有活性,胚乳死亡 B.胚已死亡,胚乳有活性
C.胚和胚乳均有活性 D.胚和胚乳均死亡
解析 细胞膜具有控制物质进出细胞的作用,红墨水不是细胞选择吸收的物质,因此活细胞不会被染色。细胞如被染色,说明细胞膜失去了控制物质进出的功能,也就意味着细胞已死亡。答案 A
3.当植物组织受到不良条件的影响时,细胞的结构会遭到损伤而使膜的透性增加,结果是细胞内含物会不同程度地外渗,使外部溶液的电导度增大。电导度的大小可以用电导仪进行检测(电导仪非常灵敏,空气中的CO2溶解于蒸馏水中、各种杂质以及温度都会影响测量结果,从而带来实验误差),细胞膜的透性变化愈大,表示受伤愈重。
①实验材料:小麦幼苗。
②仪器与药品:电导仪、冰水、水浴锅、烧杯、量筒、洗瓶、滤纸、蒸馏水。
③实验步骤
第一步:取长势相同的小麦幼苗60株,去除残留组织,用蒸馏水反复冲洗三次;
第二步:取6只烧杯,分别加入20mL蒸馏水,并编号为1、2、3、4、5、6号;
第三步:__________________________________________________________________________________;
第四步:1、4号烧杯置于冰水中;____________________________________________________________
__________________________________________________________________________________________;
第五步:40分钟后取出,去除烧杯中的幼苗。将烧杯放置一段时间后,用电导仪测量烧杯中溶液的电导度,并记录实验结果。
请回答:
(1)第一步去除残留组织,用蒸馏水反复冲洗三次的目的是 。
(2)补充实验步骤:
第三步:__________________________________________________________________________________
__________________________________________________________________________________________;
第四步:1、4号烧杯置于冰水中;____________________________________________________________
__________________________________________________________________________________________。
(3)该实验的目的是__________________________________________________________________________
__________________________________________________________________________________________。
(4)实验的因变量是__________________________________________________________________________。
(5)空气中的CO2溶解于蒸馏水中,从而带来实验误差。在实验的设计中,为了校正这种因素带来的误差,本实验采取的措施是________________________________________________________________________
__________________________________________________________________________________________。
答案 (1)防止幼苗上的各种杂质影响电导仪的测量结果 (2)将60株小麦幼苗均分成3组,每组20株,分别置于1、2、3号烧杯中,4、5、6号烧杯中不放幼苗作为空白对照 2、5号烧杯置于室温下,3、6号烧杯置于热水浴中
(3)探究不同温度对细胞结构的伤害程度(或对膜的透性大小的影响)
(4)膜的透性(或外界溶液的电导度)
(5)每一个温度下都设置了不放小麦幼苗的空白对照
控制物质进出功能的验证
(1)染色剂进入实验
(2)色素透出实验
正常情况下,紫色洋葱细胞、各色各样的花瓣显现出颜色都是因为细胞液中有某种色素分子,若将有颜色的植物组织放入清水中,色素分子不能透出,若用高温、强酸或强碱处理则可导致原生质层失活,此时色素分子就会从细胞液中透出,外界溶液将呈现色素颜色。如:
五、活动:观察叶绿体
1.实验原理
黑藻或苔藓类的小叶叶片很薄,仅有一两层叶肉细胞,且 叶绿体 少而大,便于观察。
2.实验步骤
制作 临时装片 :选取黑藻幼嫩小叶放在 载玻片 的水滴中,盖上盖玻片。
观察:先用 低倍物镜 观察,再用 高倍物镜 观察叶绿体的形态和分布。
绘制细胞简图
植物如黑藻和某些大型绿藻细胞中很容易观察到叶绿体在细胞质中的循环流动。这种现象称为胞质环流。胞质环流的原因就是在于细胞骨架的运动。
[深度思考]
(1)观察叶绿体时,为什么常用藓类叶片?
提示 藓类叶片很薄,仅有一两层叶肉细胞,可以直接用来制作临时装片。
(2)选菠菜叶作为观察叶绿体的材料,为什么要撕取带少许叶肉的下表皮?
叶绿体主要分布在叶肉细胞中,叶表皮处无叶绿体,接近下表皮处为海绵组织,细胞排列疏松,易撕取。
(3)观察叶绿体时,临时装片中的材料要随时保持有水状态的原因是什么?
提示 保持有水状态以保证叶绿体的正常形态,并能悬浮在细胞溶胶中。否则,细胞失水收缩,将影响对叶绿体形态的观察。
题组 观察叶绿体的原理和方法
1.用高倍显微镜观察黑藻叶片细胞,正确的结论是( )
A.叶绿体在细胞内是固定不动的 B.叶绿体在细胞内是均匀分布的
C.叶绿体的存在是叶片呈绿色的原因 D.叶肉细胞含有叶绿体,不含线粒体
解析 黑藻是高等植物,其叶肉细胞中含有叶绿体,有利于光合作用的进行。叶绿体在细胞内分布不均匀;叶绿体在细胞内不断运动,当光照较弱时,它们会朝光照方向聚集;光照强时,会远离光源,故A、B两项错误。叶绿体中含有叶绿素,使叶片呈现绿色,C项正确。黑藻主要进行需氧呼吸,叶肉细胞内含有线粒体,D项错误。答案 C
2.关于“观察叶绿体”的实验,下列说法正确的是( )
A.选用含叶绿体小而少的细胞来观察 B.活细胞细胞溶胶中的叶绿体是静止不动的
C.选用含叶绿体大而少的细胞来观察 D.制片时叶片应保持干燥
解析 在观察叶绿体的实验时,应选择含叶绿体大而少的细胞来观察,故A项错误、C项正确;活细胞中的叶绿体可随着细胞溶胶的流动而流动,而不是静止不动的,故B项错误;观察叶绿体是在鲜活状态下进行的,因此,制片时叶片应保持湿润,故D项错误。答案 C
3.小陈在观察成熟叶肉细胞的亚显微结构照片后得出如下结论,不正确的是( )
A.叶绿体和线粒体都有双层膜 B.核糖体附着在高尔基体上
C.内质网膜与核被膜相连 D.液泡是最大的细胞器
在成熟叶肉细胞的亚显微结构中,不仅可以看到大液泡、叶绿体、线粒体、内质网、高尔基体、核糖体、溶酶体等细胞器,还可以观察到叶绿体、线粒体的双层膜,其中大液泡是最大的细胞器,核糖体有的游离分布于细胞质中,有的附着在内质网上;内质网膜向外连接细胞膜,向内连接核被膜。故B项不正确。
实验材料的选取原则
(1)符合实验要求。如还原糖的鉴定,材料中该物质含量应较高。要观察叶绿体就不能用大白菜和绿色叶片的表皮细胞,需用含叶绿体的材料。
(2)排除实验结果干扰,实验现象明显。还原糖鉴定应选无色或浅色材料;观察叶绿体要选叶绿体大而少的材料。
(3)易获取的原则。例如,提取细胞膜时所用的哺乳动物成熟红细胞都是易获取的材料。
相关课件
这是一份高中生物高考2020届高考生物一轮复习专题2细胞的结构与功能课件,共60页。
这是一份2023届高考生物二轮复习微专题2细胞的结构和功能课件,共60页。PPT课件主要包含了蛋白质,基因突变,选择透过性等内容,欢迎下载使用。
这是一份专题2 细胞的结构学生版,共19页。

