2023版高考化学微专题小练习专练50物质的制备与性质实验含答案
展开1.[2022·全国乙卷]由实验操作和现象,可得出相应正确结论的是 ( )
2.[2021·全国甲卷]实验室制备下列气体的方法可行的是( )
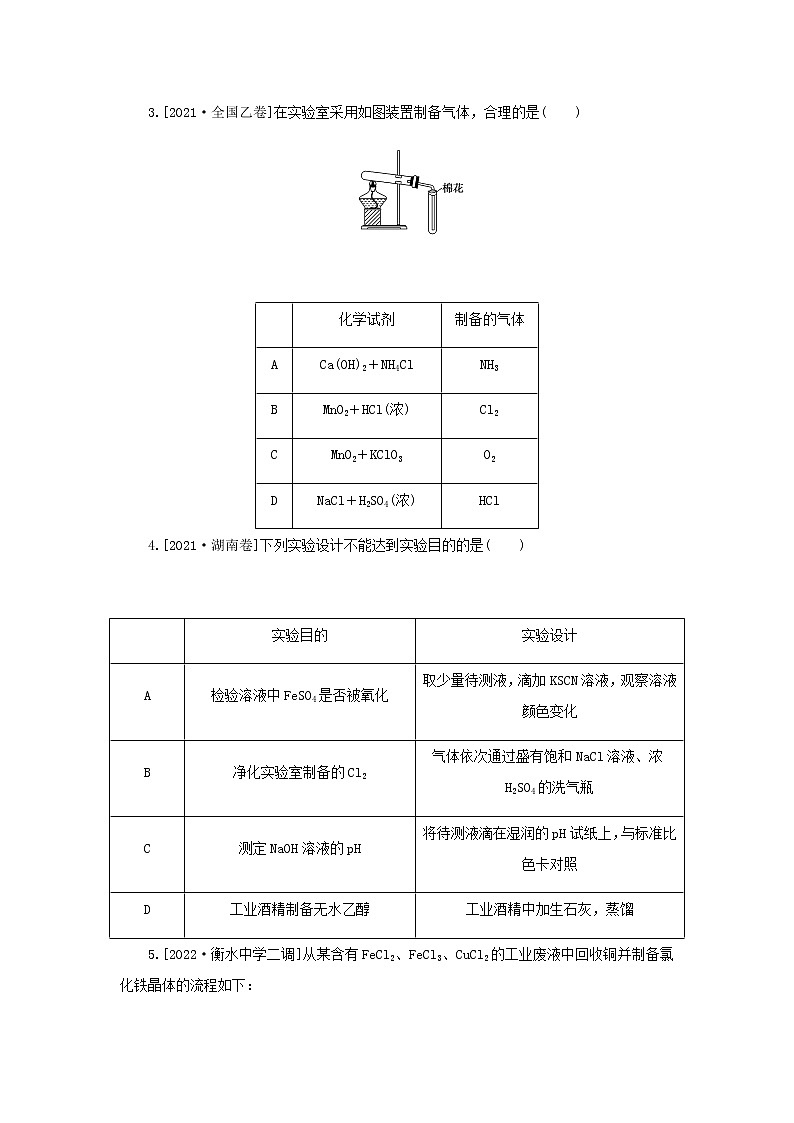
3.[2021·全国乙卷]在实验室采用如图装置制备气体,合理的是( )
4.[2021·湖南卷]下列实验设计不能达到实验目的的是( )
5.[2022·衡水中学二调]从某含有FeCl2、FeCl3、CuCl2的工业废液中回收铜并制备氯化铁晶体的流程如下:
则下列说法正确的是( )
A.试剂a是铁、试剂b是稀硫酸
B.操作I、操作Ⅱ、操作Ⅲ所用仪器相同
C.试剂c是氯气,相应的反应为:2Fe2++Cl2===2Fe3++2Cl-
D.用酸性KMnO4溶液可检验溶液W中是否还有Fe2+
6.[2022·长春实验中学高三开学考试]下列实验中,现象和结论都正确的是( )
7.[2022·安徽合肥八中月考]下列图示实验(部分夹持装置省略)正确的是( )
A.图甲可用于制备氢氧化亚铁
B.图乙可用于制备NaHCO3
C.图丙可用于验证碳酸钠和碳酸氢钠的稳定性
D.图丁可用于证明Cl2能溶于水或与NaOH溶液反应
二、不定项选择题
8.
[情境创新]锡为第ⅣA族元素,四碘化锡是常用的有机合成试剂(SnI4,熔点144.5 ℃,沸点364.5 ℃,易水解)。实验室以过量锡箔为原料通过反应Sn+2I2 eq \(=====,\s\up26(△),\s\d9( )) SnI4制备SnI4。下列说法错误的是( )
A.加入碎瓷片的目的是防止暴沸
B.SnI4可溶于CCl4中
C.装置Ⅰ中a为冷凝水进水口
D.装置Ⅱ的主要作用是吸收挥发的I2
9.
[2022·河北石家庄外国语学校月考]丙酸乙酯(CH3CH2COOCH2CH3)是常用的食品加香剂,常温下呈液态,不溶于水,实验室中以丙酸和过量乙醇在无水氯化钙作用下制备丙酸乙酯的实验装置如图所示(加热和夹持装置略去)。下列说法错误的是( )
A.盛放丙酸的仪器名称为恒压滴液漏斗
B.应从球形冷凝管的下口向冷凝管中通入冷却水
C.加入无水氯化钙和过量乙醇均可提高丙酸的平衡转化率
D.反应后的混合液经过滤、饱和Na2CO3溶液洗涤、结晶,得到丙酸乙酯
三、非选择题
10.[2021·全国乙卷]氧化石墨烯具有稳定的网状结构,在能源、材料等领域有着重要的应用前景。通过氧化剥离石墨制备氧化石墨烯的一种方法如下(装置如图所示):
Ⅰ.将浓H2SO4、NaNO3、石墨粉末在c中混合,置于冰水浴中。剧烈搅拌下,分批缓慢加入KMnO4粉末。塞好瓶口。
Ⅱ.转至油浴中,35 ℃搅拌1小时,缓慢滴加一定量的蒸馏水,升温至98 ℃并保持1小时。
Ⅲ.转移至大烧杯中,静置冷却至室温。加入大量蒸馏水,而后滴加H2O2至悬浊液由紫色变为土黄色。
Ⅳ.离心分离,稀盐酸洗涤沉淀。
Ⅴ.蒸馏水洗涤沉淀。
Ⅵ.冷冻干燥,得到土黄色的氧化石墨烯。
回答下列问题:
(1)装置图中,仪器a、c的名称分别是 、 ,仪器b的进水口是 (填字母)。
(2)步骤Ⅰ中,需分批缓慢加入KMnO4粉末并使用冰水浴,原因是________________________________________________________________________________________________________________________________________________。
(3)步骤Ⅱ中的加热方式采用油浴,不使用热水浴,原因是________________________________________________________________________________________________________________________________________________。
(4)步骤Ⅲ中,H2O2的作用是
________________________________________________________________________
(以离子方程式表示)。
(5)步骤Ⅳ中,洗涤是否完成,可通过检测洗出液中是否存在SO eq \\al(\s\up11(2-),\s\d4(4)) 来判断。检测的方法是
________________________________________________________________________________________________________________________________________________。
(6)步骤Ⅴ可用pH试纸检测来判断Cl-是否洗净,其理由是________________________________________________________________________________________________________________________________________________。
专练50 物质的制备与性质实验
1.C A项,加入淀粉KI溶液后溶液变蓝,不一定是Br2氧化I-,也可能是过量的氯水氧化I-,不能得出Br2的氧化性大于I2的结论,错误;B项,蔗糖的水解液中含有稀硫酸,需要加碱中和后,才能加入新制的Cu(OH)2悬浊液并加热,错误;D项,加热后聚氯乙烯分解产生氯化氢等气体,而聚氯乙烯是氯乙烯加聚形成的,两个反应不是同一反应的正、逆反应,不能说明氯乙烯加聚是可逆反应,错误。
2.D NH4Cl受热分解能生成NH3和HCl,但试管口温度较低,NH3和HCl在试管口会重新生成NH4Cl,A项错误;铝片遇到冷浓硝酸钝化,不能用该方法制备NO2,B项错误;浓硫酸具有强氧化性,能和Na2S发生氧化还原反应生成S和SO2,不能生成H2S气体,C项错误;加热KClO3和MnO2的混合物可以制备O2,其中MnO2作催化剂,D项正确。
3.C NH3应使用向下排空气法收集,A项错误;图示装置不能用于固液反应制气体,B、D项错误;KClO3在MnO2催化下加热可生成O2,O2的密度比空气的大,可用向上排空气法收集,C项正确。
4.C 向待测液中滴加KSCN溶液,溶液若变成血红色,说明存在Fe3+,证明FeSO4被氧化,可以达到实验目的,A不符合题意;实验室利用二氧化锰与浓盐酸反应制备氯气,所得气体中含有HCl,故先将所得气体通入饱和食盐水中,除去HCl,再经过浓硫酸干燥,可得纯净、干燥的氯气,可以达到实验目的,B不符合题意;测定NaOH溶液的pH时,pH试纸不能润湿,否则会稀释待测液,使溶液碱性减弱,测得的pH偏小,不能达到实验目的,C符合题意;工业酒精中含有水,先加入生石灰除去水分,再进行蒸馏,可制备无水乙醇,可以达到实验目的,D不符合题意。
5.C 由最终得到FeCl3及其流程图可以知道,b为盐酸,若为硫酸会引入硫酸根杂质离子,故A错误;上述分析可以知道,操作Ⅰ、Ⅱ是过滤,操作Ⅲ是结晶,过滤,所用仪器不同,故B错误;滤液X,滤液Z中均含有FeCl2,c为氯气氧化亚铁离子为铁离子的反应为: 2Fe2++Cl2===2Fe3++2Cl-,故C正确;亚铁离子、氯离子都可以被高锰酸钾溶液氧化,用酸性KMnO4溶液不能检验溶液W中是否还有Fe2+,故D错误。
6.C 将SO2通入BaCl2溶液,不会产生白色沉淀,A错误;将浓硫酸滴入含少量水的蔗糖中,得黑色蓬松的固体及刺激性气味气体,该过程中浓硫酸体现吸水性、脱水性和强氧化性,B错误;金属钠与水反应比乙醇与水反应剧烈,说明羟基的活动性:水>乙醇,C正确;向10 mL 0.1 ml·L-1 NaOH溶液中加入1 mL 0.1 ml·L-1 MgCl2溶液,产生Mg(OH)2后,NaOH过量,所以再向混合液中滴加0.1 ml·L-1 CuCl2溶液产生蓝色沉淀,并不是Mg(OH)2沉淀转化成Cu(OH)2沉淀,D错误。
7.D 图甲中左侧盛放稀硫酸的试管侧面导管应有一个止水夹,且导管应插入液面以下,打开止水夹,利用Fe粉和稀硫酸反应产生的氢气排尽装置内的空气,之后关闭止水夹,将硫酸亚铁溶液压入氢氧化钠溶液中制取氢氧化亚铁,A项错误;氨气极易溶于水,应有防倒吸装置,且应先通入氨气,再通入二氧化碳,B项错误;碳酸氢钠稳定性较差,应放在温度较低的小试管中,C项错误;将胶头滴管中NaOH溶液挤入烧瓶中,若Cl2能溶于水或与NaOH溶液反应,则气球会鼓起来,D项正确。
8.D 加入碎瓷片能防止暴沸,A项正确;锡为第ⅣA族元素,SnI4为非极性分子,故SnI4可溶于CCl4中,B项正确;球形冷凝管下口进水,上口出水,C项正确;装置Ⅱ的主要作用是防止空气中的水蒸气进入反应装置中使产物水解,D项错误。
9.D 由图可知,盛放丙酸的仪器是恒压滴液漏斗,A项正确;为了保证冷凝效果,冷却水应从冷凝管的下口进入,上口流出,B项正确;酯化反应为可逆反应,加入过量乙醇,促进反应正向进行,可提高丙酸的平衡转化率,无水氯化钙可吸收反应生成的水,促进反应正向进行,也可提高丙酸的平衡转化率,C项正确;由题干可知,丙酸乙酯常温下呈液态,不溶于水,反应后的混合液经过滤、饱和Na2CO3溶液洗涤、分液可得到粗丙酸乙酯,D项错误。
10.答案:(1)滴液漏斗 三颈瓶 d
(2)反应放热,防止反应过快
(3)加热温度接近水的沸点,油浴更易控温
(4)2MnO eq \\al(\s\up11(-),\s\d4(4)) +5H2O2+6H+===2Mn2++8H2O+5O2↑
(5)取少量洗出液,滴加BaCl2,没有白色沉淀生成
(6)H+与Cl-电荷平衡,洗出液接近中性时,可认为Cl-洗净
解析:(1)结合图示装置可知仪器a、c分别为滴液漏斗和三颈烧瓶。仪器b为球形冷凝管,为使冷却水充满冷凝管,需从d口进水,e口出水。(2)结合步骤Ⅰ可知,KMnO4粉末与石墨粉的反应为放热反应,分批缓慢加入KMnO4粉末,并将三颈烧瓶置于冰水浴中降温,能防止反应过快。(3)步骤Ⅱ中加热温度为98 ℃,温度接近水的沸点,且持续时间较长,油浴更容易控温,故选择油浴更适宜。(4)结合步骤Ⅲ的实验现象可知加入的H2O2用于除去过量的KMnO4,其反应的离子方程式为2MnO eq \\al(\s\up11(-),\s\d4(4)) +5H2O2+6H+===2Mn2++8H2O+5O2↑。(5)检验洗出液中是否含有SO eq \\al(\s\up11(2-),\s\d4(4)) 时,可取少量洗出液,滴加BaCl2溶液,若溶液中没有白色沉淀生成,即可说明没有BaSO4生成,即SO eq \\al(\s\up11(2-),\s\d4(4)) 已洗涤干净。(6)步骤Ⅴ中用蒸馏水洗涤沉淀时,洗涤液中H+与OH-、Cl-电荷平衡,当洗出液接近中性时,可认为Cl-已洗净,故实验可用pH试纸检验Cl-是否洗涤干净。实验操作
现象
结论
A
向NaBr溶液中滴加过量氯水,再加入淀粉KI溶液
先变橙色,后变蓝色
氧化性:Cl2>Br2>I2
B
向蔗糖溶液中滴加稀H2SO4,水浴加热,加入少量新制的氢氧化铜悬浊液
无砖红色沉淀
蔗糖未发生水解
C
石蜡油加强热,将产生的气体通入Br2/CCl4溶液
溶液红棕色变无色
气体中含有不饱和烃
D
加热试管中的聚氯乙烯薄膜碎片
试管口润湿的蓝色石蕊试纸变红
氯乙烯加聚是可逆反应
气体
方法
A.
氨气
加热氯化铵固体
B.
二氧化氮
将铝片加到冷浓硝酸中
C.
硫化氢
向硫化钠固体滴加浓硫酸
D.
氧气
加热氯酸钾和二氧化锰的混合物
化学试剂
制备的气体
A
Ca(OH)2+NH4Cl
NH3
B
MnO2+HCl(浓)
Cl2
C
MnO2+KClO3
O2
D
NaCl+H2SO4(浓)
HCl
实验目的
实验设计
A
检验溶液中FeSO4是否被氧化
取少量待测液,滴加KSCN 溶液,观察溶液颜色变化
B
净化实验室制备的Cl2
气体依次通过盛有饱和NaCl溶液、浓H2SO4的洗气瓶
C
测定NaOH溶液的pH
将待测液滴在湿润的pH试纸上,与标准比色卡对照
D
工业酒精制备无水乙醇
工业酒精中加生石灰,蒸馏
实验
现象
结论
A
将SO2通入BaCl2溶液,然后滴入稀硝酸
产生白色沉淀,白色沉淀不消失
所得沉淀为BaSO3,后转化为BaSO4
B
将浓硫酸滴入含少量水的蔗糖中,并搅拌
得黑色蓬松的固体及刺激性气味气体
该过程中浓硫酸仅体现吸水性和脱水性
C
用黄豆粒大小的金属钠分别与水、乙醇反应
前者反应更剧烈
羟基的活动性:水>乙醇
D
向10 mL 0.1 ml·L-1 NaOH溶液中加入1 mL 0.1 ml·L-1 MgCl2溶液,再向混合液MgCl2中滴加0.1 ml·L-1 CuCl2溶液
产生蓝色沉淀
Cu(OH)2比Mg(OH)2更难溶
高考化学《微专题 小练习》统考版 专练 50: 这是一份高考化学《微专题 小练习》统考版 专练 50,共4页。试卷主要包含了化学是以实验为基础的科学等内容,欢迎下载使用。
新高考2024版高考化学一轮复习微专题小练习专练50物质的制备与性质实验: 这是一份新高考2024版高考化学一轮复习微专题小练习专练50物质的制备与性质实验,共6页。试卷主要包含了选择题,非选择题等内容,欢迎下载使用。
统考版2024版高考化学一轮复习微专题小练习专练50物质的制备与性质实验: 这是一份统考版2024版高考化学一轮复习微专题小练习专练50物质的制备与性质实验,共5页。试卷主要包含了化学是以实验为基础的科学等内容,欢迎下载使用。

