物理八年级下 广东省湛江二中年级8下学期期末考试物理试题
展开
说 明:
01、全卷共4页,考试时间70min,满分100分;
02、答题前,请认真阅读答题卡上的“注意事项”,然后按要求将答案写在答题卡相应的位置上;
03、请考生保持答题卡的整洁,考试结束时,只需交答题卡。
一、单项选择题(每小题3分,共计21分。每小题有且仅有一个选项是正确的)
01、以下选项中质量最接近50g的是 ( )
A.一只鸡蛋 B.一只母鸡 C.一个乒乓球 D.一张课桌
02、如图01所示的四种情景中,属于光的直线传播的是 ( )
03、下面哪种做法是为了减小摩擦 ( )
A.在鞋底、轮胎上刻有凹凸不平的花纹 B.用滚动摩擦代替滑动摩擦
C.下雨天在泥泞的路面上撒些炉渣或沙子 D.增大压力和增大接触面之间的粗糙程度
04、下面哪种说法是错误的 ( )
A.马德堡半球的实验表明存在大气压 B.帕斯卡概括出力学的惯性规律
C.阿基米德发现了浮力的计算方法 D.托里拆利实验测出了大气压强的值
05、下面关于杠杆的说法.正确的是 ( )
A.硬的直棒就是杠杆 B.费力杠杆的动力臂比阻力臂长
C.等臂杠杆既不省力也不费力 D.从支点到阻力作用点的连线叫阻力臂
06、下列做法为了减小压强的是 ( )
A. 注射器的针尖很尖 B.缝衣针做得很细
C. 铁路钢轨铺在枕木上 D.菜刀的刀口很薄
07、潜水员完全进入水中后,下潜的过程中,他所受到的 ( )
A.浮力逐渐增大,压强逐渐增大 B.浮力逐渐增大,压强逐渐减小
C.浮力不变,压强不变 D.浮力不变,压强逐渐增大
二、双项选择题(每小题4分,共计12分。每小题有且仅有两个选项是正确的)
08、下列说法中正确的是 ( )
A.物体位置越高,速度越大,机械能就越大 B.冰熔化成水时,内能增加
C.物体内能减少,一定是对外做了功 D.物体温度升高,一定是吸收了热量
09、下列说法正确的是 ( )
A.用水桶从井中提水的时候,对桶做的功是有用功
B.用水桶从井中提水的时候,对水做的是总功
C.桶掉到井里,从井里把桶捞上来的时候,对桶做的功是有用功
D.桶掉到井里,从井里把桶捞上来的时候,桶里带了一些水,对桶和水做的功是总功
10、下面哪两个力是平衡力 ( )
A.用钓鱼杆把钓到的鱼从水里拉上来时,拉力和鱼的重力
B.汽车在平直道路上作匀速直线运动时,受到的牵引力和阻力
C.用很大的力气推箱子,箱子没被推动,人的推力和箱子受到的摩擦力
D.放在桌面上的电视机,电视机受到的重力和桌面受到的压力
三、填空题(每空1分,共计15分)
11、正在行驶的汽车关闭发动机后,由于 仍然向前运动,但汽车的速度将
(选填“变大”、“变小”、“不变”),这是由于汽车受到 的缘故。
12、长期堆放煤的墙角,在地面和墙内有相当厚的一层会变成黑色,这是一种 现象;取两块表面磨平、干净的铅块,使之紧密接触,铅块就能结合在一起,在它下面还可挂重物,这个实验说明分子间存在着 力.平常的固体和液体都很难被压缩,这间接地说明分子间还存在着 力.
13、城市中随处可见的违章“小广告”,严重影响城市市容市貌。小敏和同学一起用砂纸清除那些违章“小广告”,砂纸的表面很粗糙是为了 (选填“增大”、“减小”)摩擦力,过了一会小敏感觉砂纸发热,是因为机械能转化为 能,这是通过 的方式改变的。[来源:Z#xx#k.Com]
14、在水平桌面上,将重为20N的木块沿直线匀速向前推了5m,所用的推力为4N,此时木块受到的摩擦力为 N,则推力所做的功是 J,重力所做的功为 J.
15、汽车上的散热器用水作为冷却剂,这是利用了水 较大的性质。用凉水冷却滚热的鸡蛋,鸡蛋的内能是通过 的方式改变的。若水的质量是1kg,初温为200C,鸡蛋取出时水的温度为300C,水吸收的的热量为 J(c水=4.2×103J/(kg·0C ))
四、作图题(每题2分,共计6分)
16、如图02所示,请根据凸透镜的性质完成光路图;
17、如图03所示,请画出在地面上滚动的足球所受重力的示意图;
18、如图04所示,请分别画出下列F1、F2的力臂L1、L2;
五、实验题(19、20题每空1分,21题每空2分,共计18分)
19、小明同学为探究压力的作用效果与哪些因素有关时,用了完全相同的四块砖和完全相同的三块海绵,做了如图05所示的三个实验。
(1)通过实验图甲,可以得出:力能使物体发生 ,小明是根据
来比较压强的;
(2)通过对比图中甲、乙,可以得出:在受力面积一定时, 越大,压强越大;
(3)通过对比图中甲、丙,可以得出:在压力一定时, 越小,压强越大。
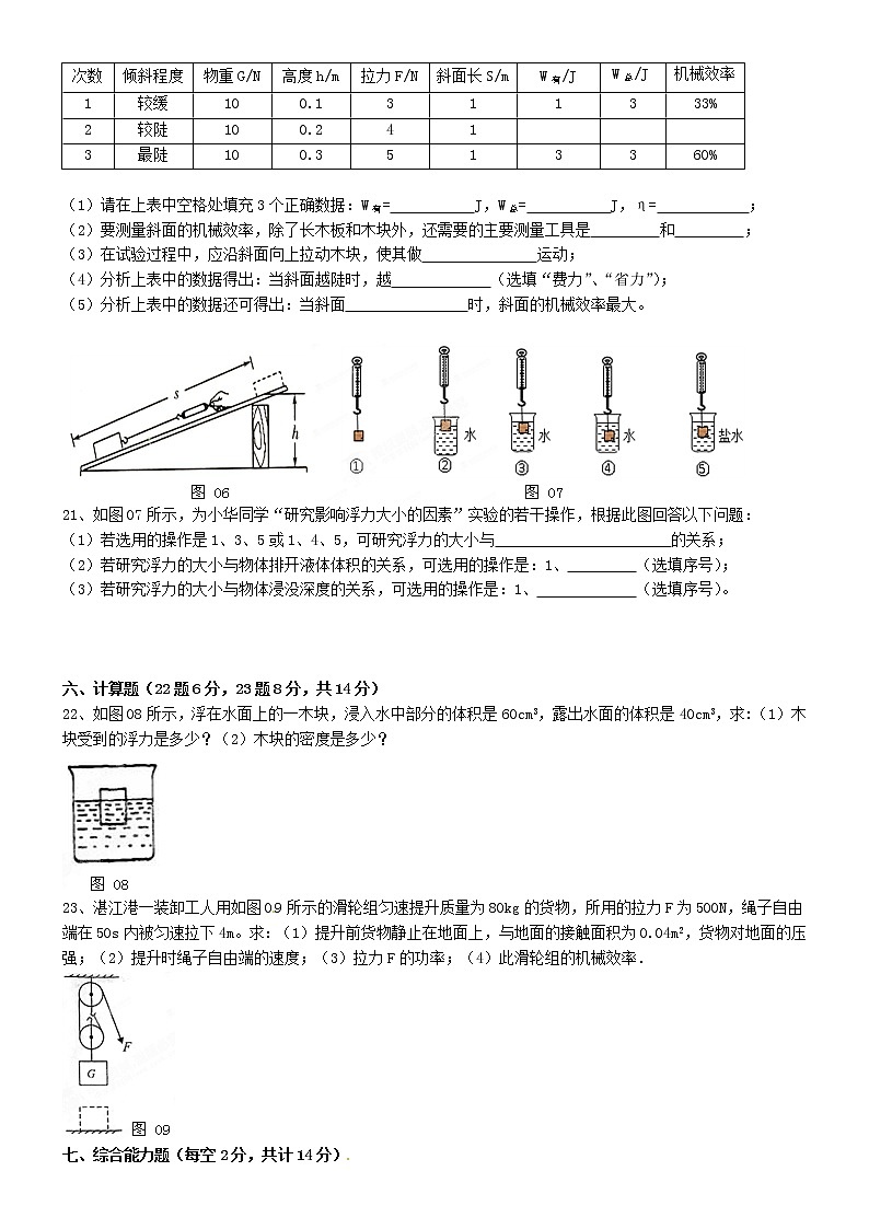
20、如图06所示,是探究“斜面的机械效率”的实验装置,下表是该组同学记录的部分实验数据。
次数 | 倾斜程度 | 物重G/N | 高度h/m | 拉力F/N | 斜面长S/m | W有/J | W总/J[来源:Zxxk.Com] | 机械效率[来源:Zxxk.Com] |
1 | 较缓 | 10 | 0.1 | 3 | 1 | 1 | 3 | 33% |
2 | 较陡 | 10 | 0.2 | 4 | 1 |
|
|
|
3 | 最陡 | 10 | 0.3 | 5 | 1 | 3 | 3 | 60% |
(1)请在上表中空格处填充3个正确数据:W有= J,W总= J,η= ;
(2)要测量斜面的机械效率,除了长木板和木块外,还需要的主要测量工具是 和 ;
(3)在试验过程中,应沿斜面向上拉动木块,使其做 运动;
(4)分析上表中的数据得出:当斜面越陡时,越 (选填“费力”、“省力”);
(5)分析上表中的数据还可得出:当斜面 时,斜面的机械效率最大。
21、如图07所示,为小华同学“研究影响浮力大小的因素”实验的若干操作,根据此图回答以下问题:
(1)若选用的操作是1、3、5或1、4、5,可研究浮力的大小与 的关系;
(2)若研究浮力的大小与物体排开液体体积的关系,可选用的操作是:1、 (选填序号);
(3)若研究浮力的大小与物体浸没深度的关系,可选用的操作是:1、 (选填序号)。
六、计算题(22题6分,23题8分,共14分)
22、如图08所示,浮在水面上的一木块,浸入水中部分的体积是60cm3,露出水面的体积是40cm3,求:(1)木块受到的浮力是多少?(2)木块的密度是多少?
23、湛江港一装卸工人用如图09所示的滑轮组匀速提升质量为80kg的货物,所用的拉力F为500N,绳子自由端在50s内被匀速拉下4m。求:(1)提升前货物静止在地面上,与地面的接触面积为0.04m2,货物对地面的压强;(2)提升时绳子自由端的速度;(3)拉力F的功率;(4)此滑轮组的机械效率.
七、综合能力题(每空2分,共计14分)
24、小红猜想动能的大小可能与物体质量和运动速度有关,于是设计了如图10甲、乙所示的实验,探究动能的大小与哪些因素有关。
(1)让质量相同的两个小球沿同一光滑斜面分别从A处和B处开始向下运动,然后与放在水平面上的纸盒相碰,纸盒在水平面上移动一段距离后静止,如图10甲所示。
(2)让不同质量的两个小球沿同一光滑斜面分别从B处开始向下运动,然后与放在水平面上的纸盒相碰,纸盒在水平面上移动一段距离后静止,如图10乙所示,分析上述甲、乙两组实验,回答以下问题:
A、如图10乙所示,实验时让不同质量的两个小球从同一高度滚下的目的是两球到达水平面时,具有相同的 。此过程中小球的 能转化为小球的动能;
B、选用如图10甲探究的是动能与 的关系,得出的结论是: 。
C、选用如图10乙探究的是动能与 的关系,得出的结论是: 。
D、物理研究方法有许多,如等效替代法、转化法、类比法、控制变量法;本实验中运用了两种研究方法,一是转化法、二是 法,就是用纸盒移动的距离长短来表示小球动能的大小。
湛江二中2012-2013学年第二学期初二级第四次月考
物理试卷(参考答案)
命题人:LEX 审题人:LSM
说 明:
01、全卷共4页,考试时间70min,满分100分;
02、答题前,请认真阅读答题卡上的“注意事项”,然后按要求将答案写在答题卡相应的位置上;
03、请考生保持答题卡的整洁,考试结束时,只需交答题卡。
[来源:Z|xx|k.Com]
广东省湛江市2024年八年级下学期期末考试物理试题附参考答案: 这是一份广东省湛江市2024年八年级下学期期末考试物理试题附参考答案,共12页。
广东省湛江市麻章区八年级2022-2023学年下学期期末考试物理试题: 这是一份广东省湛江市麻章区八年级2022-2023学年下学期期末考试物理试题,文件包含广东省湛江市麻章区八年级下学期期末考试物理试题原卷版docx、广东省湛江市麻章区八年级下学期期末考试物理试题解析版docx等2份试卷配套教学资源,其中试卷共30页, 欢迎下载使用。
广东省湛江市雷州市第二中学2022-2023学年八年级下学期5月月考物理试题: 这是一份广东省湛江市雷州市第二中学2022-2023学年八年级下学期5月月考物理试题,共4页。

