2021-2022学年初中物理人教版八年级下册期末复习实验题专项练(含答案)
展开
这是一份2021-2022学年初中物理人教版八年级下册期末复习实验题专项练(含答案),共11页。试卷主要包含了实验题等内容,欢迎下载使用。
1.如图所示是小李同学做“验证阿基米德原理”实验的情景。实验步骤如下:
①在弹簧测力计下悬挂一块金属块,记下测力计的示数的大小,即金属块所受的_________;
②在量筒中盛适量的水,记下水面的示数;
③将金属块浸没在水中,记下此时量筒内水面的示数 及测力计示数;
在此实验中,浮力的大小可以直接由_____________表示出来,量筒内液面的两次示数差表示___________。若用表示水的密度,通过实验可以发现____________和____________的值是相等的,从而验证了阿基米德原理。(最后两空用题中字母表示)
2.地球附近物体都要受到重力,某实验小组的同学们认为物体的重力大小与物体的质量有关,他们用天平、钩码、弹簧测力计进行了如下的探究:
(1)如图甲所示是同学们第4次测量中弹簧测力计的读数,该测力计的分度值是______N,此时测力计的示数是______N;
(2)同学们将实验数据记录在下表中,请你根据表格中的实验数据,在图乙中作出重力随质量变化的图像;______
(3)根据图像可以得出的结论是______。
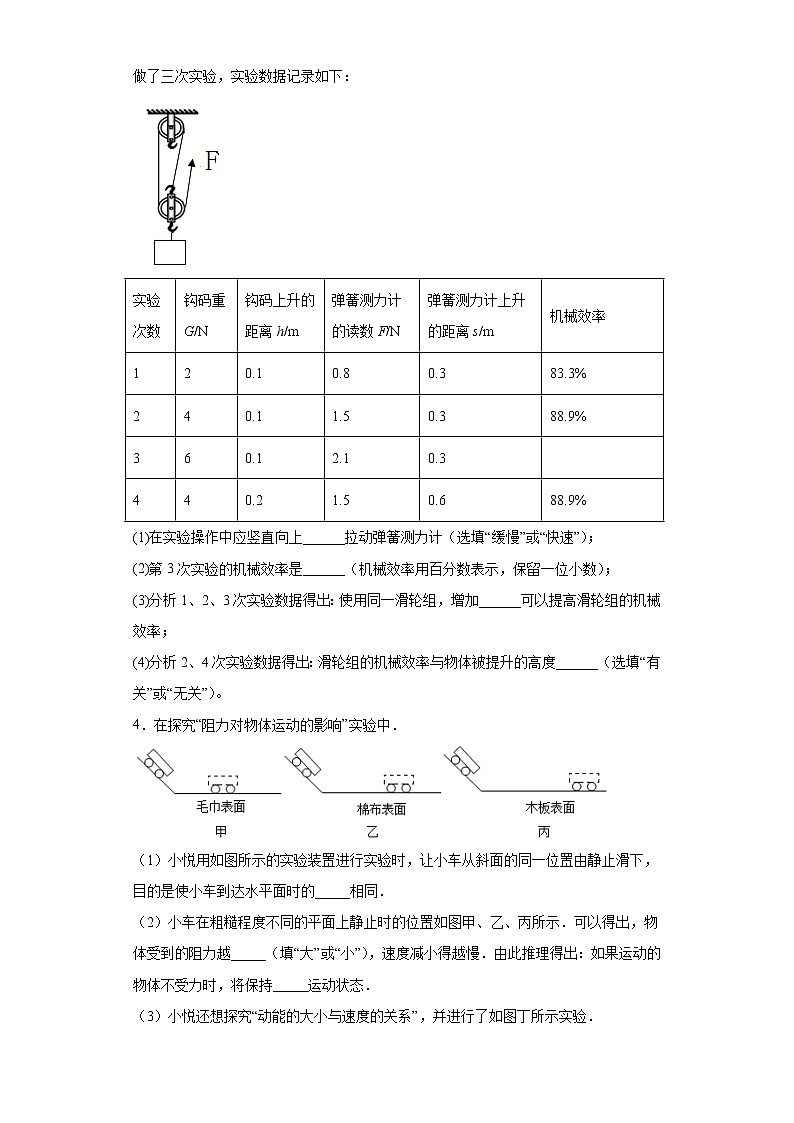
3.在“探究影响滑轮组机械效率的因素”实验中,某同学用如图所示的同一滑轮组分别做了三次实验,实验数据记录如下:
(1)在实验操作中应竖直向上______拉动弹簧测力计(选填“缓慢”或“快速”);
(2)第3次实验的机械效率是______(机械效率用百分数表示,保留一位小数);
(3)分析1、2、3次实验数据得出:使用同一滑轮组,增加______可以提高滑轮组的机械效率;
(4)分析2、4次实验数据得出:滑轮组的机械效率与物体被提升的高度______(选填“有关”或“无关”)。
4.在探究“阻力对物体运动的影响”实验中.
(1)小悦用如图所示的实验装置进行实验时,让小车从斜面的同一位置由静止滑下,目的是使小车到达水平面时的_____相同.
(2)小车在粗糙程度不同的平面上静止时的位置如图甲、乙、丙所示.可以得出,物体受到的阻力越_____(填“大”或“小”),速度减小得越慢.由此推理得出:如果运动的物体不受力时,将保持_____运动状态.
(3)小悦还想探究“动能的大小与速度的关系”,并进行了如图丁所示实验.
①让小车从斜面上的_____(填“相同”或“不同”)高度由静止滑下,撞击木块.观察木块移动的距离,并得出结论.
②实验中发现两次木块移动距离都较近,于是用木板代替毛巾进行实验.这样就可以在_____相同时,通过减小接触面的_____来减小木块与平面的滑动摩擦力,使木块移动距离较远,实验现象更明显.
5.小强同学利用U型管压强计和装有水的大烧杯来探究液体内部压强的特点:
(1)为了顺利完成该实验,除了图甲中的器材外,还需要用到的测量工具是______。
(2)实验前他注意到U型管两边的液面已处于同一水平线上,如图甲;当他将金属盒浸没于水中后,发现如图乙所示的情景,则装置可能出现的问题是______。
(3)排除故障后,他重新将金属盒浸没于水中,如图丙、丁,由此可知液体内部压强与______有关;进一步分析可得出初步结论:______。
(4)他又将烧杯中加入了一定量的浓盐水,为了使探头与加盐水前的深度相同,应将探头位置______(选填“上移”、“下移”或“不变”),并且观察到U型管内液柱的高度差变______。
6.小宇按照如图所示的操作,探究影响浮力大小的因素.
(1)a、b两图中,b图弹簧测力计示数较小,是因为物体受到了_______力的作用;
(2)物体全部浸没在水中时,受到的浮力是_______N;
(3)由b、c两图可得出结论:物体受到的浮力大小与_______有关;
(4)由c图和_______图可得出结论:物体受到的浮力大小与物体浸没在液体中的深度无关;
(5)由d、e两图可得出结论:物体受到的浮力大小与液体的_______有关.
7.小明利用实验小桌、沙箱、质量不同的重物A、B和C,探究重力势能的大小与哪些因素有关。如图所示,将重物从高处(图中水平虚线处)由静止释放,重物自由下落撞击小桌后立即与小桌一起向下运动。已知各次实验中小桌初始时桌腿陷入沙子中的深度相同,图中所画出的状态是桌腿最终静止在沙子中的位置。观察各次实验中桌腿陷入沙子中的深度情况,便可知物体开始下落时的重力势能大小的关系。已知实验中三个重物的质量关系为,重物下落的距离远大于重物的厚度和小桌陷入沙子中的深度。请观察甲、乙、丙、丁所示的实验操作与小桌最终陷入沙子中的结果,按要求回答下列问题:
(1)比较___________两次的实验结果可知,物体的重力势能与物体被举高的高度有关;
(2)比较甲、丙、丁可知,物体的重力势能与物体的质量有关:___________相同的物体,质量越大,它的重力势能越大;
(3)设乙实验操作中物体A释放前的重力势能为,丁实验操作中物体C释放前的重力势能为,则___________(选填“大于”“小于”或“等于”)。
8.在探究“重力势能的大小与哪些因素有关”的实验中,已知木块A、B、C的质量关系为mA=mB
相关试卷
这是一份2021-2022学年初中物理人教版八年级下册期末复习填空题专项练(含答案),共14页。试卷主要包含了填空题等内容,欢迎下载使用。
这是一份2021-2022学年初中物理人教版八年级下册期末复习填空题专项练(含答案),共13页。试卷主要包含了填空题等内容,欢迎下载使用。
这是一份2021-2022学年初中物理人教版八年级下册期末复习计算题专项练(含答案),共20页。试卷主要包含了计算题等内容,欢迎下载使用。

