2021年江西省抚州市临川一中暨临川实验中学高考物理三模试卷(6月份)(含答案解析)
展开2021年江西省抚州市临川一中暨临川实验中学高考物理三模试卷(6月份)
- 自由落体实验是物理学史上著名的实验之一,某同学在课余时间重现自由落体实验,他让小球从一近似光滑的斜面上的最高点由静止滚下,利用滴水计时的方法记录小球运动的时间。保持其它条件不变,依次增大斜面倾角,共做了五次实验每变一次倾角记为一次实验,下列说法正确的是
A. 这五次实验滴水计时的时间可能越来越长
B. 这五次实验小球运动的平均速率可能相等
C. 伽得略通过对自由落体运动的研究,进行合理外推得出小球在斜面上做匀变速运动
D. 伽得略通过对研究小球在斜面上的运动,进行合理外推得出自由落体运动是匀变速直线运动
- 质量为M的半球形物体A和质量为m的球形物体B紧靠着放在倾角为的固定斜面上,并处于静止状态,如图所示,忽略B球表面的摩擦力,则关于物体受力情况的判断正确的是
A. 物体A对物体B的弹力方向沿斜面向上
B. 物体A受到的静摩擦力大小为
C. 物体B对物体A的压力大于
D. 物体B对斜面的压力等于
- 高速公路的ETC电子收费系统如图所示,ETC通道的长度是识别区起点到自动栏杆的水平距离,总长为。某汽车以的速度匀速进入识别区,ETC天线用了的时间识别车载电子标签,识别完成后发出“滴”的一声,司机发现自动栏杆没有抬起,于是紧急刹车,汽车恰好没有撞杆。已知司机的反应时间为,则刹车的加速度大小为
A. B. C. D.
- 如图为含有理想变压器的电路,图中电流表均为理想电表,三个灯泡电阻相同且不变。变压器原线圈两端接入有效电压为18V的正弦交流电,开关S闭合时,均能发光。当开关S断开后,电流表示数改变了,示数改变了,则下列说法正确的是
A. 变压器原副线圈的匝数比为1:2
B. 开关S断开后,副线圈两端的输出电压变大
C. 开关S断开后,灯泡的功率减小
D. 开关S断开后,灯泡减小的功率大于
- 2020年7月23日,中国“天问一号”探测器发射升空,开启了火星探测之旅。已知火星的直径约为地球的一半,质量约为地球的,自转轴倾角、自转周期与地球很接近,但公转周期是地球的两倍。由以上信息判断下列说法正确的是
A. 火星的表面重力加速度约为地球的倍
B. 火星的第一宇宙速度约为
C. 火星公转轨道的半长轴约为地球的2倍
D. 火星的同步卫星轨道半径约为地球的
- 如图所示,三个带电小球A、B、C可视为点电荷,所带电量分别为、、,A、B固定在绝缘水平桌面上,C带有小孔,穿在摩擦因数处处相同的粗糙的绝缘直杆上,绝缘杆竖直放置在A、B连线的中点处,将C从杆上某一位置由静止释放,下落至桌面时速度恰好为零。C沿杆下滑时带电量保持不变,那么C在下落过程中,以下判断正确的是
A. 所受摩擦力变大 B. 电场力做正功
C. 电势能不变 D. 下落一半高度时速度一定最大
- 从地面上以初速度竖直上抛一质量为m的小球,一段时间后落回地面,小球运动的速度随时间变化的规律如图所示。若运动过程中小球受到的阻力与其速率成正比,为小球再次落回地面的速率,重力加速度大小为g。下列说法中正确的是
A. 小球上升过程中的平均速度小于
B. 整个过程中阻力做功为
C. 小球上升和下降过程中重力的冲量大小相等
D. 小球上升和下降过程中阻力的冲量大小相等
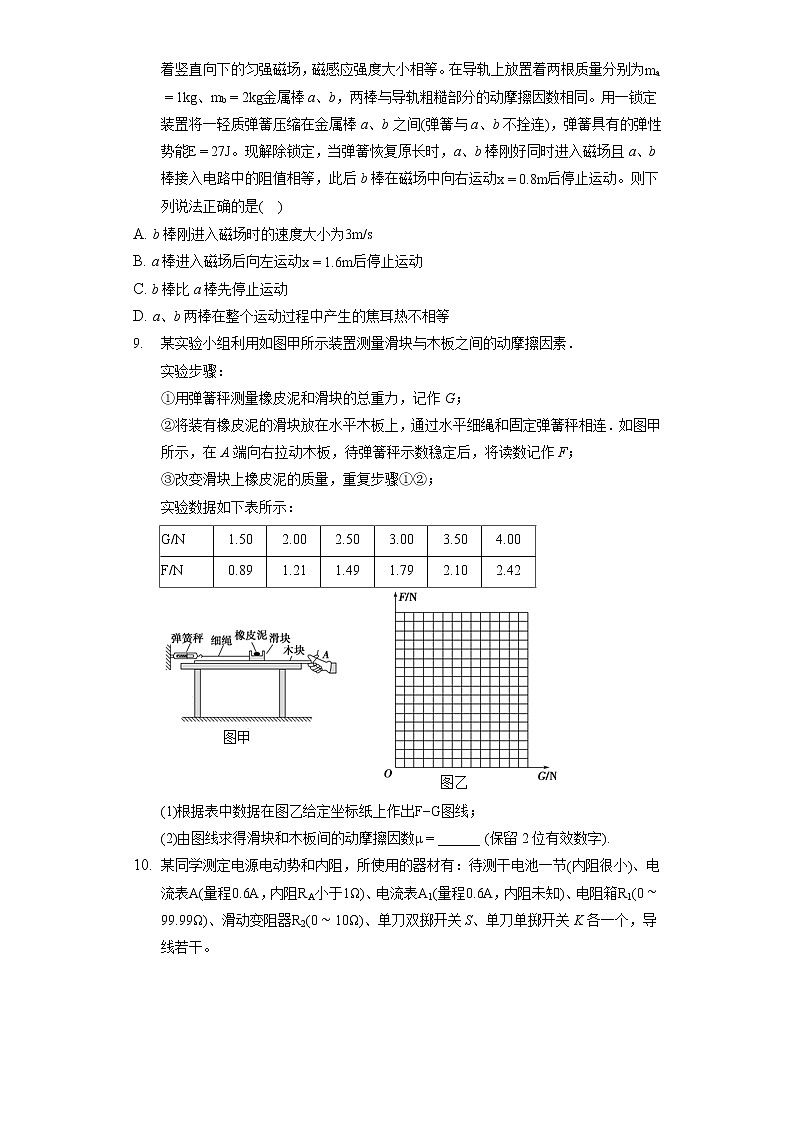
- 如图所示,两根互相平行的固定金属导轨MN、PQ水平放置,足够长且不计电阻。导轨AC、BD段光滑,其它部分粗糙,AB的左侧和CD的右侧存在着竖直向下的匀强磁场,磁感应强度大小相等。在导轨上放置着两根质量分别为、金属棒a、b,两棒与导轨粗糙部分的动摩擦因数相同。用一锁定装置将一轻质弹簧压缩在金属棒a、b之间弹簧与a、b不拴连,弹簧具有的弹性势能。现解除锁定,当弹簧恢复原长时,a、b棒刚好同时进入磁场且a、b棒接入电路中的阻值相等,此后b棒在磁场中向右运动后停止运动。则下列说法正确的是
A. b棒刚进入磁场时的速度大小为
B. a棒进入磁场后向左运动后停止运动
C. b棒比a棒先停止运动
D. a、b两棒在整个运动过程中产生的焦耳热不相等
- 某实验小组利用如图甲所示装置测量滑块与木板之间的动摩擦因素.
实验步骤:
①用弹簧秤测量橡皮泥和滑块的总重力,记作G;
②将装有橡皮泥的滑块放在水平木板上,通过水平细绳和固定弹簧秤相连.如图甲所示,在A端向右拉动木板,待弹簧秤示数稳定后,将读数记作F;
③改变滑块上橡皮泥的质量,重复步骤①②;
实验数据如下表所示:
根据表中数据在图乙给定坐标纸上作出图线;
由图线求得滑块和木板间的动摩擦因数______ 保留2位有效数字
- 某同学测定电源电动势和内阻,所使用的器材有:待测干电池一节内阻很小、电流表量程,内阻小于、电流表量程,内阻未知、电阻箱、滑动变阻器、单刀双掷开关S、单刀单掷开关K各一个,导线若干。
该同学按图甲所示电路图进行实验操作。
测电流表A的内阻:闭合开关K,将开关S与______ 选填“C”或“D”接通,通过调节电阻箱和滑动变阻器,读取电流表A的示数为、电流表的示数为、电阻箱的示数为,则电流表A的内阻______ 。保留两位有效数字
测电源的电动势和内阻:断开开关K,调节电阻箱,将开关S接C,记录电阻箱的阻值和电流表A的示数;断开开关K,开关S所接位置不变,多次调节电阻箱重新实验,并记录多组电阻箱的阻值R和电流表A的示数I。
数据处理:图乙是由实验数据绘出的图像,获得图像的斜率为k,轴的截距为b,由此求出干电池的电动势______ 、内阻______ 均用字母k、b、表示。 - 2022年冬奥会将在我国举办,吸引了大量爱好者投入到冰雪运动中。如图所示,一滑雪运动员在忽略空气阻力的情况下,自A处由静止下滑,经B点越过宽为d的横沟到达平台C时,其速度刚好沿水平方向,已知A、B两点的垂直高度为20m。坡道在B点的切线方向与水平面成角,,运动员的质量,重力加速度的大小取。求:
、C点的垂直高度差h及沟宽d;
整个过程中运动员机械能的减少量。
- 在芯片制造过程中,离子注入是其中一道重要的工序,如图甲所示是离子注入工作原理的示意图,静止于A处的离子,经电压为U的加速电场加速后,沿图中圆弧虚线通过半径为的圆弧形静电分析器静电分析器通道内有均匀辐向分布的电场后,从P点沿竖直方向进入半径为r的圆形匀强磁场区域,该圆形磁场区域的直径PQ与竖直方向成,经磁场偏转,最后打在竖直放置的硅片上,离子的质量为m、电荷量为q,不计离子重力。求:
离子进入圆形匀强磁场区域时的速度大小v;
静电分析器通道内虚线处电场强度的大小;
若磁场方向垂直纸面向外,离子从磁场边缘上某点出磁场时,速度方向与直径PQ垂直,求圆形区域内匀强磁场的磁感应强度的大小;
若在该圆形区域内加如图乙所示交变的磁场图中大小未知、方向垂直纸面,且以垂直于纸面向外为正方向,当离子从时进入圆形磁场区域时,最后从Q点飞出,水平向右垂直打在硅片上,请写出磁场变化周期T满足的关系表达式。
- 以下说法正确的是
A. 有些晶体是各向同性的
B. 布朗运动的剧烈程度与温度有关,所以布朗运动也叫分子热运动
C. 内能相等的两个物体相互接触,也可能发生热传递
D. 对于一定种类的大量气体分子,在温度一定时,处于一定速率范围内的分子数所占的百分比是确定的
E. 随着科技的进步,人类一定能制造出从单一热源吸收热量使之完全转化为功而不产生其它影响的热机
- 如图所示,体积为的导热性能良好的容器中充有一定质量的理想气体,室温为,外界大气压强等于。有一光滑导热活塞活塞密封性好且体积忽略不计将容器分成A、B两室,其重力大小等于为活塞横截面积。开始时,B室的体积是A室的3倍,B室内气体压强为外界大气压的2倍,B室容器顶部连接有一阀门K,可与大气相通。
①将阀门K打开,待系统稳定后,求此时A室的体积;
②在①问的前提下,再将A室内的气体加热到900K,求此时A室中气体压强。
- 如图甲所示,在同种均匀介质中,A、B两波源分别位于和处,时刻起两波源开始振动,其振动图像如图乙所示。已知A波的波长为2m,则下列说法正确的是
A. 两列波不能发生干涉
B. 两列波的波速之比为::1
C. B波的波长为4m
D. 时,A、B两波开始相遇
E. 时,处的质点位移
如图所示是一透明的圆柱体的横截面,其半径为R,折射率为,AB是一条直径,今有一束光沿平行AB方向射向圆柱体。已知光线a与AB直线的垂直距离为,光在真空中的传播速度为c,求:
①光线a刚进入圆柱体时的折射角;
②光线a在圆柱体中的传播时间不考虑光在圆柱体中的反射情况。
答案和解析
1.【答案】D
【解析】解:A、设斜面得长度为L,斜面得倾角为,小球在斜面上只受到重力与斜面得支持力,合力提供加速度,结合受力分析可知小球受到的合力为,结合牛顿第二定律可得:,由:可得小球运动的时间:,可知斜面得倾角越大,则小球运动的时间越短,依次增大斜面倾角,共做了五次实验,则这五次实验滴水计时的时间越来越短,故A错误;
B、根据可知,这五次实验小球运动的平均速率越来越大,故B错误;
CD、根据物理学史可知,伽利略通过对研究小球在斜面上的运动,进行合理外推得出自由落体运动是匀变速直线运动,故C错误,D正确。
故选:D。
结合牛顿第二定律,判断小球下落得时间与斜面得倾角的关系即可;根据平均速率的定义式判断即可;结合伽利略对自由落体运动的研究,了解其研究过程、采用的方法、其科学的思维以及得出的结论.
本题考查物理学史,是常识性问题,对物理学的发展史要了解,特别是一些物理学家对物理学史的贡献更应当了解,属于物理常识,要加强记忆.
2.【答案】C
【解析】解:A、对物体B分析,受到重力,斜面对物体B的支持力,和物体A对B的弹力,垂直于两者的接触面指向物体B,故物体A对物体B的弹力方向不是沿斜面向上,故A错误;
B、对AB整体受力分析,沿斜面方向,根据共点力平衡可知,故B错误;
CD、对物体B,根据共点力平衡可知:,
解得:,
故C正确,D错误;
故选:C。
先对物体B受力分析,根据平衡条件判断出A对B的弹力,和斜面对B的支持力情况,再结合结合牛顿第三定律求得B对A的压力。
本题主要考查了受力分析和共点力平衡,关键是时正确的选取研究对象和利用好整体法和隔离法即可。
3.【答案】C
【解析】解:设刹车的加速度为a,则由题意可得
汽车以的速度匀速运动,其在ETC天线识别时间内位移为
在司机的反应时间内汽车的位移为
在司机反应后,汽车匀减速运动的位移为
根据题意
联立代入数据可得
故C正确,ABD错误。
故选:C。
结合题意先求出ETC天线识别时间内和反应时间内的汽车位移,再利用运动学公式求出汽车匀减速的加速度。
在处理运动学涉及到反应时间问题时,要注意在反应时间内物体一直保持原来的运动状态。在本题中汽车在司机反应时间内一直在做匀速直线运动。
4.【答案】D
【解析】解:A、根据变压器变流比得:即,原副线圈的匝数比为1:2,故A错误。
B、输入电压不变,匝数不变,根据变压器变压规律知输出电压不变,故B错误。
C、开关S断开后,副线圈电阻变大,输入电压不变,匝数不变,根据变压器变压规律知输出电压不变,所以输出端的电流减小,则灯泡的电压变小,所以灯泡的电压变大,根据可知灯泡的功率变大,故C错误。
D、在原线圈,输入功率减少,,在副线圈,电键由闭合到断开,通过灯泡的电流减少,故其功率减少,灯泡的电压增大,故其功率增大,因为变压器的输入功率等于输出功率,故输出功率减小了,所以灯泡L,减小的功率大于。故D正确。
故选:D。
根据变压器变流比确定匝数比;输入电压不变,匝数不变,根据变压器变压规律知输出电压不变;开关S断开后,副线圈电阻变大,所以根据可知,灯泡的功率变大;在原线圈,输入功率减少,因为变压器的输入功率等于输出功率,故输出功率减小,根据功率关系确定减小的功率与之间的关系。
掌握变压器的变压、变流特点,另外注意理想变压器的输入功率和输出功率之间的关系。
5.【答案】B
【解析】解:A、设星球的质量为M,半径为R,星球表面重力加速度为g,根据重力等于万有引力得,得
则火星表面与地球表面重力加速度之比:,则火星的表面重力加速度约为地球的倍,故A错误;
B、根据得星球的第一宇宙速度为,则火星的第一宇宙速度与地球的第一宇宙速度之比:,则火星的第一宇宙速度为,故B正确;
C、根据开普勒第三定律得火星公转轨道的半长轴与地球公转轨道的半长轴之比:,即火星公转轨道的半长轴为地球的倍,故C错误;
D、星球同步卫星的运行周期等于星球的自转周期,根据万有引力提供向心力,得,得星球同步卫星的轨道半径:,因为火星的自转周期与地球接近,则火星的同步卫星轨道半径与地球的同步卫星轨道半径之比:,故D错误。
故选:B。
根据重力等于万有引力列式,得到星球表面重力加速度表达式,再求解火星表面与地球表面重力加速度之比;根据万有引力提供向心力,求火星的第一宇宙速度;根据开普勒第三定律求火星和地球公转半径关系;根据万有引力提供向心力求火星的同步卫星轨道半径与地球的同步卫星轨道半径关系。
解答本题时,要建立运动模型,抓住万有引力提供向心力和万有引力等于重力这两条思路进行处理。要熟练运用比例法进行解答。
6.【答案】AC
【解析】
【分析】
明确等量异种点电荷的电场线的分布及两电荷连线中垂线上电场强度及电势的特点,受到的摩擦力判断摩擦力的大小变化。
本题主要考查了等量异种电荷产生的电场分布及在两电荷垂直平分线上的电场的特点,明确在下滑过程中摩擦力越来越大摩擦力做功越来越多即可。
【解答】
A、AB为等量异种点电荷,故产生的电场在AB连线垂直平分线上,从垂足向两侧场强逐渐减小,且为等势面,电荷C在下滑的过程中,受到的电场力为,将逐渐增大,受到的摩擦力为,故受到的摩擦力增大,故A正确;
BC、小球在下滑过程中沿等势面运动,故电场力不做功,电势能不变,故B错误,C正确;
D、当摩擦力随下落高度是增加的越来越快,最大速度才在一半高度以下。如果摩擦力随距离变化增加地越来越慢,最大速度点是在中点以上。如果摩擦力随距离变化增加不变,那最大速度就在中点,故D错误;
故选:AC。
7.【答案】AD
【解析】解:A、若小球上升过程做初速度为、末速度为0的匀减速直线运动,其平均速度为。根据图像与时间轴所围的面积表示位移,知小球上升过程通过的位移小于匀减速直线运动的位移,则小球上升过程中的平均速度小于匀减速直线运动的平均速度,故A正确;
B、在整个过程,根据动能定理得阻力做功:,故B错误;
C、由于同一位置时小球上升的速度大于下降的速度,所以上升过程的平均速度大于下降过程的平均速度,而两个过程的位移大小相等,所以,小球上升的时间短下降时间,根据重力的冲量:,可知,小球上升过程重力的冲量小于下降过程中重力的冲量,故C错误;
D、上升过程中阻力的冲量大小,式中k是比例系数,是常数,h是上升的最大高度;同理可得下降过程中阻力的冲量大小,故小球上升和下降过程中阻力的冲量大小相等,故D正确。
故选:AD。
将小球的运动与匀减速直线运动对比,分析两者位移关系,从而确定小球上升过程中的平均速度大小;对整个过程,利用动能定理求阻力做功;根据上升和下降过程时间关系分析重力冲量的大小。根据阻力平均值与时间的乘积分析阻力冲量关系。
解答本题的关键要会积分法求变力的冲量。对于恒力的冲量,可直接根据冲量的定义式来求解。
8.【答案】AC
【解析】解:、b棒组成的系统动量守恒,设向左方向为正,即有
且未进入磁场前,系统机械能也守恒,有
代入数据,解得
故b棒刚进入磁场时的速度大小为,故A正确;
因为a、b两棒连接同一电路,则电流相同,且
因B、L相同,故a、b棒受到的安培力大小相同,但由于a、b棒质量不同,则受到的摩擦力大小不同,对b棒有合外力做的功等于动能变化,则有
其中安培力为变力,对a棒有
设
则
即有
若
则有
又
故而
易知
然而以上计算恒成立,则证明b棒停下后,a棒还会继续运动,则a棒向左运动的位移大于,故B错误,C正确;
D.因为两棒串联,电流大小相等,对接入电路阻值相等且电流时间相同,不论谁先停下来,其产生的焦耳热相同,故D错误。
故选:AC。
a、b棒组成的系统动量守恒,机械能也守恒,分别解得ab的速度;对两导体棒分别做动能定理判断运动情况;两棒串联,电流大小相等,对接入电路阻值相等且电流时间相同,不论谁先停下来,其产生的焦耳热相同。
本题考查双导体棒切割磁感线的问题,解题时抓住系统动量守恒与机械能守恒为重点,其次由于两导体棒组成回路,故电流总相等。
9.【答案】
【解析】解:根据表格中的数据在坐标纸上作出图线.如图所示.
有题意可知,稳定时,弹簧秤的示数等于滑块与木板间的滑动摩擦力,根据知,图线的斜率等于滑块与木板间的动摩擦因数,则
如图所示;
根据表格中的数据作出图线.
根据滑动摩擦力公式,得出图线斜率的含义,结合图线的斜率求出动摩擦因数.
对于图线问题,一般的解题思路得出物理量之间的关系式,结合图线的斜率或截距进行求解.
10.【答案】
【解析】解:由于K已经闭合,若S接C时,无法测得电流表两端电压,故S应接D。
由实验步骤和实验数据可求电流表A的内阻为;
断开开关K,将开关S接C,记录电阻箱的阻值R和电流表A的示数I,多次重复实验得到多组数据。由欧姆定律有:,变形后得到:,再根据题意有:、,联立解得:,。
故答案为:、;、
根据实验步骤及实验数据由欧姆定律求电流表A的内阻;
根据实验电路应用闭合电路的欧姆定律求出图线的函数表达式,然后根据图示图线求出电源电动势与内阻。
本题考查测量电动势和内电阻的实验,考查了实验步骤与实验数据处理等问题,理解实验原理是解题的前提与关键;求出图象的函数表达式,根据图示图象可以求出电源电动势。
11.【答案】解:从B点到C点的过程做斜抛运动,将B点的速度沿水平方向和竖直方向分解
得
由运动学规律可知:B到C的时间
则
运动员从A点运动到B点的过程中由能量守恒定律可知;损失的机械能
代入数据得:
答:、C点的垂直高度差h为,沟宽;
整个过程中运动员机械能的减少量为5250J。
【解析】将B点速度分解,根据运动学公式可求得高度差和沟宽;
根据能量守恒定律可得机械能减少量。
解决本题的关键在于分解B点的速度,在水平和竖直方向进行分解根据三角函数关系求得该点速度,再结合运动学规律与能量守恒进行求解。
12.【答案】解:电子通过加速电场,由动能定理可知
得。
离子经过静电分析器,由牛顿第二定律有
得。
根据题意,画出粒子在磁场中运动的轨迹,
由于,则,
与为等腰三角形
所以有四边形为菱形
则离子运动的半径为
由牛顿第二定律有
得。
作出粒子在磁场中运动的轨迹如图:
由几何关系可知
得
带电粒子在磁场中运动的周期
有
故
答:离子进入圆形匀强磁场区域时的速度大小为。
静电分析器通道内虚线处电场强度的大小为。
圆形区域内匀强磁场的磁感应强度的大小为。
磁场变化周期T满足的关系表达式。
【解析】由动能定理可求速度。
由牛顿第二定律可求电场强度。
根据题意作出粒子运动轨迹,利用几何关系可求磁感应强度。
作出粒子运动轨迹,利用几何关系及圆周运动的周期重复性可求周期的表达式。
熟练掌握电场的特点、在磁场中运动的轨迹,会利用几何关系求解物理问题。
13.【答案】ACD
【解析】解:A、多晶体的物理性质表现为各向同性,故A正确;
B、热运动是分子无规则的运动,而布朗运动是小颗粒的运动,并不是分子运动,所以尽管布朗运动的激烈程度跟温度有关,但不能把布朗运动叫做热运动,故B错误;
C、由于内能与物体的物质的量、温度、体积以及物态都有关,可知内能相等的两个物体的温度不一定相同,所以当内能相等的两个物体相互接触,也可能发生热传递,故C正确;
D、根据麦克斯韦统计规律可知,对于一定种类的大量气体分子,在一定温度时,处于一定速率范围内的分子数所占百分比是确定的,故D正确;
E、从单一热源吸收热量使之完全转化为功而不产生其它影响的热机为第二类永动机,第二类永动机是不可能制成的,因为它违反了热力学第二定律;没有违反能量守恒定律。故E错误。
故选:ACD。
解答本题需要掌握:某些物理性质与方向有关,这种特性叫做各向异性;正确理解布朗运动;内能与物体的物质的量、温度、体积以及物态都有关;根据分子速率分布的特点分析;第二类永动机是不可能制成的,因为它违反了热力学第二定律;
本题对热学知识进行了比较全面的考查,平时要注意加强综合训练,提高应用物理知识解决问题能力,其中特别是对热力学第二定律的理解要全面到位.
14.【答案】解答:①气体的初状态:,
打开阀门,A室气体做等温变化,,体积为
由玻意耳定律:
解得:
②温度从升高到T,A中的气体由变化到,压强为,
气体做等压变化,由盖吕萨克定律得:
解得:,
故温度从800K升高到的过程中,
气体做等容变化,由查理定律得:
解得:
答:①将阀门K打开,待系统稳定后,此时A室的体积为;
②此时A室中气体压强为。
【解析】①阀门K打开,系统稳定过程中,A室气体做做等温变化,根据玻意耳定律可求得体积;
②从第一问求得等压变化后的温度,再根据等容变化求得气体加热到900K时的压强。
考查理想气体状态方程,在应用公式的过程中要明确气体处于什么状态下,其次要注意始末状态量。
15.【答案】ACD
【解析】解:A、从图甲知,,根据,可知两列波的频率不同,不能发生干涉,故A正确;
BC、两列波在同种均匀介质中,波速相同,根据,可知::::2
又,所以,故C正确,B错误;
D、波在介质中传播速度,在时,两列波同时传播到处,两列波开始相遇,故D正确;
E、在时,A波的振动传到处,所以由图乙可判断知时,A波单独传播到该点时产生的位移为0cm;在时,B波的振动传到处,由图乙可判断知时,B波的振动单独传播到该点时产生的位移等于6cm,所以时,由位移加原理可知,处质点的位移为,故E错误;
故选:ACD。
由图读出周期,两列波发生干涉的条件是频率相同,相位差恒定,根据,找出两列波的波速之比,且两列波在同种均匀介质中,波速相同,可得B波的波长,根据两列波在均匀介质中匀速传播,计算相遇的时间,在叠加区域振动质点的位移,应是两列波引起该质点振动的位移的矢量和。
本题综合考查了波的传播问题,学生应掌握两列波发生稳定干涉的条件,注意波在均匀介质中匀速传播,且波速由介质决定,在叠加区域内振动质点的位移,应是两列波引起该质点振动的位移的矢量和。
16.【答案】解:①设光线a经折射后经过B点,光路图如图所示,,由三角函数知识可知入射角:
由折射定律:,可得折射角:
②光在圆柱体中的传播速度
由于,,则折射光线恰好经过B点;
光在圆柱体内的传播路线长:
传播时间:
答:①光线a刚进入圆柱体时的折射角是;
②光线a在圆柱体中的传播时间是。
【解析】①作出光路图,根据几何关系得出入射角和折射角,结合折射定律求出透明圆柱体对该光的折射率,由求出光在圆柱体内传播的速度;
②根据几何关系求出传播的距离,则传播的时间可求解。
对于几何光学问题,首先要正确作出光路图,其次要充分运用几何知识分析入射角与折射角的关系,再根据折射定律进行解题。
2023江西省临川一中暨临川一中实验学校高一上学期第二次月考(12月)试题物理PDF版含解析: 这是一份2023江西省临川一中暨临川一中实验学校高一上学期第二次月考(12月)试题物理PDF版含解析,共12页。
2021江西省临川一中暨临川一中实验学校高三上学期第二次月考物理试题含答案: 这是一份2021江西省临川一中暨临川一中实验学校高三上学期第二次月考物理试题含答案
2022届江西省抚州市临川一中、临川一中实验学校高三上学期第一次月考物理试题 (含答案): 这是一份2022届江西省抚州市临川一中、临川一中实验学校高三上学期第一次月考物理试题 (含答案),共5页。

