(2019-2021)江苏中考化学真题分项汇编专题12 探究性压轴实验题
展开专题12 探究性压轴实验题
一.实验探究题
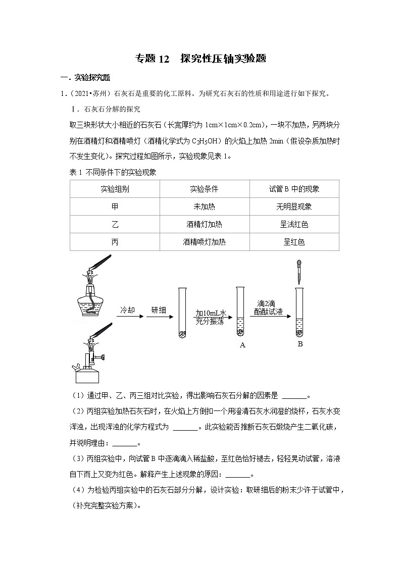
1.(2021•苏州)石灰石是重要的化工原料。为研究石灰石的性质和用途进行如下探究。
Ⅰ.石灰石分解的探究
取三块形状大小相近的石灰石(长宽厚约为1cm×1cm×0.2cm),一块不加热,另两块分别在酒精灯和酒精喷灯(酒精化学式为C2H5OH)的火焰上加热2min(假设杂质加热时不发生变化)。探究过程如图所示,实验现象见表1。
表1 不同条件下的实验现象
实验组别 | 实验条件 | 试管B中的现象 |
甲 | 未加热 | 无明显现象 |
乙 | 酒精灯加热 | 呈浅红色 |
丙 | 酒精喷灯加热 | 呈红色 |
(1)通过甲、乙、丙三组对比实验,得出影响石灰石分解的因素是 。
(2)丙组实验加热石灰石时,在火焰上方倒扣一个用澄清石灰水润湿的烧杯,石灰水变浑浊,出现浑浊的化学方程式为 。此实验能否推断石灰石煅烧产生二氧化碳,并说明理由: 。
(3)丙组实验中,向试管B中逐滴滴入稀盐酸,至红色恰好褪去,轻轻晃动试管,溶液自下而上又变为红色。解释产生上述现象的原因: 。
(4)为检验丙组实验中的石灰石部分分解,设计实验:取研细后的粉末少许于试管中, (补充完整实验方案)。
Ⅱ.石灰石煅烧温度的探究
【查阅资料】生石灰质量的优劣常采用“活性度”来街量。“活性度”的测定方法:取一定质量的生石灰,加入一定量的水,用指定浓度的盐酸中和,记录所消耗盐酸的体积数(单位为mL)。消耗盐酸的体积数越大,“活性度”越高。
某研究小组在电炉内煅烧石灰石样品,并测定煅烧产物(CaO)的活性度,数据见表2。
表2 不同条件下煅烧产物的活性度(mL)
煅烧温度/ 活性度/ 煅烧时间 | 1050℃ | 1100℃ | 1150℃ | 1200℃ | 1250℃ | 1300℃ |
12min | 790 | 836 | 868 | 808 | 454 | 412 |
16min | 793 | 856 | 871 | 845 | 556 | 530 |
20min | 795 | 863 | 873 | 864 | 617 | 623 |
(5)石灰石煅烧的最佳温度范围为1100~1200℃的证据是 。
Ⅲ.石灰石用途的探究
(6)石灰石是高炉炼铁的原料之一。石灰石能除去铁矿石中的SiO2,同时能提高单位时间内生铁的产率。分析加入石灰石能提高生铁产率的原因: 。
2.(2021•南京)某兴趣小组的同学对二氧化碳的制取和相关性质进行探究。
【气体制取】
(1)实验室用大理石与稀盐酸(1:2)制取二氧化碳的化学方程式为 。
(2)稀盐酸(1:2)是指浓盐酸与水按体积比1:2进行混合所得的盐酸。已知所用浓盐酸中溶质的质量分数为37%,密度为1.19g/cm3;水的密度为1g/cm3。计算所得稀盐酸中溶质的质量分数(计算结果保留一位小数)。
【实验探究】用实验证明碳酸型饮料(如汽水)中含有二氧化碳。
兴趣小组同学用如图所示的装置进行实验:打开汽水瓶盖,立即塞上带导管的橡皮塞,将导管另一端伸入装有试剂的试管中。甲、乙两位同学分别用不同的试剂进行实验。
甲同学在试管中加入少量澄清石灰水,观察到试管内 ,由此得到结论:该汽水中含有二氧化碳。
乙同学在试管中加入少量紫色石蕊溶液,观察到试管内 ,乙同学认为也能得到甲同学的结论。
【评价反思】兴趣小组的同学对甲、乙两位同学的实验方案进行评价。
(1)丙同学认为甲同学的方案比较合理,其试管中发生反应的化学方程式为 。
(2)丁同学质疑乙同学的方案不够严密,认为也可能是该汽水中的柠檬酸随气体进入试管,而引起紫色石蕊溶液的变色。兴趣小组的同学针对丁同学提出的质疑进行了如下探究:
①查阅资料:柠檬酸为无色晶体,易溶于水和酒精;常温稳定,熔点153℃,熔化后沸腾前分解,分解温度约为175℃;柠檬,柑橘等水果中含有柠檬酸。
②乙同学在自己实验的基础上,未增加任何试剂,接着进行了一步实验操作,该操作是 ,可观察到 ,该反应的化学方程式为 。可以确认不是因为柠檬酸而引起紫色石蕊溶液的变色。
3.(2021•连云港)碳酸氢钠是一种应用广泛的盐,化学小组对其进行了探究。
(1)NaHCO3可称为钠盐或碳酸氢盐,它是由Na+和 (填离子符号)构成,医疗上能用于治疗胃酸(含有盐酸)过多症,反应的化学方程式为 。
【提出问题】实验室中如何制取少量NaHCO3?
【查阅资料】
材料一:侯氏制碱的原理:NaCl+NH3+CO2+H2O═NaHCO3↓+NH4Cl;2NaHCO3Na2CO3+CO2↑+H2O。
材料二:研究发现,NaHCO3溶于水时吸收热量,Na2CO3溶于水时放出热量。
【实验制备】根据侯氏制碱原理设计如图1所示装置制取NaHCO3。
反应结束后,将试管中的混合物过滤洗涤,低温烘干得白色固体。
(2)烧杯中冰水的作用是 。
(3)能进一步确认该白色固体是NaHCO3的实验方案是 (须用到的仪器和药品:试管、温度计、水)。
(4)如图2中碳酸氢钠的溶解度在60℃后无数据的原因可能是 。
【性质探究】
常温下,取一定量的NaHCO3溶液于烧杯中,插入pH传感器,向烧杯中持续滴加CaCl2溶液,有白色沉淀生成,当溶液的pH变为6.68时开始有无色气体产生。反应过程中溶液的pH随时间变化如图3所示。
【查阅资料】
材料三NaHCO3溶于水后,少量的HCO3﹣能同时发生如下变化:
变化①:HCO3﹣+H2O→H2CO3+OH﹣;
变化②:HCO3﹣→CO32﹣+H+。
材料四:溶液的酸碱性与溶液中H+和OH﹣数目的相对大小有关。常温下,当单位体积溶液中OH﹣的数目大于H+的数目时溶液的pH>7,反之pH<7;单位体积溶液中所含的H+数目越大,溶液的pH越小。
【交流反思】
(5)NaHCO3溶液显 (填“酸”“碱”或“中”)性,结合材料三、四从微观角度说明原因: 。
(6)根据本实验,下列说法错误的是 (填字母)。
a.pH<6.68时生成的无色气体为CO2
b.从0~30s,单位体积溶液中H+数目不断增大
c.不能用CaCl2溶液鉴别Na2CO3和NaHCO3溶液
4.(2021•盐城)化学是一门以实验为基础的科学,实验是科学探究的重要手段。
(1)完成“探究某种盐的性质”实验,填写下表。
试管序号 | 甲 | 乙 | 丙 |
实验操作 | |||
实验现象 | 红色溶液 | 白色沉淀 | 无色气体 |
实验结论 | 该盐是 (选填“NaCl”“Na2CO3”“Na2SO4”),其水溶液呈 性。 | ||
实验解释 | 丙中发生反应的化学方程式: 。 | ||
实验计算 | 全班同学完成试管乙实验,共消耗质量分数为10.4%的BaCl2溶液50g,实验后最多收集到 g白色沉淀。 | ||
(2)处理“CO2的实验室制取与检验”实验废液。全班同学完成该实验共产生1000g含HCl废液(固体已除,大理石中杂质未参加反应),不能直接排放。
【实验方案】先测定废液中HCl的质量分数,再用熟石灰处理废液至中性。
【实验操作】
①称量 g NaOH固体,溶解,配制30g 5%的NaOH溶液。
②取100mL小烧杯,倒入20g废液样品,插入pH计测定溶液的pH,向废液样品中逐滴加入5%的NaOH溶液。实验过程中溶液pH变化如图所示。
③投入 g熟石灰处理剩余废液(写出计算过程)。
【实验反思】有同学提出也可以根据盐酸具有挥发性直接加热废液除去杂质HCl,并得到CaCl2。写出你的观点及理由: 。
5.(2021•宿迁)某化学课堂围绕“酸碱中和反应”,将学生分成若干个小组展开探究。以下是教学片断,请你参加学习并填写空格。
【演示实验】将一定质量的稀盐酸加入盛有NaOH溶液的小烧杯中。
【提出问题】实验中未观察到明显现象,某同学提出疑问:反应后溶液中溶质是什么?
【猜想与假设】针对疑问,大家纷纷提出猜想。甲组同学的猜想如下,请补上猜想二。
猜想一:只有NaCl
猜想二:
猜想三:NaCl和HCl
猜想四:NaCl、NaOH和HCl
乙组同学认为有一种猜想不合理,不合理的猜想是 ,理由是 。
【实验探究】
(1)丙组同学取烧杯中的溶液少许于试管中,滴加几滴CuCl2溶液, (填实验现象),证明溶液中一定没有NaOH。
(2)为了验证其余猜想,各学习小组利用浇杯中的溶液,并选用了老师提供的pH试纸、K2CO3溶液、AgNO3溶液,进行如下三个方案的探究。
实验方案 | 测溶液的pH | 滴加K2CO3溶液 | 滴加AgNO3溶液 |
实验操作 | |||
实验现象 | 试纸变色,对照比色卡,pH<7 |
| 产生白色沉淀 |
实验结论 | 溶液中有HCl | 溶液中有HCl | 溶液中有HCl |
【得到结论】通过探究,全班同学一致认为猜想 正确。
【评价反思】老师对同学们能用多种方法进行探究,并且得出正确结论的活动过程给予肯定,同时指出(2)中存在两处明显错误。同学们经过反思发现以下两处错误:
①实验操作中的错误是 。
②实验方案中也有一个错误,错误的原因是 。
6.(2020•南京)溶液在生产、生活中起着十分重要的作用。某学习小组的同学对溶液的性质进行探究。
【引发思考】
生理盐水是医疗上常用的一种溶液,100mL生理盐水(其密度可近似看做1g/cm3)中含有0.9g医用氯化钠,该溶液中溶质的质量分数为 。一瓶合格的生理盐水密封放置一段时间后,不会出现浑浊现象,原因是 。
【提出问题】
溶液的某些性质是否可以通过定量实验进行验证?
【查阅资料】
电导率传感器用于测量溶液的导电性强弱:一定条件下,电导率的大小能反映离子浓度的大小。
【实验探究1】
氯化钠溶于水形成溶液的过程中氯离子浓度电导率的测定。
第一步:读取室温为26℃,取100mL蒸馏水,加入烧杯中,放入磁力搅拌器磁珠;
第二步:校准传感器,组装仪器,设定搅拌档位;
第三步:用氯离子传感器和电导率传感器同时采集数据,迅速将一定质量的氯化钠加入烧杯中。实验数据如图1所示。
分析图1实验数据:
(1)a~b段曲线呈这种形态的原因是 。
(2)请说明实验过程中液体的电导率变化的原因 。
【交流反思1】
如何通过实验验证氯化钠溶液是均一的?请简要说明。 。
【实验探究2】
用氯离子传感器和电导率传感器同时采集数据,向一定体积、一定浓度的氯化钠溶液中慢慢加入等体积、一定浓度的硝酸银溶液,恰好完全反应。部分实验数据如图2所示。
【交流反思2】
推测c点时溶液的电导率是否为零,并说明理由。 。
7.(2020•徐州)某同学对碳酸钠、碳酸氢钠的组成及某些性质进行探究。
【认识组成】(1)由化学式Na2CO3、NaHCO3可知,两者含有的元素差别是 ;从构成离子的层次看,酸根离子分别是CO32﹣、HCO3﹣,依据酸根离子它们都可统称为 (填“碳酸盐”或“钠盐”)。
【比较性质】(2)为比较室温是20℃时Na2CO3、NaHCO3与水混合的变化,按图1进行实验,先向两支试管中分别加入各约1g Na2CO3、NaHCO3,再分别滴入几滴水,振荡后将温度计插入其中,发现盛有Na2CO3的试管中温度计的示数高于20℃,盛有NaHCO3的试管中温度计的示数低于20℃;再向两试管中各加入约5mL水和2滴酚酞试液,振荡后液体均呈红色。则NaHCO3与水混合时 (填“放出”或“吸收”)热量,NaHCO3溶液显 (填“酸性”或“碱性”)。
【提出问题】(3)Na2CO3、NaHCO3还有什么不同性质?
【查阅资料】NaHCO3受热易分解生成Na2CO3、H2O和CO2.Na2CO3受热不易分解。可用图2装置验证。
【进行实验】按图2连接装置,检查气密性后,分别装入相关药品(试管甲、乙中的固体质量应相等)。后续实验均按规范要求进行,完成实验。
①若要使实验效果更理想,则甲中应装入 (填“Na2CO3”或“NaHCO3”)。
②完成实验后,待试管冷却至室温,若甲、乙试管里剩余固体的质量分别用m(甲)、m(乙)表示,则m(甲) (填“>”或“=”或“<”)m(乙)。
【拓展应用】(4)若把碳酸和NaHCO3比较,受热容易分解的是 (填“碳酸”或“NaHCO3”)。除去Na2CO3粉末中混有的少量NaHCO3的方法是 。
(5)研究表明,Na2CO3在水中溶解时能生成自由移动的离子,且Na2CO3溶液中还含有很少的HCO3﹣,在Na2CO3溶液中存在的带负电荷的离子有HCO3﹣、 、 (填离子符号)。
8.(2020•泰州)酸碱中和反应是初中阶段重要的一类反应,请你一起参与探究。
【实验探究Ⅰ】在50mL一定浓度的氢氧化钠溶液中滴加50mL一定浓度的盐酸,并用玻璃棒搅拌,观察到溶液的温度 ,由此现象小李同学得出两者能发生反应的结论。通过查阅相关资料后,小张同学发现此结论不够严谨,设计了下列3个对比实验:
①50mL一定浓度的盐酸与50mL蒸馏水混合,测量溶液温度的变化。
②50mL一定浓度的氢氧化钠溶液与50mL蒸馏水混合,测量溶液温度的变化。
③50mL一定浓度的盐酸与50mL一定浓度的氢氧化钠溶液混合,测量溶液温度的变化。
用数字化实验技术测得3个实验,溶液温度随时间变化的关系如图所示。
(1)由图可知,盐酸、氢氧化钠溶液稀释时均 (填“放热”或“吸热”),但它们稀释时温度的变化量远 两溶液混合时温度的变化量。
(2)从微观角度分析,此中和反应的温度变化主要是由于 (填离子符号)两种离子发生反应放出热量的缘故。
【实验探究Ⅱ】
(1)在50mL一定浓度的氢氧化钠溶液中滴加2~3滴酚酞试液,再逐滴加入一定浓度的盐酸,并用玻璃棒搅拌,溶液颜色由红色刚好变为无色时,可说明两者发生了反应。该反应的化学方程式为 。
(2)取一定量反应后的无色溶液加热蒸发,在蒸发的过程中,“意外”发现溶液由无色又变成红色。同学们对红色溶液中溶质的成分(酚酞除外)进行再探究。
查阅资料:酚酞在pH<8.2的溶液中呈无色,在8.2<pH<14的溶液中呈红色。
作出猜想:猜想一:NaCl
猜想二:NaCl、NaOH
猜想三:NaCl、NaOH和Na2CO3
同学们讨论后一致认为猜想 是错误的,理由是 。
实验验证:取样,滴加 ,无气泡产生,猜想三错误。
原因分析:反应后无色溶液中仍存在少量NaOH,加热蒸发,当溶液的pH在 范围内,溶液的颜色变红。
总结反思:向某碱性溶液中滴加2~3滴无色酚酞试液,振荡后溶液的颜色 (填“一定”或“不一定”)变红。
9.(2020•苏州)钢铁的腐蚀是重要研究课题。
【知识回顾】用如图1所示实验进行铁钉腐蚀的研究。一段时间后试管A、B中铁钉几乎没有生锈,而试管C中铁钉明显锈蚀,试管D、E中铁钉严重锈蚀。
(1)由A、B、C的现象可知,铁的锈蚀是铁跟 (填化学式)等物质作用的过程。
(2)试管B中使用“煮沸并迅速冷却的蒸馏水”,其目的是 。
【实验探究】向试管D中(含生锈铁钉)加入过量10%稀盐酸,浸泡。可观察到铁锈逐渐消失,铁钉表面有气泡产生,溶液呈黄色,一段时间后黄色变为浅绿色。
(3)写出铁锈溶于盐酸的化学方程式: 。
(4)推测试管D中溶液由黄色变为浅绿色,可能是因为氯化铁与某些物质发生反应所致。现进行如表3个实验(持续10小时,已知氢气不影响该反应)
序号 | 实验Ⅰ | 实验Ⅱ | 实验Ⅲ |
实验内容 |
|
|
|
现象 | 溶液颜色始终呈黄色 | 产生红褐色沉淀 | 溶液逐渐由黄色变浅绿色 |
①设计实验Ⅰ的目的是 。
②综合分析上述3个实验,试管D中溶液由黄色变为浅绿色的原因是 。
【拓展延伸】研究水样的pH、水中溶解氧浓度与钢铁腐蚀速率的关系。查阅相关文献得到如下资料。
(5)图2表示水样温度22℃、氧含量6mL•L﹣1时,钢铁腐蚀速率与水样pH的关系。当pH<4时,钢铁腐蚀速率明显增大的原因是 。
(6)图3表示温度22℃、pH=7时,钢铁腐蚀速率与水中溶解氧浓度的关系。当溶解氧超过20mL•L﹣1时,钢铁腐蚀速率明显下降的原因可能是 。
10.(2019•南京)某课外兴趣小组的同学对二氧化碳的制取和性质进行相关探究。
【实验回顾】
(1)实验室用大理石与稀盐酸制取二氧化碳的化学方程式为 。用向上排空气法收集二氧化碳的原因是 。
【实验探究】
(2)如图1所示,打开汽水瓶盖,有大量气泡冒出,塞上带导管的橡皮塞,导管另一端伸入装有滴加了紫色石蕊溶液的蒸馏水的试管中,轻轻振荡汽水瓶,观察到紫色石蕊溶液变红;加热上述试管,发现溶液颜色由红色变为紫色,写出上述变化过程中反应的化学方程式 , 。
(3)打开汽水瓶盖时,有大量气泡冒出,说明气体的溶解度随 。
(4)如图2所示,在C处放入用石蕊溶液染成紫色的干燥的纸花完成以下实验:
在A处持续而缓缓地通入气体X.当关闭K时,C处的紫色石蕊纸花不变色;当打开K后,C处的紫色石蕊纸花变为红色。
若气体X为未经干燥的二氧化碳,则B瓶中盛放的溶液可以为 (填字母)。
若气体X为未经干燥且混有氯化氢的二氧化碳,则B瓶中盛放的溶液可以为 (填字母)。
A.浓硫酸
B.氢氧化钠溶液
C.饱和碳酸氢钠溶液
【交流反思】
(5)该小组用空气样品和提高二氧化碳含量的空气的样品,控制相同条件测定二者在光照前后温度的变化,实验结果如图3.则与空气样品对应的温度变化曲线是 (填“a”或“b”),二氧化碳可以产生温室效应。
请简述温室效应对人类生存环境的功与过: (各写一点)。
11.(2019•苏州)水是生命之源,是“永远值得探究的物质”,人类从未停止过对水的研究。
(1)1766年,英国化学家卡文迪许用锌和稀硫酸制得“可燃空气”,他所说的“可燃空气”成分是 (填化学式)。“可燃空气”在纯氧中燃烧生成水,可得出“水是一个结合物而不是简单元素”。
(2)1785年,拉瓦锡将水蒸气通过红热的铁制枪管将水转化为氢气,同时生成四氧化三铁,实验示意图如图1所示。上述反应的化学方程式为 。该反应若生成1g氢气,则理论上铁制枪管应增重 g。实验发现枪管实际增重比理论数值大,其可能的原因是 。
(3)1800年,英国化学家尼科尔森通过电解水得到氢气和氧气,后人不断研究和改进该实验。现有某同学在水电解器中加入含酚酞的稀Na2SO4溶液,至充满管A和管B(Na2SO4溶液呈中性且不参与反应)。通直流电一段时间后现象如图2所示。电解结束后将容器内所有液体倒入烧杯中,溶液呈无色。
①下列说法正确的是 (填字母)。
a.硫酸钠在水中形成自由移动的Na+和SO42﹣,可增强水的导电性
b.电解过程中化学能转化为电能
c.电极N与电源负极相连
②电解后,管A中生成的微粒有 (填微粒符号)。
(4)当温度、压强分别超过临界温度(374.2℃)和临界压强(22.1MPa)时的水称为超临界水。现代研究表明:超临界水能够与氧气以任意比例互溶,由此发展了超临界水氧化技术。550℃时,测得乙醇(C2H6O)的超临界水氧化结果如图3所示。
注:δ(分布分数)表示某物质分子数占所有含碳物质分子总数的比例。
如δ(CO)=
图中CO的分布分数先增后降的原因是 。
12.(2019•无锡)水产养殖的速效增氧剂“鱼浮灵”的主要成分是过氧碳酸钠(aNa2CO3•bH2O2)。
某化学研究小组对“鱼浮灵”的制备、成分测定及增氧原理进行了如下探究。
【查阅资料】①过氧碳酸钠有Na2CO3和H2O2的双重性质;50℃开始分解。
②过氧碳酸钠在异丙醇(有机溶剂)中的溶解度较低。
Ⅰ.“鱼浮灵”的制备。
实验室用Na2CO3与稳定剂的混合溶液和30%的H2O2溶液反应制备过氧碳酸钠,实验装置如图所示。
(1)反应温度不能超过20℃的原因是 。
(2)反应结束后,停止搅拌,向反应液中加入异丙醇,静置过滤、洗涤、干燥,获得过氧碳酸钠固体。加入异丙醇的目的 。
Ⅱ.“鱼浮灵”的成分测定。
【定性检测】检测过氧碳酸钠溶液中的成分。
(3)请补充完成下列实验报告中的相关内容。
实验序号 | 实验步骤 | 实验现象 | 解释或结论 |
① | 取样,加入MnO2粉末,用带火星的木条伸入试管内 | 木条复燃 | 反应的化学方程式
|
② |
|
| 溶液中含有Na2CO3 |
【定量研究】测定“鱼浮灵”中过氧碳酸钠的组成。
实验③:称取一定质量的“鱼浮灵”样品于小烧杯中,加适量水溶解,向小烧杯中加入足量Ba(OH)2溶液,过滤、洗涤、干燥,得到碳酸钡(BaCO3)固体3.94g。
实验④:另称取相同质量的“鱼浮灵”样品于锥形瓶中,加入足量稀硫酸,再逐滴加入高锰酸钾溶液,充分反应,消耗KMnO4的质量为1.896g,该反应的原理是:2KMnO4+5H2O2+3H2SO4═K2SO4+2MnSO4+5O2↑+8H2O。
(4)计算确定过氧碳酸钠(aNa2CO3•bH2O2)的化学式(写出计算过程)。
Ⅲ.“鱼浮灵”的增氧原理。
研究小组通过测定常温下相同时间内水溶液中溶解氧的变化,探究CO32﹣、OH﹣对H2O2分解速率的影响,设计了对比实验,实验数据记录如下表。
编号 | ① | ② | ③ | ④ | ⑤ |
试剂 | H2O | 4%H2O2溶液 | Na2CO3固体 4%H2O2溶液 | NaOH溶液 4%H2O2溶液 | NaOH溶液 4%H2O2溶液 |
pH | 6.96 | 6.01 | 8.14 | 8.15 | 9.26 |
溶解氧 (mg•L﹣1) | 5.68 | 6.44 | 9.11 | 9.12 | 10.97 |
(5)由实验②可知,常温下,过氧化氢水溶液呈 (填“酸性”“中性”或“碱性”)。
(6)过氧碳酸钠可以速效增氧的原理是 。
专题12 探究性压轴实验题
一.实验探究题
1.(2021•苏州)石灰石是重要的化工原料。为研究石灰石的性质和用途进行如下探究。
Ⅰ.石灰石分解的探究
取三块形状大小相近的石灰石(长宽厚约为1cm×1cm×0.2cm),一块不加热,另两块分别在酒精灯和酒精喷灯(酒精化学式为C2H5OH)的火焰上加热2min(假设杂质加热时不发生变化)。探究过程如图所示,实验现象见表1。
表1 不同条件下的实验现象
实验组别 | 实验条件 | 试管B中的现象 |
甲 | 未加热 | 无明显现象 |
乙 | 酒精灯加热 | 呈浅红色 |
丙 | 酒精喷灯加热 | 呈红色 |
(1)通过甲、乙、丙三组对比实验,得出影响石灰石分解的因素是 。
(2)丙组实验加热石灰石时,在火焰上方倒扣一个用澄清石灰水润湿的烧杯,石灰水变浑浊,出现浑浊的化学方程式为 。此实验能否推断石灰石煅烧产生二氧化碳,并说明理由: 。
(3)丙组实验中,向试管B中逐滴滴入稀盐酸,至红色恰好褪去,轻轻晃动试管,溶液自下而上又变为红色。解释产生上述现象的原因: 。
(4)为检验丙组实验中的石灰石部分分解,设计实验:取研细后的粉末少许于试管中, (补充完整实验方案)。
Ⅱ.石灰石煅烧温度的探究
【查阅资料】生石灰质量的优劣常采用“活性度”来街量。“活性度”的测定方法:取一定质量的生石灰,加入一定量的水,用指定浓度的盐酸中和,记录所消耗盐酸的体积数(单位为mL)。消耗盐酸的体积数越大,“活性度”越高。
某研究小组在电炉内煅烧石灰石样品,并测定煅烧产物(CaO)的活性度,数据见表2。
表2 不同条件下煅烧产物的活性度(mL)
煅烧温度/ 活性度/ 煅烧时间 | 1050℃ | 1100℃ | 1150℃ | 1200℃ | 1250℃ | 1300℃ |
12min | 790 | 836 | 868 | 808 | 454 | 412 |
16min | 793 | 856 | 871 | 845 | 556 | 530 |
20min | 795 | 863 | 873 | 864 | 617 | 623 |
(5)石灰石煅烧的最佳温度范围为1100~1200℃的证据是 。
Ⅲ.石灰石用途的探究
(6)石灰石是高炉炼铁的原料之一。石灰石能除去铁矿石中的SiO2,同时能提高单位时间内生铁的产率。分析加入石灰石能提高生铁产率的原因: 。
【答案】(1)温度:
(2)Ca(OH)2+CO2═CaCO3↓+H2O;不能,酒精燃烧也会生成二氧化碳,使澄清石灰水变浑浊;
(3)氢氧化钙与盐酸反应,酚酞红色褪去;氢氧化钙微溶于水,晃动,氢氧化钙又继续溶解,溶液呈碱性,使酚酞变红;
(4)滴入稀盐酸,有气体产生;
(5)煅烧不同的时间,在1100﹣1200范围内生成的生石灰活动度均高;
(6)石灰石高温分解产生的二氧化碳与焦炭反应生成一氧化碳,可还原生成更多的铁。
【解析】
解:(1)通过甲、乙、丙三组对比实验,得出影响石灰石分解的因素是温度;
(2)丙组实验加热石灰石时,在火焰上方倒扣一个用澄清石灰水润湿的烧杯,石灰水变浑浊,因为碳酸钙分解生成二氧化碳,二氧化碳与氢氧化钙反应生成碳酸钙和水,化学方程式为:Ca(OH)2+CO2═CaCO3↓+H2O;此实验不能推断石灰石煅烧产生二氧化碳,因为酒精燃烧也会生成二氧化碳,使澄清石灰水变浑浊;
(3)丙组实验中,试管B中主要是氧化钙,向试管B中逐滴滴入稀盐酸,氧化钙与水反应生成氢氧化钙,氢氧化钙与盐酸反应,酚酞红色褪去;又因为氢氧化钙微溶于水,晃动,试管底的氢氧化钙又继续溶解,溶液呈碱性,使酚酞变红,溶液自下而上又变为红色;
(4)为检验丙组实验中的石灰石部分分解,设计实验:取研细后的粉末少许于试管中,滴入稀盐酸,有气体产生;
(5)由表2 不同条件下煅烧产物的活性度(mL)可知石灰石煅烧的最佳温度范围为1100~1200℃的证据是煅烧不同的时间,在1100﹣1200℃范围内生成的生石灰活动度均高;
(6)石灰石是高炉炼铁的原料之一。石灰石能除去铁矿石中的SiO2,同时能提高单位时间内生铁的产率。分析加入石灰石能提高生铁产率的原因石灰石高温分解产生的二氧化碳与焦炭反应生成一氧化碳,可还原生成更多的铁。
故答案为:
(1)温度:
(2)Ca(OH)2+CO2═CaCO3↓+H2O;不能,酒精燃烧也会生成二氧化碳,使澄清石灰水变浑浊;
(3)氢氧化钙与盐酸反应,酚酞红色褪去;氢氧化钙微溶于水,晃动,氢氧化钙又继续溶解,溶液呈碱性,使酚酞变红;
(4)滴入稀盐酸,有气体产生;
(5)煅烧不同的时间,在1100﹣1200范围内生成的生石灰活动度均高;
(6)石灰石高温分解产生的二氧化碳与焦炭反应生成一氧化碳,可还原生成更多的铁。
2.(2021•南京)某兴趣小组的同学对二氧化碳的制取和相关性质进行探究。
【气体制取】
(1)实验室用大理石与稀盐酸(1:2)制取二氧化碳的化学方程式为 。
(2)稀盐酸(1:2)是指浓盐酸与水按体积比1:2进行混合所得的盐酸。已知所用浓盐酸中溶质的质量分数为37%,密度为1.19g/cm3;水的密度为1g/cm3。计算所得稀盐酸中溶质的质量分数(计算结果保留一位小数)。
【实验探究】用实验证明碳酸型饮料(如汽水)中含有二氧化碳。
兴趣小组同学用如图所示的装置进行实验:打开汽水瓶盖,立即塞上带导管的橡皮塞,将导管另一端伸入装有试剂的试管中。甲、乙两位同学分别用不同的试剂进行实验。
甲同学在试管中加入少量澄清石灰水,观察到试管内 ,由此得到结论:该汽水中含有二氧化碳。
乙同学在试管中加入少量紫色石蕊溶液,观察到试管内 ,乙同学认为也能得到甲同学的结论。
【评价反思】兴趣小组的同学对甲、乙两位同学的实验方案进行评价。
(1)丙同学认为甲同学的方案比较合理,其试管中发生反应的化学方程式为 。
(2)丁同学质疑乙同学的方案不够严密,认为也可能是该汽水中的柠檬酸随气体进入试管,而引起紫色石蕊溶液的变色。兴趣小组的同学针对丁同学提出的质疑进行了如下探究:
①查阅资料:柠檬酸为无色晶体,易溶于水和酒精;常温稳定,熔点153℃,熔化后沸腾前分解,分解温度约为175℃;柠檬,柑橘等水果中含有柠檬酸。
②乙同学在自己实验的基础上,未增加任何试剂,接着进行了一步实验操作,该操作是 ,可观察到 ,该反应的化学方程式为 。可以确认不是因为柠檬酸而引起紫色石蕊溶液的变色。
【答案】【气体制取】
(1)CaCO3+2HCl═CaCl2+H2O+CO2↑。
(2)假设100mL浓盐酸和200mL水混合,混合后溶液中的氯化氢质量:1.19g/mL×100mL×37%=44.03g,溶液质量:1.19g/mL×100mL+1g/mL×200mL=319g,
所得稀盐酸中溶质的质量分数=×100%=13.8%,
答:所得稀盐酸中溶质的质量分数是13.8%。
【实验探究】
澄清石灰水变浑浊;溶液变红色。
【评价反思】
(1)Ca(OH)2+CO2═CaCO3↓+H2O。
(2)②加热试管;溶液由红色变成紫色;H2CO3H2O+CO2↑。
【解析】
解:【气体制取】
(1)实验室用大理石与稀盐酸(1:2)制取二氧化碳的化学方程式为:CaCO3+2HCl═CaCl2+H2O+CO2↑。
故填:CaCO3+2HCl═CaCl2+H2O+CO2↑。
(2)假设100mL浓盐酸和200mL水混合,混合后溶液中的氯化氢质量:1.19g/mL×100mL×37%=44.03g,溶液质量:1.19g/mL×100mL+1g/mL×200mL=319g,
所得稀盐酸中溶质的质量分数=×100%=13.8%,
答:所得稀盐酸中溶质的质量分数是13.8%。
【实验探究】
甲同学在试管中加入少量澄清石灰水,观察到试管内澄清石灰水变浑浊,由此得到结论:该汽水中含有二氧化碳。
乙同学在试管中加入少量紫色石蕊溶液,观察到试管内溶液变红色,乙同学认为也能得到甲同学的结论。
故填:澄清石灰水变浑浊;溶液变红色。
【评价反思】
(1)试管中氢氧化钙和二氧化碳反应生成碳酸钙沉淀和水,发生反应的化学方程式为:Ca(OH)2+CO2═CaCO3↓+H2O。
故填:Ca(OH)2+CO2═CaCO3↓+H2O。
(2)②乙同学在自己实验的基础上,未增加任何试剂,接着进行了一步实验操作,该操作是加热试管,可观察到溶液由红色变成紫色,是因为碳酸受热分解生成水和二氧化碳,该反应的化学方程式为:H2CO3H2O+CO2↑。
故填:加热试管;溶液由红色变成紫色;H2CO3H2O+CO2↑。
3.(2021•连云港)碳酸氢钠是一种应用广泛的盐,化学小组对其进行了探究。
(1)NaHCO3可称为钠盐或碳酸氢盐,它是由Na+和 (填离子符号)构成,医疗上能用于治疗胃酸(含有盐酸)过多症,反应的化学方程式为 。
【提出问题】实验室中如何制取少量NaHCO3?
【查阅资料】
材料一:侯氏制碱的原理:NaCl+NH3+CO2+H2O═NaHCO3↓+NH4Cl;2NaHCO3Na2CO3+CO2↑+H2O。
材料二:研究发现,NaHCO3溶于水时吸收热量,Na2CO3溶于水时放出热量。
【实验制备】根据侯氏制碱原理设计如图1所示装置制取NaHCO3。
反应结束后,将试管中的混合物过滤洗涤,低温烘干得白色固体。
(2)烧杯中冰水的作用是 。
(3)能进一步确认该白色固体是NaHCO3的实验方案是 (须用到的仪器和药品:试管、温度计、水)。
(4)如图2中碳酸氢钠的溶解度在60℃后无数据的原因可能是 。
【性质探究】
常温下,取一定量的NaHCO3溶液于烧杯中,插入pH传感器,向烧杯中持续滴加CaCl2溶液,有白色沉淀生成,当溶液的pH变为6.68时开始有无色气体产生。反应过程中溶液的pH随时间变化如图3所示。
【查阅资料】
材料三NaHCO3溶于水后,少量的HCO3﹣能同时发生如下变化:
变化①:HCO3﹣+H2O→H2CO3+OH﹣;
变化②:HCO3﹣→CO32﹣+H+。
材料四:溶液的酸碱性与溶液中H+和OH﹣数目的相对大小有关。常温下,当单位体积溶液中OH﹣的数目大于H+的数目时溶液的pH>7,反之pH<7;单位体积溶液中所含的H+数目越大,溶液的pH越小。
【交流反思】
(5)NaHCO3溶液显 (填“酸”“碱”或“中”)性,结合材料三、四从微观角度说明原因: 。
(6)根据本实验,下列说法错误的是 (填字母)。
a.pH<6.68时生成的无色气体为CO2
b.从0~30s,单位体积溶液中H+数目不断增大
c.不能用CaCl2溶液鉴别Na2CO3和NaHCO3溶液
【答案】(1)HCO3﹣;NaHCO3+HCl═NaCl+H2O+CO2↑。
(2)保持低温利于碳酸氢钠析出。
(3)取少量白色固体于试管中,加入适量水溶解,测量温度,低于室温,说明白色固体是碳酸氢钠。
(4)温度高于或等于60℃时,碳酸氢钠分解。
(5)碱;碳酸氢钠溶于水后,发生变化①的碳酸氢根离子比发生变化②的碳酸氢根离子多,导致单位体积溶液中的氢氧根离子数目比氢离子多。
(6)c。
【解析】
解:(1)NaHCO3可称为钠盐或碳酸氢盐,它是由Na+和HCO3﹣构成,医疗上能用于治疗胃酸(含有盐酸)过多症,稀盐酸和碳酸氢钠反应生成氯化钠、水和二氧化碳,反应的化学方程式为:NaHCO3+HCl═NaCl+H2O+CO2↑。
故填:HCO3﹣;NaHCO3+HCl═NaCl+H2O+CO2↑。
(2)烧杯中冰水的作用是保持低温利于碳酸氢钠析出。
故填:保持低温利于碳酸氢钠析出。
(3)能进一步确认该白色固体是NaHCO3的实验方案:取少量白色固体于试管中,加入适量水溶解,测量温度,低于室温,说明白色固体是碳酸氢钠。
故填:取少量白色固体于试管中,加入适量水溶解,测量温度,低于室温,说明白色固体是碳酸氢钠。
(4)如图2中碳酸氢钠的溶解度在60℃后无数据的原因可能是温度高于或等于60℃时,碳酸氢钠分解。
故填:温度高于或等于60℃时,碳酸氢钠分解。
(5)NaHCO3溶液显碱性,是因为碳酸氢钠溶于水后,发生变化①的碳酸氢根离子比发生变化②的碳酸氢根离子多,导致单位体积溶液中的氢氧根离子数目比氢离子多。
故填:碱;碳酸氢钠溶于水后,发生变化①的碳酸氢根离子比发生变化②的碳酸氢根离子多,导致单位体积溶液中的氢氧根离子数目比氢离子多。
(6)a.pH<6.68时生成的无色气体为二氧化碳,该选项说法正确;
b.从0~30s,单位体积溶液中H+数目不断增大,该选项说法正确;
c.可以用CaCl2溶液鉴别Na2CO3和NaHCO3溶液,该选项说法不正确。
故填:c。
4.(2021•盐城)化学是一门以实验为基础的科学,实验是科学探究的重要手段。
(1)完成“探究某种盐的性质”实验,填写下表。
试管序号 | 甲 | 乙 | 丙 |
实验操作 | |||
实验现象 | 红色溶液 | 白色沉淀 | 无色气体 |
实验结论 | 该盐是 (选填“NaCl”“Na2CO3”“Na2SO4”),其水溶液呈 性。 | ||
实验解释 | 丙中发生反应的化学方程式: 。 | ||
实验计算 | 全班同学完成试管乙实验,共消耗质量分数为10.4%的BaCl2溶液50g,实验后最多收集到 g白色沉淀。 | ||
(2)处理“CO2的实验室制取与检验”实验废液。全班同学完成该实验共产生1000g含HCl废液(固体已除,大理石中杂质未参加反应),不能直接排放。
【实验方案】先测定废液中HCl的质量分数,再用熟石灰处理废液至中性。
【实验操作】
①称量 g NaOH固体,溶解,配制30g 5%的NaOH溶液。
②取100mL小烧杯,倒入20g废液样品,插入pH计测定溶液的pH,向废液样品中逐滴加入5%的NaOH溶液。实验过程中溶液pH变化如图所示。
③投入 g熟石灰处理剩余废液(写出计算过程)。
【实验反思】有同学提出也可以根据盐酸具有挥发性直接加热废液除去杂质HCl,并得到CaCl2。写出你的观点及理由: 。
【答案】(1)Na2CO3;碱性;Na2CO3+2HCl=2NaCl+H2O+CO2↑;4.925;
(2)【实验操作】①1.5;
③由②图象可得,20g废液中的盐酸与16g5%的氢氧化钠溶液恰好反应
设盐酸溶液溶质的质量分数为y
NaOH+HCl=NaCl+H2O
40 36.5
16g×5% 20gy
=
解得:y=3.65%
设处理剩余废液需氢氧化钙的质量为z,
剩余废液质量1000g﹣20g=980g
Ca(OH)2+2HCl=CaCl2+2H2O
74 73
z 980g×3.65%
=
z=36.26g
【实验反思】不同意,氯化氢气体有毒,直接挥发会造成空气污染。
【解析】
解:(1)根据甲实验滴加酚酞试液时溶液变红色,说明溶液显碱性;根据乙实验加入氯化钡溶液时产生白色沉淀,说明溶液中含有碳酸根离子或硫酸根离子;根据丙实验加入稀盐酸时反应生成无色气体,说明溶液中含有碳酸根离子;通过以上实验现象可知该盐为碳酸钠;其水溶液呈碱性;并实验中碳酸钠与盐酸反应生成氯化钠、水和二氧化碳气体;化学方程式为Na2CO3+2HCl=+2NaCl+H2O+CO2↑;
设生成沉淀的质量为x
Na2CO3+BaCl2=BaCO3↓+2NaCl
208 197
50g×10.4% x
=
解得:x=4.925g
故填:Na2CO3;碱性;Na2CO3+2HCl=2NaCl+H2O+CO2↑;4.925;
(2)【实验操作】①配制30g 5%的NaOH溶液需氢氧化钠的质量为:30g×5%=1.5g;故填:1.5;
③由②图象可得,20g废液中的盐酸与16g5%的氢氧化钠溶液恰好反应
设盐酸溶液溶质的质量分数为y
NaOH+HCl=NaCl+H2O
40 36.5
16g×5% 20gy
=
解得:y=3.65%
设处理剩余废液需氢氧化钙的质量为z,
剩余废液质量1000g﹣20g=980g
Ca(OH)2+2HCl=CaCl2+2H2O
74 73
z 980g×3.65%
=
z=36.26g
故填:36.26;
【实验反思】盐酸具有挥发性直接加热废液除去杂质HCl,并得到CaCl2,理论上可行,但氯化氢气体有毒,直接挥发会造成空气污染;故填:不同意,氯化氢气体有毒,直接挥发会造成空气污染。
5.(2021•宿迁)某化学课堂围绕“酸碱中和反应”,将学生分成若干个小组展开探究。以下是教学片断,请你参加学习并填写空格。
【演示实验】将一定质量的稀盐酸加入盛有NaOH溶液的小烧杯中。
【提出问题】实验中未观察到明显现象,某同学提出疑问:反应后溶液中溶质是什么?
【猜想与假设】针对疑问,大家纷纷提出猜想。甲组同学的猜想如下,请补上猜想二。
猜想一:只有NaCl
猜想二:
猜想三:NaCl和HCl
猜想四:NaCl、NaOH和HCl
乙组同学认为有一种猜想不合理,不合理的猜想是 ,理由是 。
【实验探究】
(1)丙组同学取烧杯中的溶液少许于试管中,滴加几滴CuCl2溶液, (填实验现象),证明溶液中一定没有NaOH。
(2)为了验证其余猜想,各学习小组利用浇杯中的溶液,并选用了老师提供的pH试纸、K2CO3溶液、AgNO3溶液,进行如下三个方案的探究。
实验方案 | 测溶液的pH | 滴加K2CO3溶液 | 滴加AgNO3溶液 |
实验操作 | |||
实验现象 | 试纸变色,对照比色卡,pH<7 |
| 产生白色沉淀 |
实验结论 | 溶液中有HCl | 溶液中有HCl | 溶液中有HCl |
【得到结论】通过探究,全班同学一致认为猜想 正确。
【评价反思】老师对同学们能用多种方法进行探究,并且得出正确结论的活动过程给予肯定,同时指出(2)中存在两处明显错误。同学们经过反思发现以下两处错误:
①实验操作中的错误是 。
②实验方案中也有一个错误,错误的原因是 。
【答案】解:
【猜想与假设】猜想二:NaCl和NaOH;
猜想四:NaOH和HCl不能共存;
【实验探究】
(1)无明显现象;
(2)产生气泡;
【得到结论】猜想三;
【评价反思】①pH试纸直接插入溶液中测溶液的pH;
②AgNO3与NaCl也能反应生成氯化银白色沉淀。
【解析】
解:
【猜想与假设】猜想二:盐酸与氢氧化钠恰好完全反应,溶液溶质成分为氯化钠;盐酸有剩余时,溶液溶质成分为氯化钠和盐酸;氢氧化钠有剩余时,溶液溶质成分为氯化钠和氢氧化钠;猜想二故填:NaCl和NaOH;
不合理的猜想:由于盐酸和氢氧化钠反应,猜想四不正确;故填:猜想四,NaOH和HCl不能共存;
【实验探究】
(1)氯化铜与氢氧化钠反应有蓝色沉淀生成,由于溶液中没有氢氧化钠,不会有蓝色沉淀现象,故填:无明显现象;
(2)实验结论提供信息溶液中有盐酸,碳酸钾与盐酸反应有二氧化碳气体生成;故填:产生气泡;
【得到结论】氯化钠是盐酸和氯化钠反应的生成物,表格实验结论证明溶液中还有盐酸,故填:猜想三;
【评价反思】①测定溶液pH值的正确操作是将待测液滴到pH试纸上,试纸显示的颜色与标准比色卡对照读出pH值,实验操作中的错误是测溶液pH值,故填:pH试纸直接插入溶液中测溶液的pH;
②硝酸银既能与盐酸反应又能与氯化钠反应都生成氯化银白色沉淀,不能判断溶液中有盐酸,该实验方案是错误的,故填:AgNO3与NaCl也能反应生成氯化银白色沉淀。
6.(2020•南京)溶液在生产、生活中起着十分重要的作用。某学习小组的同学对溶液的性质进行探究。
【引发思考】
生理盐水是医疗上常用的一种溶液,100mL生理盐水(其密度可近似看做1g/cm3)中含有0.9g医用氯化钠,该溶液中溶质的质量分数为 。一瓶合格的生理盐水密封放置一段时间后,不会出现浑浊现象,原因是 。
【提出问题】
溶液的某些性质是否可以通过定量实验进行验证?
【查阅资料】
电导率传感器用于测量溶液的导电性强弱:一定条件下,电导率的大小能反映离子浓度的大小。
【实验探究1】
氯化钠溶于水形成溶液的过程中氯离子浓度电导率的测定。
第一步:读取室温为26℃,取100mL蒸馏水,加入烧杯中,放入磁力搅拌器磁珠;
第二步:校准传感器,组装仪器,设定搅拌档位;
第三步:用氯离子传感器和电导率传感器同时采集数据,迅速将一定质量的氯化钠加入烧杯中。实验数据如图1所示。
分析图1实验数据:
(1)a~b段曲线呈这种形态的原因是 。
(2)请说明实验过程中液体的电导率变化的原因 。
【交流反思1】
如何通过实验验证氯化钠溶液是均一的?请简要说明。 。
【实验探究2】
用氯离子传感器和电导率传感器同时采集数据,向一定体积、一定浓度的氯化钠溶液中慢慢加入等体积、一定浓度的硝酸银溶液,恰好完全反应。部分实验数据如图2所示。
【交流反思2】
推测c点时溶液的电导率是否为零,并说明理由。 。
【答案】【引发思考】0.9%;溶液是均一、稳定的。
【实验探究1】(1)氯化钠在水中逐渐溶解,氯离子浓度不断增大。
(2)在氯化钠未溶解时,蒸馏水几乎不导电,当氯化钠溶解后,离子浓度增加,电导率增大,当氯化钠全部溶解完毕后,离子浓度不在改变,电导率也不再变化。
【实验反思1】测定氯化钠溶液不同位置的氯离子浓度,数值相同,则说明氯化钠溶液为均一的。
【实验反思2】不为零,因为溶液中存在钠离子和硝酸根离子。
【解析】
解:【引发思考】溶质质量分数=,溶液具有均一稳定的性质,所以不会产生沉淀;
故答案为:0.9%;溶液是均一、稳定的。
【实验探究1】(1)根据图象可知,ab段氯离子浓度在增多,说明氯化钠在水中溶解,电离后产生氯离子;
故答案为:氯化钠在水中逐渐溶解,氯离子浓度不断增大。
(2)对照图1中两图,可以看出氯离子浓度增大,溶液电导率增大,当氯离子浓度达到一定浓度后不在发生浓度变化,电导率也不再变化,说明电导率随离子浓度发生变化,未溶解氯化钠时,电导率几乎为零,随着氯化钠的溶解,氯离子浓度增大,电导率增大,当达到饱和溶液,氯离子浓度不再改变,电导率不再发生变化;
故答案为:在氯化钠未溶解时,蒸馏水几乎不导电,当氯化钠溶解后,离子浓度增加,电导率增大,当氯化钠全部溶解完毕后,离子浓度不在改变,电导率也不再变化。
【实验反思1】在不同位置取溶液,测定溶液的氯离子浓度,根据数值判断溶液是否均一,数值一样说明各个点都相同;
故答案为:测定氯化钠溶液不同位置的氯离子浓度,数值相同,则说明氯化钠溶液为均一的。
【实验反思2】c点时虽然氯化钠与硝酸银反应生成了氯化银和硝酸钠,此时氯离子转变为沉淀,但是含有硝酸钠存在,可以电离出钠离子和硝酸根离子,溶液可以导电;
故答案为:不为零,因为溶液中存在钠离子和硝酸根离子。
7.(2020•徐州)某同学对碳酸钠、碳酸氢钠的组成及某些性质进行探究。
【认识组成】(1)由化学式Na2CO3、NaHCO3可知,两者含有的元素差别是 ;从构成离子的层次看,酸根离子分别是CO32﹣、HCO3﹣,依据酸根离子它们都可统称为 (填“碳酸盐”或“钠盐”)。
【比较性质】(2)为比较室温是20℃时Na2CO3、NaHCO3与水混合的变化,按图1进行实验,先向两支试管中分别加入各约1g Na2CO3、NaHCO3,再分别滴入几滴水,振荡后将温度计插入其中,发现盛有Na2CO3的试管中温度计的示数高于20℃,盛有NaHCO3的试管中温度计的示数低于20℃;再向两试管中各加入约5mL水和2滴酚酞试液,振荡后液体均呈红色。则NaHCO3与水混合时 (填“放出”或“吸收”)热量,NaHCO3溶液显 (填“酸性”或“碱性”)。
【提出问题】(3)Na2CO3、NaHCO3还有什么不同性质?
【查阅资料】NaHCO3受热易分解生成Na2CO3、H2O和CO2.Na2CO3受热不易分解。可用图2装置验证。
【进行实验】按图2连接装置,检查气密性后,分别装入相关药品(试管甲、乙中的固体质量应相等)。后续实验均按规范要求进行,完成实验。
①若要使实验效果更理想,则甲中应装入 (填“Na2CO3”或“NaHCO3”)。
②完成实验后,待试管冷却至室温,若甲、乙试管里剩余固体的质量分别用m(甲)、m(乙)表示,则m(甲) (填“>”或“=”或“<”)m(乙)。
【拓展应用】(4)若把碳酸和NaHCO3比较,受热容易分解的是 (填“碳酸”或“NaHCO3”)。除去Na2CO3粉末中混有的少量NaHCO3的方法是 。
(5)研究表明,Na2CO3在水中溶解时能生成自由移动的离子,且Na2CO3溶液中还含有很少的HCO3﹣,在Na2CO3溶液中存在的带负电荷的离子有HCO3﹣、 、 (填离子符号)。
【答案】(1)氢元素;碳酸盐;
(2)吸收;碱性;
(3)①Na2CO3,②>;
(4)碳酸; 加热;
(5)CO32﹣、OH﹣。
【解析】
解:(1)依据化学式Na2CO3、NaHCO3可知Na2CO3是由Na、C、O三种元素组成,NaHCO3可是由Na、C、O、H四种元素组成,两者含有的元素差别是氢元素,从离子构成来看Na2CO3是由 Na+、CO32﹣构成,NaHCO3是由 Na+、HCO3﹣构成,依据酸根离子它们都可统称为碳酸盐,故填:氢元素;碳酸盐;
(2)依据题意“按图1进行实验,先向两支试管中分别加入各约1g Na2CO3、NaHCO3,再分别滴入几滴水,振荡后将温度计插入其中,发现盛有Na2CO3的试管中温度计的示数高于20℃,盛有NaHCO3的试管中温度计的示数低于20℃”可知、NaHCO3溶于水吸热,因为酚酞溶液遇碱性溶液变红,依据题意“再向两试管中各加入约5mL水和2滴酚酞试液,振荡后液体均呈红色”说明NaHCO3溶液显碱性;故填:吸收;碱性;
(3)①依据题意中【查阅资料】NaHCO3受热易分解生成Na2CO3、H2O和CO2.Na2CO3受热不易分解。用图2装置验证可知甲试管受热温度高,乙试管受热温度低。若要使实验效果更理想,则甲中应装入Na2CO3,故填:Na2CO3,
②依据题意可知两支试管中分别加入各约1g Na2CO3、NaHCO3,加热后 Na2CO3因为不分解m(甲)=1g,而NaHCO3受热生成的H2O和CO2逸散到空气中,m(乙)<1g,故填:>;
(4)依据碳酸的性质,常温下就分解,而碳酸氢钠受热才分解,所以受热容易分解的是碳酸,根据题中【查阅资料】可知NaHCO3受热易分解生成Na2CO3、H2O和CO2.Na2CO3受热不易分解,所以除去Na2CO3粉末中混有的少量NaHCO3的方法是加热,故填:碳酸; 加热;
(5)因为Na2CO3在水中溶解时能生成Na+、CO32﹣,又因为Na2CO3溶液显碱性所以溶液中还含有OH﹣,因此在Na2CO3溶液中存在的带负电荷的离子有HCO3﹣、CO32﹣、OH﹣,故填:CO32﹣、OH﹣。
8.(2020•泰州)酸碱中和反应是初中阶段重要的一类反应,请你一起参与探究。
【实验探究Ⅰ】在50mL一定浓度的氢氧化钠溶液中滴加50mL一定浓度的盐酸,并用玻璃棒搅拌,观察到溶液的温度 ,由此现象小李同学得出两者能发生反应的结论。通过查阅相关资料后,小张同学发现此结论不够严谨,设计了下列3个对比实验:
①50mL一定浓度的盐酸与50mL蒸馏水混合,测量溶液温度的变化。
②50mL一定浓度的氢氧化钠溶液与50mL蒸馏水混合,测量溶液温度的变化。
③50mL一定浓度的盐酸与50mL一定浓度的氢氧化钠溶液混合,测量溶液温度的变化。
用数字化实验技术测得3个实验,溶液温度随时间变化的关系如图所示。
(1)由图可知,盐酸、氢氧化钠溶液稀释时均 (填“放热”或“吸热”),但它们稀释时温度的变化量远 两溶液混合时温度的变化量。
(2)从微观角度分析,此中和反应的温度变化主要是由于 (填离子符号)两种离子发生反应放出热量的缘故。
【实验探究Ⅱ】
(1)在50mL一定浓度的氢氧化钠溶液中滴加2~3滴酚酞试液,再逐滴加入一定浓度的盐酸,并用玻璃棒搅拌,溶液颜色由红色刚好变为无色时,可说明两者发生了反应。该反应的化学方程式为 。
(2)取一定量反应后的无色溶液加热蒸发,在蒸发的过程中,“意外”发现溶液由无色又变成红色。同学们对红色溶液中溶质的成分(酚酞除外)进行再探究。
查阅资料:酚酞在pH<8.2的溶液中呈无色,在8.2<pH<14的溶液中呈红色。
作出猜想:猜想一:NaCl
猜想二:NaCl、NaOH
猜想三:NaCl、NaOH和Na2CO3
同学们讨论后一致认为猜想 是错误的,理由是 。
实验验证:取样,滴加 ,无气泡产生,猜想三错误。
原因分析:反应后无色溶液中仍存在少量NaOH,加热蒸发,当溶液的pH在 范围内,溶液的颜色变红。
总结反思:向某碱性溶液中滴加2~3滴无色酚酞试液,振荡后溶液的颜色 (填“一定”或“不一定”)变红。
【答案】【实验探究Ⅰ】升高。
(1)小于。
(2)H+、OH﹣。
【实验探究Ⅱ】
(1)NaOH+HCl=NaCl+H2O。
(2)做出猜想:一。
实验验证::足量的稀盐酸。
原因分析:8.2~14。
总结反思:不一定。
【解析】
解:【实验探究Ⅰ】因为氢氧化钠与稀盐酸反应时,放热,所以溶液的温度会升高。
故填:升高。
(1)观察实验①、实验②和实验③对应的溶液温度变化的图象,曲线都有上升的部分,说明稀释两种溶液和它们发生化学反应时,都放出热量。根据图象,比较稀释溶液时温度变化的数据和发生反应时温度变化的数据,可以发现,稀释溶液时温度的变化量远小于两种溶液混合后温度的变化量。
故填:小于。
(2)从微观角度看,中和反应的实质是:H+与OH﹣反应,生成水分子。因此可以判断,发生中和反应时,溶液温度升高与这两种离子有关。
故填:H+、OH﹣。
【实验探究Ⅱ】
(1)氢氧化钠与盐酸在室温条件下反应,生成氯化钠和水,其反应的化学方程式为:NaOH+HCl=NaCl+H2O。
故填:NaOH+HCl=NaCl+H2O。
(2)做出猜想:因为氯化钠溶液呈中性,所以猜想一不正确。
故填:一。
实验验证:为了验证反应后的溶液中不含Na2CO3,可以选用一种药品与它发生化学反应,且生成气体,加入反应后的溶液中,看到没有气泡产生的现象,即可验证。根据Na2CO3的化学性质,可以选用稀盐酸,为了现象明显,要加入足量的稀盐酸。
故填:足量的稀盐酸。
原因分析:根据查阅资料获得的信息可知,反应后的溶液中含有少量的氢氧化钠,溶液的pH值<8.2,此时酚酞不变色。在蒸发过程中,溶液的pH值会逐渐变大,当溶液的8.2<pH<14时,酚酞就会变红色。
故填:8.2~14。
总结反思:由查阅资料中的信息可知,只有碱性溶液的pH值在8.2~14范围内时,加入的酚酞才能变红色。因此,向某碱性溶液中滴加2~3滴酚酞溶液,溶液不一定变红色。
故填:不一定。
9.(2020•苏州)钢铁的腐蚀是重要研究课题。
【知识回顾】用如图1所示实验进行铁钉腐蚀的研究。一段时间后试管A、B中铁钉几乎没有生锈,而试管C中铁钉明显锈蚀,试管D、E中铁钉严重锈蚀。
(1)由A、B、C的现象可知,铁的锈蚀是铁跟 (填化学式)等物质作用的过程。
(2)试管B中使用“煮沸并迅速冷却的蒸馏水”,其目的是 。
【实验探究】向试管D中(含生锈铁钉)加入过量10%稀盐酸,浸泡。可观察到铁锈逐渐消失,铁钉表面有气泡产生,溶液呈黄色,一段时间后黄色变为浅绿色。
(3)写出铁锈溶于盐酸的化学方程式: 。
(4)推测试管D中溶液由黄色变为浅绿色,可能是因为氯化铁与某些物质发生反应所致。现进行如表3个实验(持续10小时,已知氢气不影响该反应)
序号 | 实验Ⅰ | 实验Ⅱ | 实验Ⅲ |
实验内容 |
|
|
|
现象 | 溶液颜色始终呈黄色 | 产生红褐色沉淀 | 溶液逐渐由黄色变浅绿色 |
①设计实验Ⅰ的目的是 。
②综合分析上述3个实验,试管D中溶液由黄色变为浅绿色的原因是 。
【拓展延伸】研究水样的pH、水中溶解氧浓度与钢铁腐蚀速率的关系。查阅相关文献得到如下资料。
(5)图2表示水样温度22℃、氧含量6mL•L﹣1时,钢铁腐蚀速率与水样pH的关系。当pH<4时,钢铁腐蚀速率明显增大的原因是 。
(6)图3表示温度22℃、pH=7时,钢铁腐蚀速率与水中溶解氧浓度的关系。当溶解氧超过20mL•L﹣1时,钢铁腐蚀速率明显下降的原因可能是 。
【答案】(1)H2O、O2;
(2)除去蒸馏水中溶解的氧气且防止氧气再溶于水;
(3)Fe2O3+6HCl=2FeCl3+3H2O;
(4)①探究氯化铁能否与盐酸反应生成氯化亚铁;
②酸性条件下,氯化铁与铁钉反应生成氯化亚铁;
(5)钢铁与水样中的氢离子发生化学反应;
(6)钢铁表面生成较致密的氧化膜,阻碍氧气、水与钢铁的接触。
【解析】
解:(1)试管A中的铁钉只与氧气接触,没有锈蚀,试管B中的铁钉只与水接触,没有锈蚀,试管C中的铁钉与氧气、水同时接触发生了锈蚀,由A、B、C的现象可知,铁的锈蚀是铁跟水、氧气等物质作用的过程;故填:H2O、O2;
(2)蒸馏水中可能溶解有少量的氧气,所以试管B中使用“煮沸并迅速冷却的蒸馏水”,其目的是除去蒸馏水中溶解的氧气且防止氧气再溶于水;故填:除去蒸馏水中溶解的氧气且防止氧气再溶于水;
(3)铁锈的主要成分是氧化铁,氧化铁与盐酸反应生成氯化铁和水;故填:Fe2O3+6HCl=2FeCl3+3H2O;
(4)①设计实验Ⅰ的目的是探究氯化铁能否与盐酸反应生成氯化亚铁;故填:探究氯化铁能否与盐酸反应生成氯化亚铁;
②综合分析上述3个实验可知,酸性条件下,氯化铁与铁钉反应生成氯化亚铁,所以试管D中溶液由黄色变为浅绿色;故填:酸性条件下,氯化铁与铁钉反应生成氯化亚铁;
(5)由图象2可知,当pH<4时,钢铁与水样中的氢离子发生化学反应,所以钢铁腐蚀速率明显增大;故填:钢铁与水样中的氢离子发生化学反应;
(6)当溶解氧超过20mL•L﹣1时,钢铁表面生成较致密的氧化膜,阻碍氧气、水与钢铁的接触,所以钢铁腐蚀速率明显下降;故填:钢铁表面生成较致密的氧化膜,阻碍氧气、水与钢铁的接触。
10.(2019•南京)某课外兴趣小组的同学对二氧化碳的制取和性质进行相关探究。
【实验回顾】
(1)实验室用大理石与稀盐酸制取二氧化碳的化学方程式为 。用向上排空气法收集二氧化碳的原因是 。
【实验探究】
(2)如图1所示,打开汽水瓶盖,有大量气泡冒出,塞上带导管的橡皮塞,导管另一端伸入装有滴加了紫色石蕊溶液的蒸馏水的试管中,轻轻振荡汽水瓶,观察到紫色石蕊溶液变红;加热上述试管,发现溶液颜色由红色变为紫色,写出上述变化过程中反应的化学方程式 , 。
(3)打开汽水瓶盖时,有大量气泡冒出,说明气体的溶解度随 。
(4)如图2所示,在C处放入用石蕊溶液染成紫色的干燥的纸花完成以下实验:
在A处持续而缓缓地通入气体X.当关闭K时,C处的紫色石蕊纸花不变色;当打开K后,C处的紫色石蕊纸花变为红色。
若气体X为未经干燥的二氧化碳,则B瓶中盛放的溶液可以为 (填字母)。
若气体X为未经干燥且混有氯化氢的二氧化碳,则B瓶中盛放的溶液可以为 (填字母)。
A.浓硫酸
B.氢氧化钠溶液
C.饱和碳酸氢钠溶液
【交流反思】
(5)该小组用空气样品和提高二氧化碳含量的空气的样品,控制相同条件测定二者在光照前后温度的变化,实验结果如图3.则与空气样品对应的温度变化曲线是 (填“a”或“b”),二氧化碳可以产生温室效应。
请简述温室效应对人类生存环境的功与过: (各写一点)。
【答案】(1)CaCO3+2HCl=CaCl2+H2O+CO2↑;二氧化碳的密度比空气大,且不与空气的主要成分反应;
(2)CO2+H2O=H2CO3;H2CO3H2O+CO2↑;
(3)压强的降低而减少;
(4)AB;AB;
(5)a;功:温室效应使全球平均地表温度提高到目前适合人类生存的温度;过:温室效应增强,全球气候变暖,使土壤沙漠化。
【解析】
解:(1)硫酸钙和盐酸反应生成氯化钙、水和二氧化碳,化学方程式为:CaCO3+2HCl=CaCl2+H2O+CO2↑;二氧化碳的密度比空气大,且不与空气的主要成分反应,所以收集二氧化碳用向上排空气法;
(2)二氧化碳和水反应生成碳酸,化学方程式为:CO2+H2O=H2CO3;碳酸不稳定受热生成二氧化碳和水,化学方程式为:H2CO3H2O+CO2↑;
(3)打开汽水瓶盖时,有大量气泡冒出,说明气体的溶解度随着压强的降低而减少;
(4)通过题干所给信息可知,气体X为未经干燥的二氧化碳时,当关闭K时,C处的紫色石蕊纸花不变色,有两种情况可以出现这样的现象,①二氧化碳气体中的水蒸气被除去了,无法生成碳酸;②把二氧化碳气体给除去了;气体X为未经干燥且混有氯化氢的二氧化碳时和上面情况类似,当气体中的水蒸气被除去或气体被吸收时,C处的紫色石蕊纸花不变色;
(5)根据图示可知,曲线b表示提高二氧化碳含量的空气的样品在光照前后温度的变化;a是空气样品对应的温度变化曲线;
结合所学知识描述温室效应的功:温室效应使全球平均地表温度提高到目前适合人类生存的温度;
过:温室效应增强,全球气候变暖,使土壤沙漠化。
故答案为:
(1)CaCO3+2HCl=CaCl2+H2O+CO2↑;二氧化碳的密度比空气大,且不与空气的主要成分反应;
(2)CO2+H2O=H2CO3;H2CO3H2O+CO2↑;
(3)压强的降低而减少;
(4)AB;AB;
(5)a;功:温室效应使全球平均地表温度提高到目前适合人类生存的温度;过:温室效应增强,全球气候变暖,使土壤沙漠化。
11.(2019•苏州)水是生命之源,是“永远值得探究的物质”,人类从未停止过对水的研究。
(1)1766年,英国化学家卡文迪许用锌和稀硫酸制得“可燃空气”,他所说的“可燃空气”成分是 (填化学式)。“可燃空气”在纯氧中燃烧生成水,可得出“水是一个结合物而不是简单元素”。
(2)1785年,拉瓦锡将水蒸气通过红热的铁制枪管将水转化为氢气,同时生成四氧化三铁,实验示意图如图1所示。上述反应的化学方程式为 。该反应若生成1g氢气,则理论上铁制枪管应增重 g。实验发现枪管实际增重比理论数值大,其可能的原因是 。
(3)1800年,英国化学家尼科尔森通过电解水得到氢气和氧气,后人不断研究和改进该实验。现有某同学在水电解器中加入含酚酞的稀Na2SO4溶液,至充满管A和管B(Na2SO4溶液呈中性且不参与反应)。通直流电一段时间后现象如图2所示。电解结束后将容器内所有液体倒入烧杯中,溶液呈无色。
①下列说法正确的是 (填字母)。
a.硫酸钠在水中形成自由移动的Na+和SO42﹣,可增强水的导电性
b.电解过程中化学能转化为电能
c.电极N与电源负极相连
②电解后,管A中生成的微粒有 (填微粒符号)。
(4)当温度、压强分别超过临界温度(374.2℃)和临界压强(22.1MPa)时的水称为超临界水。现代研究表明:超临界水能够与氧气以任意比例互溶,由此发展了超临界水氧化技术。550℃时,测得乙醇(C2H6O)的超临界水氧化结果如图3所示。
注:δ(分布分数)表示某物质分子数占所有含碳物质分子总数的比例。
如δ(CO)=
图中CO的分布分数先增后降的原因是 。
【答案】(1)H2;
(2)3Fe+4H2OFe3O4+4H2; 8; 枪管外壁部分铁与空气中的氧气反应而增重;
(3)①ac;
②O2和H+;
(4)在超临界水氧化过程中,乙醇先氧化成CO,CO再氧化成CO2。
【解析】
解:(1)由“可燃空气”在纯氧中燃烧生成水可知,“可燃空气”是氢气,化学式为:H2;
(2)水和铁在高温的条件下生成四氧化三铁和氢气,化学方程式为:3Fe+4H2OFe3O4+4H2;
设生成1g氢气,理论上铁制枪管应增重的质量为x。
3Fe+4H2OFe3O4+4H2 质量差
168 232 8 232﹣168=64
1g x
x=8g
实验发现枪管实际增重比理论数值大,其可能的原因是枪管外壁部分铁与空气中的氧气反应而增重;
(3 )①a.水中加入少量的稀Na2SO4溶液以增强水的导电性,故a正确;
b.电解过程中是电能转化为化学能,故b错误;
c.与电源负极相连的玻璃管内产生的气体是氢气,气体体积约是氧气的2倍,故c正确;
②电解后,管A中生成物质是氧气和未来得及转移到B管的氢离子,管A中生成的微粒有:O2和H+;
(4)根据题干和图示所提供的信息可知,图中CO的分布分数先增后降的原因是:在超临界水氧化过程中,乙醇先氧化成CO,CO再氧化成CO2。
故答案为:
(1)H2;
(2)3Fe+4H2OFe3O4+4H2; 8; 枪管外壁部分铁与空气中的氧气反应而增重;
(3)①ac;
②O2和H+;
(4)在超临界水氧化过程中,乙醇先氧化成CO,CO再氧化成CO2。
12.(2019•无锡)水产养殖的速效增氧剂“鱼浮灵”的主要成分是过氧碳酸钠(aNa2CO3•bH2O2)。
某化学研究小组对“鱼浮灵”的制备、成分测定及增氧原理进行了如下探究。
【查阅资料】①过氧碳酸钠有Na2CO3和H2O2的双重性质;50℃开始分解。
②过氧碳酸钠在异丙醇(有机溶剂)中的溶解度较低。
Ⅰ.“鱼浮灵”的制备。
实验室用Na2CO3与稳定剂的混合溶液和30%的H2O2溶液反应制备过氧碳酸钠,实验装置如图所示。
(1)反应温度不能超过20℃的原因是 。
(2)反应结束后,停止搅拌,向反应液中加入异丙醇,静置过滤、洗涤、干燥,获得过氧碳酸钠固体。加入异丙醇的目的 。
Ⅱ.“鱼浮灵”的成分测定。
【定性检测】检测过氧碳酸钠溶液中的成分。
(3)请补充完成下列实验报告中的相关内容。
实验序号 | 实验步骤 | 实验现象 | 解释或结论 |
① | 取样,加入MnO2粉末,用带火星的木条伸入试管内 | 木条复燃 | 反应的化学方程式
|
② |
|
| 溶液中含有Na2CO3 |
【定量研究】测定“鱼浮灵”中过氧碳酸钠的组成。
实验③:称取一定质量的“鱼浮灵”样品于小烧杯中,加适量水溶解,向小烧杯中加入足量Ba(OH)2溶液,过滤、洗涤、干燥,得到碳酸钡(BaCO3)固体3.94g。
实验④:另称取相同质量的“鱼浮灵”样品于锥形瓶中,加入足量稀硫酸,再逐滴加入高锰酸钾溶液,充分反应,消耗KMnO4的质量为1.896g,该反应的原理是:2KMnO4+5H2O2+3H2SO4═K2SO4+2MnSO4+5O2↑+8H2O。
(4)计算确定过氧碳酸钠(aNa2CO3•bH2O2)的化学式(写出计算过程)。
Ⅲ.“鱼浮灵”的增氧原理。
研究小组通过测定常温下相同时间内水溶液中溶解氧的变化,探究CO32﹣、OH﹣对H2O2分解速率的影响,设计了对比实验,实验数据记录如下表。
编号 | ① | ② | ③ | ④ | ⑤ |
试剂 | H2O | 4%H2O2溶液 | Na2CO3固体 4%H2O2溶液 | NaOH溶液 4%H2O2溶液 | NaOH溶液 4%H2O2溶液 |
pH | 6.96 | 6.01 | 8.14 | 8.15 | 9.26 |
溶解氧 (mg•L﹣1) | 5.68 | 6.44 | 9.11 | 9.12 | 10.97 |
(5)由实验②可知,常温下,过氧化氢水溶液呈 (填“酸性”“中性”或“碱性”)。
(6)过氧碳酸钠可以速效增氧的原理是 。
【答案】(1)温度超过20℃时过氧化氢分解。
(2)减小过氧碳酸钠的溶解度,使过氧碳酸钠析出。
(3)
实验序号 | 实验步骤 | 实验现象 | 解释或结论 |
① | 取样,加入MnO2粉末,用带火星的木条伸入试管内 | 木条复燃 | 反应的化学方程式:2H2O22H2O+O2↑ |
② | 取样,加入氯化钙溶液 | 产生白色沉淀 | 溶液中含有Na2CO3 |
(4)设碳酸钠质量为x,过氧化氢质量为y,
Na2CO3+Ba(OH)2═BaCO3↓+2NaOH,
106 197
x 3.94g
=,
x=2.12g,
2KMnO4+5H2O2+3H2SO4=K2SO4+2MnSO4+5O2↑+8H2O,
316 170
1.896g y
=,
y=1.02g,
根据题意有:=,
=,
过氧碳酸钠的化学式是2Na2CO3•3H2O2。
(5)酸性。
(6)碳酸钠溶液显碱性,能够促进过氧化氢分解。
【解析】
解:(1)反应温度不能超过20℃的原因是温度超过20℃时过氧化氢分解。
故填:温度超过20℃时过氧化氢分解。
(2)加入异丙醇的目的是减小过氧碳酸钠的溶解度,使过氧碳酸钠析出。
故填:减小过氧碳酸钠的溶解度,使过氧碳酸钠析出。
(3)取样,加入MnO2粉末,用带火星的木条伸入试管内,木条复燃,是因为过氧化氢在二氧化锰催化作用下分解生成水和氧气,反应的化学方程式:2H2O22H2O+O2↑;
取样,加入氯化钙溶液,产生白色沉淀,是因为碳酸钠和氯化钙反应生成碳酸钙沉淀和氯化钠,实验过程如下所示:
实验序号 | 实验步骤 | 实验现象 | 解释或结论 |
① | 取样,加入MnO2粉末,用带火星的木条伸入试管内 | 木条复燃 | 反应的化学方程式:2H2O22H2O+O2↑ |
② | 取样,加入氯化钙溶液 | 产生白色沉淀 | 溶液中含有Na2CO3 |
(4)设碳酸钠质量为x,过氧化氢质量为y,
Na2CO3+Ba(OH)2═BaCO3↓+2NaOH,
106 197
x 3.94g
=,
x=2.12g,
2KMnO4+5H2O2+3H2SO4=K2SO4+2MnSO4+5O2↑+8H2O,
316 170
1.896g y
=,
y=1.02g,
根据题意有:=,
=,
过氧碳酸钠的化学式是2Na2CO3•3H2O2。
答:过氧碳酸钠的化学式是2Na2CO3•3H2O2。
(5)由实验②可知,常温下,过氧化氢水溶液呈酸性。
故填:酸性。
(6)过氧碳酸钠可以速效增氧的原理是碳酸钠溶液显碱性,能够促进过氧化氢分解。
故填:碳酸钠溶液显碱性,能够促进过氧化氢分解。
(2019-2021)江苏中考化学真题分项汇编专题11 计算题: 这是一份(2019-2021)江苏中考化学真题分项汇编专题11 计算题,共29页。试卷主要包含了的主要成分如图1所示等内容,欢迎下载使用。
(2019-2021)江苏中考化学真题分项汇编专题10 工业流程题: 这是一份(2019-2021)江苏中考化学真题分项汇编专题10 工业流程题,共25页。试卷主要包含了海洋是一个巨大的资源宝库,碳酸氢铵是一种常用的化学肥料,硝酸钙可用于无土栽培等,制取Fe3O4的一种流程如图,制备钛的一种流程如下,为原料生产MgO的工艺流程如图,为原料制备MgCO3•3H2O,2]的一种流程如图等内容,欢迎下载使用。
(2019-2021)江苏中考化学真题分项汇编专题07 选择题压轴题: 这是一份(2019-2021)江苏中考化学真题分项汇编专题07 选择题压轴题,共23页。试卷主要包含了2的性质等内容,欢迎下载使用。

