2022年中考物理复习之专题突破训练:浮力实验探究
展开
这是一份2022年中考物理复习之专题突破训练:浮力实验探究,共9页。
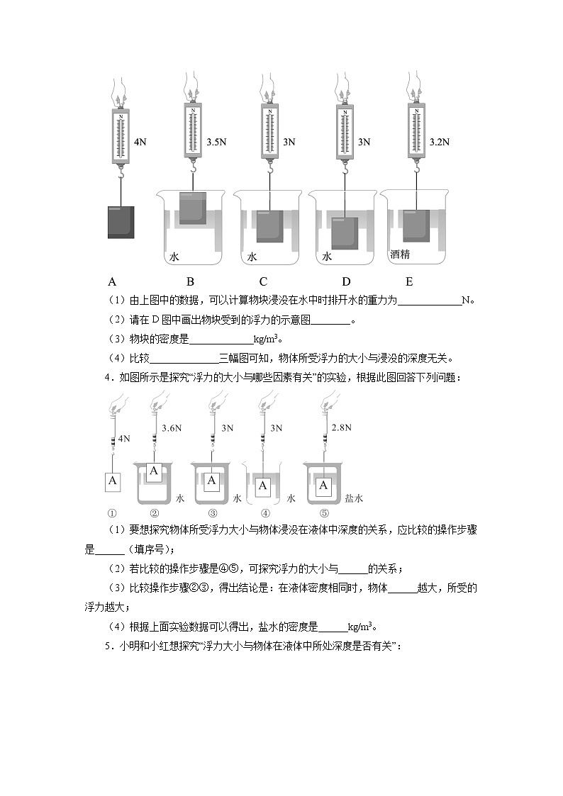
浮力实验探究 1.为探究浮力大小与哪些因素有关,某同学设计了如图所示实验,请依据实验回答:(1)比较B、C两图可知,物体浸在水中的体积越大,受到的浮力_____;(2)比较图____和图_____可知,物体所受浮力的大小与液体的密度有关;(3)比较图_____和图_____可知,物体所受浮力大小与浸入的深度无关;(4)由图中的实验数据可知,盐水的密度为_____kg/m3。2.在探究“影响浮力大小的因素”这一问题时,根据下图所示实验操作,从中选出一些图,针对某一个因素进行研究,并通过分析弹簧测力计的示数,得到探究结果。(1)比较分析图①______,说明浮力的大小与物体浸入的深度无关;(2)物块A浸没在水中时,它所受的浮力为_____N;(3)小宏在图④中弹簧测力计刻度盘的3N处对应标上1.0g/cm3(水的密度)的字样;当他把物块浸没在盐水中时,如图⑤,应该在弹簧测力计刻度盘的______N处对应标上1.1g/cm3(盐水的密度)的字样,聪明的他就将图①所示装置改装成了一个能测液体密度的密度秤。3.某物理兴趣小组做了如图所示的实验来探究影响浮力大小的因素。(1)由上图中的数据,可以计算物块浸没在水中时排开水的重力为_____________N。(2)请在D图中画出物块受到的浮力的示意图________。(3)物块的密度是_____________kg/m3。(4)比较______________三幅图可知,物体所受浮力的大小与浸没的深度无关。4.如图所示是探究“浮力的大小与哪些因素有关”的实验,根据此图回答下列问题:(1)要想探究物体所受浮力大小与物体浸没在液体中深度的关系,应比较的操作步骤是______(填序号);(2)若比较的操作步骤是④⑤,可探究浮力的大小与______的关系;(3)比较操作步骤②③,得出结论是:在液体密度相同时,物体______越大,所受的浮力越大;(4)根据上面实验数据可以得出,盐水的密度是______kg/m3。5.小明和小红想探究“浮力大小与物体在液体中所处深度是否有关”:(1)如图所示(图中所标数值为测力计的示数),实验时他们先用弹簧测力计测出金属块的重力为______N;(2)小明让金属块从图①到②位置,观察到测力计示数______,说明金属块受到的浮力______(均填“变小”或“变大”),他得出:浮力大小与物体所处的深度有关;(3)小红让金属块从图③到④位置,发现两次弹簧测力计示数相同,金属块所受浮力都为______N,她得出:浮力大小与物体所处的深度无关;(4)从这两个同学的不同实验结果,你能得出什么结论?答:物体浸没前,受到的浮力与物体底部所处的深度______;物体浸没后,受到的浮力与物体底部所处的深度______;(5)大量的实验结果表明:浸在液体中的物体受到向上的浮力,浮力的大小等于______。这就是著名的阿基米德原理。6.如图甲是“探究浮力大小”的实验过程示意图。(1)步骤B和___________可以测出物块浸没在水中时受到的浮力F浮,步骤A和___________可以测出物块排开的水所受重力G排;比较F浮与G排,可以得到浮力的大小跟物体排开的水所受重力的关系。(2)图乙是物块缓慢浸入水中时,弹簧测力计示数F随浸入深度h变化的关系图象。分析图象,可得关于浮力大小的初步结论①物块浸没前,物体排开的液体体积越大,物块所受的浮力___________;②物块浸没后,所受的浮力大小与___________无关。7.在研究浮力的实验中,小明同学做了以下实验:(1)测量质量m=500g的物体A浸没在水中所受浮力大小步骤如下:①如图甲所示,用细线把物体A挂在弹簧测力计上,测出物体A所受的重力为GA=______N;②如图乙所示,把物体A浸没在水中,然后用弹簧测力计测量,其读数为G'A=______N,A物体所受浮力大小为F浮=______N(ρ水=1×103kg/m3);③根据①②分析可知,浮力公式可表示为:F浮=______(用GA、G'A字母表示);④物体A的密度为______kg/m3;(2)将B物体挂在弹簧测力计上,将其浸没在水中,测力计示数变为零。然后取下B物体,浸没入水中后轻轻松手,物体B将会______(选填“上浮”、“悬浮”或“下沉”);(3)将C物体浸没入水中,测量它所受浮力与深度的关系见下表。浸没在水中的深度h(cm)2468物体所受的浮力(N)0.80.80.80.8①实验中,每次均让C浸没,目的是为了______;②根据表中的数据作出C物体所受浮力与深度关系图______;③由上图分析可知,浮力与物体浸没的深度______(选填“有关”或“无关”)。8.为了验证“阿基米德原理”,小明所在的兴趣小组设计了如图所示的实验装置:其中A、B为弹簧测力计,C为金属块,D为薄塑料袋(质量不计),E是自制溢水杯,F是可升降平台。 (1)先将金属块挂在测力计A下,读出金属块未浸入水中时测力计的示数F如图甲所示,则金属块的重力是________N,然后将溢水杯放在可升降平台上,在溢水杯中装满水,并将两支弹簧测力计及薄塑料袋按图乙方式组装好。(2)小明逐渐调高平台F,使金属块浸入水中的体积越来越大、观察到弹簧测力计A的示数逐渐________(选填“变大”,“变小”或“不变”);同时观察到D中水的体积越来越多,这表明浮力大小与________有关。(3)实验时,金属块在浸入水的过程中弹簧测力计A示数的变化量为△FA,弹簧测力计B示数的变化量为△FB,若△FA_________△FB(选填“>”“<”或“=”),则说明阿基米德原理是成立的。(4)金属块浸没(未碰底)在水中后弹簧测力计A示数为1.2N,则此时金属块受到的浮力是_______N,金属块排入D中水重为_________N;若此时,弹簧测力计B的示数为3.0N,则小明在实验中可能存在的不当操作是_________(写出一种可能)。9.小明利用如图所示的器材探究物体所受浮力的大小跟排开液体的重力的关系。(1)图中的四个实验步骤(甲乙丙丁)的最佳顺序是______;(2)小明按照最佳的步骤顺序进行操作,并记录弹簧测力计的示数如图所示,由______两实验步骤可以测出物块所受浮力为______N;由丙丁两实验步骤可以测出物体排开水的重力为______N;(3)分析数据,得出结论:物体所受浮力______排开的液体所受的重力(选填“大于”、“小于”或“等于”);(4)在乙步骤的操作中,若只将物块的一部分浸在水中,其他步骤操作不变,则______(选填“能”或“不能”)得到与(3)相同的结论;(5)若甲图中的水未达到溢水口,会得到物体所受浮力______排开的液体所受的重力的结论。(选填“大于”、“小于”或“等于”)。10.小红研究密度计浸入液体深度的影响因素。如图所示,她用下端缠绕细铜丝的均匀木棒制成密度计,放入不同液体中,密度计均能竖直漂浮.小红记录密度计在不同液体中静止时,密度计浸入液体的深度,并填写在表格中.实验序号液体密度(克/厘米)浸入深度h(厘米)10.812.520.911.131.010.041.19.051.2 ①密度计所涉及到的物理知识有:二力平衡条件和________。②分析比较表格中的数据及相关现象,可得出的初步结论是:同一支密度计________。③请推测实验序号5中的浸入深度h________8厘米(选填“>”、“=”或“<”)。11.在“验证阿基米德原理”的实验中,某小组同学用测力计悬挂着体积均为200cm3的不同物体逐渐浸入到不同液体中,实验过程如图所示,他们观察并记录了测力计的示数及量筒中液体体积的变化,所有数据均记录在下表中。液体密度(g/cm3)实验序号测力计示数F1(牛)测力计示数F2(牛)F1-F2(牛)液体体积V1(cm3)液体体积V2(cm3)V2-V1(cm3)1.0154.50.5100150502541.01002001003532.010030020045051003002001.251.81.20.61251755061.80.61.212522510071.801.8125275150(1)在此实验中量筒中液面的两次示数差(V2﹣V1)表示了______;(2)分析比较实验序号1与2与3(或5与6与7)可初步得出的结论:______;(3)分析比较实验序号______,可初步得出的结论:当排开液体的体积相同时,液体密度越大,浸在液体中的物体受到的浮力越大;(4)分析实验序号4中的数据及相关条件,物体受到浮力大小为______牛,产生这种现象的原因可能是______。12.在学习了质量、密度、浮力的知识后,小琳进行以下实验:(1)在练习测量小石块的质量实验中,调节天平平衡时,小琳发现指针静止在如图甲所示的位置,此时应将平衡螺母向______(选填“左”或“右”)调节;由图乙可知小石块的质量为______g; (2)小琳利用浮力知识测量橡皮泥的密度,实验步骤:A.测出空烧杯的质量m0;B.将橡皮泥捏成碗状,轻放入盛满水的溢水杯中,橡皮泥漂浮,用烧杯接住溢出的水(如图a);C.测出烧杯和水的总质量m1;D.将该橡皮泥取出捏成团,放入盛满水的溢水杯中,橡皮泥沉底,用另一相同的空烧杯接住溢出的水(如图b); E.测出烧杯和水的总质量m2。分析以上实验步骤,橡皮泥密度的表达式为ρ=______(用m0、m1、m2及ρ水等物理量的符号表示)。 参考答案1.越大 D E C D 1.1×1032.③④ 1 2.93.1 4×103 ACD4.③④ 液体密度 排开液体的体积 1.2×1035.10 变小 变大 3 有关 无关 它排开的液体所受的重力6.D E 越大 浸没的深度7.4.9 3.5 1.4 GA-G'A 3.5×103 悬浮 控制排开水的体积相同 无关8.4.6 变小 排开液体的体积 等于 3.4 3.4 溢水杯没有装满9.丁、甲、乙、丙 甲、乙 1 1 等于 能 大于10.阿基米德原理 漂浮在不同液体中,液体密度越大,密度计浸入液体的深度越小 >11.排开液体的体积 当液体密度相同时,物体受到的浮力与排开液体的体积成正比,排开液体的体积越大,物体受到的浮力越大 1与5(或2与6) 2.0 物体碰到了量筒底部12.左 32
相关试卷
这是一份中考必刷题专题 训练17浮力实验探究题,共6页。试卷主要包含了探究浮力的大小等内容,欢迎下载使用。
这是一份2022年中考物理复习之专题突破训练《专题二:压强与浮力》,共136页。试卷主要包含了选择题,填空题,作图题,实验探究题,计算题,解答题等内容,欢迎下载使用。
这是一份2022年中考物理复习之专题突破训练:压强,共19页。试卷主要包含了单选题,多选题,填空题,实验题,计算题等内容,欢迎下载使用。

