2022年中考物理复习---焦耳定律计算综合
展开
这是一份2022年中考物理复习---焦耳定律计算综合,共24页。试卷主要包含了,求等内容,欢迎下载使用。
焦耳定律计算综合
一.计算题(共11小题)
1.(2021•包头模拟)浴霸是安装在浴室可供取暖和照明的家用电器,某浴霸的铭牌和简化电路图如图所示,图中灯L为照明灯,其他灯为规格完全相同的红外线取暖灯。为节约用电,暖灯工作时照明灯开关一定断开。求:
型号
LWLZ20﹣19
额定电压(V)
220
额定频率(Hz)
50
暖灯/1个(W)
484
照明灯(W)
40
使用面积(m2)
10
(1)照明灯正常工作时电阻为多少Ω?
(2)暖灯正常工作时,干路中的电流最小是多少?
(3)暖灯正常工作时,使容积为25m3浴室的空气温度升高20℃,最短需要多长时间。(ρ空气≈1.2kg/m3,c空气≈1.0×103J/(kg•℃),不考虑其他因素影响,结果保留到个位)
2.(2021•南平模拟)下表是某款两挡位电火锅的有关参数,如图甲是其简化电路图,R1和R2为阻值不变的电热丝,单刀双掷开关S可接1或2,实现不同挡位的变换。
(1)求R1电热丝的阻值。
(2)电火锅正常工作时,用低温挡将2kg的水从60℃加热到70℃,求此过程中水吸收的热量[c水=4.2×103J/(kg•℃)]。
(3)电火锅正常工作时,分别用低温挡和高温挡将质量2kg的水加热,绘制的水温随时间变化的图象如乙图所示。请通过计算比较使用高温挡还是低温挡更节能。
额定电压U/V
电火锅挡位
额定功率P/W
220
低温
250
高温
880
3.(2021•河南三模)图甲为某品牌空气炸锅,其发热元件为两个电阻,R1=48.4Ω,R2=484Ω,额定工作电压为220V,通过开关S、S1,可实现高温挡、中温挡和低温挡三个挡位的切换,其内部电路可简化为图乙所示电路。
(1)空气炸锅在工作时会通过电动机向内部吹风,借助循环风,达到炸锅内部迅速升温的目的,炸锅中电动机的工作原理为 。
(2)开关S1闭合,开关S接a端时为 (选填“高温挡”、“中温挡”或“低温挡”),求此时通过电阻R2的电流?(结果保留两位小数)
(3)若不计热量损失,用此空气炸锅高温挡加工薯条,原料薯条温度为20℃,炸熟至少需要达到170℃,求一次炸熟200g薯条需要多少时间?[c薯条取3.63×103J/(kg•℃)]
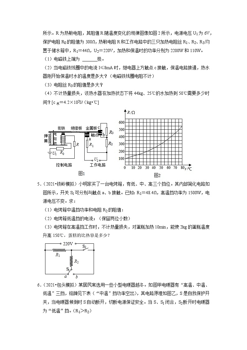
4.(2021•河南模拟)某科技小组设计的电热水器具有加热和保温功能,其工作原理如图1所示。R为热敏电阻,其阻值R随温度变化的规律图像如图2所示,电源电压U1为6V,保护电阻R0的阻值为300Ω,热敏电阻R和工作电路中的三只加热电阻丝R1、R2、R3均置于储水箱中,R1=44Ω,U2=220V,加热和保温时的功率分别为2200W和110W。
(1)电磁铁上端为 极。
(2)当电磁铁线圈中的电流I≤8mA时,继电器上方触点c接触,保温电路接通,热水器刚开始保温时水的温度是多大?(电磁铁线圈电阻不计)
(3)电阻丝R3的阻值是多大?
(4)不计热量损失,该热水器在加热状态下将44kg、25℃的水加热到50℃需要多少时间?[c水=4.2×103J/(kg•℃]
5.(2021•铁岭模拟)小明家买了一台电烤箱,有低、中、高三个挡位。其内部简化电路如图所示,开关S1可分别与触点a、b接触。已知:R1=48.4Ω,高温挡功率为1500W,电源电压不变。求:
(1)电烤箱中温挡功率和电阻R2的阻值:
(2)电烤箱低温挡的电流;(保留两位小数)
(3)电烤箱在高温挡工作时,不计热量损失,对蛋糕加热10min,能使2kg的蛋糕温度升高150℃,蛋糕的比热容是多少?
6.(2021•包头模拟)某居民常选用一些小型电暖器越冬。如图甲电暖器有“高温、中温、低温”三挡,铭牌见下表(“中温”挡功率空出),其电路原理如图乙,S是自我保护开关,当电暖器倾倒时S自动断开,切断电源保证安全。当S、S1闭合,S2断开时电暖器为“低温”挡。(R1>R2)
额定电压
220V
额定功率
低温挡
440W
中温挡
高温挡
1600W
求:(1)R1的阻值;
(2)“中温”挡正常工作时电路中的电流;
(3)若室内空气质量为50kg,用该电暖器的“高温”挡正常工作10min,放出热量的50%被室内空气吸收,那么可使室内气温升高多少?[假设空气的比热容为1.0×103J/(kg•℃)]。
7.(2022•巧家县模拟)学校教师办公室常用电热水壶烧水,如图为某品牌电热水壶及其铭牌,请解答下列问题。[ρ水=1.0×103kg/m3,c水=4.2×103J/(kg•℃)]
额定电压
220V
频率
50Hz
额定功率
1000W
水壶容积
1.0L
加热方式
底盘加热
(1)该水壶正常工作时的电流为多少安?(小数点后保留2位)
(2)该水壶正常工作4min消耗的电能是多少焦?
(3)电热水壶装满水后,从30℃加热到100℃,水吸收的热量是多少?
(4)工作中,电水壶通过导线接到电路里,为什么电壶可以把水烧开,而导线却几乎不发热?
8.(2021•河南三模)如图甲所示是某品牌电饭煲,图乙是该电饭煲的原理图。它有加热和保温两挡,通过开关S进行调节,R0与R为阻值不同的电热丝。现在将该电饭煲接在220V的电源上,用加热挡工作时,电路的总功率为1000W;用保温挡工作时,电路的总功率为440W。已知c水=4.2×103J/(kg•℃)。求:
(1)电饭煲在低温挡时,开关S应 (选填“闭合”或“断开”)。
(2)电热丝R0的阻值是多少?
(3)当电饭煲在额定功率下工作时,要使质量为2kg的水温度升高30℃,需要多长时间(不计热量损失)?
(4)若电饭煲的质量为2.5kg,底面积为500cm2,每次煲饭可加入1.5kg的大米和1kg的水,那么煲饭时,电饭锅对水平桌面的压强是多少(g取10N/kg)?
9.(2021•新泰市模拟)图甲是一个豆浆机的实物图,豆浆机的中间部位是一个电动机,电动机通过金属杆带动其下部的刀片旋转,旋转的刀片可将原料粉碎打浆;刀片外部是一个环状加热管(电热丝),用来对豆浆加热。该豆浆机的部分参数如表所示,制作豆浆的过程是加热和打浆交替进行。图乙是该豆浆机做好一次豆浆的P﹣t图象,一次打浆要向豆浆机中加入黄豆和清水共1.5kg,共需11min完成加工过程。c豆浆=4.0×103J/(kg•℃),求:
额定电压
220V
频率
50Hz
电动机功率
110W
加热功率
1210W
(1)豆浆机正常打浆时,通过电动机电流是多少?
(2)豆浆机正常工作时,加热管电阻丝的阻值是多少?
(3)根据P﹣t图可知,从第8min至第11min为第二段豆浆的加热过程,若此过程中豆浆温度由70℃上升到100℃,求这段过程中豆浆吸收的热量是多少?
(4)豆浆机做好一次豆浆,消耗的总电能是多少?
10.(2021•克东县校级三模)养生壶是大家非常喜欢的小电器,有加热、保温等功能,接在220V的家庭电路中使用,如图甲所示,图乙是养生壶的加热水相部分工作原理电路图,S是一个温控开关,R1为电加热丝,阻值为88Ω,当处于加热状态时,水被迅速加热,达到预定温度后,S自动切换到另一位置处于保温状态,保温时电加热丝的功率为88W,不考虑温度对电阻的影响,不计指示灯的阻值(A、B是两种不同颜色的指示灯)。
求:
(1)该养生壶的加热功率;
(2)若咖啡的比热容c=4.0×103J/(kg•℃),该养生壶的加热效率为80%,要将质量为1.5kg的咖啡温度升高55℃,需要加热多长时间;
(3)养生壶处于保温状态时电阻R2的阻值。
11.(2020秋•台山市期末)如题图甲所示,是某种电热饮水机的简化电路示意图,图乙是它的有关参数。它有加热和保温两种工作状态,由机内温控开关S0自动控制,当温控开关S0闭合时饮水机处在加热状态,当温控开关S0断开时饮水机处在保温状态。
求:
(1)R2的电阻值是多大?
(2)在用电高峰期,若该饮水机的实际工作电压只有200V,加热效率为84%,若将装满水箱的水从24℃加热至44℃,需要多长时间?[c水=4.2×103J/(kg•℃),忽略温度对电阻的影响]
焦耳定律计算综合
参考答案与试题解析
一.计算题(共11小题)
1.(2021•包头模拟)浴霸是安装在浴室可供取暖和照明的家用电器,某浴霸的铭牌和简化电路图如图所示,图中灯L为照明灯,其他灯为规格完全相同的红外线取暖灯。为节约用电,暖灯工作时照明灯开关一定断开。求:
型号
LWLZ20﹣19
额定电压(V)
220
额定频率(Hz)
50
暖灯/1个(W)
484
照明灯(W)
40
使用面积(m2)
10
(1)照明灯正常工作时电阻为多少Ω?
(2)暖灯正常工作时,干路中的电流最小是多少?
(3)暖灯正常工作时,使容积为25m3浴室的空气温度升高20℃,最短需要多长时间。(ρ空气≈1.2kg/m3,c空气≈1.0×103J/(kg•℃),不考虑其他因素影响,结果保留到个位)
【分析】(1)根据表中数据可知照明灯的额定电压和额定功率,照明灯正常工作时的功率和额定功率相等,根据P=UI=求出照明灯正常工作时的电阻;
(2)根据电路图可知,照明灯和四个取暖灯并联,开关S控制照明灯,开关S1控制两个取暖灯,开关S2控制另外两个取暖灯,要使 暖灯正常工作时,干路中的电流最小,则电路中只有两个取暖灯泡工作,根据并联电路电流规律和P=UI求出取暖灯正常工作时电路的最小电流;
(3)当开关S1、S2都闭合时,四个暖灯并联,加热时间最短;先根据密度公式求出空气的质量,然后根据Q吸=cmΔt求出空气吸收的热量,不考虑其他因素影响,则有W=Q吸,最后根据W=Pt求出最短加热时间。
【解答】解:(1)根据表中数据可知,灯泡的额定电压为220V,额定功率为40W,则由P=UI=可知,灯泡正常发光时的电阻:RL===1210Ω;
(2)根据电路图可知,只闭合开关S1或S2时,暖灯正常工作时,干路中的电流最小,此时两个暖灯并联;
由表中数据可知,暖灯的额定电压为220V,额定功率为484W,
因并联电路中干路电流等于各支路电流之和,所以由P=UI可知,干路最小电流:I小=2I暖灯=2×=2×=4.4A;
(3)当开关S1、S2都闭合时,四个暖灯并联,加热时间最短;
由ρ=可知,空气的质量:m=ρ空气V=1.2kg/m3×25m3=30kg,
空气吸收的热量:Q吸=c空气mΔt=1.0×103J/(kg•℃)×30kg×20℃=6×105J,
不考虑其他因素影响,则有W=Q吸,
由W=Pt可知,最短加热时间:t===≈310s。
答:(1)照明灯正常工作时电阻为1210Ω;
(2)暖灯正常工作时,干路中的电流最小是4.4A;
(3)最短需要工作的时间为310s。
【点评】本题考查了并联电路的特点、密度公式、吸热公式、电功率公式和电功公式的应用,要注意用电器正常工作时的功率和额定功率相等。
2.(2021•南平模拟)下表是某款两挡位电火锅的有关参数,如图甲是其简化电路图,R1和R2为阻值不变的电热丝,单刀双掷开关S可接1或2,实现不同挡位的变换。
(1)求R1电热丝的阻值。
(2)电火锅正常工作时,用低温挡将2kg的水从60℃加热到70℃,求此过程中水吸收的热量[c水=4.2×103J/(kg•℃)]。
(3)电火锅正常工作时,分别用低温挡和高温挡将质量2kg的水加热,绘制的水温随时间变化的图象如乙图所示。请通过计算比较使用高温挡还是低温挡更节能。
额定电压U/V
电火锅挡位
额定功率P/W
220
低温
250
高温
880
【分析】由电路图可知,当S接到1时,R1和R2串联;开关S接2时,R2短路,电路为R1的简单电路;
(1)根据P=UI=求出R1的阻值;
(2)根据Q吸=cmΔt求出水吸收的热量;
(3)根据图像可知,选用不同挡位加热的时间,根据W=Pt分别求出高温挡和低温挡工作时消耗的电能,进行比较可知选用哪个挡为更节能。
【解答】解:由电路图可知,当S接到1时,R1和R2串联;开关S接2时,R2短路,电路为R1的简单电路;
(1)当S接到2时,电路为高温挡,只有R1在工作,由P=UI=可知,R1的阻值:R1===55Ω;
(2)水吸收的热量:Q吸=cmΔt=4.2×103J/(kg•℃)×2kg×(70℃﹣60℃)=8.4×104J;
(3)由图像可知,高温挡的加热时间为2min,低温挡的加热时间为8min,
则加热高温挡工作时消耗的电能:W高=P高t高=880W×2×60s=1.056×105J,
低温挡工作时消耗的电能:W低=P低t低=250W×8×60s=1.2×105J,
因W高<W低,所以高温挡更节能。
答:(1)R1电热丝的阻值为55Ω。
(2)水吸收的热量为8.4×104J。
(3)高温挡更节能。
【点评】本题结合实际考查电功、电功率以及吸热公式的运用,关键能从表中和图像中得出有用信息。
3.(2021•河南三模)图甲为某品牌空气炸锅,其发热元件为两个电阻,R1=48.4Ω,R2=484Ω,额定工作电压为220V,通过开关S、S1,可实现高温挡、中温挡和低温挡三个挡位的切换,其内部电路可简化为图乙所示电路。
(1)空气炸锅在工作时会通过电动机向内部吹风,借助循环风,达到炸锅内部迅速升温的目的,炸锅中电动机的工作原理为 通电线圈在磁场中受力而转动 。
(2)开关S1闭合,开关S接a端时为 中温挡 (选填“高温挡”、“中温挡”或“低温挡”),求此时通过电阻R2的电流?(结果保留两位小数)
(3)若不计热量损失,用此空气炸锅高温挡加工薯条,原料薯条温度为20℃,炸熟至少需要达到170℃,求一次炸熟200g薯条需要多少时间?[c薯条取3.63×103J/(kg•℃)]
【分析】(1)电动机的原理:通电线圈在磁场中受力而转动。
(2)开关S1闭合,开关S接a端时,电路中只有R2连入电路,开关S1闭合,开关S接b端时,两电阻并联,开关S1断开,开关S接a端时,两电阻串联,总电阻最大,根据P=知即可判断电功率的大小,据此可知处于的挡位;根据欧姆定律即可求出开关S1闭合,开关S接a端时通过电阻R1的电流;
(3)根据Q吸=cm(t﹣t0)计算薯条吸收的热量;若不计热量损失,则消耗的电能W=Q;
高温挡正常工作时,开关S1闭合,开关S接b端,R1、R2并联,根据P=分别求出R1、R2的功率,然后求出总功率;然后根据W=Pt计算加热时间。
【解答】解:(1)电动机是利用通电线圈在磁场中受力而转动的原理工作的;
(2)开关S1闭合,开关S接a端时,电路中只有R2连入电路,开关S1闭合,开关S接b端时,两电阻并联,当开关S1断开,开关S接a端时,两电阻串联,
根据电阻的串并联特点可知:开关S1闭合,开关S接b端时总电阻最小,开关S1闭合,开关S接a端时总电阻较大,开关S1断开,开关S接a端时,总电阻最大,则根据P=知开关S1闭合,开关S接a端时为中温挡;
通过电阻R2的电流:I2===0.45A;
(3)薯条质量m=200g=0.2kg,
薯条吸收的热量;
Q吸=c薯条m(t﹣t0)=3.63×103J/(kg•℃)×0.2kg×(170℃﹣20℃)=1.089×105J;
若不计热量损失,则需要消耗的电能为:W=Q吸=1.089×105J;
高温挡正常工作时,开关S1闭合,开关S接b端,R1、R2并联,
则R1的功率为:
P1===1000W;
R2的功率为:
P2===100W;
高温挡的总功率为:
P=P1+P2=1000W+100W=1100W;
若使用空气炸锅高温挡完成以上烹制,
根据P=可得加热时间:
t===99s。
答:(1)通电线圈在磁场中受力而转动;
(2)中温挡;通过电阻R2的电流为0.45A;
(3)一次炸熟200g薯条需要99s。
【点评】本题考查了串并联电路的特点和欧姆定律、电功率公式、电功公式、效率公式和热量公式的灵活运用,正确的判断电加热器处于不同挡位时电路的连接方式是关键。
4.(2021•河南模拟)某科技小组设计的电热水器具有加热和保温功能,其工作原理如图1所示。R为热敏电阻,其阻值R随温度变化的规律图像如图2所示,电源电压U1为6V,保护电阻R0的阻值为300Ω,热敏电阻R和工作电路中的三只加热电阻丝R1、R2、R3均置于储水箱中,R1=44Ω,U2=220V,加热和保温时的功率分别为2200W和110W。
(1)电磁铁上端为 S 极。
(2)当电磁铁线圈中的电流I≤8mA时,继电器上方触点c接触,保温电路接通,热水器刚开始保温时水的温度是多大?(电磁铁线圈电阻不计)
(3)电阻丝R3的阻值是多大?
(4)不计热量损失,该热水器在加热状态下将44kg、25℃的水加热到50℃需要多少时间?[c水=4.2×103J/(kg•℃]
【分析】(1)电流从电磁铁的下方流入,上方流出,根据安培定则可知电磁铁上端的极性;
(2)已知当电磁铁线圈中的电流I≤8mA时,继电器上方触点c接触,保温电路接通,则根据控制电路的电流为8mA时求出控制电路总电阻,根据串联电路的特点求出衔铁刚好被吸下时热敏电阻的阻值,然后由图像找出该阻值对应的温度,这就是热水器刚开始保温时水的温度。
(3)由甲图可知,电磁铁的衔铁被吸下,继电器下方触点和触点a、b接通时,R1与R2并联,电路中的总电阻最小,电加热器处于加热状态,根据并联电路的电压特点和P=以及R1的阻值表示出加热功率求出R2的阻值;
继电器上方触点和触点c接通时,R2与R3串联,电路中的总电阻最大,电热水器处于保温状态,根据P=和串联电路电阻的规律算出R3的阻值;
(4)根据Q=cm△t算出水吸收的热量,不计热量损失,则消耗的电能与吸收的热量相等,根据W=Pt算出加热时间。
【解答】解:(1)电流从电磁铁的下方流入,上方流出,根据安培定则可知电磁铁下端为N极,上端为S极;
(2)当电磁铁线圈中的电流I≤8mA时,继电器上方触点c接触,保温电路接通,则电磁铁线圈中的电流为8mA时,热水器刚开始加热,
根据I=可得,控制电路的总电阻:
R总===750Ω,
热敏电阻的阻值为:R=R总﹣R0=750Ω﹣300Ω=450Ω,
由图乙可知,此时水温为70℃;
(3)由题意和电路图知:衔铁被吸下时,R1、R2并联,电热水器处于加热状态,
P加热=+=2200W,
即:+=2200W,
解得:R2=44Ω;
根据题意可知,电磁继电器上方触点和触点c接通时,电热水器处于保温状态,则由电路图知,此时R2、R3串联,
根据P=可得保温时工作电路的总电阻为:R′===440Ω,
根据电阻的串联特点可得:R3=R′﹣R2=440Ω﹣44Ω=396Ω;
(4)水吸收的热量:Q吸=cm(t﹣t0)=4.2×103J/(kg•℃)×44kg×(50℃﹣25℃)=4.62×106J:
不计热量损失,则加热电路消耗的能量:W=Q吸=4.62×106J,
则加热时间:t===2100s。
答:(1)电磁铁上端为S极。
(2)当电磁铁线圈中的电流I≤8mA时,继电器上方触点c接触,保温电路接通,热水器刚开始保温时水的温度是70℃;
(3)电阻丝R3的阻值是396Ω;
(4)不计热量损失,该热水器在加热状态下将44kg、25℃的水加热到50℃需要2100s。
【点评】本题考查了电磁铁、欧姆定律、串并联电路的特点和电功率的计算,考查的内容较多;分析清楚电路结构是本题正确解题的前提与关键;
5.(2021•铁岭模拟)小明家买了一台电烤箱,有低、中、高三个挡位。其内部简化电路如图所示,开关S1可分别与触点a、b接触。已知:R1=48.4Ω,高温挡功率为1500W,电源电压不变。求:
(1)电烤箱中温挡功率和电阻R2的阻值:
(2)电烤箱低温挡的电流;(保留两位小数)
(3)电烤箱在高温挡工作时,不计热量损失,对蛋糕加热10min,能使2kg的蛋糕温度升高150℃,蛋糕的比热容是多少?
【分析】(1)电烤箱的电压一定,由P=可知,电路的总电阻越大,其功率越小;分析电路图,根据开关的闭合情况判断出电路的连接方式,分析出电烤箱处于什么挡位;根据P=求出电烤箱中挡位的功率,再根据R2的功率等于高挡位工作时的功率与中挡位工作时的功率差,进一步求出R2的阻值;
(2)根据串联电路电阻特点和欧姆定律求出电烤箱低温档的电流;
(3)根据P=求出高温挡加热10min消耗的电能,不计热量损失,则有Q吸=W,再利用Q吸=cmΔt求出蛋糕的比热容。
【解答】解:(1)由电路图可知,当开关S1置于a端、S2闭合时,两电阻并联,此时总电阻最小,由P=可知,此时电功率最大,电烤箱处于高挡位;
当开关S1置于b端、S2断开时,两电阻串联,此时总电阻最大,由P=可知,电烤箱消耗的电功率最小,此时电烤箱处于低挡位;
开关S1置于b端、S2闭合时,只接入R1接入电路,此时电烤箱处于中挡位;
由P=可知,电烤箱中挡位的功率:P中===1000W;
因并联电路中各支路电阻互不影响,即高挡位时,R1的功率不变,所以R2的功率:P2=P高﹣P中=1500W﹣1000W=500W,
电阻R2的阻值:R2===96.8Ω;
(2)当开关S1置于b端、S2断开时,两电阻串联,电烤箱处于低挡位,
因串联电路的总电阻等于各分电阻之和,所以低挡位时电路的总电阻:R=R1+R2=48.4Ω+96.8Ω=145.2Ω,
电烤箱低温挡的电流:I低==≈1.52A;
(3)由P=可得,高温挡加热10min消耗的电能:W=P高t=1500W×10×60s=9×105J,
不计热量损失,则有Q吸=W,由Q吸=cmΔt可得,蛋糕的比热容:c====3×103J/(kg•℃)。
答:(1)电烤箱中温挡功率为1000W;电阻R2的阻值为96.8Ω:
(2)电烤箱低温档的电流为1.52A;
(3)蛋糕的比热容是3×103J/(kg•℃)。
【点评】本题考查了并联电路的特点和电功率公式、电功公式、吸热公式的应用,分清电烤箱处于不同挡位时电路的连接方式是关键。
6.(2021•包头模拟)某居民常选用一些小型电暖器越冬。如图甲电暖器有“高温、中温、低温”三挡,铭牌见下表(“中温”挡功率空出),其电路原理如图乙,S是自我保护开关,当电暖器倾倒时S自动断开,切断电源保证安全。当S、S1闭合,S2断开时电暖器为“低温”挡。(R1>R2)
额定电压
220V
额定功率
低温挡
440W
中温挡
高温挡
1600W
求:(1)R1的阻值;
(2)“中温”挡正常工作时电路中的电流;
(3)若室内空气质量为50kg,用该电暖器的“高温”挡正常工作10min,放出热量的50%被室内空气吸收,那么可使室内气温升高多少?[假设空气的比热容为1.0×103J/(kg•℃)]。
【分析】根据题意和电路图可知,当S、S1闭合,S2断开时,电路为R1的简单电路,电暖器为“低温”挡;
当S、S1、S2都闭合时,两电阻并联,总电阻最小,根据P=可知总功率最大,电暖器处于高温挡;
当S、S2闭合,S1断开时,电路为R2的简单电路,R1>R2,故此时总电阻较小,根据P=可知总功率较大,电暖器处于中温挡;
(1)根据表中数据读出电暖气的低温挡的功率,然后根据P=求出R1的阻值;
(2)根据P中=P高﹣P低可求出中温挡的功率;
(3)根据Q=W=P高t可求出电暖气放出的热量,根据Q吸=ηQ可得空气吸收的热量,根据Q吸=cmΔt求出房间的空气温度升高的度数。
【解答】解:根据题意和电路图可知,当S、S1闭合,S2断开时,电路为R1的简单电路,电暖器为“低温”挡;
当S、S1、S2都闭合时,两电阻并联,总电阻最小,根据P=可知总功率最大,电暖器处于高温挡;
当S、S2闭合,S1断开时,电路为R2的简单电路,R1>R2,故此时总电阻较小,根据P=可知总功率较大,电暖器处于中温挡;
(1)当S、S1闭合,S2断开时,电路为R1的简单电路,电暖器为“低温”挡;
由表中数据可知,电暖气低温挡的功率为440W,由P=可知,R1的阻值:R1===110Ω;
(2)闭合S、S1为“低温”挡,R1单独接入电路;只闭合S、S2为“中温”挡,“高温”挡为S、S1、S2同时闭合,R1、R2并联;
由表中数据可知,电暖气高温挡的功率为1600W,
则中温挡的功率:P中温=P高温﹣P低温=1600W﹣440W=1160W,
由P=UI可知,中温挡工作时电路中的电流:I中温==≈5.27A;
(3)由P=和Q=W可知,电暖器的“高温”挡正常工作10min,放出的热量:Q=W=P高温t=1600W×10×60s=9.6×105J;
空气吸收的热量:Q吸=ηQ=50%×9.6×105J=4.8×105J,
由Q吸=cmΔt可得,室内空气升高的温度:Δt===9.6℃。
答:(1)R1的阻值为110Ω;
(2)“中温”挡正常工作时电路中的电流为5.27A;
(3)可使室内气温升高9.6℃。
【点评】本题考查了热量公式和电功率公式的灵活应用,关键是正确判断不同挡位时电路连接方式,属于常见题目。
7.(2022•巧家县模拟)学校教师办公室常用电热水壶烧水,如图为某品牌电热水壶及其铭牌,请解答下列问题。[ρ水=1.0×103kg/m3,c水=4.2×103J/(kg•℃)]
额定电压
220V
频率
50Hz
额定功率
1000W
水壶容积
1.0L
加热方式
底盘加热
(1)该水壶正常工作时的电流为多少安?(小数点后保留2位)
(2)该水壶正常工作4min消耗的电能是多少焦?
(3)电热水壶装满水后,从30℃加热到100℃,水吸收的热量是多少?
(4)工作中,电水壶通过导线接到电路里,为什么电壶可以把水烧开,而导线却几乎不发热?
【分析】(1)由铭牌可知,电热水壶的额定电压和额定功率,根据P=UI求出电热水壶正常工作时的电流;
(2)已知电热水壶的额定功率和工作的时间,根据P=求出电热水壶消耗的电能;
(3)根据密度公式求出电热水壶装满水时水的质量,然后根据Q吸=c水mΔt求出水吸收的热量;
(4)首先判断电水壶中的电阻丝与导线的连接方式,从而判断电流的大小和通电时间的关系,再来判断电阻的关系,最后根据焦耳定律进行分析。
【解答】解:(1)由表中数据可知,电热水壶的额定电压为220V,额定功率为1000W,
由P=UI可得,电水壶正常工作时的电流:I==≈4.55A;
(2)由P=可得,电热水壶消耗的电能:W=Pt=1000W×4×60s=2.4×105J;
(3)由ρ=可得,水的质量:m=ρ水V=1.0×103kg/m3×1.0×10﹣3m3=1kg,
水吸收的热量:Q吸=c水mΔt=4.2×103J/k(kg•℃)×1kg×(100℃﹣30℃)=2.94×105J;
(4)电水壶与导线是串联的,所以通过它们的电流相等,它们通电时间相同,电水壶的电阻比导线电阻大很多,根据公式Q=I2Rt,可知电热丝产生的热量比导线产生的热量多得多。
答:(1)该水壶正常工作时的电流为4.55A;
(2)该水壶正常工作4min消耗的电能是2.4×105J;
(3)电热水壶装满水后,从30℃加热到100℃,水吸收的热量是2.94×105J;
(4)电水壶与导线是串联的,所以通过它们的电流相等,它们通电时间相同,电水壶的电阻比导线电阻大很多,根据公式Q=I2Rt,可知电热丝产生的热量比导线产生的热量多得多。
【点评】本题考查了电功和热量的综合计算、密度公式、电功率公式、电功公式以及焦耳定律的灵活应用,注意计算时的单位变换要正确。
8.(2021•河南三模)如图甲所示是某品牌电饭煲,图乙是该电饭煲的原理图。它有加热和保温两挡,通过开关S进行调节,R0与R为阻值不同的电热丝。现在将该电饭煲接在220V的电源上,用加热挡工作时,电路的总功率为1000W;用保温挡工作时,电路的总功率为440W。已知c水=4.2×103J/(kg•℃)。求:
(1)电饭煲在低温挡时,开关S应 断开 (选填“闭合”或“断开”)。
(2)电热丝R0的阻值是多少?
(3)当电饭煲在额定功率下工作时,要使质量为2kg的水温度升高30℃,需要多长时间(不计热量损失)?
(4)若电饭煲的质量为2.5kg,底面积为500cm2,每次煲饭可加入1.5kg的大米和1kg的水,那么煲饭时,电饭锅对水平桌面的压强是多少(g取10N/kg)?
【分析】(1)由公式P=知,在电压一定时,功率P与电阻R成反比,然后根据高温挡时电路的电功率最大,即电路中的电阻最小来判断开关S的状态;
(2)由公式P=计算得出电热丝R0的阻值即可;
(3)根据公式Q=cmΔt计算得水吸收的热量,然后根据P= 求出需要加热的时间;
(4)首先煲饭时电饭锅的总质量,然后求出总重力,由于电饭锅放在水平桌面上,则对水平桌面的压力与重力相等,利用p=求出电饭锅对水平桌面的压强。
【解答】解:(1)由P=知,电压一定时,P与R成反比,
由电路图知,开关S断开时,R0与R串联,由于开关S与R并联,则当开关S闭合时,电阻R被短路,只有电热丝R0连入,电路中的电阻最小,电路的电功率最大。
所以电饭煲在高温挡时,开关S应闭合,电饭煲在低温挡时,开关S应断开;
(2)由P=得,电热丝R0的阻值是:R0===48.4Ω;
(3)水吸收的热量:Q吸=cmΔt=4.2×103J/(kg•℃)×2kg×30℃=2.52×105J;
不计热量损失,则W=Q吸=2.52×105J,
当电饭煲在额定功率下工作时,则根据P= 可得需要加热的时间为:
t===252s;
(4)电饭锅的总质量为m=m锅+m米+m水=2.5kg+1.5kg+1kg=5kg,
则重力:G=mg=5kg×10N/kg=50N,
所以,电饭锅对水平桌面的压力:F=G=50N,
底面积:S=500cm2=5×10﹣2m2,
所以,电饭锅对水平桌面的压强:p===1000Pa。
答:(1)断开;
(2)电热丝R0的阻值是48.4Ω;
(3)当电饭煲在额定功率下工作时,要使质量为2kg的水温度升高30℃,需要加热252s;
(4)煲饭时,电饭锅对水平桌面的压强是1000Pa。
【点评】本题考查了电功率的计算、热量的计算、压强的计算以及电路挡位的分析问题,本题有一定的难度。
9.(2021•新泰市模拟)图甲是一个豆浆机的实物图,豆浆机的中间部位是一个电动机,电动机通过金属杆带动其下部的刀片旋转,旋转的刀片可将原料粉碎打浆;刀片外部是一个环状加热管(电热丝),用来对豆浆加热。该豆浆机的部分参数如表所示,制作豆浆的过程是加热和打浆交替进行。图乙是该豆浆机做好一次豆浆的P﹣t图象,一次打浆要向豆浆机中加入黄豆和清水共1.5kg,共需11min完成加工过程。c豆浆=4.0×103J/(kg•℃),求:
额定电压
220V
频率
50Hz
电动机功率
110W
加热功率
1210W
(1)豆浆机正常打浆时,通过电动机电流是多少?
(2)豆浆机正常工作时,加热管电阻丝的阻值是多少?
(3)根据P﹣t图可知,从第8min至第11min为第二段豆浆的加热过程,若此过程中豆浆温度由70℃上升到100℃,求这段过程中豆浆吸收的热量是多少?
(4)豆浆机做好一次豆浆,消耗的总电能是多少?
【分析】(1)浆机正常打浆时,电动机消耗的功率和额定功率相等,根据表中数据读出电动机功率,再根据P=UI求出通过电动机的电流;
(2)根据表中数据读出豆浆机正常工作时的加热功率,根据P=求出加热管电阻丝的阻值;
(3)根据Q吸=c豆浆mΔt求出这段过程中豆浆吸收的热量;
(4)由图像可知电动机和电热管工作的时间,根据P=求出两者消耗电能之和即为消耗的总电能。
【解答】解:
(1)由表中数据可知,电动机正常工作时的功率为110W,
由P=UI可得,豆浆机正常打浆时的电流:IM===0.5A;
(2)由表中数据可知,豆浆机正常工作时的加热功率为1210W,
由P=可得,豆浆机正常加热时电阻丝的阻值:R===40Ω;
(3)黄豆和清水的总质量为1.5kg,不考虑质量变化,则豆浆的质量也为1.5kg,
8min~11min豆浆吸收的热量:Q吸=c豆浆mΔt=4×103J/(kg•℃)×1.5kg×(100℃﹣70℃)=1.8×105J;
(3)由乙图可知,加热时间t1=9min=540s,电动机工作时间t2=2min=120s,
由P=可得,加热消耗的电能:W1=P加热t1=1210W×540s=6.534×105J,
电动机工作时消耗的电能:W2=PMt2=110W×120s=1.32×104J,
豆浆机做好一次豆浆,消耗的总电能:W=W1+W2=6.534×105J+1.32×104J=6.666×105J。
答:(1)豆浆机正常打浆时,通过电动机电流是0.5A;
(2)豆浆机正常工作时,加热管电阻丝的阻值是40Ω;
(3)这段过程中豆浆吸收的热量是1.8×105J;
(4)豆浆机做好一次豆浆,消耗的总电能是6.666×105J。
【点评】本题考查了电功率公式、吸热公式、电功公式的灵活应用,关键是从乙图中读出加热时间和电动机工作的时间。
10.(2021•克东县校级三模)养生壶是大家非常喜欢的小电器,有加热、保温等功能,接在220V的家庭电路中使用,如图甲所示,图乙是养生壶的加热水相部分工作原理电路图,S是一个温控开关,R1为电加热丝,阻值为88Ω,当处于加热状态时,水被迅速加热,达到预定温度后,S自动切换到另一位置处于保温状态,保温时电加热丝的功率为88W,不考虑温度对电阻的影响,不计指示灯的阻值(A、B是两种不同颜色的指示灯)。
求:
(1)该养生壶的加热功率;
(2)若咖啡的比热容c=4.0×103J/(kg•℃),该养生壶的加热效率为80%,要将质量为1.5kg的咖啡温度升高55℃,需要加热多长时间;
(3)养生壶处于保温状态时电阻R2的阻值。
【分析】(1)R1为电加热丝,当S拨到左边时,分析电路连接,电路中只有R1工作,此时处于加热挡,根据P=求出加热功率;
(2)根据Q吸=cmΔt求出咖啡吸收的热量,根据η=×100%求出消耗的电能,再根据W=Pt求出加热时间;
(3)当S拨到右边时,R1和R2串联,此时处于保温挡,根据P=I2R求出电流,再根据欧姆定律求出总电阻,进而求出电阻R2的阻值。
【解答】解:(1)当S拨到左边时,电路中灯A与R1串联,因灯的电阻不计,故为R1的简单电路,R1的电压为电源电压;
S拨到右边时,两电阻串联,根据串联电路电压的规律,R1的电压小于电源电压,由P=可知,此时S拨到左边时处于加热挡(S拨到右边时为保温挡),
养生壶的加热功率:P加热===550W;
(2)1.5kg的咖啡温度升高55℃,咖啡吸收的热量:Q吸=cmΔt=4.0×103J/(kg•℃)×1.5kg×55℃=3.3×105J,
由η=×100%得,消耗的电能:W===4.125×105J,
由W=Pt得,加热时间:t===750s;
(3)当S拨到右边时,R1和R2串联,此时处于保温挡,根据P=I2R可得,电路中的电流:I===1A,
电路的总电阻:R总===220Ω,
电阻R2的阻值:R2=R总﹣R1=220Ω﹣88Ω=132Ω。
答:(1)该养生壶的加热功率为550W;
(2)需要加热750s;
(3)电阻R2的阻值为132Ω。
【点评】本题为电热综合题,考查了串并联电路的特点和电功率公式的灵活应用,正确的判断养生壶处于不同状态时电路的连接方式及只有R1起到加热作用是关键。
11.(2020秋•台山市期末)如题图甲所示,是某种电热饮水机的简化电路示意图,图乙是它的有关参数。它有加热和保温两种工作状态,由机内温控开关S0自动控制,当温控开关S0闭合时饮水机处在加热状态,当温控开关S0断开时饮水机处在保温状态。
求:
(1)R2的电阻值是多大?
(2)在用电高峰期,若该饮水机的实际工作电压只有200V,加热效率为84%,若将装满水箱的水从24℃加热至44℃,需要多长时间?[c水=4.2×103J/(kg•℃),忽略温度对电阻的影响]
【分析】(1)分析温控开关S0闭合、断开时电路中总电阻的阻值关系,电压一定时,根据P=可知可知两种情况下电路总功率的关系,功率大的为加热状态,反之为保温状态;
电热饮水机处于加热状态时,电路为R1的简单电路,根据P=可求出R1的电阻;电饮水机处于保温状态时,R1与R2串联,根据P=可求出求出电路中的总电阻,利用电阻的串联求出R2的电阻。
(2)忽略温度对电阻的影响,由电功率公式求出热水器的实际功率,由ρ=可求得水的质量,由热量公式求出水所吸收的热量,根据加热效率求出需要消耗的电能,最后由功率公式的变形公式求出加热时间。
【解答】解:(1)由电路图可知,开关S0断开时,两电阻串联,电路电阻较大;开关S0闭合时,只有电阻R1接入电路;
因串联电路中总电阻等于各分电阻之和,
所以,当温控开关S0闭合时,电路中的电阻较小,由P=可知,电压一定时,电热饮水机功率较大,处于加热状态;
当温控开关S0断开时,电路阻值较大,电功率较小,饮水机处于保温状态;
电热饮水机处于加热状态时,电路为R1的简单电路,
由P=可得,R1的电阻:R1===40Ω;
电热饮水机处于保温状态时,R1与R2串联,则电路中的总电阻:R总===1210Ω;
因串联电路中总电阻等于各分电阻之和,所以,R2的电阻:R2=R总﹣R1=1210Ω﹣40Ω=1170Ω。
(2)饮水机的实际功率为:P实===1000W;
由ρ=得,水的质量:m=ρ水V=1.0×103kg/m3×1.5×10﹣3m3=1.5kg;
水所吸收的热量Q吸=c水m(t﹣t0)=4.2×103J/(kg•℃)×1.5kg×(44℃﹣24℃)=1.26×105J;
由η=可得,消耗电能W===1.5×105J;
由P=可得,需要时间t===150s。
答:(1)R2的电阻值是1170Ω;
(2)需要150s时间。
【点评】本题考查学生对实际用电器电功率的分析以及运用电功率公式结合欧姆定律计算相关物理量的能力,对学生来说有一定拔高难度。
相关试卷
这是一份中考物理重难点复习:35-热点18 焦耳定律及相关计算 (精练)29,共26页。试卷主要包含了选择题,填空题,计算题等内容,欢迎下载使用。
这是一份2023年中考物理计算题专题提升培优练 专题09 电学(焦耳定律计算类),文件包含专题9电学焦耳定律计算类2023年中考物理计算题专题提升培优练解析版docx、专题9电学焦耳定律计算类2023年中考物理计算题专题提升培优练原卷版docx等2份试卷配套教学资源,其中试卷共40页, 欢迎下载使用。
这是一份2023年中考物理重难点专题训练——焦耳定律的计算,共22页。试卷主要包含了单选题,填空题,实验探究题,计算题,综合题等内容,欢迎下载使用。

