中考物理二轮复习重难点突破与金题精讲《功与滑轮组》(含答案)
展开功与滑轮组经典精讲
重难点突破
一、定滑轮
定义:中间的轴固定不动的滑轮。
实质:等臂杠杆。
特点:使用定滑轮不能省力但是能改变动力的方向。
理想的定滑轮:(不计轮轴间摩擦)F=G.
绳子自由端移动距离sF(或速度vF)=重物移动的距离sG(或速度vG)。
二、动滑轮
定义:和重物一起移动的滑轮。
实质:动力臂为阻力臂2倍,省力杠杆。
特点:使用动滑轮能省一半的力,但不能改变动力的方向。
理想的动滑轮:(不计轴间摩擦和动滑轮重力)F=(G物+G动)。
则拉力F=(G物+G动)绳子自由端移动距离sF(或速度vF)=2倍的重物移动的距离sG(或速度vG)。
三、滑轮组:定滑轮、动滑轮组合成滑轮组
判断滑轮组的用力情况——隔离法:“用虚线把重物和动滑轮从滑轮组隔离,以重物和动滑轮为研究对象”。
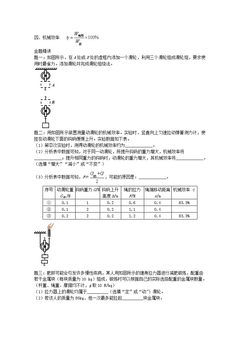
四、机械效率
金题精讲
题一:如图所示,在A处或B处的虚框内添加一个滑轮,利用三个滑轮组成滑轮组,要求使用时最省力。添加滑轮并完成滑轮组绕法。
题二:用如图所示装置测量动滑轮的机械效率。实验时,竖直向上匀速拉动弹簧测力计,使挂在动滑轮下面的钩码缓缓上升。实验数据如下表。
(1)第②次实验时,测得动滑轮的机械效率约为_____________。
(2)分析表中数据可知,对于同一动滑轮,所提升钩码的重力增大,机械效率将_____________;提升相同重力的钩码时,动滑轮的重力增大,其机械效率将_____________。(选填“增大”“减小”或“不变”)
(3)分析表中数据可知,F≠,可能的原因是:_____________。
序号 | 动滑轮重 G动/N | 钩码重力G/N | 钩码上升高度h/m | 绳的拉力 F/N | 绳端移动距离 s/m | 机械效率η |
① | 0.1 | 1 | 0.2 | 0.6 | 0.4 | 83.3% |
② | 0.1 | 2 | 0.2 | 1.1 | 0.4 |
|
③ | 0.2 | 2 | 0.2 | 1.2 | 0.4 | 83.3% |
题三:肥胖可能会引发许多慢性疾病,某人用如图所示的健身拉力器进行减肥锻炼,配重由若干金属块(每块质量为10 kg)组成,锻炼时可以根据自己的实际选择配重的金属块数量。(杆重、绳重、摩擦均不计,g取10 N/kg)
(1)拉力器上的滑轮均属于__________(选填“定”或“动”)滑轮。
(2)若该人的质量为85kg,他一次最多能拉起__________块金属块。
(3)当他选择6块金属块时,把拉杆向下拉动0.5米,若累积拉动100次,拉力共做了多少功?假设脂肪氧化释放的能量10%用于拉力做功,则相当于消耗多少克脂肪?(已知1克脂肪在体内完全氧化约释放37.5千焦的能量)
题四:如图所示,不计摩擦和绳重,把一个重为20N的物体沿竖直方向在4 s内匀速提升了2 m,所用拉力F为12.5 N.下列说法中正确的是( )
A. 动滑轮重7.5 N B. 4 s内拉力F做功25 J
C. 4 s内拉力F的功率为6.25 W D. 滑轮组的机械效率为80%
题五:如图甲所示,轻质硬杆K左侧与墙体相连(可自由转动,不能水平移动),右侧与A固定;长方体滑块B置于光滑水平地面上,A与B的接触面粗糙程度不变,A、B间的滑动摩擦力大小为f;人的重力为G人,与地面的接触面积为S人;动滑轮P的重力为GP.在拉动过程中选取了三段时间,用表格记录了A、B、C的运动状态,图乙记录了绳对C竖直向上的拉力 FC,图丙记录了人对绳竖直向下的拉力FD.在拉动过程中,B足够长,A 始终没有掉下;C受水的阻力、C露出水面后表面附着的水的质量忽略不计;运动中空气阻力不计;细绳的质量、滑轮与轴的摩擦忽略不计;绳或竖直或水平,不可伸缩且长度足够。求:
(1)在4~6 s内,杆K对A作用力的方向,并简述理由。
(2)在0~2 s内,人对地面的压强p人为多少?(用字母FC、f、S人、GP、G人表示)在4~6 s内人对地面的压强比0~2 s减小了多少?(用字母f、S人表示)
| 0~2 s | 4~6 s | 8~10 s |
A | 相对地面静止 | 相对地面静止 | 相对地面静止 |
B | 向左匀速直线运动 | 向右匀速直线运动 | 向右匀速直线运动 |
C | 浸没在水中, 以2 cm/s速度匀速下降 | 浸没在水中, 以4 cm/s速度匀速上升 | 在空中, 以6 cm/s速度匀速上升 |
功与滑轮组经典精讲
金题精讲
题一:如图所示。
题二:(1)90.9% (2)增大 减小 (3)轮轴间有摩擦
题三:(1)定 (2)8 (3)8 g
题四:D
题五:(1)A受到杆K的作用力FK向左。因为在4~6 s内,A静止,B向右运动,B受到的A对B的摩擦力向左,根据相互作用力,则B对A的摩擦力向右。A处于静止状态,水平方向必定受平衡力作用,所以FK向左。
(2)在0~2 s内,人对地面的压强为;在4~6 s内人对地面的压强比0~2 s减小了。
中考物理二轮复习重难点突破与金题精讲《浮力》(含答案): 这是一份中考物理二轮复习重难点突破与金题精讲《浮力》(含答案),共7页。
中考物理二轮复习重难点突破与金题精讲《声和光》(含答案): 这是一份中考物理二轮复习重难点突破与金题精讲《声和光》(含答案),共4页。试卷主要包含了振动一定发声,但未必有声波;,声音的特性,声音的利用,平面镜成像特点,凸透镜成像规律及应用等内容,欢迎下载使用。
中考物理二轮复习重难点突破与金题精讲《杠杆》(含答案): 这是一份中考物理二轮复习重难点突破与金题精讲《杠杆》(含答案),共4页。试卷主要包含了重难点突破,金题精讲等内容,欢迎下载使用。

