2022年中考物理一轮复习能力提升练习:压强综合计算
展开1.如图所示,一块写有校训的花岗岩石料立在用青石砌成的长2m、宽1.2m、高0.3m的水平基座上。已知该花岗岩石料质量为7.2t,花岗岩石料与基座的接触面积为1.12m2,青石的密度为2.5×103kg/m3.(g取10N/kg)求:
(1)花岗岩石料对基座的压力;
(2)青石基座的重力;
(3)青石基座对水平地面的压强。
2.如图所示,一柱形容器重10N,底面积为200cm2,放置在水平地面上,当容器内注入0.4m深的某种液体时,容器底部受到该液体产生的压强为6×103Pa。(g取10N/kg)求:
(1)该液体的密度是多大?
(2)距容器底0.1m处A点的液体压强多大?
(3)该实验装置对水平地面的压强多大?
3.(如图所示),一个边长为10cm,重4N的正方体木块.放置于1m2的水平桌面上,将重为2N的水倒入一个锥形瓶中,瓶重1N,底面积为60cm2,水的深度为5cm,将锥形瓶放在木块上.
求:(1)水对瓶底的压强
(2)水对瓶底的压力
(3)木块对桌面的压强
4.如图所示,实心均匀正方体甲、乙放置在水平桌面上。
(1)若正方体甲的边长为0.1米,正方体甲对水平桌面的压强p甲为1960帕,求正方体甲对水平桌面的压力F甲和正方体甲的重力G甲;
(2)若沿虚线分别水平切去正方体甲、竖直切去正方体乙,均切去各自体积的三分之一,剩余部分对桌面的压强相等,则原来正方体甲、乙对桌面的压强谁大?请说明理由。
5.如图所示,在质量为1kg的容器内装有5kg的水,容器底面积为100cm2,容器放在水平桌面上,桌面面积为0.9m2(g取10N/kg),求:
(1)容器底对桌面的压力;
(2)容器底对桌面的压强;
(3)水对A点的压强;
(4)水对容器底的压强。
6.轻质薄壁柱形容器甲、乙放在水平地面上(容器足够高),它们的底面积均为2S。如图所示,质量为2m、底面积为S的柱体A竖直放置在容器甲底部,容器乙内盛有质量为6m的水。
(1)若容器乙中水深度为0.6米,求水对容器乙底部的压强p水。
(2)现从容器乙中抽取部分水,并倒入容器甲中(A始终与容器甲底部接触)。此时两容器对地面的压力相等,水对容器底部的压强分别为p甲水、p乙水。
①求容器甲对地面的压强增加量Δp甲。
②请分析比较p甲水与p乙水的大小。
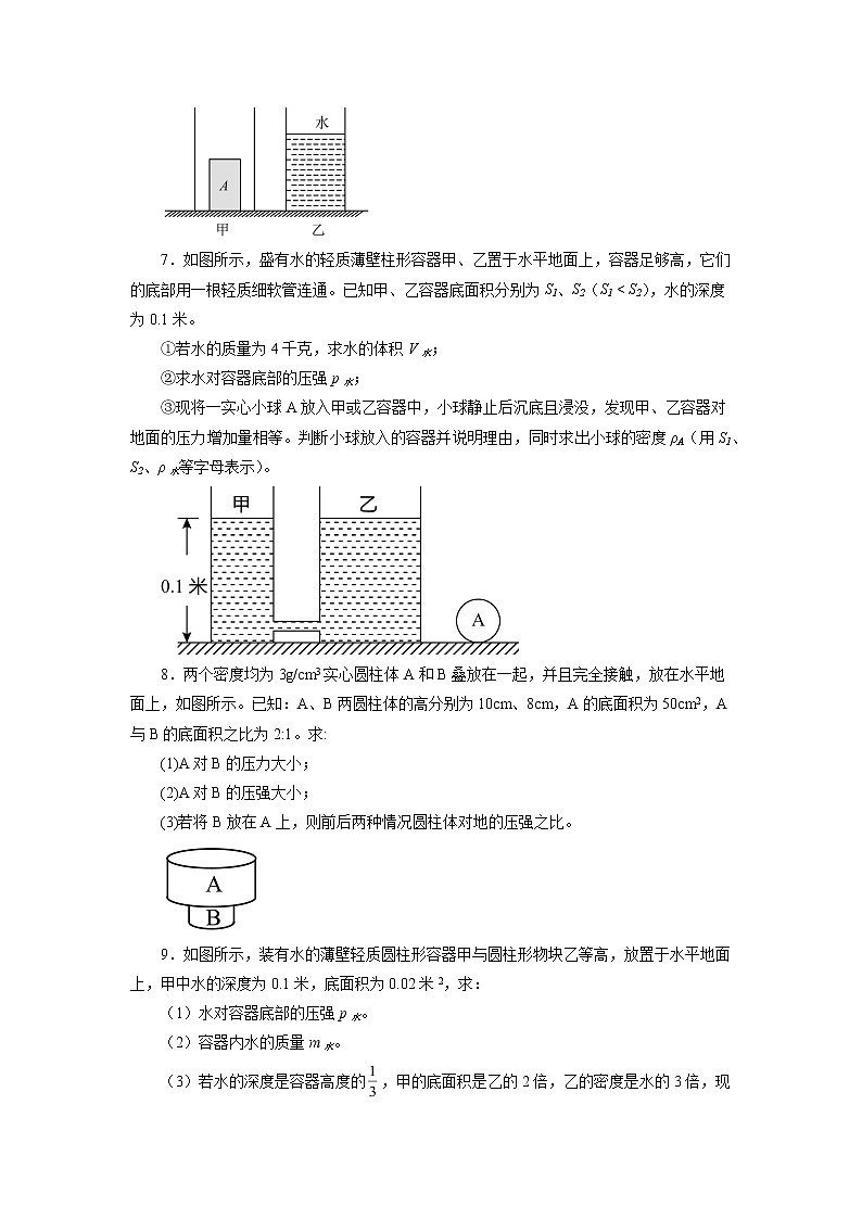
7.如图所示,盛有水的轻质薄壁柱形容器甲、乙置于水平地面上,容器足够高,它们的底部用一根轻质细软管连通。已知甲、乙容器底面积分别为S1、S2(S1 < S2),水的深度为0.1米。
①若水的质量为4千克,求水的体积V水;
②求水对容器底部的压强p水;
③现将一实心小球A放入甲或乙容器中,小球静止后沉底且浸没,发现甲、乙容器对地面的压力增加量相等。判断小球放入的容器并说明理由,同时求出小球的密度ρA(用S1、S2、ρ水等字母表示)。
8.两个密度均为3g/cm3实心圆柱体A和B叠放在一起,并且完全接触,放在水平地面上,如图所示。已知:A、B两圆柱体的高分别为10cm、8cm,A的底面积为50cm2,A与B的底面积之比为2:1。求:
(1)A对B的压力大小;
(2)A对B的压强大小;
(3)若将B放在A上,则前后两种情况圆柱体对地的压强之比。
9.如图所示,装有水的薄壁轻质圆柱形容器甲与圆柱形物块乙等高,放置于水平地面上,甲中水的深度为0.1米,底面积为0.02米2,求:
(1)水对容器底部的压强p水。
(2)容器内水的质量m水。
(3)若水的深度是容器高度的,甲的底面积是乙的2倍,乙的密度是水的3倍,现将乙放入容器甲中,求:水对容器底的压强与容器对地面的压强的比值。
10.小明家的高压锅锅体横截面积为450cm2,排气孔横截面积为12.5mm2。小明不慎丢失了锅的限压阀,当他到商店购买时售货员告诉他,生产这个锅的厂家提供的限压阀有两种,孔径相同,质量分别为100g和60g。
(1)说明书标有:当大气压为105Pa时,该锅内最高温度达120℃。根据图中液体沸点与气压的关系图像,在1标准大气压下,锅内气体压强最高可达多少Pa?
(2)请你根据说明书给出的数据,通过计算说明,小明应该买哪一种限压阀。(取g =10N/kg)
(3)请你说明如果买另一种限压阀,使用时会出现什么问题。
11.将一未装满水的密闭矿泉水瓶,先正立放置在水平桌面上,再倒立放置。如图所示,瓶盖的面积是8cm2,瓶底的面积是28cm2,瓶重和厚度忽略不计。求:(g取10N/kg)
(1)瓶内水的质量为多少;
(2)倒立放置时瓶盖所受水的压力;
(3)倒立放置时矿泉水瓶对桌面的压强。
12.甲、乙为两个质量分布均匀的实心圆柱体,放置在水平桌面上。分别沿水平方向切去上部分,剩余部分对桌面的压强p与切去部分高度h的关系如图所示,已知甲的密度为。求:
(1)圆柱体甲的高度为多少cm?
(2)当切去部分高度为5cm时,圆柱体乙剩余部分对桌面的压强为多少Pa?
(3)当切去部分高度为时,圆柱体甲、乙剩余部分对桌面的压强均为,的值为多少Pa?
参考答案
1.(1)7.2×104N;(2)1.8×104N;(3)3.75×104Pa
2.(1)1500kg/m3;(2)4500Pa;(3)6500Pa。
3.(1)水对瓶底的压强为500Pa;水对瓶底的压力3N;
(2)木块对桌面的压强为700Pa
4.(1)19.6N;19.6N
5.(1)60N;(2)6×103Pa;(3)6.5×103Pa;(4)1×104Pa。
6.①5880Pa;②(a);(b)
7.①4×10-3m 3;②980Pa;③小球放入甲容器中,
8.(1)15N;(2)6000Pa;(3)2:1
9.(1)980Pa;(2)2kg;(3)4∶11
10.(1) 1.8×105Pa;(2) 100g;(3)锅内的最高温度不能达到120℃
11.(1)0.28kg;(2)1.04N;(3)3.5×103Pa
12.(1)20cm;(2)5000Pa;(3)4000Pa
2022年中考物理一轮复习能力提升练习:压强: 这是一份2022年中考物理一轮复习能力提升练习:压强,共13页。试卷主要包含了单选题,填空题,实验题,计算题等内容,欢迎下载使用。
2022年中考物理一轮复习能力提升练习:速度综合计算: 这是一份2022年中考物理一轮复习能力提升练习:速度综合计算,共6页。
2022年中考物理一轮复习能力提升练习:热学综合计算: 这是一份2022年中考物理一轮复习能力提升练习:热学综合计算,共6页。

