2022年安徽省合肥市中考化学第一轮复习专题训练金属锈蚀条件的探究
展开
这是一份2022年安徽省合肥市中考化学第一轮复习专题训练金属锈蚀条件的探究,共21页。试卷主要包含了某学习小组对铁锈蚀进行探究,金属的锈蚀是重要研究课题等内容,欢迎下载使用。
1、每年因铁的生锈而造成金属资源的巨大浪费。以下是化学兴趣小组探究铁锈蚀的条件。
(1)生活中我们经常看到户外铁制栏杆生锈,推测铁的锈蚀与 、 有关。
(2)兴趣小组根据推测设计如下实验方案。
①如图实验 (填标号)试管最符合生活中铁制品所处环境。
②探究铁锈蚀条件最优方案组合是 (填标号),请说明排除其它试管的理由 (选1支试管说明理由)。
(3)上述实验证明铁锈蚀需要接触空气,但是否与空气中的氧气发生作用无法证明。兴趣小组讨论后用下列装置证明铁锈蚀与氧气有关。(实验中铁粉均足量)
H装置中能证明铁锈蚀与氧气有关的实验现象是 ,与H图比较,I图的实验设计优点是 。与J图相比,H、I图实验设计方案共同的不足是 。
(4)兴趣小组在课堂上展示如图J实验方案,确定氧气是铁锈蚀的必要条件,且在有氯化钠、碳粉等物质的作用下更易锈蚀,并通过相应现象计算出空气中氧气体积分数以及 的事实。
(5)请你写出生活中具体一种铁制品的防锈措施 。
2、青铜器是我国商周时期最具代表性的物质遗存,是传承中华早期文明的艺术瑰宝。青铜是铜与其他金属的合金,因器物表面氧化而生成的铜锈多呈青绿色而得名。同学们对古代青铜的冶炼和铜锈的形成产生了兴趣,开启了探究学习之旅。
活动一:了解古代青铜的冶炼方法
【查阅资料】商代早期用火法炼制青铜。先把选好的矿石加入熔剂,再放在炼炉内,燃木炭熔炼,等火候成熟,取精炼铜液,弃去炼渣,即得初铜。初铜再经提炼获得纯净的红铜。红铜加锡、铅熔成合金,得到青铜。
【交流讨论】红铜制青铜的过程中,发生 变化,青铜能制成青铜器,说明青铜具有的性质是 (填一条)。
活动二:探究铜生锈的条件
【信息检索】铜锈是绿色的,俗称铜绿,主要成分是碱式碳酸铜[Cu2(OH)2CO3]。
【做出猜想】铜生锈可能与空气中的氧气有关外,还可能与 有关,做出此猜想的理论依据是 。
【进行实验】实验小组同学取完全相同的铜片,并打磨光亮。设计了如图所示的四个实验并持续观察。
【实验分析】对比实验①③得到的结论是 ;说明铜生锈与氧气有关的实验是 (填序号)。
【得出结论】猜想正确。
【反思评价】(1)铜生锈过程中,发生反应的化学方程式为 。
(2)请你提出保存青铜制品的建议: (写一条)。
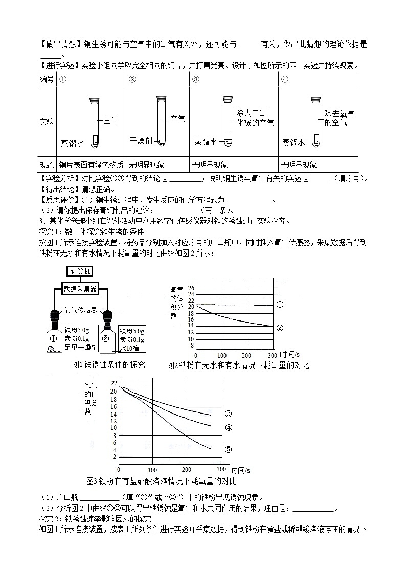
3、某化学兴趣小组在课外活动中利用数字化传感仪器对铁的锈蚀进行实验探究。
探究1:数字化探究铁生锈的条件
按图1所示连接实验装置,将药品分别加入对应序号的广口瓶中,同时插入氧气传感器,采集数据后得到铁粉在无水和有水情况下耗氧量的对比曲线如图2所示:
(1)广口瓶 (填“①”或“②”)中的铁粉出现锈蚀现象。
(2)分析图2中曲线①②可以得出铁锈蚀是氧气和水共同作用的结果,理由是: 。
探究2:铁锈蚀速率影响因素的探究
如图1所示连接装置,按表1所列条件进行实验并采集数据,得到铁粉在食盐或稀醋酸溶液存在的情况下耗氧量的对比曲线,如图3所示:
(3)分析曲线③④⑤说明食盐、醋酸可以 (填“加快”或“减慢”)铁锈蚀的速率。
(4)小组同学用铁粉代替红磷进行“测定空气中氧气的体积分数”实验:将滤纸用蒸馏水润湿,再将铁粉均匀涂在滤纸上,后将滤纸卷曲,放入集气瓶中,一段时间后,打开止水夹,烧杯中的水进入集气瓶,约占其容积的1/5,取得了预期效果。
①将铁粉均匀涂在滤纸上的目的是 。
②上述实验过程耗时较长,为方便老师在课堂演示,可对实验进行改进,你的改进建议是 。
(5)铁锈的主要成分是氧化铁,它是由铁生锈过程中产生的红褐色固体Fe(OH)3分解生成的,Fe(OH)3受热分解产生两种氧化物,写出该反应的化学方程式 。
(6)铁的锈蚀造成资源浪费,也可加以利用。下列属于铁锈蚀在生活中的应用是 (填字母)。
A.制作食品脱氧剂 B.制作暖贴 C.制作含食品级铁粉的营养麦片
4、某学习小组对铁锈蚀进行探究。
【提出问题】铁锈蚀与哪些因素有关?
【查阅资料】
(1)氯化钙固体可作干燥剂。
(2)一定条件下,碳可加快铁的锈蚀,但碳本身不参加反应。
【设计与实验】
实验一:定性探究铁锈蚀的因素
取四枚相同的洁净无锈铁钉分别放入试管,进行图1实验,现象如表1。
表1
(1)对比A、B、C试管中实验现象,说明铁锈蚀主要是铁与 发生化学反应。
(2)对比A、D试管中实验现象,说明铁锈蚀还与 有关。
(3)铁锈蚀后应及时除锈的原因是 。写出用盐酸除铁锈的化学方程式 。
实验二:影响铁的锈蚀速度的因素。
(1)该小组用图甲装置进行探究铁的锈蚀的实验(量筒内的铁丝绒的量充足),起始时量筒内水面处于50mL刻度处,之后水面缓慢上升。几天后水面最终处于约 (填“40”或“10”)mL刻度处。
(2)小强同学进行如图2拓展探究实验:取铁钉用砂纸打磨,称其质量,按图乙安装装置,放置3天,再取出铁钉称量。在不同温度下重复上述实验,得到铁钉质量增加情况如表。小强同学的实验是探究 因素对铁钉锈蚀快慢的影响,结论是 。
5、某些铜制品在空气中久置,表面生成绿色的铜锈(又称铜绿)。某化学实验小组设计并进行实验,探究铜锈的组成和铜生锈的条件。
Ⅰ.探究铜锈的组成
【查阅资料】①铜锈受热易分解②硫酸铜粉末遇水由白色变为蓝色
【进行实验】小组同学从铜器上取下适量的干燥铜锈,按如图所示装置实验(部分夹持装置已略去)。观察到B中白色粉末变为蓝色,C中澄清石灰水变浑浊。
【解释与结论】
(1)C中反应的化学方程式是 。
(2)依据以上现象分析,铜锈中一定含有的元素:Cu和 。
Ⅱ.探究铜生锈的条件
【提出猜想】根据铜锈的组成推测,铜生锈可能与CO2、H2O和O2有关。
【进行实验】实验小组同学取直径、长度均相同的铜丝,并打磨光亮。设计了如表所示的5个实验并持续观察。
【解释与结论】(3)实验中使用“经煮沸迅速冷却的蒸馏水”,其目的是 。
(4)得出“铜生锈一定与CO2有关”的结论,依据的两个实验是 (填编号)。
(5)对比实验②和③,得出的结论是 。
(6)为验证猜想,实验⑤集气瓶中的气体是 (填化学式)。
(7)由上述实验可推知,铜生锈的条件是 。
【反思与应用】
(8)结合上述实验,你对保存铜制品的建议是 。
6、暖贴发热是利用了铁粉生锈放出热量的原理,某小组同学设计并进行下列实验,探究铁生锈的条件及影响铁粉生锈速率的因素。
Ⅰ.探究铁生锈的条件
【设计实验】取3段光亮无锈的细铁丝,绕成螺旋状,进行如图所示的三个实验,实验要保证有足够长的时间来观察现象。
(1)对比实验 (填序号),可以得出铁生锈需要水;得出“铁生锈需要与氧气接触”这一结论所依据的现象是 。
(2)实验Ⅰ中,当铁丝足量,时间足够长,打开止水夹后,还能观察到的现象是 。
Ⅱ.探究影响铁粉生锈速率的因素
【查阅资料】暖贴的发热材料主要有铁粉、活性炭、食盐、水等物质。
【猜想假设】①活性炭能加快铁粉生锈的速率。②食盐能加快铁粉生锈的速率。
【进行实验】下表是2g铁粉、5g水与不同量的活性炭、食盐均匀混合后,在10分钟内温度上升值的实验记录。
【解释与结论】(3)上表中x的值为 。
(4)对比实验1和3,得出的结论是 。
(5)欲得出结论“活性炭与食盐同时存在会大幅度加快铁粉生锈速率”,需要对比 (填实验编号)。
【反思与评价】(6)下列说法或做法不正确的是 (填字母)。
A.暖贴在使用前不需要密封保存
B.活性炭粉在暖贴中可以起到分散铁粉,透气、防结块的作用
C.利用铁生锈的原理,铁粉还可用于食品保鲜
D.校内用钢架制作的自行车防雨棚应定期喷涂油漆防锈
7、“大单元”整合是一种新的学习化学的思维方法,结合铁的探究实验,回答下列问题:
(1)探究一:Fe2O3中,铁元素的化合价为 。
(2)探究二:A中细铁丝在氧气中燃烧实验,需要预先在集气瓶中加入少量水,原因是 ;B中的反应化学方程式为 ;依据C实验的现象可判断出Fe的活动性比铜 ;A、B、C三个实验,体现了大多数金属具有的三点化学性质:与氧气反应、与酸反应、 。
(3)探究三:探究铁生锈的条件,画出③中的实验装置图 。
(4)探究四:图为冬季人们常用的“暖贴”,其成分如下:
【提出问题】使用暖贴时为什么会很快产生热量呢?
【猜想假设】猜想一:活性炭能加快铁粉生锈的速率;猜想二:食盐能加快铁粉生锈速率。
【进行实验】下表是2g铁粉、5g水与不同量活性炭、不同量食盐均匀混合后,在10分钟内温度上升的实验记录。
【解释与结论】
①对比实验1和3,得出的结论是 。
②欲得出结论“活性炭与食盐同时存在会大幅度加快铁生锈速率”,需要对比 (填实验编号)。
【反思与评价】下列说法正确的是 。
A.暖贴在使用前要密封保存
B.暖贴使用后剩余物可以回收利用
C.利用铁生锈的原理,铁粉还可用于食品保鲜
D.铁资源取之不尽用之不竭
8、金属的锈蚀是重要研究课题。
【知识回顾】探究不同条件下铁钉的锈蚀。
按图1所示实验进行铁钉锈蚀的研究。一天后观察到B、C中铁钉表面无明显变化,A中铁钉在蒸馏水和空气交界处出现轻微锈蚀,D中铁钉在食盐水和空气交界处出现较多锈蚀。
(1)由A、B、C的现象可知,铁钉锈蚀的条件是 。
(2)由A、D中的现象可以得出的结论是 。
【实验探究】小亮同学想继续探究温度对铁钉锈蚀快慢的影响,进行如下实验:取铁钉用砂纸打磨,称其质量,按图2安装装置,放置3天,再取出铁钉称量。在不同温度下重复上述实验,得到铁钉质量增加情况如下表,由此可得的结论是 。
有同学认为小亮的实验未能真实反映50℃以后铁钉锈蚀的快慢,理由是50℃以后铁钉质量没有变化。请分析铁钉质量没有变化的原因: 。
【拓展延伸】长期露置在空气中的铜表面会产生绿色物质,于是他们一起探究金属铜锈蚀的原因。经查阅资料,铜锈的主要成分是碱式碳酸铜[Cu2(OH)2CO3],由此推测空气中 肯定参加了反应,但不能确定空气中的氧气是否参与反应,为证明铜生锈是否需要氧气,设计图3实验,你认为其中必须要做的对比实验是 (填序号)。
【讨论交流】金属资源有限,不能再生。写出防止铁生锈的一种具体做法 。
9、暖贴发热是利用了铁粉生锈放出热量的原理,某小组同学设计并进行实验,探究铁生锈的条件及影响生锈速率的因素。
Ⅰ.探究铁生锈的条件
某兴趣小组对实验进行了创新设计,如图所示。取3段光亮无锈的细铁丝,绕成螺旋状,放入3支干燥洁净的试管底部,实验保证足够的时间。
(1)实验①②无明显现象,实验③中铁丝生锈,铁生锈实际上是铁与空气中的 发生反应的结果。
(2)当铁丝足量,时间足够长,实验③进入试管内的水的液面约上升1/5,若该实验用来测定空气中氧气含量则优点是 。
Ⅱ.探究影响铁生锈速率的因素
【查阅资料】暖贴的发热材料主要有铁粉、活性炭、食盐、水等物质。
【猜想假设】
①活性炭能加快铁粉生锈的速率。②食盐能加快铁粉生锈的速率。
[进行实验]下表是2g铁粉、5g 水与不同量活性炭、食盐均匀混合后,在10分钟内温度上升的实验记录。
【解释与结论】
(1)表中x的值为 。
(2)对比实验1和3,得出的结论是 。
(3)欲得出结论“活性炭与食盐同时存在会大幅度加快铁生锈速率”,需要对比 (填实验编号)。
【反思与评价】
(4)暖贴在使用前要注意 。
10、学习了铁在空气中生锈条件后,小明和小红对铜在空气中生锈条件产生了浓厚的兴趣,他们进行了如下探究过程:
【查阅资料】铜锈是绿色的,俗称铜绿,主要成分是碱式碳酸铜[Cu2(OH)2CO3],铜绿加热能分解生成一种常见的氧化物。
【猜测】小红猜测铜生锈与空气中的下列物质有关:①CO2 ②O2 ③N2 ④H2O
小明认为铜生锈与氮气一定无关,依据是 。
【实验探究】小明设计了如图所示的实验,几天后观察到,A试管中铜片在水面附近有绿色物质,B、C、D试管中铜片均无明显现象。请帮助分析实验过程并回答下列问题:
(1)根据上述实验得出,铜生锈与空气中相关物质有 ;
(2)上述实验 (用序号表示)说明铜生锈与氧气一定有关。
【实验反思】通过学习,他们认为铁和铜在空气中更易生锈的是 。
【探究拓展】设计实验探究铜绿受热分解的生成物是什么:
(3)若有CO2生成,检验生成CO2的化学方程式为 。
(4)若生成物中有氧化铜,可观察到的现象是 。
(5)请写出铜绿受热分解的化学方程式 。
11、钢铁是应用广泛的金属材料,钢铁锈蚀会造成巨大浪费,研究钢铁锈蚀对于保护金属资源有着重要意义,请回答以下有关锈蚀的问题。
(1)探究铁锈蚀的条件
查阅资料:一定条件下,碳可加快铁的锈蚀,但碳本身不参加反应。
进行实验:取三枚相同的洁净铁钉进行如图1实验,现象如表。
①对比甲、乙、丙试管中实验现象,说明铁锈蚀主要是与空气中的 发生化学反应。
②铁锈蚀后应及时除锈的原因是 。
③近年来,共享单车给沈阳市市民出行带来很大方便。写出一种防止共享单车铁质车架锈蚀的方法 。
(2)探究影响铁锈蚀速率的因素
装置如图2甲,检查气密性后,将5g铁粉和2g碳粉加入三颈烧瓶,t1时刻加入2mL NaCl溶液后,再将一只装有5mL稀盐酸的注射器插到烧瓶上,采集数据如图2乙。
①对比图乙中AB段和BC段曲线,说明影响铁锈蚀速率的因素为 。
②t3时刻压强突然变大的原因是 。
(3)测定生锈的铁片中铁的含量
取3.5g表面生锈的铁片于试管中,加入足量的稀盐酸(如图3,部分装置已略去),一段时间后,观察到有气泡产生(铁锈与稀盐酸反应不生成气体)。
①铁与稀盐酸反应的化学方程式为 。
②完全反应后,测得生成氢气体积为0.5L(实验条件下,氢气密度为0.09g/L)。则该生锈的铁片中铁的质量分数为 。
③该实验条件下测得氢气体积偏大,原因可能是 。
12、“沉睡三千年,一醒惊天下”,时隔30余年后,三星堆新一轮考古发现再次惊艳天下。
(1)三星堆考古发掘中,出土的青铜面具锈迹斑斑,黄金面具仍金光灿灿,从物质性质的角度解释其原因是 。
(2)研究人员用碳14年代检测方法进行分析,初步判断三星堆4号坑属于商代晚期。已知碳14原子中的质子数为6,中子数为8,则该原子的核外电子数为 。
(3)我国三星堆最新出土的青铜神树表面已锈蚀。班级兴趣小组对铜锈进行如下探究。
【实验探究】进行如图所示的实验,探究铜生锈的条件。将大小相同的4小块铜片按如图装置所示放置一周,结果如下:
Ⅰ.实验中使用的蒸馏水需“煮沸并迅速冷却”,其目的是 。
Ⅱ.③中除去空气中二氧化碳常用的方法是 。(用化学方程式表示)
Ⅲ.对比实验①③得到的结论是 ;若要说明铜锈蚀还与氧气有关,则④中方框里应该填写的内容是 。
Ⅳ.一周后继续观察,小明发现实验①中铜片锈蚀程度没有变化,原因是 。
【查阅资料】铜锈分为有害锈和无害锈两种。Cu2(OH)2CO3为无害锈,无害锈能保护青铜器:
CuCl2•3Cu(OH)2为有害锈,有害锈会使器物受损加剧并不断扩散。土壤中含有各种矿物质,其中的Cl-与Cu在一定条件下生成CuCl,CuCl与氧气水继续发生如下反应:
4CuCl+4H2O+O2═CuCl2•3 Cu(OH)2+2HCl。
【拓展探究】
Ⅴ.无害锈能保护青铜器的原因可能是 。
Ⅵ.为了有效保护锈蚀的青铜器,常用的方法是用蒸馏水反复多次漂洗锈蚀的青铜器,该方法中不用自来水清洗的原因是 。
Ⅶ.通过X射线衍射法检测某物质的组成为Cux(OH)y (CO3)z。称取73.8g该物质加热使其完全分解为三种氧化物,将产物依次用浓硫酸和碱石灰吸收,分别增重了9.0g及8.8g,则该物质的化学式为 。(提示:碱石灰是氢氧化钠和氧化钙的混合物)
13、化学兴趣小组的同学对“影响铁钉锈蚀快慢的因素”展开了如下探究:
【提出问题】溶液的酸碱性对铁钉生锈的快慢是否有影响?溶液中的阴离子种类对铁钉锈蚀的快慢是否有影响?
【设计实验】按图1装置进行实验,测得装置中氯化铵、硫酸铵溶液上方氧气浓度变化曲线如图2。
(1)上述实验中,氧气浓度下降先陡后缓的原因为 。
(2)将规格、材质相同的打磨过的铁钉放入下列不同溶液中,测得有关数据如下表:
【结论与拓展】①实验中溶液上方氧气浓度变化越大,证明铁钉锈蚀速率 。
②根据表中数据可知,铁钉在 (填“酸”、“碱”或“中”)性溶液中更易锈蚀,其中铁钉在含有 (填“氯离子”或“硫酸根离子”)的溶液中锈蚀更快。
【拓展应用】化学是把双刃剑,铁制品在使用过程中常常会出现不同程度的锈蚀,会造成资源浪费,但将铁生锈的原理用于食品脱氧时,要求铁能快速生锈从而达到脱氧的目的,因此食品脱氧剂中除了加入铁粉、炭粉外,还可加入 。
14、古文献记载:距今4000~5000年我国古代人们已开始冶铸青铜器(如图1)。青铜器表面常会有一层铜锈,同学们对铜锈开展了以下探究活动。
查阅资料:CuSO4(白色)+5H2O═CuSO4•5H2O(蓝色)
活动一:探究铜锈的组成
用图2所示的实验装置隔绝空气加热铜锈,观察到澄清石灰水变浑浊,干燥管内白色粉末变为蓝色,试管中固体由绿色变为黑色。
【交流讨论】由活动一推测,铜锈中含有的元素有 ;烧杯中发生反应的化学方程式为 。
活动二:探究铜生锈的条件
【做出猜想】在活动一的基础上,猜想铜生锈的条件是铜与H2O、CO2同时接触。
【进行实验】
【得出结论】铜生锈的条件是与H2O、CO2同时接触。
【反思评价】
(1)小组同学做出“铜生锈的条件是铜与H2O、CO2同时接触”这一猜想的理由是 。
(2)对比实验①③得到的结论是 。
(3)能说明铜生锈与H2O有关的实验是 (填序号)。
(4)经过反思,小刚同学对所得结论提出疑问:与氧气接触也可能是铜生锈的条件之一。小丽同学认为实验①、④对比即可说明铜生锈与氧气有关。请判断小丽的说法是否正确并说明理由: 。
(5)通过实验证明,铜生锈的条件是铜与氧气、二氧化碳和水同时接触。由此,你对保存铜制品的建议是 。
15、某活动小组围绕铁和铜两种金属及其化合物进行一系列学习与探究。
(1)铜锈的主要成分是铜绿【Cu2(OH)2CO3】,小宇同学利用图1所示的装置探究铜在空气中生锈的条件,经过一段时间的观察,发现B中铜丝生锈,而A、C中铜丝无明显变化,小宇得出结论:铜生锈的主要原因与铁相同,即与空气中的氧气和水相互作用的结果。
①小宇同学得出的结论正确吗? (填“正确”或“不正确”),根据质量守恒定律,你认为参与铜生锈的物质还可能有 。
②为了验证只有氧气和水的条件下,铜难以生锈,小鹏同学补做了图1中D试管的实验,那么D试管中的气体应该是 。
(2)为了验证铁、铜的金属活动性,小组同学进行了图2所示实验:
①实验中观察到的现象是 ,由此得出金属的活动性:铁>铜。
②铁片与硫酸铜溶液反应的实验,也可以得出上述结论。实验中观察到的现象是 ,有关反应的化学方程式为 。
(3)图3为老师提供的铁片与氯化铜溶液反应的微观示意图,小组同学从微观粒子变化的角度分析该反应的实质是 。应过程中溶液的质量变化是 (填“增大”“减小”或“不变”)。
(4)同学们使用图4所示装置,对某种铁铜合金的成分进行测量。先取足量稀硫酸于烧杯中,再向其中加入14.0g合金样品开始计时,并将电子天平的读数记录在下表中。
根据小组同学得到的数据,请你回答下面问题:
①根据电子天平读数和时间的关系分析,该反应进行过程中,氢气的产生速度有什么特点? 。
②该合金样品中铁的质量分数为 。
16、钢丝棉是一种由低碳钢制成的细丝,直径约0.125-0.189毫米。小科利用钢丝棉探究铁制品锈蚀的条件,实验如下:
步骤一:取3个50mL活塞润滑性良好的注射器,检查气密性后备用。
步骤二:称取3团等质量的钢丝棉(每团体积约为6cm3),A保持干燥,B用少量蒸馏水润湿,C用少量食盐水润湿,分别放入甲、乙、丙注射器中。
步骤三:移动活塞,使它们均处于46mL刻度处,再用橡皮帽封住注射孔(如图所示)。
步骤四:每隔一定时间,观察到的实验现象如表。
(1)检查注射器气密性:先用橡皮帽封住注射孔,用手向外拉动活塞,放手后观察到 ,则气密性良好。
(2)比较乙、丙实验现象得到的结论: 。
(3)钢铁生锈还需要氧气,请你利用本实验数据计算出空气中氧气的体积分数为 。
17、某学习小组对铁锈蚀进行探究。
【提出问题】铁锈蚀与哪些因素有关?
【查阅资料】
1.氯化钙固体可作干燥剂。
2.一定条件下,碳可加快铁的锈蚀,但碳本身不参加反应。
3.常温常压,氢气密度是dg/mL。
【设计与实验】
实验一:定性探究铁锈蚀的因素
取四枚相同的洁净无锈铁钉分别放入试管,进行图1实验,现象如表1。
表1
(1)对比A、B、C试管中实验现象,说明铁锈蚀主要是与空气中的 发生化学反应。
(2)对比A、D试管中实验现象,说明铁锈蚀还与 有关。
(3)铁锈蚀后应及时除锈的原因是 。写出除铁锈的化学方程式 。
实验二:定量探究铁锈蚀的因素
小组设计了图2装置,检查气密性,将5g铁粉和2g碳粉加入三颈烧瓶,t1时刻加入2mL饱和NaCl溶液后,再将一只装有5mL稀盐酸的注射器插到烧瓶上,采集数据。
(4)据图3,t2时刻后反应并未停止温度却开始降低,原因是 。
(5)据图4,对比AB段和BC段说明 ,分析t3时刻后压强突然变大的原因是 。
实验三:测定铁锈含量
将实验二烧瓶中剩余物质过滤、洗涤、干燥,得mg固体,连接图5装置,检查气密性,加入固体与足量稀盐酸进行实验。
(6)完全反应后,常温常压下测得生成气体体积为VmL,则该固体中铁锈质量分数表达式为 。
(7)该实验条件下测得铁锈质量分数偏小的原因是 ,解决方法是 。
【反思与评价】
(8)与实验一对比,实验二铁锈蚀明显更快的原因是 。
参考答案
1、答案:(1)氧气;水;
(2)①B;②ABF;实验C铁钉浸没在水中,氧气不易溶于水,水中溶解极少氧气,BC不能作对比实验;
(3)铁粉由黑色变成红色,钟罩内液面上升;节约药品;反应时间长;
(4)铁生锈需要水、氧气同时接触;
(5)刷漆(合理即可)。
2、答案:【讨论交流】物理变化;延展性;
【做出猜想】二氧化碳、水;质量守恒定律;
【实验分析】铜生锈与二氧化碳有关;①④;
【反思评价】(1)2Cu+O2+H2O+CO2= Cu2(OH)2CO3;
(2)保持青铜表面干燥。
3、答案:(1)②;
(2)曲线②的耗氧量大于曲线①的耗氧量;
(3)加快;
(4)①增加反应面积,使铁粉充分与集气瓶内的气体反应;②用暖宝宝里面的发热剂代替铁粉;
(5)2 Fe(OH)3Fe2O3+3H2O;
(6)AB。
4、答案:实验一:(1)水和空气(氧气)。;
(2)氯化钠;
(3)铁锈疏松多孔,能吸附空气中的氧气和水,会加快铁的锈蚀;Fe2O3+6HCl=2FeCl3+3H2O;
实验二:(1)40;
(2)温度;温度在10~50℃的范围内,温度越高,铁钉锈蚀的速度越快。
5、答案:(1)CO2+ Ca(OH)2═CaCO3↓+H2O;
(2)C、H、O;
(3)除去水中溶解的氧气和二氧化碳;
(4)①③;
(5)铜生锈一定与O2有关;
(6)CO2、O2;
(7)铜与水、二氧化碳和氧气同时接触;
(8)保持铜表面干燥。
6、答案:(1)Ⅰ、Ⅱ;实验Ⅰ中铁生锈,实验Ⅲ中铁不能生锈。
(2)右边液面下降,左边液面上升至1刻度处。
(3)0.1。
(4)食盐能加快铁粉生锈的速率。
(5)2、3、4。
(6)A。
7、答案:(1)+3;
(2)防止生成的高温熔融物溅落,炸裂瓶底;Fe+2HCl=FeCl2+H2↑;强;与金属的化合物(或盐)溶液反应;
(3);
(4)【解释与结论】①食盐能加快铁粉生锈速率;②2、3、4;
【反思与评价】ABC。
8、答案:【知识回顾】(1)与氧气和水同时接触。
(2)食盐会加快铁锈蚀。
【实验探究】温度越高,铁锈蚀越快;50℃以后,试管中的氧气耗尽,铁钉的锈蚀停止(合理即可)。
【拓展延伸】H2O、CO2;AC。
【讨论交流】铁表面刷漆(其他合理答案亦可)。
9、答案:Ⅰ(1)水、氧气。
(2)1/5;无需点燃,操作简单。
Ⅱ(1)0.1。
(2)食盐能够加快铁生锈的速率。
(3)2、3、4。
(4)密封保存。
10、答案:【猜测】碱式碳酸铜中没有氮元素;
(1)氧气、二氧化碳、水蒸气;
(2)B;铁;
(3)CO2+ Ca(OH)2=CaCO3↓+H2O;
(4)绿色变黑色;
(5)Cu2(OH)2CO32CuO+CO2↑+H2O;
11、答案:(1)①氧气、水。
②铁锈疏松多孔,能够吸收水蒸气和氧气,促进铁生锈。
③涂漆或镀一层金属等。
(2)①加入NaCl溶液。
②铁锈蚀消耗氧气,三颈烧瓶内压强减小,注射器内盐酸被吸入烧瓶,铁与盐酸反应放出氢气,使瓶内的压强突然增大,因此t3时刻后压强突然变大。
(3)①Fe+2HCl═FeCl2+H2↑。
②36%。
③氢气中混有水蒸气、盐酸挥发出氯化氢气体、加入稀盐酸时被排出的空气进入注射器等。
12、答案:(1)金的化学性质不如铜活泼。
(2)6。
(3)Ⅰ.除去溶解的氧气。
Ⅱ.2NaOH+CO2═Na2CO3+H2O。
Ⅲ.铜生锈需要二氧化碳;除去氧气的空气。
Ⅳ.空气中的二氧化碳完全反应。
Ⅴ.碱式碳酸铜形成致密的保护膜。
Ⅵ. Cu7(OH)10CO2。
13、答案:(1)铁钉生锈消耗氧气,随着氧气浓度减低反应变慢;
(2)①越快;
②酸性;氯离子;
【拓展应用】NaCl(合理即可)。
14、答案:【交流讨论】
碳元素、氧元素、氢元素、铜元素;Ca(OH)2+CO2═CaCO3↓+H2O。
(1)铜锈中含有氢元素、碳元素。
(2)铜生锈的条件之一是与二氧化碳接触。
(3)①②。
(4)不正确,是因为要证明铜生锈是否与氧气有关,与①对比的实验应该是铜片与水、二氧化碳接触,而④中铜片只与水接触。
(5)保持铜制品干燥、与二氧化碳隔绝、与氧气隔绝等。
15、答案:(1)①不能;二氧化碳。
②氧气。
(2)①铜片试管内无明显现象,铁片试管内有气泡产生,溶液变为浅绿色。
②红;Fe+CuSO4=FeSO4+Cu。
(3)铁与铜离子反应生成亚铁离子和铜;减小。
(4)①氢气产生速度越来越慢。
②80%。
16、答案:(1)活塞回到原处。
(2)氯化钠可以加速铁制品锈蚀。
(3)17.5%。
17、答案:(1)水、氧气;
(2)氯化钠;
(3)铁锈疏松多孔,能吸附空气中的氧气和水,会加快铁的锈蚀;Fe2O3+6HCl=2FeCl3+3H2O;
(4)铁生锈放出的热量小于装置散失的热量;
(5)加NaCl溶液前,锈蚀较慢;
铁锈蚀消耗氧气,三颈烧瓶内压强减小,注射器内盐酸被吸入烧瓶,铁与盐酸反应放出氢气;
(7)氢气未干燥;在乙、丙之间加一个干燥装置,从而减小误差;
(8)由于使用了铁粉和加入碳粉。
编号
①
②
③
④
实验
现象
铜片表面有绿色物质
无明显现象
无明显现象
无明显现象
广口瓶序号
实验条件
铁粉质量
炭粉质量
水
食盐质量
稀醋酸
③
5.0g
0.1g
10滴
0
0
④
5.0g
0.1g
10滴
1.0g
0
⑤
5.0g
0.1g
10滴
0
5滴
试管
一周后现象
A
铁钉表面有一层铁锈
B
铁钉表面无明显变化
C
铁钉表面无明显变化
D
铁钉表面有较厚铁锈
温度/℃
10
20
30
40
50
铁钉质量增加/g
0.02
0.04
0.08
0.16
0.18
编号
①
②
③
④
⑤
实验
现象
无明显现象
无明显现象
铜丝表面
有绿色物质
无明显现象
无明显现象
实验编号
活性炭/g
食盐/g
温度上升值/℃
1
0
0
0.1
2
0.2
0
22.0
3
0
x
3.1
4
0.2
0.1
56.3
实验编号
活性炭/g
食盐/g
温度上升值/℃
1
0
0
0.1
2
0.2
0
22.0
3
0
0.1
3.1
4
0.2
0.1
56.3
温度/℃
20
30
40
50
60
70
铁钉质量增加/g
0.04
0.08
0.16
0.18
0.18
0.18
实验编号
活性炭/g
食盐/g
温度上升值/℃
1
0
0
0.1
2
0.2
0
22.0
3
0
x
3.1
4
0.2
0.1
56.3
试管
一周后现象
甲
铁钉表面有一层铁锈
乙
铁钉表面无明显变化
丙
铁钉表面无明显变化
编号
①
②
③
④
实验
现象
铜片表面有绿色物质
无明显现象
无明显现象
无明显现象
溶液中的溶质
氯化铵
硫酸铵
氯化钠
硫酸钠
氢氧化钠
0min时氧气浓度/%
20.8
20.8
20.8
20.8
20.8
500min时氧气浓度/%
15.8
17.0
18.6
19.0
19.8
实验前溶液pH
5.31
5.53
7.0
7.0
13.6
实验后溶液pH
7.37
7.99
10.5
10.4
13.8
铁钉锈蚀情况
大量铁锈
大量铁锈
少量铁锈
少量铁锈
几乎无锈
序号
①
②
③
④
实验
现象
铜片表面有绿色物质
无明显现象
无明显现象
无明显现象
空烧杯
加入硫酸后
加入合金5分钟
加入合金12分钟
加入合金21分钟
加入合金40分钟
加入合金3小时
读数(g)
28.5
169.7
183.6
183.5
183.4
183.3
183.3
5分钟
20分钟
1小时
5小时
甲
无现象
无现象
无现象
无现象
乙
出现少许锈斑,活塞未明显移动
出现明显锈斑,活塞移动少许
锈斑增多,活塞移动明显
锈蚀严重,活塞处于39mL刻度处
丙
出现明显锈斑,活塞移动少许
锈斑增多,活塞移动明显
锈蚀严重,活塞处于39mL刻度处
锈蚀严重,活塞处于39mL刻度处
试管
一周后现象
A
铁钉表面有一层铁锈
B
铁钉表面无明显变化
C
铁钉表面无明显变化
D
铁钉表面有较厚铁锈
相关试卷
这是一份金属专题四、铁锈蚀条件的实验探究,共10页。
这是一份中考化学解题模型之金属生锈条件的探究(含答案),共63页。试卷主要包含了铁钉是生活中常见的铁制品,某学习小组对铁锈蚀进行探究,金属的锈蚀是重要研究课题等内容,欢迎下载使用。
这是一份中考化学二轮实验专题复习专题03探究铁的锈蚀条件(教师版),共22页。试卷主要包含了 实验原理,铁生锈实验,铁在密闭容器里生锈引起气压变化,某学习小组对铁锈蚀进行探究,5%等内容,欢迎下载使用。

