2022届高三化学一轮复习实验专题强化练3实验安全专题含解析
展开1.下列实验操作或装置能达到目的的是
A.AB.BC.CD.D
2.下列说法不正确的是
A.用纸层析法分离Fe3+和Cu2+,将滤纸上的试样点完全浸入展开剂可提高分离效果
B.将CCl2·6H2O晶体溶于95%乙醇,加水稀释,溶液颜色由蓝色逐渐转变为粉红色
C.乙酰水杨酸粗产品中加入足量碳酸氢钠溶液,充分反应后过滤,可除去聚合物杂质
D.某些强氧化剂(如:氯酸钾、高锰酸钾)及其混合物不能研磨,否则可能引起爆炸
3.中国传统文化对人类文明贡献巨大,古代文献中充分记载了古代化学研究成果,晋代《抱朴子》中描述了大量的化学反应,其中有①“丹砂烧之成水银,积变又还成丹砂”;②“以曾青涂铁,铁赤色如铜”。下列有关叙述正确的是(已知丹砂化学式为HgS)()
A.①中水银“积变又还成丹砂”说明水银发生了还原反应
B.②中反应的离子方程式为
C.根据①可知温度计打破后可以用硫粉覆盖水银,防止中毒
D.水银能跟曾青发生置换反应生成单质铜
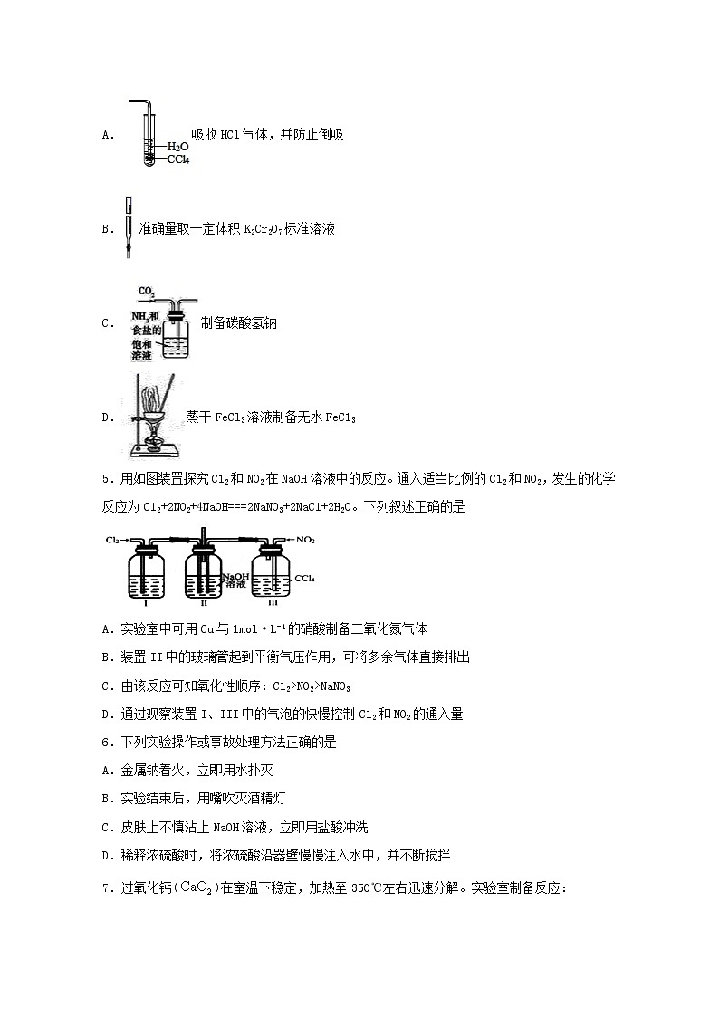
4.实验是化学研究的基础,下图关于各实验装置(夹持装置已略去)的叙述,正确的是
A.吸收HCl气体,并防止倒吸
B.准确量取一定体积K2Cr2O7标准溶液
C.制备碳酸氢钠
D.蒸干FeCl3溶液制备无水FeC13
5.用如图装置探究C12和NO2在NaOH溶液中的反应。通入适当比例的C12和NO2,发生的化学反应为C12+2NO2+4NaOH===2NaNO3+2NaC1+2H2O。下列叙述正确的是
A.实验室中可用Cu与1ml·L-1的硝酸制备二氧化氮气体
B.装置II中的玻璃管起到平衡气压作用,可将多余气体直接排出
C.由该反应可知氧化性顺序:C12>NO2>NaNO3
D.通过观察装置I、III中的气泡的快慢控制C12和NO2的通入量
6.下列实验操作或事故处理方法正确的是
A.金属钠着火,立即用水扑灭
B.实验结束后,用嘴吹灭酒精灯
C.皮肤上不慎沾上NaOH溶液,立即用盐酸冲洗
D.稀释浓硫酸时,将浓硫酸沿器壁慢慢注入水中,并不断搅拌
7.过氧化钙()在室温下稳定,加热至350℃左右迅速分解。实验室制备反应:,装置如图所示。下列说法错误的是
A.长颈漏斗可以起到防倒吸的作用
B.甲装置可以用浓氨水和碱石灰来制备氨气
C.冰水混合物的主要作用是防止生成的过氧化钙受热分解
D.反应过程中不断中和和过氧化氢生成的,促进反应进行
8.下列说法不正确的是
A.金属汞一旦滑落在实验室地面或桌面时,必须尽可能收集,并深埋处理
B.氨氮废水(含NH4+及NH3)可用化学氧化法或电化学氧化法处理
C.做蒸馏实验时,在蒸馏烧瓶中应加入沸石,以防暴沸。如果在沸腾前发现忘记加沸石,应立即停止加热,冷却后补加
D.用pH计、电导率仅(一种测量溶渡导电能力的仪器)均可检测乙酸乙酯的水解程度
9.安全是顺利进行实验及避免伤害的保障。下列实验操作正确但不是从实验安全角度考虑的是( )
A.操作①:使用稍浸入液面下的倒扣漏斗检验氢气的纯度
B.操作②:使用CCl4萃取溴水中的溴时,振荡后需打开活塞使漏斗内气体放出
C.操作③:吸收氨或氯化氢气体并防止倒吸
D.操作④:用食指顶住瓶塞,另一只手托住瓶底,把瓶倒立,检查容量瓶是否漏水
10.下列说法正确的是
A.检验(NH4)2Fe(SO4)2·6H2O晶体中的NH4+:取少量晶体溶于水,加入足量浓NaOH溶液并加热,再用湿润的蓝色石蕊试纸检验产生的气体
B.验证FeCl3与KI反应的限度:可将少量的FeCl3溶液与过量的KI溶液混合,充分反应后用CCl4萃取,静置,再滴加KSCN溶液
C.受溴腐蚀致伤时,先用稀NaOH溶液洗,再用水洗
D.用激光笔检验硫酸铜溶液具有丁达尔效应
11.化学实验中安全意识是重要的科学素养,下列实验操作或事故处理操作中正确的是
A.酒精灯不慎碰倒起火时可用水扑灭
B.不慎将酸溅到眼中,应立即用水冲洗,边洗边眨眼睛
C.配制硫酸溶液时,可先在量筒中加入一定量的水,再在搅拌条件下加入浓硫酸
D.做“氢气还原氧化铜”的实验时,先加热再通氢气
12.“绿色化学实验”进课堂,某化学教师为“氯气与金属钠反应”设计了如下装置与操作以替代相关的课本实验。实验操作:钠与氯气反应的装置可作如图改进,将一根玻璃管与氯气发生器相连,玻璃管内放一块黄豆粒大的金属钠(已吸净煤油),玻璃管尾部塞一团浸有NaOH溶液的棉花球。先给钠预热,到钠熔融成圆球时,撤火,通入氯气,即可见钠着火燃烧,生成大量白烟。以下叙述错误的是
A.反应生成的大量白烟是氯化钠晶体
B.玻璃管尾部塞一团浸有NaOH溶液的棉球是用于吸收过量的氯气,以免其污染空气
C.钠着火燃烧产生苍白色火焰
D.若在棉球外沿滴一滴淀粉碘化钾溶液,可根据颜色变化判断氯气是否被碱液完全吸收
13.化学与生活、生产密切相关。下列说法中,不正确的是
A.用氯化铵浓溶液可以除去铁器表面的铁锈
B.当火灾现场有大量活泼金属存放时,不能用水灭火
C.工业上采用蒸干AlCl3溶液的方法得到纯净的无水AlCl3
D.用Na2S作沉淀剂,可除去废水中Pb2+、Hg2+等重金属离子
14.侯氏制碱法制备碳酸氢钠的原理为NH3+H2O+CO2 +NaCl=NH4Cl+NaHCO3↓,某化学小组用如图装置在实验室中模拟该制备过程,下列说法不正确的是
A.装置A中仪器X的名称为蒸馏烧瓶
B.装置B中球形干燥管的作用是防止倒吸
C.装置C中橡胶管的作用是平衡压强,使溶液顺利滴下
D.实验开始后,应先打开K1一段时间,然后再打开K2
15.下列说法正确的是( )
A.准确量取25.00mL的液体可选用移液管、量筒或滴定管等量具
B.实验过程中若皮肤不慎沾上少量酸液,应先用大量水冲洗,再用饱和碳酸氢钠溶液洗,最后再用水冲洗
C.用分液漏斗分液时要经过振荡、放气、静置后,从上口倒出上层液体,再打开旋塞,将下层液体从下口放出
D.在中和热测定实验中,盐酸和NaOH溶液的总质量mg,反应前后体系温度变化为t,反应液的比热容为,则生成1ml水放出的热量为
16.下列说法错误的是
A.用酸性溶液可鉴别乙烯和甲烷
B.新制氯水应保存在无色广口瓶中并置于阴冷处
C.强氧化剂与易燃有机物必须隔离存放,以防止火灾发生
D.通过溶液两两混合的方式可鉴别溶液、溶液、溶液、盐酸
17.下列实验装置进行相应实验,能达到实验目的是
A.AB.BC.CD.D
18.Cl2O能与水反应生成次氯酸,可杀死新型冠状病毒等多种病毒。一种制备Cl2O的原理为HgO+2Cl2=HgCl2+Cl2O,装置如图所示。
已知:①Cl2O的熔点为-116℃、沸点为3.8℃,具有强烈刺激性气味、易溶于水;
②Cl2O与有机物、还原剂接触或加热时会发生燃烧并爆炸。
下列说法中正确的是( )
A.装置③中盛装的试剂是饱和食盐水
B.装置④与⑤之间可用橡胶管连接
C.从装置⑤中逸出气体的主要成分是Cl2O
D.通入干燥空气的目的是将生成的Cl2O稀释,减小爆炸危险
19.某小组为探究K3[Fe(C2O4)3·3H2O(三草酸合铁酸钾晶体)的热分解产物,按如图所示装置进行实验。下列有关叙述错误的是
A.通入氮气的目的有;隔绝空气、使反应产生的气体全部进人后续装置
B.实验中观察到装置F中澄清石灰水变浑浊,装置E中固体变为红色,由此可判断热分解产物中一定含有CO2和CO
C.为防止倒吸,停止实验时应进行的操作是:先熄灭装置A、E的酒精灯,冷却后停止通入氮气
D.样品完全分解后,取少许装置A中残留物于试管中,加稀硫酸溶解,滴入1~2滴KSCN溶液,溶液变红色,可证明残留物中含有
20.下列说法正确的是
A.基于硫代硫酸钠与稀硫酸反应生成S和SO2,在定量分析测定反应速率时,可用排水法测 SO2 体积,计算出相关的反应速率
B.46gC2H6O含有的C—H的数目一定是6NA
C.以地沟油为原料加工制成的生物柴油的成分与石油分馏得到的柴油的成分不同
D.如果存放有钠、电石等危险化学品的仓库着火,消防员不能用水灭火,应用泡沫灭火器灭火
21.下列说法不正确的是
A.容量瓶、量筒和滴定管上都标有使用温度,量筒、容量瓶无 “0”刻度,滴定管有“0”刻度;使用时滴定管水洗后还需润洗,但容量瓶水洗后不用润洗
B.用电子天平称量化学药品时,必须先称小烧杯的质量,再称量加入试剂后的总质量,两者之差即为药品的质量
C.金属着火时,可用细沙覆盖灭火;电器设备引起的火灾,不可用泡沫灭火器灭火
D.在4mL0.1ml·L-1的K2Cr2O7溶液中滴加数滴1ml·L-1的NaOH溶液,溶液颜色从橙色变成黄色
22.亚硝酸钙[Ca(NO2)2]是易溶于水的无色晶体,可用作水泥硬化促进剂和防冻阻锈剂等。实验室可通过反应Ca(NO3)2+CaFe2O4+NO→Ca(NO2)2+Fe2O3(未配平)制备高纯度的亚硝酸钙,装置如图所示:
下列说法错误的是( )
A.装置b中盛放的试剂为浓硫酸 B.向烧瓶中加入稀硝酸前需打开K
C.装置e主要用于除去尾气中的NO D.d中每生成1 ml Ca(NO2)2,转移 ml电子
二、填空题(共6题)
23.硫酰氯(SO2Cl2)常作氯化剂或氯磺化剂,用于制作药品、染料、表面活性剂等。
有关物质的部分性质如下表:
实验室用干燥而纯净的二氧化硫和氯气合成硫酰氯,装置如图所示(夹持仪器已省略),请回答有关问题:
(1) 仪器A冷却水的进口为________(填“a”或“b”)。
(2) 仪器B中盛放的药品是________。
(3) 实验时,装置丁中发生反应的离子方程式为________。
(4) 装置丙的作用为______,若缺少装置乙硫酰氯会水解,该反应的化学方程式为_______。
(5) 少量硫酰氯也可用氯磺酸(ClSO3H)分解获得,该反应的化学方程式为:2ClSO3H===H2SO4+SO2Cl2,此方法得到的产品中会混有硫酸。从分解产物中分离出硫酰氯的方法是________。
24.化学是一门以实验为基础的自然科学,进行化学实验时要采取正确的实验操作,注意实验安全:
(1)在盛放浓硫酸的试剂瓶的标签上印有如图所示警示标志,说明浓硫酸是一种_______。
(2)下列有关实验操作和安全事故处理错误的有_______。
a.使用水银温度计测量烧杯中水浴温度时,不慎打破水银球,用滴管将水银吸出放入水封的瓶中,残破的温度计插入装有硫粉的广口瓶中
b.用试管夹从试管底部由下往上夹住距管口约处,手持试管夹长柄进行加热
c.把用氯酸钾制氧气后的残渣倒入垃圾桶
d.给盛有液体的烧瓶加热时,需加碎瓷片或沸石
e.配制硫酸溶液时,在量筒中加入一定体积的水,再边搅拌边慢慢加入浓硫酸
f.用如图所示装置吸收氨气
25.常用危险化学品的识别与存放。危险化学品常分为不同的类别,具有不同的图形标志,如:
观察上述图标,回答问题:
(1)装运浓硫酸的箱子应贴的图标是______;盛有大量酒精的容器封装后应贴的图标是______。
(2)贴有图标B、D的化学试剂应______保存,放置在远离______的地方。
(3)现有下列物品:①NH4NO3 ②(NH4)2SO4 ③食盐 ④油漆 ⑤汽油 ⑥黑火药 ⑦生石灰。为了火车客运安全,从化学性质判断,由于易燃易爆而不能带上火车的是______。
A.③④⑤⑥⑦ B.①②⑦
C.①④⑤⑥ D.①④⑦
26.实验室制备1,2-二溴乙烷的反应原理如下:CH3CH2OH→CH2=CH2 CH2=CH2+Br2→BrCH2CH2Br
可能存在的主要副反应有:乙醇在浓硫酸的存在下在140℃脱水生成乙醚。用少量的溴和足量的乙醇制备1,2-二溴乙烷的装置如下图所示:
有关数据列表如下:
回答下列问题:
(1)在此制备实验中,要尽可能迅速地把反应温度提高到170℃左右,其最主要目的是
______________;(填正确选项前的字母)
a.引发反应 b.加快反应速度
c.防止乙醇挥发 d.减少副产物乙醚生成
(2)在装置C中应加入____,其目的是吸收反应中可能生成的酸性气体;(填正确选项前的字母)
a.水 b.浓硫酸 c.氢氧化钠溶液 d.饱和碳酸氢钠溶液
(3)判断该制备反应已经结束的最简单方法是______________________;
(4)将1,2-二溴乙烷粗产品置于分液漏斗中加水,振荡后静置,产物应在____层(填“上”或“下”);
(5)连接有长玻璃导管的装置B的作用是__________________;
(6)若产物中有少量副产物乙醚,可用__________________的方法除去;
(7)反应过程中应用冷水冷却装置D,其主要目的是__________________;但又不能过度冷却(如用冰水),其原因是__________________。
27.请回答在化学实验中发生下列意外事故时的处理方法:
(1)创伤处理:如被玻璃割伤________________________________。
(2)烫伤、烧伤的处理方法________________________________。
(3)少量浓硫酸沾到皮肤上________________________________。
(4)较多浓硫酸沾到皮肤上________________________________。
(5)浓碱沾到皮肤上________________________________。
28.磷及其化合物在生产、生活中有重要的用途。回答下列问题:
(1)写出磷酸主要的电离方程式:____。
(2)在碱性条件下,次磷酸盐可用于化学镀银,完成其反应的离子方程式。
________+________Ag++__________=________PO+________Ag+___________
(3)由工业白磷(含少量砷、铁、镁等)制备高纯白磷(熔点44℃,沸点280℃),主要生产流程如图:
①除砷过程在75℃时进行,其合理的原因是__(填字母)。
a.使白磷熔化,提高反应活性
b.降低白磷的毒性
c.温度不宜过高,防止硝酸分解
d.适当提高温度,增大反应速率
②生产过程在高纯氮气保护下进行,其目的是__。
参考答案
1.B
【分析】
A、乙醇的密度小于浓硫酸;
B、容量瓶上的刻度与凹液面的最低处相切;
C、二氧化氮的密度大于空气;
D、乙炔中的杂质也能使溴水褪色。
【详解】
A、乙醇的密度小于浓硫酸,混合时应将浓硫酸沿烧杯壁倒入乙醇中,边倒边搅拌,若顺序相反则容易引起液体飞溅,故A不能达到目的;
B、容量瓶上的刻度与凹液面的最低处相切,胶头滴管垂直位于容量瓶的正上方,故B能达到目的;
C、二氧化氮的密度大于空气,集气瓶中的导气管应长进短出,故C不能达到目的;
D、乙炔中的H2S等杂质也能使溴水褪色,应先通过一个盛碱液的洗气瓶将杂质除去,故D不能达到目的;
故选B。
【点睛】
本题考查实验装置和基本操作,易错点D,学生易忽略实验室用电石制乙炔中的H2S等还原性杂质也能使溴水褪色。
2.A
【详解】
A.用纸层析法分离Fe3+和Cu2+时,滤纸上的试样点不能浸入展开剂中,试样点浸入展开剂会溶解在展开剂中无法分离,A错误;
B.CCl2在水溶液中存在平衡[C(H2O)6]2+(粉红色)+4Cl-[CCl4]2-(蓝色)+6H2O,95%乙醇中水很少,CCl2·6H2O晶体溶于95%乙醇得到的溶液中主要含[CCl4]2-,溶液呈蓝色,加水稀释,平衡逆向移动,得到主要含[C(H2O)6]2+的粉红色溶液,B正确;
C.用水杨酸与乙酸酐反应制备乙酰水杨酸(乙酰水杨酸的结构简式为)、同时生成副产物聚水杨酸,乙酰水杨酸的结构中含羧基和酯基,向其粗产品中加入足量NaHCO3溶液,乙酰水杨酸转化成可溶于水的乙酰水杨酸钠,聚水杨酸难溶于水,过滤后可除去聚合物杂质,向过滤后的滤液中加入盐酸可将乙酰水杨酸钠转化为乙酰水杨酸,C正确;
D.KClO3、KMnO4等强氧化剂及其混合物研磨时会发生反应产生气体引起爆炸,D正确;
答案选A。
3.C
【详解】
A.Hg→HgS是水银发生了氧化反应,故A错误;
B.②中是铁和发生置换反应生成,正确的离子方程式为,故B错误;
C.S和Hg反应生成HgS,因此可以用硫粉覆盖温度计打破后流出的水银,防止中毒,故C正确;
D.根据金属活动性顺序,Cu排在Hg的前面,因此Hg不能置换出Cu,故D错误;
故答案为C。
4.A
【详解】
A项、HCl极易溶于水,不易溶于四氯化碳,将HCl通入四氯化碳中,隔绝与水的接触,四氯化碳有缓冲作用,能防止倒吸,故A正确;
B项、重铬酸钾具有强氧化性,能氧化橡胶而不能用碱式滴定管,应该用酸式滴定管,故B错误;
C项、二氧化碳气体应长导管进入,图中气体的进入方向不合理,故C错误;
D项、从FeCl3的溶液中获得无水FeCl3的操作方法是在不断通入HCl气流的条件下将FeCl3溶液蒸干可以获得无水FeCl3,用题给装置蒸干氯化铁溶液,氯化铁水解生成的氯化氢挥发会导致水解趋于完全,最后得到氢氧化铁,故D错误。
故选A。
【点睛】
本题考查化学实验方案的评价,侧重分析与实验能力的考查,注意实验的评价性分析,把握实验装置的作用、物质的制备及性质实验、实验技能为解答的关键。
5.D
【详解】
A.实验室中可用Cu与1ml·L-1的硝酸是稀硝酸只能生成NO,得不到二氧化氮气体,A错误;
B.装置II中的玻璃管起到平衡气压作用,可将多余气体有Cl2和NO2、NO等气体都是有毒的气体,不能直接排出,B错误;
C.该反应C12+2NO2+4NaOH===2NaNO3+2NaC1+2H2O中Cl2是氧化剂,NO2是还原剂,NaNO3是氧化产物,故只能得出氧化性顺序:C12>NO2 、C12>NaNO3,但不能得出NO2>NaNO3,C错误;
D.由于同温同压下,气体的体积之比等于其物质的量之比,故可以通过观察装置I、III中的气泡的快慢控制C12和NO2的通入量,D正确;
故答案为:D。
6.D
【详解】
A.钠能和水剧烈反应生成氢气并放热,可能引起爆炸,只能用沙土来灭火,A错误;
B.用嘴吹灭酒精灯容易引发火灾,应用灯帽盖灭,B错误;
C.盐酸具有强腐蚀性,且酸碱中和会放热,对皮肤造成二次伤害,所以不能用盐酸冲洗,C错误;
D.浓硫酸的稀释放出大量热,为了防止溶液溅出,只能将浓硫酸沿器壁慢慢注入水中,并不断搅拌,D正确。
答案选D。
7.C
【详解】
A.氨气极易溶于水,倒吸的水在长颈漏斗中可以回流,故可以起到防倒吸的作用,A正确;
B.甲装置为固+液不加热制备气体的反应装置,根据反应原理,可以用浓氨水和碱石灰来制备氨气,B正确;
C.冰水混合物的主要作用:防止过氧化氢分解,同时使过氧化钙晶体析出,C错误;
D.反应过程中因为要生成更多的CaO2•8H2O,为使反应不断向正反应进行,需要加NH3•H2O中和过氧化氢和Ca2+反应生成的氢离子,促进反应进行,D正确。
答案选C。
8.A
【详解】
A.金属汞一旦洒落在实验室地面或桌面,加硫磺粉处理,且金属汞不能深埋处理,易污染土壤和地下水,故A错误;
B.氨氮废水中N为-3价,可利用氧化还原反应原理发生氧化反应转化为无毒物质,所以可用化学氧化法或电化学氧化法处理,故B正确;
C.做蒸馏实验时,蒸馏烧瓶中忘记加人沸石,需要停止加热,冷却后补加,故C正确;
D.乙酸乙酯水解生成乙酸和乙醇,只有乙酸为电解质,且乙酸电离显酸性,则乙酸浓度越大,酸性越强,导电能力也越强,所以用pH计、电导率仪(一种测量溶液导电能力的仪器)均可监测乙酸乙酯的水解程度,故D正确;
故答案为A。
9.D
【详解】
A.由于连通氢气发生装置的导管在液面以下,所以可以防止点燃不纯氢气时发生爆炸,该操作是从安全角度考虑,故A不符合题意;
B.打开活塞使漏斗内气体放出以防止分液漏斗内压强过大引起危险,该操作是从安全角度考虑,故B不符合题意;
C.水层在下层不能防止倒吸,应该使用四氯化碳,该操作不正确,故C不符合题意;
D.检查容量瓶是否漏水操作正确,但不是从实验安全角度考虑的,故D符合题意;
答案为D。
10.B
【解析】
A.检验氨气时应该用湿润的红色石蕊试纸,不是用蓝色石蕊试纸检验,A错误;B.KSCN溶液遇三价铁离子变红色,由于碘化钾过量,若变红色,说明未完全反应,说明存在化学反应的限度,B正确;C.氢氧化钠具有腐蚀性,应该根据溴易溶于酒精或甘油,先用酒精或甘油洗伤口,再用大量水冲洗,C错误;D.硫酸铜的水溶液是溶液,没有丁达尔效应,D错误;答案选B。
11.B
【详解】
A.酒精灯不慎碰倒起火时,应用抹布扑灭,用水的话不但不能灭火,还会增大着火面积,故A错误;
B.不慎将酸溅到眼中,应立即用水冲洗,边洗边眨眼睛,以最大程度减小对眼睛的危害,故B正确;
C.量筒只能用于量取溶液,且只能在常温下使用,配制硫酸溶液时,不能在量筒稀释,应在烧杯中稀释,故C错误;
D.做“氢气还原氧化铜”的实验时,应防止不纯的氢气导致爆炸,应先通入氢气,排出空气,再加热,故D错误;
故答案为B。
12.C
【详解】
A.氯气性质活泼,易与活泼金属钠发生化合反应生成NaCl,反应时有大量白烟,A项正确;
B.氯气有毒,不能排放到空气中,氯气易与NaOH溶液反应而被吸收,B项正确;
C.钠着火燃烧产生黄色火焰,C项错误;
D.氯气具有强氧化性,能与碘化钾发生置换反应生成碘,碘遇淀粉变蓝,可根据其颜色变化判断氯气是否被碱液完全吸收,D项正确;
答案选C。
13.C
【详解】
A.氯化铵为强酸弱碱盐,NH水解使溶液显酸性,氧化铁和酸反应可用于除锈,A正确;
B.活泼金属如钠等能和水剧烈反应生成可燃气体氢气,能引起爆炸,所以活泼金属着火不能用水灭,B正确;
C.AlCl3是强酸弱碱盐,加热AlCl3溶液,促进AlCl3的水解,生成氢氧化铝和盐酸,盐酸易挥发,最终得到氢氧化铝,与平衡移动原理有关,C错误;
D.Hg2+、Pb2+等重金属离子都可以与S2-反应生成沉淀,可除去废水中Pb2+、Hg2+等重金属离子,D正确;
故合理选项是C。
14.D
【详解】
A. 装置A中仪器X的名称为蒸馏烧瓶,A正确;
B. 氨气极易溶于水,装置B中球形干燥管的作用是防止倒吸,B正确;
C. 装置C中橡胶管的作用是使分液漏斗中液体压强与烧瓶内压强相同,使使分液漏斗中溶液顺利滴下,C正确;
D. 实验开始后,应先打开K2一段时间,使溶液呈碱性,然后再打开K1,吸收更多的二氧化碳,D错误;
答案为D。
15.B
【详解】
A. 滴定管的感量是0.01mL,量筒的感量是0.1mL,所以要量取25.00mL液体可选取移液管、滴定管,不可选用量筒,A项错误;
B. 实验过程中若皮肤不慎沾上少量酸液,应先用大量水冲洗,再用饱和碳酸氢钠溶液洗,最后再用水冲洗,B项正确;
C. 分液时,上层液体从上口倒出,为防止产生杂质,下层液体从下口倒出,所以用分液漏斗分液时,先打开旋塞,待下层液体完全分出后,关闭旋塞,再从上口倒出上层液体,C项错误;
D. 此实验中盐酸和NaOH反应生成水的物质的量不一定是1ml,因此无法计算生成1ml水所放出的热量,D项错误;
答案选B。
【点睛】
D项是易错点,在中和热的实验测定数据处理时,要注意实际生成水的物质的量,结合中和热的定义求出其数值。
16.B
【详解】
A.乙烯能使酸性溶液褪色,而甲烷不能,选项A正确;
B.新制氯水中的HClO见光易分解,应保存在棕色瓶中,选项B错误;
C.为防止火灾等事故发生,强氧化剂应与易燃有机物、强还原性药品等隔离存放,选项C正确;
D.通过溶液两两混合时产生不同的实验现象可先鉴别出溶液,然后用溶液即可鉴别出溶液、溶液和盐酸,选项D正确。
答案选B。
17.A
【解析】
【详解】
A.二氧化碳可防止NO被氧化,且NO的密度比CO2小,从短导管进入集气瓶,排除CO2,图中类似于排空气法收集气体,A正确;
B.NH3直接与硫酸接触,发生倒吸;苯起不到防倒吸的作用,B错误;
C.Cu与电源负极相连,为阴极,Cu不失去电子,该实验为电解水,C错误;
D.生成的气体易从长颈漏斗逸出,另水与电石反应剧烈,一般使用食盐水与电石反应制取乙炔,D错误;
故合理选项为A。
18.D
【详解】
A.装置②、③中盛装的试剂依次是饱和食盐水、浓硫酸,保证进入④中试剂无水,故A错误;
B.因Cl2O与有机物或还原剂接触会发生燃烧并爆炸,则④⑤之间不用橡皮管连接,为了防止橡皮管燃烧和爆炸,故B错误;
C.由沸点可知⑤中冷却分离,最后出来的气体为空气及过量的Cl2,Cl2O在⑤中转化为液态,故C错误;
D.通干燥空气的目的是将生成的Cl2O稀释减少爆炸危险,减少实验危险程度,避免接触还原剂等而爆炸,故D正确;
故答案为D。
【点睛】
考查物质的制备实验,把握制备原理、实验装置的作用、实验技能为解答的关键,①中浓盐酸与高锰酸钾发生氧化还原反应生成氯气,②为饱和食盐水可除去氯气中的HCl,③中浓硫酸干燥氯气,通干燥空气可将氯气排入④中,④中发生HgO+2Cl2=HgCl2+Cl2O,因Cl2O与有机物或还原剂接触会发生燃烧并爆炸。
19.B
【分析】
探究三草酸合铁酸钾[K3[Fe(C2O4)3]•3H2O]受热分解的产物,连接好装置后,加入药品前,应该进行的实验操作是检验装置气密性,利用氮气提供惰性环境,避免干扰分解产物的分析和验证,装置A:三草酸合铁酸钾[K3[Fe(C2O4)3]•3H2O]受热分解,装置B:将气体产物通过澄清石灰水,观察到澄清石灰水变浑浊,有CO2生成,装置C:用氢氧化钠将CO2除尽,装置D:净化(干燥)剩余产物气体,装置E:检验CO(用CuO,变红),装置F:检验有CO2生成(CO的氧化产物),以此解答该题。
【详解】
A.在反应开始前通入N2,可排净装置中的空气,以免O2和CO2对实验干扰,同时用N2把装置A、E中反应生成的气体排出进行后续检验,故A正确;
B.E中固体变红、F中澄清石灰水变浑浊证明分解产物中有还原性气体CO,只有B中澄清石灰水变浑浊才可证明分解产物中一定含有CO2,故B错误;
C.为防止倒吸,需要先关闭反应装置中的酒精灯,冷却至常温过程中需保持一直通入N2,故C正确;
D.结束实验后,待A中固体冷却至室温,取少量于试管中,加稀硫酸溶解,滴加1-2滴KSCN溶液,溶液变红,说明生成铁离子,即证明残留物中含有,故D正确;
故答案为B。
20.C
【解析】A.由于SO2易溶于水,不可用排水法测SO2体积来计算出相关的反应速率,故A错误;B、C2H6O可能为乙醇,也可能为二甲醚,故46g此有机物即1ml中含有的C-H的个数可能为5NA个,也可能为6NA个,故B错误;C、以地沟油为原料加工制成的生物柴油的成分为油脂的混合物,从石油分馏得到的柴油成分为多种烃的混合物,成分不同,故C正确;D.钠和水反应生成氢气,氢气是易燃物,钠燃料后生成过氧化钠,过氧化钠和水、二氧化碳反应生成氧气,促进钠的燃烧,电石与水反应生成可燃性气体乙炔,所以钠、电石等着火燃烧时,不能用泡沫灭火器和水灭火,应该用沙子灭火,故D错误;故选C。
21.B
【详解】
A.容量瓶、量筒和滴定管上都标有使用温度,量筒、容量瓶无 “0”刻度,滴定管有“0”刻度;使用时滴定管水洗后还需润洗,但容量瓶水洗后不用润洗,A正确;
B.用电子天平称量化学药品时,由于在其面板上有去皮按钮,所以将盛装药品的小烧杯放上,去皮后就可以直接称量得到药品的质量,B错误;
C.金属着火时,可用细沙覆盖灭火;电器设备引起的火灾,泡沫灭火器中含有水,不可用泡沫灭火器灭火,C正确;
D.在K2Cr2O7的溶液中存在如下平衡:Cr2O72-(橙色)+H2O2CrO42-(黄色)+2H+,加碱中和氢离子,平衡正向移动,溶液颜色变黄,D正确。
答案选B。
22.A
【详解】
A.装置a、b、c是用于制取纯净干燥的NO,由于NO易被空气中的O2氧化成NO2 , 因此装置b中的试剂应为H2O,利用NO2与H2O反应生成NO,装置c中的无水CaCl2用于干燥NO,故A错误;
B.向烧瓶中加入稀硝酸后,即发生反应生成NO,为使NO顺利排出,应先打开K,故B正确;
C.NaClO3溶液具有氧化性,能将NO氧化吸收,因此装置e是用于除去尾气中的NO,故C正确;
D.反应过程中,Ca(NO3)2中氮元素由+5价变为+3价,NO中氮元素由+2价变为+3价,其余元素的化合价均不发生变化,结合得失电子守恒和原子守恒可得该反应的化学方程式为:Ca(NO3)2+2CaFe2O4+4NO3Ca(NO2)2+2Fe2O3, 因此每生成3mlCa(NO2)2转移4ml电子,则每生成1mlCa(NO2)2转移ml电子,故D正确;
故答案为:A。
23.a 碱石灰 ClO+5Cl-+ 6H+===3Cl2↑+3H2O 除去Cl2中的HCl SO2Cl2+2H2O===H2SO4+2HCl 蒸馏
【解析】
(1) 仪器A冷却水为下进上出,故的进口为a。
(2) 硫酰氯易水解,为防止其水解,仪器B中盛放的药品是干燥剂碱石灰。
(3)装置丁中是制备氯气的装置,反应的离子方程式:ClO3-+5Cl-+ 6H+=3Cl2 ↑+3H2O。
(4)因实验中要用到干燥而纯净的氯气 ,故装置丙是除去Cl2中的HCl;装置乙是除去Cl2中的H2O,起干燥作用,缺少装置乙硫酰氯遇到水会发生水解:SO2Cl2 + 2H2O=H2SO4 + 2HCl;
(5)H2SO4高沸点为338℃,而SO2Cl2低沸点为69.1℃,可用蒸馏的方法从分解产物中分离出硫酰氯。
【点睛】本题考查的是实验仪器的使用,物质的制备,性质的应用。本题 中有效信息的提取和应用是关键,特别注意的是硫酰氯的水解,氯气的制备。难度中等。
24.腐蚀性液体(或腐蚀品) ce
【详解】
(1)图一为腐蚀品标志,说明硫酸有腐蚀性,是一种腐蚀性液体;
(2)a.使用水银温度计测量烧杯中水浴温度时,不慎打破水银球,用滴管将水银吸出放入水封的小瓶中,防止水银的挥发,残破的温度计插入装有硫粉的广口瓶中,汞易和硫反应生成难挥发的物质,正确;
b.用试管夹从试管底部由下往上夹住距试管口约三分之一处,手持试管夹长柄末端,进行加热,正确;
c.氯酸钾具有强氧化性,要防止火灾的发生,不能随意丢弃,错误;
d.给盛有液体的烧瓶加热时,为了分子混合液暴沸,需要加碎瓷片或沸石,正确;
e.量筒只能用来量取一定体积的液体,不能在量筒中稀释溶液,错误;
f.由于氨气难溶于四氯化碳,氨气与四氯化碳接触不易发生倒吸现象,能够用于吸收氨气,正确;
答案为ce。
25.A E 密封 火源和电源 C
【详解】
(1)浓硫酸具有腐蚀性,装运浓硫酸的箱子应贴的图标是A;酒精是可燃性液体,盛有大量酒精的容器封装后应贴的图标是选项E;(2)爆炸品和易燃固体应该密封保存,且放置在远离火源和电源的地方;(3)①NH4NO3、④油漆、⑤汽油、⑥黑火药等属于易燃易爆而不能带上火车,答案选C。
26.d c 溴的颜色完全褪去 下 安全瓶 蒸馏 乙烯与溴反应时放热,冷却可避免溴的大量挥发 1,2二溴乙烷的凝固点较低(9 ℃),过度冷却会使其凝固而使气路堵塞
【解析】
(1)乙醇在浓硫酸140℃的条件下,发生分子内脱水,生成乙醚,故答案为d;
(2)浓硫酸具有强氧化性,将乙醇氧化成二氧化碳,自身被还原成二氧化硫,二氧化碳、二氧化硫能和氢氧化钠溶液反应,故答案为c;
(3)乙烯和溴水发生加成反应生成1,2-二溴乙烷,1,2-二溴乙烷为无色,故答案为溴的颜色完全褪去;
(4)1,2-二溴乙烷和水不互溶,1,2-二溴乙烷密度比水大,故答案为下;
(5)连接有长玻璃导管的装置B与外界大气连通,能起到安全瓶的作用,防止倒吸。
(6)1,2-二溴乙烷与乙醚的沸点不同,两者均为有机物,互溶,用蒸馏的方法将它们分离,故答案为蒸馏;
(7)溴在常温下,易挥发,乙烯与溴反应时放热,溴更易挥发,冷却可避免溴的大量挥发,但1,2-二溴乙烷的凝固点9℃较低,不能过度冷却,故答案为乙烯与溴反应时放热,冷却可避免溴的大量挥发;1,2-二溴乙烷的凝固点较低(9℃),过度冷却会使其凝固而使气路堵塞
【点睛】考查有机物的合成,设计实验方案及探究实验,掌握物质的性质,选择合理的实验设计和方案,结合题目信息,获取有效信息是解题的核心所在。
27.应先除去伤口的玻璃,再用双氧水擦洗消毒或涂碘酒,而后敷药包扎 用75%~95%的酒精轻涂伤处,再涂烫伤药膏;严重者立即就医 立即用大量水冲洗 先用布拭去,再用大量水冲洗,然后涂上适量3%~5%的碳酸氢钠溶液 立即用大量水冲洗后,涂上适量稀的硼酸溶液
【详解】
(1)被玻璃割伤时,应先除去伤口的玻璃,再用双氧水擦洗消毒或涂碘酒,而后敷药包扎;
(2)实验室中,烫伤、烧伤的处理方法为用75%~95%的酒精轻涂伤处,再涂烫伤药膏;严重者立即就医;
(3)少量浓硫酸沾到皮肤上,应立即用大量水冲洗;
(4)较多浓硫酸沾到皮肤上,应先用布拭去,再用大量水冲洗,然后涂上适量3%~5%的碳酸氢钠溶液;
(5)浓碱沾到皮肤上,立即用大量水冲洗后,涂上适量稀的硼酸溶液。
【点睛】
较多浓硫酸沾到皮肤上,切记不可直接用大量水冲洗,应先用布拭去,再用大量水冲洗,然后涂上适量3%~5%的碳酸氢钠溶液。
28.H3PO4H++H2PO 1 4 6 OH- 1 4 4 H2O acd 防止白磷被空气中氧气氧化
【分析】
根据氧化还原反应原理配平离子方程式;根据题给信息和硝酸的性质进行分析,在制备过程中防止氧气氧化白磷。
【详解】
(1)磷酸是三元弱酸,分步电离,以第一步电离为主:H3PO4H++H2PO;故答案为:H3PO4H++H2PO。
(2)在碱性条件下,次磷酸盐可用于化学镀银,次磷酸盐中P化合价由+1价升高到+5价,升高4个价态,银由+1价降低到0价,降低1个价态,根据化合价升降守恒,因此Ag+系数为4,系数为1,根据P守恒,PO系数为1,根据Ag守恒,Ag系数为4,根据环境在碱性环境中,前面应该有OH-参与反应,产物有H2O生成,根据电荷守恒,OH-系数为6,根据氢守恒得到H2O的系数为4,根据氧守恒检验,因此其反应的离子方程式为:1+4Ag++6OH-=1PO+4Ag+4H2O;故答案为:1;4;6;OH-;1;4;4;H2O。
(3)①a.白磷不溶于水,使白磷熔化,提高反应活性,故a符合题意;
b.熔化不能改变其毒性,故b不符合题意;
c.温度过高,硝酸会分解,需要控制合适的温度,故c符合题意;
d.提高适当的温度,可以加快反应速率,故d符合题意;综上所述,答案为acd。
②白磷在空气中易被氧化,故答案为:防止白磷被空气中氧气氧化。
【点睛】
白磷有毒,制备过程中白磷易被氧化,因此制备过程中要注意防止白磷被氧化。A
B
C
D
混合浓硫酸和乙醇
配制一定浓度的溶液
收集气体
证明乙炔可使溴水褪色
A.用图所示装置(正放)可收集NO气体
B.用图所示装置可吸收多余氨气且能防止倒吸
C.用图所示装置可实现反应:Cu+2H2O Cu(OH)2+H2↑
D.用图所示装置可实现制乙炔
物质
熔点/℃
沸点/℃
其它性质
SO2Cl2
-54.1
69.1
①易水解,产生大量白雾
②易分解:SO2Cl2SO2↑+Cl2↑
H2SO4
10.4
338
吸水性且不易分解
2022届高三化学一轮复习实验专题强化练33综合实验评价探究实验含解析: 这是一份2022届高三化学一轮复习实验专题强化练33综合实验评价探究实验含解析,共30页。试卷主要包含了单选题,实验题等内容,欢迎下载使用。
2022届高三化学一轮复习实验专题强化练31物质制备探究实验含解析: 这是一份2022届高三化学一轮复习实验专题强化练31物质制备探究实验含解析,共22页。试卷主要包含了单选题,实验题等内容,欢迎下载使用。
2022届高三化学一轮复习实验专题强化练33综合实验评价探究实验含解析: 这是一份2022届高三化学一轮复习实验专题强化练33综合实验评价探究实验含解析,共30页。试卷主要包含了单选题,实验题等内容,欢迎下载使用。

