2021-2022学年浙江省丽水市高二上学期普通高中教学质量监控(期末)通用技术试题 Word版
展开浙江省丽水市2021-2022学年高二上学期普通高中教学质量监控(期末)
高二技术试题卷 2022.01
第二部分 通用技术(50分)
一、选择题(本大题共16小题,每小题2分,共32分。每小题列出的四个备选项中只有一个是符合题目要求的,不选、多选、错选均不得分)
1.如图所示是中国空间站组成示意图,下列关于空间站说法不正确的是
A.携带的巡天望远镜,可以探索更广阔的空间,体现了技术具有解放人的作用
B.由核心舱、节点舱、实验舱、载人飞船和货运飞船等组成,体现了技术的综合性
C.实验舱可用于特殊试验的技术验证,体现了技术的实践性
D.智能的机械臂具有转移货运飞船载荷、辅助航天员出舱等功能,体现了技术的创新性
2.设计如图所示的轮椅时,下列人体尺寸中不需要考虑的是
A.坐姿肘高 B.坐姿背高 C.坐姿腿宽 D.坐姿肩宽
3.如图所示是一款造型独特的水壶。下列分析中不恰当的是
A.壶嘴的小鸟设计,符合美观原则
B.水烧开时,水壶会鸣叫提醒,实用性好
C.设计半圆弧的热绝缘把手设计,体现技术规范原则
D.锥形壶身稳定性好,受热面积大,体现了创新原则
4.如图所示的钢缆通过U型螺杆和连接片固定,当钢缆晃动时,连接片也跟着摆动,容易出现松动现象,小明决定将连接片及配件进行改进,下列方案中最合理的是
- B. C. D.
5.如图所示是某钢管厂利用库存细钢管设计并制作的晾衣架,经测试发现其稳定性较差,现需对晾衣架进行改进并批量生产,从稳定性和经济性角度分析,下列方案最合理的是
A | B | C | D |
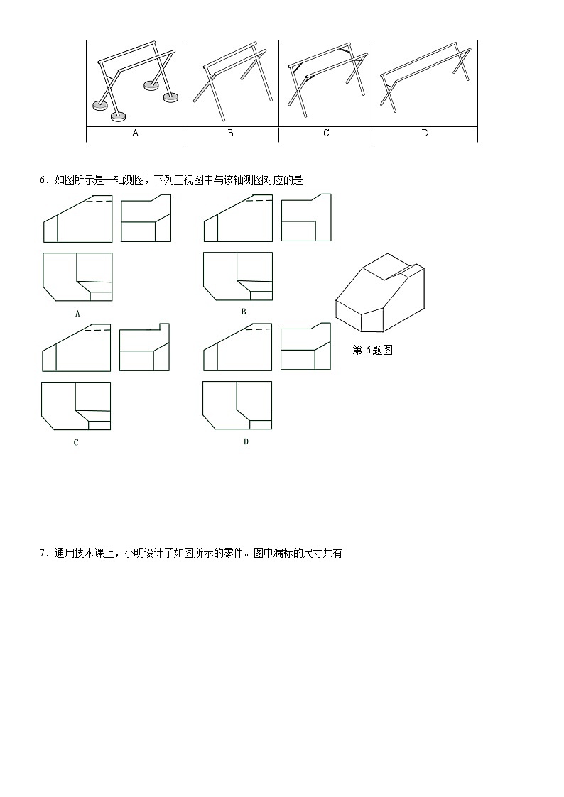
6.如图所示是一轴测图,下列三视图中与该轴测图对应的是
7.通用技术课上,小明设计了如图所示的零件。图中漏标的尺寸共有
A.2处 B.3处 C.4处 D.5处
如图所示是一榫接模型,根据要求完成8-9题。
8.加工该榫接模型,下列工具中不需要的是
9.加工该榫接模型时,下列说法中不合理的是
A.用木工锯锯割加工时,可以带上手套操作
B.加工圆形楔钉时可以用圆锉打磨
C.用毛料加工时应先刨削再画线
D.加工凹槽时应先锯割再凿削
10.如图所示是一笔记本电脑的散热管,管道需要良好的气密性,使冷却液或蒸汽可以来回流动。最适合做散热管的材料是
A.铝合金 B.黄铜
C.不锈钢板 D.铸铁
11.小明发现公共场所的洗手液需要手动按压,疫情期间特别容易形成交叉感染。于是他设计了如图所示的智能感应皂液器,当手靠近时,皂液自动流出。从设计的一般过程来分析,下列说法不正确的是
A.小明发现问题的途径是观察日常生活
B.对多个方案进行筛选后,紧接着是绘制图样
C.设计是一个动态发展的过程,有些步骤之间可能出现一定的循环
D.设计智能感应皂液器的限制因素有皂液器的容量、皂液的洗涤效果、设计者的能力等
12.如图所示是一款标称7级的防水键盘,现将键盘放置在1m水深中浸泡30分钟即检测。该试验的方法属于
A.模拟试验法 B.强化试验法
C.虚拟试验法 D.移植试验法
13.如图所示的压紧机构,在力F的作用下,驱动杆通过连杆和摆杆将工件压紧。压紧时,连杆、摆杆、销轴的主要受力形式是
A.连杆2受压、摆杆受弯曲、销轴受扭转
B.连杆2受拉、摆杆受压、销轴受剪切
C.连杆1受拉、摆杆受弯曲、销轴受剪切
D.连杆1受拉、摆杆受弯曲、销轴受扭转
14.如图所示是手摇钻内部的齿轮传动示意图。该结构的装配有以下环节:a.安装轴套1和轴套2;b.转轴穿过支架左侧安装孔;c.安装齿轮轴;d.安装键;e.安装圆锥齿轮;f.转轴穿过支架右侧安装孔。该传动结构合理的安装流程是
A.f→c→d→e→a→b B.c→f→d→e→b→a
C.c→d→f→e→a→b D.c→f→d→e→a→b
如图所示是一款盲人智能拐杖。该拐杖的控制系统由拐杖本体,导航控制模块、语音识别模块、语音播报模块等部分组成。语音识别模块能及时接收语音信息,导航控制模块根据接收到的目的地信息规划合理路线,语音播报模块告知盲人行进路线。请根据示意图及其描述完成第15-16题。
15.关于该智能拐杖控制系统,下列分析中不正确的是
A.该系统由拐杖本体,导航控制模块、语音识别模块、语音播报模块等部分组成,体现了系统的整体性
B.语音识别的准确度会影响导航路线的选择,体现了系统的相关性
C.智能拐杖能给盲人提供行进路线,体现了系统的目的性
D.语音播报模块实时播报前方路况,体现了系统的动态性
16.下列关于该控制系统分析中不正确的是
A.该系统属于闭环控制系统
B.被控对象是扬声器
C.输出量是播报的语音信息
D.通讯网络异常是该控制系统的干扰因素
二、非选择题(本大题共3小题,第17小题6分,第18小题9分,第19小题3分,共18分)
17.图a所示是小明用钢板和木板制作的壁挂置物架,图b所示是支架的横杆部分,该支架通过扳动手柄实现折叠功能。请根据示意图和描述,完成以下任务:
图a 图b
(1)用大小合适的钢板制作横杆,合理的加工流程为:划线→ ▲ → ▲ → ▲ →弯折(在“A.划线;B.锯割;C.锉削;D.钻孔”中选择合适的选项,将序号填入“ ▲ ”处);
(2)横杆制作完成后,为提高其硬度和防锈能力,可选择的操作是 ▲ (在“A.淬火和喷涂油漆;B.回火和喷涂油漆;C.淬火和表面刷光”中选择合适的选项,将号填入“ ▲ ”处);
(3)要把置物架安装到墙壁上,可采用的标准件是 ▲ (在下列选项中选择合适的选项,将序号填入“ ▲ ”处);
A | B | C | D |
(4)在设计支架部分时,需要对卡槽位置、大小和深度以及滑槽的长度等参数进行分析、建模,体现了系统分析的 ▲ (在“A.整体性原则;B.科学性原则;C.综合性原则”中选择合适的选项,将序号填入“ ▲ ”处)。
18.新年快到了,小明想送给妹妹一个音乐礼盒,盒子一打开,电机带动写有“新年快乐”的木牌随音乐上下移动。礼盒中的木牌与音乐电路已经安装完毕,其中木牌安装在如图所示的滑槽中。现需设计一种电机带动木牌的机械装置,设计要求如下:
①电机可以带动木牌连续上下移动,上升至最高点后缓慢下降;
②采用小型减速电机驱动;
③装置具有一定强度,结构简单,材料自选。
请完成以下任务:
(1)设计该装置时,可以不考虑的因素是 ▲ 、 ▲ (在“A.木牌的大小;B.电机的转速;C.电机转轴的尺寸;D.该装置的连接方式”中选择合适的选项,将序号填入“ ▲ ”处);
(2)画出设计草图,必要时可用文字说明;
(3)在设计草图上标注主要尺寸;
(4)为了检验是否达到要求,以下试验中不合理的有 ▲ (在下列选项中选择合适的选项,将序号填入“ ▲ ”处);
A.安装好后,转动电机观察木牌是否能移动;
B.安装好后,用手拉动木牌,观察装置是否变形;
C.安装好后,打开盒子,观察音乐是否连续。
19.请补全三视图中所缺的3条图线(超过3条图线倒扣分)。
一、选择题(本大题共16小题,每小题2分,共32分。每小题列出的四个备选项中只有一个是符合题目要求的,不选、多选、错选均不得分)
题号 | 1 | 2 | 3 | 4 | 5 | 6 | 7 | 8 |
答案 | B | D | C | A | B | A | C | C |
题号 | 9 | 10 | 11 | 12 | 13 | 14 | 15 | 16 |
答案 | B | B | D | A | C | B | D | A |
二、非选择题(本大题共3小题,第17小题6分,第18小题9分,第19小题3分,共18分)
17.(1)D、 B、C(顺序不可颠倒);(2); A
(3)D;(4)B 每空1分
18.(1)A B
(2)(3).草图共4分,结构能传动得1分;
与电机轴相处是半圆孔得1分;
连接件连接可靠给1分;
其他酌情给分,不超过4分
尺寸标注共2分,标注半圆孔的尺寸R4得1分,
标注孔的尺寸Ø6得 1分
(4)C
16.请补全三视图中所缺的三条图线 ——每条线各1分,超过三条图线倒扣分
2021-2022学年浙江省丽水市高二下学期普通高中教学质量监控期末考试 物理 Word版: 这是一份2021-2022学年浙江省丽水市高二下学期普通高中教学质量监控期末考试 物理 Word版,共13页。试卷主要包含了6),可能用到的相关公式或参数,9km/s, 如图等内容,欢迎下载使用。
2021-2022学年浙江省丽水市高一下学期普通高中教学质量监控期末考试 物理 Word版含答案: 这是一份2021-2022学年浙江省丽水市高一下学期普通高中教学质量监控期末考试 物理 Word版含答案,共14页。试卷主要包含了选择题,填空与实验,计算题等内容,欢迎下载使用。
2021-2022学年浙江省丽水市高二上学期普通高中教学质量监控(期末)物理试题 Word版: 这是一份2021-2022学年浙江省丽水市高二上学期普通高中教学质量监控(期末)物理试题 Word版,共10页。试卷主要包含了01,22cm,XBC=4,BCD,78不变,2m等内容,欢迎下载使用。

