2021-2022学年福建省武平县第一中学高二上学期12月月考物理试题(Word版)
展开福建省武平县第一中学2021-2022学年高二上学期12月月考物理试卷
(考试时间:90分钟 满分:100分)
注意:请将试题的全部答案填写在答题卡上。
一、选择题(15小题,每小题4分,共60分。在每小题给出的4个选项中,第1-10题只有一项符合题目要求,第11-15题有多项符合题目要求。全部选对得4分,选对但不全的得2分,有选错得0分)
1.在电磁学的发展过程中,许多科学家做出了卓越贡献,下列表述符合史实的是
A.法拉第最早用实验测定了电子的带电量 B.奥斯特引入了电场的概念
C.安培发现了电流的磁效应 D.库仑发现了点电荷的相互作用规律
2.下列物理量中,与试探电荷的电量和电性有关的是
A.电势能 B.电势 C.电势差 D.电场强度
3.平面内有一边长为a的正方形线圈,内部与其相切的圆形区域内有垂直纸面向里的匀强磁场,其它区域无磁场,磁感应强度大小为B。则穿过该线圈磁通量为
A. B. C. D.
4.在如图示电路中,电源电动势为E、内阻为r,L1、L2、L3均为小灯泡,P为滑动变阻器的滑动触头,开关S1、S2闭合。则
A.向右滑动触头P,小灯泡L2变亮
B.向右滑动触头P,小灯泡L3变亮
C.若只断开S2,小灯泡L1变暗
D.若只断开S2,小灯泡L2变亮
5.有一内阻为50Ω,满偏电流为10mA的电流计,现要将其改装成量程为0-3V的电压表。下列做法正确的是
A.并联一个阻值为250Ω的定值电阻 B.串联一个阻值为250Ω的定值电阻
C.并联一个阻值为300Ω的定值电阻 D.串联一个阻值为300Ω的定值电阻
6.如图所示,ABCD是底角为60°的等腰梯形,且AB=2CD,在A、B位置分别放上两个点电荷,A、B两点的点电荷在C点产生的场强大小分别为EA、EB,C点的电场强度方向沿DC向右。则下列说法正确的是
A.放在A点的电荷为负电 B.放在B点的电荷为正电
C.EA<EB D.EA>EB
7.如图为某同学使用的迷你电风扇,该同学想要研究该风扇电动机的性能。将电风扇与电动势为2V、内阻为1Ω的电源连接。闭合开关后,电风扇正常运转,测得电路电流为0.2A。以下判断中正确的是
A.电动机两端的电压为2V B.电动机的内阻为9Ω
C.电动机的输入功率为0.36W D.电源输出电功率为0.4W
8.如图,材质相同、粗细均匀的正方形导体框ABCD,垂直放置于匀强磁场中,将CD两点接到电源两端,CD段受到的安培力为F,则此时导体框受到的安培力的合力大小为
A. B. C.2F D.3F
9.如图是质谱仪的工作原理示意图。带电粒子被加速电场加速后,进入速度选择器,速度选择器内有正交的匀强磁场和匀强电场,磁感应强度和电场强度分别为B和E,平板S上有可让粒子通过的狭缝P和记录粒子位置的胶片,平板S下方有垂直纸面向外的匀强磁场,磁感应强度为B0。则下列判断正确的是
A.该带电粒子带负电
B.速度选择器中的磁场方向垂直纸面向里
C.粒子打在胶片上的位置越靠近狭缝P,粒子的比荷越大
D.能通过狭缝P的带电粒子的速率等于
10.如图所示,完全相同的甲、乙两个恒定环形电流同轴平行放置,甲的圆心为O1,乙的圆心为O2,在两环圆心的连线上有a、b、c三点,其中aO1=O1b=bO2=O2c,a点的磁感应强度大小为B1,b点的磁感应强度大小为B2。当把环形电流乙撤去后,c点的磁感应强度大小为
A. B. C. D.
11.关于磁场,下列说法中正确的是
A.一小段通电导线所受安培力为零,则该处的磁感应强度为零
B.一小段通电导线在磁场中所受安培力的方向与该处磁感应强度方向相同
C.一小段通电导线在磁场中所受安培力的方向与该处磁感应强度方向垂直
D.小磁针N极受到磁场力的方向就是该处磁感应强度方向
12.如图,在xOy坐标平面内有方向平行于坐标平面的匀强电场,abcd是平面内直角梯形的四个顶点,坐标如图所示,已知a、b、c三点电势分别为2V、6V、8V,下列说法正确的是
A.坐标原点O的电势为4V B.d点的电势为5V
C.c、O两点的电势差等于b、a两点的电势差
D.匀强电场方向沿cb方向
13.在如图所示的电路中,P1、P2分别为滑动变阻器R1、R2的滑动触头,R3为定值电阻,平行金属板A、B构成电容器C,M为电容器内的一点。开关S闭合且电路稳定时,下列说法正确的是
A.若滑片P1向下移动,电容器的极板间电压变小
B.若滑片P2向下移动,电容器的极板间电压变小
C.若极板A向下移动,M点的电势升高
D.若极板A向下移动,M点的电势降低
14.喷墨打印机的简化模型如图所示,重力可忽略的墨汁微粒经带电室(未画出)带负电后,由静止开始从K孔进入电压为U0的加速电场,然后垂直于电场方向进入电压为U的偏转电场,最终打在屏上,屏距离偏转区域右端的水平距离为L,则
A.减小U0的大小会使微粒在偏转区域中的运动时间增大
B.减小U的大小会使微粒在偏转区域中的运动时间增大
C.增大L的大小,微粒打在屏上的速度会增大
D.保持U0、U不变,不同的微粒会打在屏的同一位置
15.在如图所示的xOy坐标系中,x轴上固定一个点电荷Q,y轴上固定一根光滑绝缘细杆(细杆的下端刚好在坐标原点O处),将一个套在杆上重力不计的带电圆环(视为质点)从杆上P处由静止释放,圆环从O处离开细杆后恰好绕点电荷Q做圆周运动。下列说法正确的是
A.圆环沿细杆从P运动到O的过程中,加速度一直增大
B.圆环沿细杆从P运动到O的过程中,速度一直增大
C.若增大圆环所带的电荷量,其他条件不变,圆环离开细杆后仍
然能绕点电荷做圆周运动
D.若将圆环从杆上P的上方由静止释放,其他条件不变,圆环离开细杆后仍然能绕
点电荷做圆周运动
二、实验题(2小题,共14分。请把答案写在答题卡上)
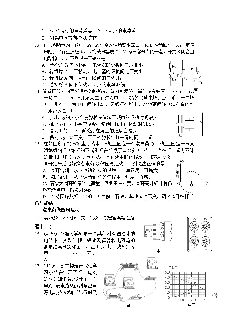
16.(4分)李强同学测量一个某种材料圆柱体的电阻率,实验过程中螺旋测微器和电阻箱的测量结果分别如图甲、乙所示,其读数分别为甲: mm、乙: Ω
17.(10分)高二物理研究性学习小组在学习了恒定电流的相关知识后,设计了一个电路,该电路既能测量出电源电动势E和内阻r,同时又能描绘一定范围内灯泡的伏安特性曲线。所用器材及已经连接的部分电路如图甲。实验时,当调节滑动变阻器的阻值时,同时记录电流表A、电压表V1和电压表V2的示数。经过多次测量,最后描绘出两条U-I图线,如图乙所示,电压表内阻很大,电流表内阻不计,请回答下列问题。
(1)请你将图甲的实物连线补充完整;
(2)图乙中的 (“①”或“②”)图线是表示电压表V1的读数和电流表A的读数之间的关系;
(3)电源电动势E= V,内阻r= Ω(保留两位有效数字);
(4)在坐标系中两条图线相交于P点,此时滑动变阻器连入电路的阻值为 Ω。
三、计算题(3小题,共26分。请把正确答案填写在答题卡上。解答时请写出必要的文字说明、方程式、重要的演算步骤和答案,只写最后答案的不能得分。)
18.(8分)如图,在直角坐标系xoy内,有垂直纸面的匀强磁场,磁感应强度大小为1T。一个比荷为的带电粒子从坐标原点O沿着y轴正方向以一定速度射入磁场,不计粒子重力,粒子以M点为圆心做匀速圆周运动,并通过第四象限的N点,N点的横坐标为9cm,MN与x轴成60°。求:
(1)该粒子运动的速度大小;
(2)该粒子从O点第一次运动到N点的时间。
19.(8分)如图所示,在竖直平面内有一个半径为r,质量为m0的金属圆环,圆环平面与纸面平行,圆环部分处在磁感应强度为B的匀强磁场中,磁场方向垂直纸面向里,磁场的水平边界与圆环相交于M、N点,圆心角∠MON=120°。用绝缘轻绳把放在斜面上的滑块通过定滑轮与圆环相连。当圆环中通有逆时针方向、大小为I的电流时,滑块保持静止。已知斜面倾角为30°,斜面和滑轮均光滑。求:
(1)滑块的质量;
(2)若圆环电流I大小不变,方向突然变为顺时针方向时,滑块的瞬时加速度为多大。
20.(10分)如图所示,水平轨道AB与半径为R的竖直半圆轨道BC相切于B点,AB长为2R,水平轨道和半圆轨道均光滑且绝缘。在轨道所在空间内存在着水平向右的匀强电场。一带电量为+q、质量为m的小球自A点由静止释放,经B点沿半圆轨道运动到C点后落回到水平轨道上。已知电场强度大小,求:
(1)小球从A点运动到B点所用的时间;
(2)小球经过C点时对轨道的作用力;
(3)小球离开C点至落回到水平轨道的过程中,
经过多长时间动能最小及此动能的最小值。
武平一中高二物理试卷参考答案
一、选择题(15小题,每小题4分,共60分。)
题号 | 1 | 2 | 3 | 4 | 5 | 6 | 7 | 8 | 9 | 10 | 11 | 12 | 13 | 14 | 15 |
答案 | D | A | A | B | B | D | C | B | C | A | CD | AC | BC | AD | BC |
二、实验题(2小题,每空2分,共14分。)
16.5.316(5.315~5.318)638
17.(1)如图 (2)①
(3)4.5V1.0Ω (4)0Ω
三、计算题(3小题,共26分。)
18.解:(1)由题意得…………1分
R=6cm ……………………………………1分
由 ……………………………1分
得:该粒子运动的速度.................................1分
(2)解法一:运动周期..............................1分
该粒子运动第一次运动到P点的时间........................1分
联立求得...........................................2分
解法二:运动的弧长...................................1分
该粒子运动第一次运动到P点的时间........................1分
联立求得...........................................2分
19.解:(1)设滑块质量为m,圆环处在磁场中部分所受安培力为:
方向竖直向上①.......................................1分
系统处于静止状态
②.................................................2分
联立①②式得:③....................................1分
(2)电流I反向后,安培力大小不变,方向相反,对系统由牛顿第二定律
④.................................................2分
联立①③④式得......................................2分
20.解:(1)小球的加速度为...........................1分
由运动学规律可知....................................1分
解得..............................................1分
(2)由动能定理可知...............................1分
做圆周运动的向心力...................................1分
解得N=3mg,由牛顿第三定律可知,,方向向上。..............1分
(3)小球离开C点后,水平方向做加速度为2g的匀减速运动,竖直方向做自由落体运动。
小球离开C点后经t时间,小球水平方向的速度为...............1分
小球竖直方向的速度为.................................1分
小球的速度为
整理得
当时,v最小,动能最小。...............................1分
动能最小值为........................................1分
用其他正确方法解出结果,同样给分。
2021-2022学年福建省武平县第一中学高二上学期学业水平检测物理试题(Word版): 这是一份2021-2022学年福建省武平县第一中学高二上学期学业水平检测物理试题(Word版),共10页。试卷主要包含了选择题,实验题,计算题等内容,欢迎下载使用。
2022-2023学年福建省武平县第一中学高二上学期第二次阶段测试物理试题(Word版): 这是一份2022-2023学年福建省武平县第一中学高二上学期第二次阶段测试物理试题(Word版),共7页。试卷主要包含了单项选择题,多项选择题,非选择题等内容,欢迎下载使用。
2021-2022学年福建省武平县第一中学高二下学期5月月考物理试题(Word版): 这是一份2021-2022学年福建省武平县第一中学高二下学期5月月考物理试题(Word版),共5页。试卷主要包含了单项选择题,多项选择题,填空实验题,计算题等内容,欢迎下载使用。

