2022高考化学一轮复习专练31原电池原理及应用一含解析
展开专练31 原电池原理及应用一
一、单项选择题
1.[2020·天津,11]熔融钠硫电池性能优良,是具有应用前景的储能电池。下图中的电池反应为2Na+xSNa2Sx(x=5~3,难溶于熔融硫)。下列说法错误的是( )
A.Na2S4的电子式为Na+[:::::]2-Na+
B.放电时正极反应为xS+2Na++2e-===Na2Sx
C.Na和Na2Sx分别为电池的负极和正极
D.该电池是以NaβAl2O3为隔膜的二次电池
2.将金属a放入b(NO3)2溶液中发生如下反应:a+b2+===a2++b,则下列说法正确的是( )
A.常温下,a或b可以与水发生反应
B.a与b用导线连接插入稀H2SO4中,则形成原电池且b极上有H2放出
C.a与b用导线连接插入b(NO3)2溶液中一定构成原电池
D.用惰性电极电解a(NO3)2与b(NO3)2的混合液,在阳极先析出b
3.[2021·试题调研]某同学组装了如图所示的电化学装置,电极Ⅰ为Al,其他电极均为Cu,则( )
A.电流方向:电极Ⅳ→Ⓐ→电极Ⅰ
B.电极Ⅰ的质量减少2.7g时,电极Ⅳ的质量减少9.6g
C.c烧杯溶液的pH减小
D.电极Ⅲ的电极反应式为Cu2++2e-===Cu
4.观察下列几个装置示意图,则有关叙述正确的是( )
A.装置甲中阳极上析出红色固体
B.装置乙中铜片应与电源负极相连
C.装置丙中外电路电流方向:b极→a极
D.装置丁中阴极反应式为2Cl--2e-===Cl2↑
5.上海人张霞昌在芬兰发明了“纸电池”,这种一面镀锌、一面镀二氧化锰的超薄电池在使用印刷与压层技术后,变成一张可任意裁剪大小的“电纸”,纸内的离子“流过”水和氧化锌组成的电解质溶液,电池总反应式为:Zn+2MnO2+H2O===ZnO+2MnOOH。下列说法正确的是( )
A.该电池的正极材料为锌
B.该电池反应中二氧化锰发生了氧化反应
C.电池的正极反应式为MnO2+H2O+e-===MnOOH+OH-
D.当有0.1mol锌溶解时,流经电解质溶液的电子数为1.204×1023
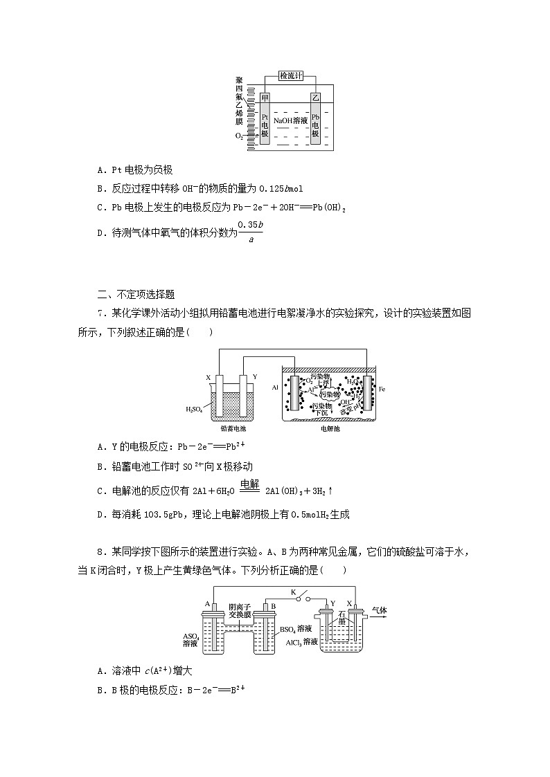
6.[素材创新]手持技术的氧电化学传感器可用于测定O2含量,如图为某种氧电化学传感器的原理示意图。已知在测定O2含量过程中,电解质溶液的质量保持不变。一定时间内,通过传感器的待测气体为aL(标准状况),某电极质量增加了bg。下列说法正确的是( )
A.Pt电极为负极
B.反应过程中转移OH-的物质的量为0.125bmol
C.Pb电极上发生的电极反应为Pb-2e-+2OH-===Pb(OH)2
D.待测气体中氧气的体积分数为
二、不定项选择题
7.某化学课外活动小组拟用铅蓄电池进行电絮凝净水的实验探究,设计的实验装置如图所示,下列叙述正确的是( )
A.Y的电极反应:Pb-2e-===Pb2+
B.铅蓄电池工作时SO向X极移动
C.电解池的反应仅有2Al+6H2O2Al(OH)3+3H2↑
D.每消耗103.5gPb,理论上电解池阴极上有0.5molH2生成
8.某同学按下图所示的装置进行实验。A、B为两种常见金属,它们的硫酸盐可溶于水,当K闭合时,Y极上产生黄绿色气体。下列分析正确的是( )
A.溶液中c(A2+)增大
B.B极的电极反应:B-2e-===B2+
C.Y电极上有Cl2产生,发生还原反应
D.反应初期,X电极周围出现白色胶状沉淀
9.[情境创新]常温下,将除去表面氧化膜的Al、Cu片插入浓HNO3中组成原电池如图1所示,测得原电池的电流强度(I)随时间(t)的变化如图2所示。反应过程中有红棕色气体产生。下列说法错误的是( )
A.t1s前,Al片的电极反应为:2Al+3H2O-6e-===Al2O3+6H+
B.t1s时,因Al在浓硝酸中钝化,氧化膜阻碍了Al继续反应
C.t1s之后,负极Cu失电子,电流方向发生改变
D.t1s之后,左边烧杯中发生反应的离子方程式为:2NO2+2OH-===NO+NO+H2O
10.电浮选凝聚法是工业上采用的一种污水处理方法,即保持污水的PH在5.0~6.0之间,通过电解生成Fe(OH)3胶体,Fe(OH)3胶体具有吸附作用,可吸附水中的污物而使其沉淀下来,起到净水的作用,其原理如图所示。下列说法正确的是( )
A.石墨电极上发生氧化反应
B.根据图示,物质A为CO2
C.为增强污水的导电能力,可向污水中加入适量乙醇
D.甲烷燃料电池中CO向空气一极移动
11.如图是利用一种微生物将废水中的有机物(如淀粉)和废气NO的化学能直接转化为电能,下列说法中一定正确的是( )
A.质子透过阳离子交换膜由左向右移动
B.与X相连接是用电器标有“+”的接线柱
C.M电极反应式:(C6H10O5)n+7nH2O-24ne-===6nCO2↑+24nH+
D.当M电极微生物将废水中16.2g淀粉转化掉时,N电极产生134.4LN2(标况下)
三、非选择题
12.某兴趣小组的同学用如图所示装置研究有关电化学的问题。当闭合该装置的电键时,观察到电流计的指针发生了偏转。
请回答下列问题:
(1)甲池为________(填“原电池”“电解池”或“电镀池”),通入CH3OH一极的电极反应式为____________________________________。
(2)乙池中A(石墨)电极的名称为________(填“正极”“负极”“阴极”或“阳极”),总反应式为__________________________________。
(3)当乙池中B极质量增加5.40g时,甲池中理论上消耗O2的体积为__________mL(标准状况),丙池中________极析出________g铜。
(4)若丙池中电极不变,将其溶液换成NaCl溶液,电键闭合一段时间后,甲池中溶液的pH将________(填“增大”“减小”或“不变”,下同);丙池中溶液的pH将________,若要将丙池中溶液复原,需加入________。
13.[2021·云南玉溪通海二中高三月考]为探究原电池和电解池的工作原理,某研究性小组分别用如图所示装置进行实验。
(1)甲装置中,a电极的反应式为________________。
(2)乙装置中,阴极区产物为________。
(3)丙装置是一种家用环保型消毒液发生器。外接电源a为________(填“正”或“负”)极,该装置内发生反应的化学方程式为_____________________________________________。
(4)若甲装置作为乙装置的电源,一段时间后,甲中消耗气体与乙中产生气体的物质的量之比为________(不考虑气体的溶解)。
14.某小组同学利用如图1所示装置对电解氯化铜实验进行了研究。
装置 | 现象 |
电解一段时间后,阳极石墨表面产生气体,阴极石墨上附着红色物质,烧杯壁变热,溶液由蓝色变为绿色 |
(1)甲认为电解过程中阳极产生的________是溶液变绿的原因,写出产生该物质的电极反应式:________。
(2)乙查阅资料,CuCl2溶液中存在平衡Cu2++4Cl-[CuCl4]2-(黄色) ΔH>0。据此乙认为:电解过程中,[CuCl4]2-(黄色)浓度增大,与CuCl2蓝色溶液混合呈绿色。乙依据平衡移动原理推测在电解过程中[CuCl4]2-浓度增大的原因是________________。
(3)丙改用图2装置,在相同条件下电解CuCl2溶液,对溶液变色现象继续探究。
装置 | 现象 |
电解相同时间后,阳极石墨表面产生气泡,溶液仍为蓝色;阴极石墨上附着红色物质,溶液由蓝色变为绿色;U形管变热,冷却后阴极附近溶液仍为绿色 |
丙通过对现象分析证实了甲和乙的观点均不是溶液变绿的主要原因。丙否定甲的依据是______________________,否定乙的依据是__________________。
(4)丙通过查阅资料:
ⅰ.电解CuCl2溶液时可能产生[CuCl2]-,[CuCl2]-掺杂Cu2+后呈黄色;
ⅱ.稀释含[CuCl2]-的溶液生成CuCl白色沉淀,据此丙认为:电解过程中,产生[CuCl2]-掺杂Cu2+后呈黄色,与CuCl2蓝色溶液混合呈绿色。
继续进行如下实验:
a.取电解后绿色溶液2mL,加20mL水稀释,静置5分钟后溶液中产生白色沉淀。
b.另取少量氯化铜晶体和铜粉,向其中加2mL浓盐酸,加热获得含[CuCl2]-的黄色溶液。
c.冷却后向上述溶液……
d.取c中2mL溶液,加20mL水稀释,静置5分钟后溶液中产生白色沉淀。
①a的目的是________________。
②写出b中生成[CuCl2]-的离子方程式:__________________。
③补充c中必要的操作及现象:____________________________。
丙据此得出结论:电解时阴极附近生成[CuCl2]-是溶液变绿的原因。
专练31 原电池原理及应用一
1.C A项,Na2S4中有类似Na2O2中O原子间形成的非极性键,正确;B项,由电池的总反应方程式可知,x个S原子得到2个电子,故放电时正极反应为xS+2Na++2e-===Na2Sx(因Na2Sx难溶于熔融硫,故不拆),正确;C项,由电池的总反应方程式可知,放电时,钠失去电子是负极反应物,硫得到电子是正极反应物,故Na和S分别作电池的负极和正极,错误;D项,由题图可知NaβAl2O3是隔膜,且电池可以充电,属于二次电池,正确。
2.C A、金属Fe放入盐Cu(NO3)2的溶液中,发生铁置换铜的反应:a+b2+===a2++b,但是金属铁和金属铜和水都不反应,故A错误;B、a与b用导线连接插入H2SO4中,不一定能发生自发的氧化还原反应,故B错误;C、a与b用导线连接插入b(NO3)2中,符合构成原电池的条件,故C正确;D、用惰性电极电解a(NO3)2与b(NO3)2的混合液,在阴极先析出b,故D错误。
3.A 根据图示可知电极Ⅰ为负极,电极Ⅱ为正极,电极Ⅲ为阳极,电极Ⅳ为阴极。电流方向与电子流动方向相反,所以电流方向:电极Ⅳ→Ⓐ→电极Ⅰ,A正确;电极Ⅳ的电极反应式为Cu2++2e-===Cu,所以电极Ⅰ的质量减少2.7g时,电极Ⅳ的质量增重9.6g,B错误;c烧杯相当于电镀装置,溶液的pH不变,C错误;电极Ⅲ的电极反应式为Cu-2e-===Cu2+,D错误。
4.C 甲图中阳极上生成Cl2,A项错误;乙图中铜片应作阳极,与电源正极相连,B项错误;丁图中阴极反应式应为2H++2e-===H2↑,D项错误。
5.C 锌为活泼金属,失去电子作负极,A项错误;二氧化锰得到电子,发生还原反应,B项错误;因电池的负极反应式为:Zn+2OH--2e-===ZnO+H2O,用总反应式减去负极反应式得出正极反应式为:MnO2+H2O+e-===MnOOH+OH-,C项正确;电子只能经外电路流动,而不能在电解质溶液中流动,电解质溶液中应为阴、阳离子的定向移动,D项错误。
6.B 结合图示及电解质溶液的质量保持不变进行如下分析:
电极 | 电极反应 |
正极(Pt电极) | O2+4e-+2H2O===4OH- |
负极(Pb电极) | 2Pb+4OH--4e-===2PbO+2H2O |
则该传感器工作时发生的总反应为2Pb+O2===2PbO,Pb电极质量增加。Pt电极通入O2,发生还原反应,该电极为正极,Pb电极为负极,A项错误;根据上述分析可知,质量增加的电极应是Pb电极,且增加的为O元素的质量,由电极反应式可知Pb电极每增加16g,溶液中转移OH-的物质的量为2mol,则Pb电极质量增加bg时,转移OH-的物质的量为0.125bmol,B项正确;Pb电极发生的电极反应为2Pb+4OH--4e-===2PbO+2H2O,C项错误;Pb电极质量增加bg,消耗的n(O2)=mol,其在标准状况下的体积为0.7bL,则氧气的体积分数为,D项错误。
7.BD A、根据实验的原理,电絮凝净水,让Al转化成氢氧化铝胶体,即Al失电子,根据电解原理,Al为阳极,Y为PbO2,则X为Pb,Y电极反应为:PbO2+SO+4H++2e-===PbSO4+2H2O,故A错误;B、根据原电池的工作原理,SO向负极移动,即SO移向X电极,故B正确;C、电解过程中实际上发生两个反应,分别为2Al+6H2O2Al(OH)3+3H2↑和2H2O2H2↑+O2↑,故C错误;D、消耗103.5gPb,转移电子物质的量为×2mol=1mol,阴极上的电极反应式为2H++2e-===H2↑,通过电量相等,即产生氢气的物质的量为1/2mol=0.5mol,故D正确。
8.AD 根据Y极有黄绿色气体生成,Y极电极反应式为2Cl--2e-===Cl2↑,即Y为电解池的阳极,B为原电池的正极,A为原电池的负极。故A极的电极反应为A-2e-===A2+,溶液中c(A2+)增大,A正确;B极为正极,发生还原反应,B错误;Y电极上有Cl2产生,发生氧化反应,C错误;右边U形管中最初为电解AlCl3溶液,X电极为H+放电,c(H+)减小,c(OH-)增大,且Al3+移向X极,因此会产生Al(OH)3白色胶状沉淀,D正确。
9.D t1s前,Al片作负极,发生氧化反应,其电极反应式为2Al+3H2O-6e-===Al2O3+6H+,A项正确;t1s时,随着反应进行铝表面钝化形成的氧化膜阻碍了Al继续反应,B项正确;t1s后Cu作负极发生氧化反应,电流方向发生改变,C项正确;t1s之后,Al极生成NO2,NO2溶于NaOH溶液中生成NaNO3和NaNO2,即右边烧杯中发生反应的离子方程式为2NO2+2OH-===NO+NO+H2O,D项错误。
10.B 左装置为电解池,右装置为原电池。原电池工作时,通入甲烷一极为负极,发生反应:CH4+4CO-8e-===5CO2+2H2O,通入空气一极为正极,发生反应:O2+2CO2+4e-===2CO。电解池工作时,Fe为阳极,发生氧化反应:Fe-2e-===Fe2+,石墨为阴极,发生还原反应:2H++2e-===H2↑,A项错误;由电极反应式知物质A为CO2,B项正确;乙醇为非电解质,加入以后不能增强导电性,C项错误;CO在通入甲烷一极发生反应,在通入空气一极生成CO,所以燃料电池中CO向甲烷一极移动,故D项错误。
11.AC 根据题给信息知,该装置是将化学能转化为电能的原电池,由图可知,M是负极,N是正极,电解质溶液为酸性溶液,负极上失电子发生氧化反应,正极上得电子发生还原反应,M是负极,N是正极,质子透过离子交换膜由左M极移向右N极,故A正确;电子从M极(负极)流出,与X相连接处是电子流入端,则与X相连接是用电器标有“—”的接线柱,故B错误;若有机废水中含有葡萄糖,葡萄糖属于燃料,在负极M上失电子发生氧化反应,电极反应式为:(C6H10O5)n+7nH2O-24ne-===6nCO2↑+24nH+,故C正确;每转化掉16.2g淀粉时,转移电子数为2.4mol,N电极产生0.6mol氮气,在标准状况下的体积为13.44L,故D错误。
12.(1)原电池 CH3OH-6e-+8OH-===CO+6H2O
(2)阳极 4AgNO3+2H2O4Ag+O2↑+4HNO3
(3)280 D 1.6 (4)减小 增大 HCl
解析:(1)甲池为原电池,通入CH3OH的电极为负极,电极反应式为CH3OH-6e-+8OH-===CO+6H2O。(2)乙池中为用惰性电极电解AgNO3溶液,其中A作阳极,B作阴极,总反应式为4AgNO3+2H2O4Ag+O2↑+4HNO3。(3) 乙池中B极质量增加5.40g为银的质量,则银的物质的量为=0.05mol,根据电子转移守恒n(Ag)=4n(O2)=2n(Cu),故V(O2)=×22.4L/mol=0.28L=280mL,m(Cu)=×64g/mol=1.6g。(4)若丙池中电极不变,将其溶液换成NaCl溶液,根据丙池中总反应式2NaCl+2H2O2NaOH+H2↑+Cl2↑可知,溶液pH增大,而甲池中总反应式为2CH3OH+3O2+4KOH===2K2CO3+6H2O,溶液pH减小。
13.(1)H2-2e-+2OH-===2H2O
(2) 氢氧化钠和氢气
(3)负 2NaCl+2H2O2NaOH+H2↑+Cl2↑,Cl2+2NaOH===NaCl+NaClO+H2O
(4)3:4
解析:(1)甲装置是氢氧燃料电池,a电极通入的是氢气,a电极是负极,电极反应式为H2-2e-+2OH-===2H2O;
(2)乙装置是电解饱和食盐水,阴极是溶液中的氢离子放电产生氢气,同时使水的电离平衡正向移动,从而产生氢氧根离子,钠离子向阴极移动,所以阴极区产物为NaOH和H2;
(3)丙装置是一种家用环保型消毒液发生器,电解饱和食盐水生成氢氧化钠和氯气、氢气,氯气和氢氧化钠反应生成具有消毒作用的次氯酸钠,为使氯气与氢氧化钠充分反应,下端电极生成氯气,所以电源a为负极,该装置内发生反应的化学方程式为2NaCl+2H2O2NaOH+H2↑+Cl2↑,Cl2+2NaOH===NaCl+NaClO+H2O;
(4)若甲装置作为乙装置的电源,因此满足电子转移守恒。每消耗2mol氢气同时消耗1mol氧气,转移4mol电子。而在乙装置中可以产生2mol氢气和2mol氯气,所以一段时间后,甲中消耗气体与乙中产生气体的物质的量之比为3:4。
14.(1)Cl2 2Cl--2e-===Cl2↑
(2)电解过程放热导致温度升高,使平衡Cu2++4Cl-[CuCl4]2-正向移动
(3)阳极附近溶液仍为蓝色 U形管冷却后阴极附近溶液仍为绿色
(4)①证明在上述实验条件下,电解后的绿色溶液中存在[CuCl2]-
②Cu2++4Cl-+Cu===2[CuCl2]-
③加入CuCl2蓝色溶液,直至溶液颜色与电解后绿色溶液基本相同
解析:(1)电解过程中阳极发生氧化反应,溶液中的氯离子放电生成氯气,氯气溶于水,溶液可能呈现绿色。(2)电解过程放热导致温度升高,使平衡Cu2++4Cl-[CuCl4]2-正向移动,[CuCl4]2-浓度增大。(3)阳极生成了氯气,但阳极附近溶液仍为蓝色,说明不是生成氯气的缘故;Cu2++4Cl-[CuCl4]2-(黄色) ΔH>0,温度降低,平衡逆向移动,溶液应该呈现蓝色,但U形管冷却后阴极附近溶液仍为绿色,因此乙的推断也不正确。(4)①根据信息,取电解后绿色溶液2mL,加20mL水稀释,静置5分钟后溶液中产生白色沉淀,说明电解后的绿色溶液中存在[CuCl2]-。②氯化铜晶体和铜粉加入2mL浓盐酸中,加热获得含[CuCl2]-的黄色溶液,反应的离子方程式为Cu2++4Cl-+Cu===2[CuCl2]-。③c的步骤就是证明电解时阴极附近生成[CuCl2]-是溶液变绿的原因,因此操作及现象为加入CuCl2蓝色溶液,直至溶液颜色与电解后绿色溶液基本相同。
新高考2024版高考化学一轮复习微专题小练习专练32原电池原理及应用二: 这是一份新高考2024版高考化学一轮复习微专题小练习专练32原电池原理及应用二,共5页。试卷主要包含了5 ml Cl2等内容,欢迎下载使用。
新高考2024版高考化学一轮复习微专题小练习专练31原电池原理及应用一: 这是一份新高考2024版高考化学一轮复习微专题小练习专练31原电池原理及应用一,共7页。试卷主要包含了选择题,非选择题等内容,欢迎下载使用。
全国通用高考化学一轮复习专练32原电池原理及应用二含答案: 这是一份全国通用高考化学一轮复习专练32原电池原理及应用二含答案

