2022届高考物理选择题专题强化训练:平行板电容器的电容 常用电容器(北京使用)
展开一、单项选择题(共16小题;共64分)
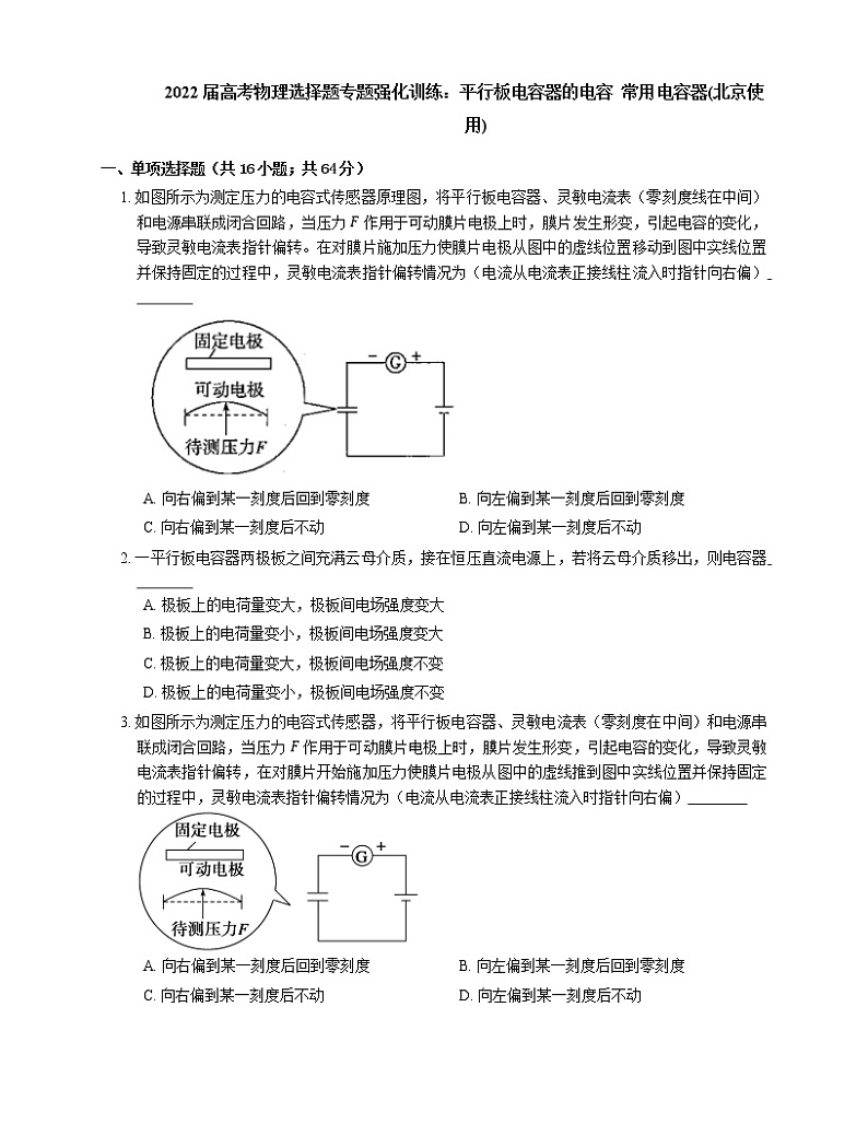
1. 如图所示为测定压力的电容式传感器原理图,将平行板电容器、灵敏电流表(零刻度线在中间)和电源串联成闭合回路,当压力 F 作用于可动膜片电极上时,膜片发生形变,引起电容的变化,导致灵敏电流表指针偏转。在对膜片施加压力使膜片电极从图中的虚线位置移动到图中实线位置并保持固定的过程中,灵敏电流表指针偏转情况为(电流从电流表正接线柱流入时指针向右偏)
A. 向右偏到某一刻度后回到零刻度B. 向左偏到某一刻度后回到零刻度
C. 向右偏到某一刻度后不动D. 向左偏到某一刻度后不动
2. 一平行板电容器两极板之间充满云母介质,接在恒压直流电源上,若将云母介质移出,则电容器
A. 极板上的电荷量变大,极板间电场强度变大
B. 极板上的电荷量变小,极板间电场强度变大
C. 极板上的电荷量变大,极板间电场强度不变
D. 极板上的电荷量变小,极板间电场强度不变
3. 如图所示为测定压力的电容式传感器,将平行板电容器、灵敏电流表(零刻度在中间)和电源串联成闭合回路,当压力 F 作用于可动膜片电极上时,膜片发生形变,引起电容的变化,导致灵敏电流表指针偏转,在对膜片开始施加压力使膜片电极从图中的虚线推到图中实线位置并保持固定的过程中,灵敏电流表指针偏转情况为(电流从电流表正接线柱流入时指针向右偏)
A. 向右偏到某一刻度后回到零刻度B. 向左偏到某一刻度后回到零刻度
C. 向右偏到某一刻度后不动D. 向左偏到某一刻度后不动
4. 如图所示,A 、 B 为平行板电容器的金属板,G 为静电计,开始时开关 S 闭合,静电计指针张开一定角度。下列操作可使指针张开角度增大一些的是
A. 断开开关 S 后,将 A 、 B 两极板的正对面积减小一些
B. 断开开关 S 后,将 A 、 B 两极板靠近一些
C. 保持开关 S 闭合,将 R 上的滑片向右移动
D. 保持开关 S 闭合,将 A 、 B 两极板分开一些
5. 如图所示是电容式话筒的示意图,它是利用电容制作的传感器,话筒的振动膜表面镀有薄薄的金属层,膜后距膜几十微米处有一金属板,金属板和振动膜上的金属层构成电容器的两极,在两极间加一电压 U,人对着话筒说话时,振动膜前后振动,使电容发生变化,导致话筒所在电路中的其他量发生变化,声音信号被话筒转化为电信号,导致电容变化的原因可能是电容器
A. 两板间的距离变化B. 两板的正对面积变化
C. 两板间的介质变化D. 两板间的电压变化
6. 如图是一个可变电容器,若用导线将它的两极分别与一个电池的两极相连,将电容器的动片从定片中旋出(正对面积减小),则电容器的电容 C 和电荷量 Q 的变化情况是
A. C 变大,Q 变大B. C 变大,Q 变小
C. C 变小,Q 变大D. C 变小,Q 变小
7. 要使平行板电容器的电容增大
A. 增大电容器的带电荷量B. 增大电容器两极间的电压
C. 增大电容器两极板的正对面积D. 增大电容器两极板的距离
8. 一平行板电容器的两个极板分别与一电源的正负极相连,在保持开关闭合的情况下,将电容器两极板间的距离增大,则电容器的电容 C,电容器所带电量 Q 和极板间的电场强度 E 的变化情况是
A. C 、 Q 、 E 都逐渐增大B. C 、 Q 、 E 都逐渐减小
C. C 、 Q 逐渐减小,E 不变D. C 、 E 逐渐减小,Q 不变
9. 始终连接在电池两极上的平行板电容器,当两极板间的距离增加时,下列结论正确的是
A. 电容器的电容变大B. 电容器的带电量变小
C. 电容器两极板间的电势差增大D. 电容器两极板间的电场强度不变
10. 静电计是在验电器的基础上制成的,用其指针的张角大小来定性显示其金属球与外壳之间的电势差大小。如图所示,A 、 B 是平行板电容器的两个金属板,G 为静电计。开始时开关 S 闭合,静电计指针张开一定角度,为了使指针张开角度增大些,下列采取的措施可行的是
A. 断开开关 S 后,将 A 、 B 分开些
B. 保持开关 S 闭合,将 A 、 B 两极分开些
C. 保持开关 S 闭合,将 A 、 B 两极板靠近些
D. 保持开关 S 闭合,将滑动变阻器滑动触头向右移动
11. 图中是一个平行板电容器,其电容为 C,带电荷量为 Q,两板间距为 d,上极板带正电。现将一个试探电荷 q 由两极板间的 A 点移动到 B 点,如图所示。A 、 B 两点间的距离为 s,连线 AB 与极板间的夹角为 30∘。则电场力对试探电荷 q 所做的功等于
A. qCsQd B. qQsCd C. qQs2Cd D. qCs2Qd
12. 如图所示的实验装置中,极板 A 接地,平行板电容器的极板 B 与一个灵敏的静电计相接。将 A 极板向左移动,增大电容器两极板间的距离时,电容器所带的电量 Q 、电容 C 、两极间的电压 U,电容器两极板间的场强 E 的变化情况是
A. C 不变,U 不变,E 变小B. C 变小,U 不变,E 不变
C. C 变小,U 变大,E 不变D. C 变小,U 变大,E 变小
13. 一平行板电容器两极板间距为 d 、极板面积为 S,电容为 ɛ0S/d,其中 ɛ0 是常量。对此电容器充电后断开电源。当增加两板间距时,电容器极板间
A. 电场强度不变,电势差变大B. 电场强度不变,电势差不变
C. 电场强度减小,电势差不变D. 电场强度减小,电势差减小
14. 用控制变量法,可以研究影响平行板电容器(如图所示),设两极板正对面积为 S,极板间的距离为 d,静电计指针偏角为 θ。实验中,极板所带电荷量不变,若
A. 保持 S 不变,增大 d,则 θ 变大
B. 保持 S 不变,增大 d,则 θ 变小
C. 保持 d 不变,减小 S,则 θ 变小
D. 保持 d 不变,减小 S,则 θ 不变
15. 两块大小、形状完全相同的金属板正对水平放置,构成一个平行板电容器,将两金属板分别与电源两极相连接,如图所示。闭合开关 S 达到稳定后,在两板间有一带电液滴 p 恰好处于静止状态。下列判断正确的是
A. 保持开关 S 闭合,减小两板间的距离,液滴向上运动
B. 保持开关 S 闭合,减小两板间的距离,液滴向下运动
C. 断开开关 S,减小两板间的距离,液滴向上运动
D. 断开开关 S,减小两板间的距离,液滴向下运动
16. 平行板电容器充电后与电源断开,负极板接地.两板间有一个正试探电荷固定在 P 点,如图所示,以 C 表示电容器的电容、 E 表示两板间的场强、 φ 表示 P 点的电势,Ep 表示正电荷在 P 点的电势能,若正极板保持不动,将负极板缓慢向右平移一小段距离 l0 的过程中,各物理量与负极板移动距离 l0 的关系图象中正确的是
A. B.
C. D.
二、双项选择题(共11小题;共44分)
17. 把一根软铁棒插入 LC 振荡电路的线圈中,其他条件保持不变,则电路的
A. 固有频率变大B. 固有周期变大
C. 最大磁场能不变D. 最大电压增大
18. 一个空气平行板电容器,极板间相距 d,正对面积 S,充以电荷量 Q 后,两极板间电压为 U,为使电容器的电容加倍,可采用的办法是
A. 将电压变为 U2
B. 将带电荷量变为 2Q
C. 将极板间的距离变为 d2
D. 两板间充满介电常数为 2 的电介质
19. 平行板电容器的电容
A. 跟两极板间的距离成正比
B. 跟充满极板间的介质的介电常数成正比
C. 跟两极板的正对面积成正比
D. 跟加在两极板间的电压成正比
20. 绝缘金属平行板电容器充电后,静电计的指针偏转一定角度,若减小两极板 a 、 b 间的距离,同时在两极板间插入电介质,如图所示,则
A. 电容器两极板的电势差会减小B. 电容器两极板的电势差会增大
C. 静电计指针的偏转角度会减小D. 静电计指针的偏转角度会增大
21. 如图所示,将平行板电容器与电池组相连,两板间的带电尘埃恰好处于静止状态。若将两板缓慢地左右错开一些,其他条件不变,则
A. 电容器带电量不变B. 尘埃仍静止
C. 电流计中有 a→b 的电流D. 电流计中有 b→a 的电流
22. 如图电路中,A 、 B 为两块竖直放置的金属板,G 是一只静电计,开关 S 合上时,静电计张开一个角度,下述情况中可使指针张角增大的是
A. 合上 S,使 A 、 B 两板靠近一些
B. 合上 S,使 A 、 B 两板错开一些
C. 断开 S,使 A 、 B 间距增大一些
D. 断开 S,使 A 、 B 两板错开一些
23. 平行板电容器充电后不断开电源,然后将两极板间的正对面积逐渐增大,则在此过程中
A. 电容器电容将逐渐增大B. 两极板间的电场强度将逐渐增大
C. 两极板间的电压将保持不变D. 两极板上带电荷量不变
24. 平行板电容器充电后,两极板与电源断开,当用绝缘的手柄,设法把电容器两极板间的距离拉大些时,下列结论正确的是
A. 电容器两极板间的电场能增加B. 电容器两极板间的电场强度增大
C. 电容器两极板间的电势差增大D. 电容器的电容增大
25. 如图所示,是一个由电池、电阻 R 与平行板电容器组成的串联电路,在增大电容器两极板间距离的过程中
A. 电阻 R 中没有电流B. 电容器的电容变小
C. 电阻 R 中有从 a 流向 b 的电流D. 电阻 R 中有从 b 流向 a 的电流
26. 如图所示,两块平行带电金属板,带正电的极板接地,两板间 P 点处固定着一个负电荷(电荷量很小)。现让两板保持距离不变而水平错开一段距离,则
A. 两板间电压变大,P 点场强变大
B. 两板间电压变小,P 点场强变小
C. P 点电势变大,负电荷的电势能变小
D. P 点电势变小,负电荷的电势能变大
27. 如图所示,A 、 B 为平行板电容器的两块金属极板,A 与静电计相连,静电计的外壳和 B 板均接地。当 A 、 B 两板带上等量异种电荷后,静电计指针偏转一定角度,此时,在 A 、 B 板之间有一正点电荷 q 静止在 P 点,则
A. A 板不动,将 B 板向下移动时,点电荷 q 保持不动,但静电计指针偏角减小
B. B 板不动,将 A 板向下移动时,点电荷 q 的电势能保持不变,但静电计指针偏角减小
C. A 板不动,将 B 板向左移动时,静电计指针偏角增大
D. A 、 B 板都不动,插入介质板 C 时,静电计指针偏角增大
三、多项选择题(共3小题;共12分)
28. 对于水平放置的平行板电容器,下列说法正确的是
A. 将两极板的间距加大,电容将增大
B. 将两极板平行错开,使正对面积减小,电容将减小
C. 在下板的内表面上放置一面积和极板相等、厚度小于极板间距的陶瓷板,电容将增大
D. 在下板的内表面上放置一面积和极板相等、厚度小于极板间距的铝板,电容将增大
29. 对于水平放置的平行板电容器,下列说法正确的是
A. 将两极板的间距加大,电容将增大
B. 将两极板平行错开,使正对面积减小,电容将减小
C. 在下极板的内表面上放置一面积和极板相等、厚度小于极板间距的陶瓷板,电容将增大
D. 在下极板的内表面上放置一面积和极板相等、厚度小于极板间距的铝板,电容将增大
30. 如图所示的电路中,A 、 B 是两金属板构成的平行板电容器.先将开关 K 闭合,等电路稳定后再将 K 断开,然后将 B 板竖直向下平移一小段距离,并且保持两板间的某点 P 与 A 板的距离不变.则下列说法正确的是
A. 电容器的电容变小B. 电容器内部电场强度大小变大
C. 电容器内部电场强度大小不变D. P 点电势升高
答案
第一部分
1. A
【解析】当压力 F 作用时,极板间距 d 变小,由 C=ɛrS4πkd 可知电容器电容 C 变大,再根据 Q=CU,可知极板所带电荷量变大,电容器充电,灵敏电流表中产生由正接线柱流入的电流,所以指针将右偏;可动电极固定后,充电结束,指针回到零刻度线处。选项A正确,B、C、D错误。
2. D
【解析】平行板电容器接在电压恒定的直流电源上,电容器两极板之间的电压 U 不变。若将云母介质移出,电容 C 减小,由 C=QU 可知,电容器所带电荷量 Q 减小,即电容器极板上的电荷量减小。由于 U 不变,d 不变,由 E=Ud 可知,极板间电场强度 E 不变,选项D正确,A、B、C错误。
3. A
【解析】压力 F 作用时,极板间距 d 变小,由 C=ɛrS4πkd,电容器电容 C 变大,又根据 Q=CU,极板带电荷量变大,所以电容器应充电,灵敏电流计中产生由正接线柱流入的电流,所以指针将右偏,极板保持固定后,充电结束,指针回到零刻度.
4. A
【解析】断开开关,电容器所带电荷量不变,将 A 、 B 两极板的正对面积减小一些,根据 C=ɛrS4πkd 知,电容减小,根据 Q=CU 知,电势差变大,静电计指针张角变大,选项A正确;断开开关,电容器所带电荷量不变,将 A 、 B 靠近一些,则 d 减小,根据 C=ɛrS4πkd 知,电容变大,根据 Q=CU 知,电势差减小,静电计指针张角减小,选项B错误;保持开关闭合,电容器两极板间的电势差不变,则静电计指针张角不变,选项C、D错误。
5. A
6. D
7. C
8. B
9. B
10. A
11. C
【解析】 W=qU=qQs2Cd
12. C
【解析】电容器两极间电荷量 Q 不变,增大电容器两极板间的距离时,由公式 C=ɛs4πkd 可知电容 C 变小,由 C=QU 知 U 变大,联立 C=ɛs4πkd 、 C=QU 和 U=Ed 可得 E=4πkQɛs,故极板间距 d 变化时两极板间电场强度 E 不变,C正确。
13. A
【解析】(2009 年 海南高考)
充电后断开电源,则电容器的电荷量Q不变,这种情况下,有
C=ɛ0Sd,U=QC=Qdɛ0S,E=Ud=Qɛ0S。
14. A
【解析】静电计指针偏角体现电容器两板间电压大小。在做选项所示的操作中,电容器电荷量 Q 保持不变,C=QU=ɛrS4πkd。保持 S 不变,增大 d,则 C 减小,U 增大,偏角 θ 增大,选项A正确,选项B错误;保持 d 不变,减小 S,则 C 减小,偏角 θ 也增大,故选项CD错误。
15. A
【解析】(海淀区 2008 届期末考试)
开关闭合,则电容器两端的电压 U 不变,这种情况下
E=Ud∝1dd
减小,E 增大,静电力大于重力,液滴向上运动。
断开开关,则电容器的电荷量 Q 不变,这种情况下
E=Ud=QCd=QɛrS4kπdd=4kπQɛrSE
与 d 无关。
16. C
【解析】由平行板电容器的电容 C=S4πkd 可知 d 减小,C 变大,但不是一次函数,A错;在电容器两极板所带电荷量一定情况下,U=QC,E=Ud=4πkQS 与 d 无关,则B错;在负极板接地的情况下,开始时,P 点电势 φ=El0ʹ(l0ʹ 为 P 点距负极板的距离),当负极板向右移动距离 l0 时,P 点电势 φʹ=E(l0ʹ−l0)=El0ʹ−El0,即 P 点电势与 l0 的关系为一次函数,故选项C正确;由 Ep=qφʹ 得 Ep=qEl0ʹ−qEl0,则D错。
第二部分
17. B, C
【解析】LC 振荡电路中的线圈内插入软铁棒时,线圈的自感系数 L 增大,由 T=2πLC 和 f=12πLC 知,选项B正确,A错误;电容器电容不变,最大电荷量不变,故最大电压不变,最大电场能不变,最大磁场能不变,选项C正确,D错误。
18. C, D
【解析】电容器的电容与电容器极板上的电荷量、电压无关,所以选项A、B不正确;
根据公式 C=ɛrS4πkd,可以知道选项C、D正确。
19. B, C
20. A, C
【解析】绝缘金属平行板电容器充电后电荷量 Q 不变,若减小两极板 a 、 b 间的距离,同时在两极板间插入电介质,电容变大,由 C=QU 知 U 变小,静电计指针的偏转角度会减小.
21. B, C
22. C, D
【解析】题图中静电计的金属球接 A 板,外壳接地,B 板也接地,静电计显示的是 A 、 B 极板间的电压,指针张角越大,表示两极板间的电压越高。当合上开关 S 后,A 、 B 两板与电源两极相连,板间电压等于电源电压不变,静电计指针张角不变;当断开开关 S 后,板间距离增大,正对面积减小,都将使电容变小,而电容器带电荷量不变,由 C=QU 可知,板间电压 U 增大,则静电计指针张角增大,选项C、D正确。
23. A, C
24. A, C
【解析】充电后的电容器与电源断开后,将保持带电荷量 Q 不变,在增大两极板间的距离 d 时,电容器的电容 C 减小,由 Q=CU 可知,两极板间的电势差将增大,而场强 E=Ud=QCd=4πkQɛrS 与 d 无关。
由于两极板带等量异种电荷,它们间为库仑引力,因此在增大两极板间距离时,必须反抗两极板间的库仑引力做功,从而使电容器内的电场能增加。
25. B, C
【解析】开始时,图中电容器被充电,A 极板带正电,B 极板带负电。根据平行板电容器的电容公式 C=ɛrS4πkd 可知,当增大电容器两极板间的距离 d 时,电容 C 变小,由于电容器始终与电池相连,电容器极板间的电压 UAB 保持不变,根据电容的定义式 C=QU,当 C 减小时,电容器两极板所带电荷量 Q 减小,A 极板所带正电荷一部分经 R 流向电源的正极,即电阻 R 中有从 a 流向 b 的电流,所以选项BC正确。
26. A, D
【解析】由 U=QC=4πkQdɛS , E=Ud=Q/Cd∝QɛS , S 减小,致使 U 变大,E 变大;根据 −φP=Ed , Ep=(−q)·(−φP),负电荷在此电场中具有的电势能是正的。
27. B, C
第三部分
28. B, C, D
29. B, C, D
【解析】影响平行板电容器电容大小的因素有:①随正对面积的增大而增大;②随两极板间距离的增大而减小;③在两极板间放入电介质,电容增大.据上面叙述可直接看出B、C选项正确,对D选项,实际上是减小了平行板的间距.所以本题正确选项为B、C、D.
30. A, C, D
【解析】根据 C=ɛS4πkd,当 B 板向下平移一小段距离,间距 d 增大,其它条件不变,则导致电容变小,故A正确;
根据 E=Ud 与 C=ɛS4πkd 相结合可得 E=4πkQɛS,由于电量不变,场强大小不变,故B错误C正确;
B 板接地,场强不变,所以 P 点与地间的电势差增大,即 P 点电势升高,故D正确;
故选:ACD
【备战2022】高考物理选择题专项练习集:平行板电容器的电容 常用电容器(成都专栏): 这是一份【备战2022】高考物理选择题专项练习集:平行板电容器的电容 常用电容器(成都专栏),共13页。试卷主要包含了单项选择题,双项选择题,多项选择题等内容,欢迎下载使用。
2022届高考物理选择题专题强化训练:常用传感器的工作原理(北京使用): 这是一份2022届高考物理选择题专题强化训练:常用传感器的工作原理(北京使用),共15页。试卷主要包含了单项选择题,双项选择题,多项选择题等内容,欢迎下载使用。
2022届高考物理选择题专题强化训练:电容器的电容(北京使用): 这是一份2022届高考物理选择题专题强化训练:电容器的电容(北京使用),共14页。试卷主要包含了单项选择题,双项选择题,多项选择题等内容,欢迎下载使用。

