粤教版九年级物理上册期中考试【加答案】练习题
展开班级: 姓名: 分数:
一、选择题(每题2分,共30分)
1、下列有关热和能的说法中,正确的是( )
A.发生热传递时,温度总是从高温物体传递给低温物体
B.一块 0℃的冰熔化成 0℃的水后,温度不变,内能变大
C.内燃机的压缩冲程,主要通过热传递增加了汽缸内物质的内能
D.夏天在室内洒水降温,利用了水的比热容较大的性质
2、下列物品中,在通常情况下都是绝缘体的是( )
A.玻璃棒、橡胶棒B.铅笔芯、硬币
C.金属勺、塑料尺D.陶瓷碗、盐水
3、如图所示,小红站在商场匀速向上运动的自动扶梯上,她受到的力有( )
A.重力和支持力B.重力、支持力和水平向右的摩擦力
C.重力、支持力和水平向左的摩擦力D.重力、支持力和斜向上的摩擦力
4、把0℃的水和-5℃的一块冰混合后,放在一个与外界隔热的容器里,那么过一段时间后,可能的状态是( )
①冰;②水;③冰水混合物
A.①或②B.②或③C.①或③D.①②或③
5、小明身高为1.5m.站立在平面镜前2m处,他以0.1m/s的速度远离平面镜,2秒后,他的像到他的距离和像的大小变化描述正确的是( )
A.1.5m,像变大B.2m,像变小
C.3.6m,像不变D.4.4m,像不变
6、如图所示,将标有“12V6W”的灯泡和“12V3W”的灯泡接在12V的电路中,闭合开关,不考虑温度对灯丝电阻的影响,下列说法中正确的是( )
A.电路总功率等于9WB.电路总功率大于9W
C.灯泡和一样亮D.灯泡比灯泡亮
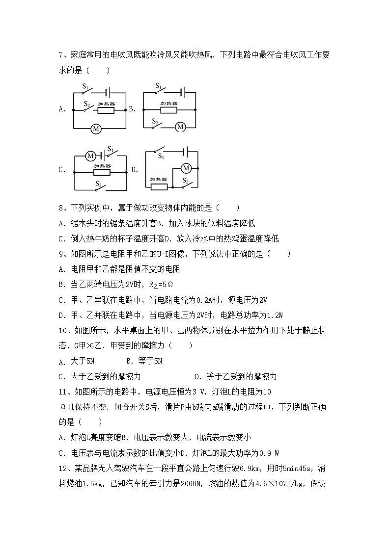
7、家庭常用的电吹风既能吹冷风又能吹热风.下列电路中最符合电吹风工作要求的是( )
A.B.
C.D.
8、下列实例中,属于做功改变物体内能的是( )
A.锯木头时的锯条温度升高B.加入冰块的饮料温度降低
C.倒入热牛奶的杯子温度升高D.放入冷水中的热鸡蛋温度降低
9、如图所示是电阻甲和乙的U-I图像,下列说法中正确的是( )
A.电阻甲和乙都是阻值不变的电阻
B.当乙两端电压为2V时,R乙=5Ω
C.甲、乙串联在电路中,当电路电流为0.2A时,源电压为2V
D.甲、乙并联在电路中,当电源电压为2V时,电路总功率为1.2W
10、如图所示,水平桌面上的甲、乙两物体分别在水平拉力作用下处于静止状态,G甲>G乙.甲受到的摩擦力( )
大于5NB.等于5N
C.大于乙受到的摩擦力D.等于乙受到的摩擦力
11、如图所示的电路中,电源电压恒为3 V,灯泡L的电阻为10 Ω且保持不变.闭合开关S后,滑片P由b端向a端滑动的过程中,下列判断正确的是( )
A.灯泡L亮度变暗B.电压表示数变大,电流表示数变小
C.电压表与电流表示数的比值变小D.灯泡L的最大功率为0.9 W
12、某品牌无人驾驶汽车在一段平直公路上匀速行驶6.9km,用时5min45s,消耗燃油1.5kg,已知汽车的牵引力是2000N,燃油的热值为4.6×107J/kg,假设燃油完全燃烧.通过计算可知,下列结果正确的是( )
①汽车行驶速度是20km/h ②消耗的燃油完全燃烧放出的热量是6.9×107J
③汽车牵引力做功的功率是30kW ④汽车发动机的效率是20%
A.只有①和②B.只有②和③C.只有①和④D.只有②和④
13、如图所示,完全相同的甲、乙两个烧杯内装有密度不同的液体.在两烧杯中,距离杯底同一高度处有 A、B 两点,已知 A、B 两点压强相等,则烧杯甲、乙对桌面的压强 P 甲、P 乙大小关系为 ( )
A.P 甲
P 乙
C.P 甲= P 乙D.条件不足,无法判断.
14、音乐会上小提琴演奏乐曲时,下列说法正确的是( )
A.演奏前,调节小提琴的琴弦松紧可改变声音的响度
B.演奏时,用力拉紧小提琴的同一琴弦可提高声音的音调
C.小提琴演奏的乐曲通过空气传入听众的耳朵
D.小提琴的音色和二胡的音色相同
15、踢足球是广大青少年喜爱的运动,下列与踢球有关的说法正确的是( )
A.踢球时,脚对球施加了力,球对脚没有力的作用
B.只要脚对球施加的力大小相同,其作用效果一定相同
C.踢出去的球在空中运动的过程中,没有受到任何力的作用
D.守门员使球停下来的过程中,力改变了球的运动状态
二、填空题(每题2分,共10分)
1、一个重为20N的物体在水平地面上受水平拉力作用时恰能以50cm/s的速度匀速运动,若物体运动了5m,拉力的功率为3W,则拉力做功_______J,重力做功_______J.
2、一束平行光与镜面成30°角射到平面镜上,反射角大小是_____,人迎着反射光的方向可以看到刺眼的光,而在其他方向却看不到反射光,这是由于发生了_____(选填“镜面反射”或“漫反射”).
3、拉弓射箭的过程中,弓被拉弯,说明力可以改变物体的________;松手后箭飞出,说明力可以改变物体的________.
4、质量为50kg的水温度从20℃升高到50℃吸收的热量是________J,这些热量如果完全由煤气燃烧来提供,至少需________kg的煤气.(水的比热容为4.2×103J/(kg•℃),煤气的热值4.2×107J/kg).
5、小芳在距平面镜1m处照镜子.她从平面镜中看到自己的__(实/虚)像,如果小芳向平面镜靠近0.3m,她的像到平面镜的距离为__m,像的大小__(变大/变小/不变).
三、作图题(每题5分,共10分)
1、如图所示,一束光射向一块玻璃砖.画出这束光线进入玻璃和离开玻璃后的径迹(注意标出法线).
2、如图所示,小明利用一块平面镜使此时的太阳光水平射入隧道内.请你通过作图画出平面镜并标出反射角的度数.
四、实验探究题(每题15分,共30分)
1、小明在探究“二力平衡”条件的实验中,设计了如图所示的两种实验方案.
(1)通过实验比较,小明发现采用方案乙,实验效果更好,原因是_____________.
(2)该实验装置中,木板两端的定滑轮的作用是________________.
(3)保持两盘中砝码质量相等,把小车在水平桌面上扭转一个角度,放手后观察到小车转动,最后恢复到静止状态.这个实验现象说明:作用在同一物体上的两个力,大小相等,方向相反,并且_________,这两个力才能彼此平衡.
(4)小明在探究完“二力平衡”条件的实验后,又利用该装置进行探究,剪断小车左边的细线后,小车由静止向右运动,此现象说明力可以改变物体的_________________.
2、小明同学用如图所示的斜面来探究斜面的省力情况、斜面的机械效率与斜面的倾斜程度之间的关系,他首先测出木块重,然后用弹簧测力计沿斜面拉动木块,调节斜面倾斜角度的大小多次测量,得到下表所示的数据:
(1)实验中,小明测拉力时要用弹簧测力计平行于斜面拉着木块做______运动,并读出弹簧测力计的示数..
(2)当斜面倾斜角为30度时,弹簧测力计的示数如图所示,则此时拉力F=__________N..
(3)分析表中的数据,可以得出的探究结论是:斜面倾斜角度越_________(选填“大”或“小”),斜面越省力,斜面的机械效率越_______________(选填“高”或“低”)..
(4)若想探究斜面的机械效率与物重的关系,则要保持_____不变,斜面的光滑程不变,只改变物重..
(拓展)实验完成后,小明没有进行其他操作,根据表中数据计算出当斜面倾斜角为30度时,木块与斜面间的滑动摩擦力f=____N..
五、计算题(每题10分,共20分)
1、如图所示的电路中,电源电压保持不变,灯L标有“12V 12W”的字样,R2=12Ω,当S1、S2都闭合时.电流表示数为1.2A.这时灯L正常发光(忽略温度对灯丝电阻的影响),求:
(1)电源电压;
(2)电阻R1的阻值;
(3)若将开关S1、S2都断开.此时灯L实际消耗的功率是多少?
2、如图所示的电路中,当S1闭合,S2、S3断开时,电压表的示数为6V;当S1、S3断开,S2闭合时,电压表的示数为3V..求:
(1)电源电压..
(2)当S1、S3闭合,S2断开时,电压表的示数..
参考答案
一、选择题(每题2分,共30分)
1、B
2、A
3、A
4、C
5、D
6、D
7、A
8、A
9、D
10、B
11、D
12、D
13、A
14、C
15、D
二、填空题(每题2分,共10分)
1、30 0
2、60° 镜面反射
3、形状 运动状态
4、6.3×106 0.15
5、虚 0.7 不变
三、作图题(每题5分,共10分)
1、
2、
四、实验探究题(每题15分,共30分)
1、减小摩擦力对实验的影响 改变力的方向 作用在同一条直线上 运动状态
2、 匀速直线 6.0 小 低 斜面的倾角(高度) 1
五、计算题(每题10分,共20分)
1、(1)12V;(2)60Ω;(3)3W.
2、(1)9V;(2)9V
粤教版九年级物理上册期中考试卷【加答案】: 这是一份粤教版九年级物理上册期中考试卷【加答案】,共9页。试卷主要包含了选择题,填空题,作图题,实验探究题,计算题等内容,欢迎下载使用。
粤教版九年级物理上册期中考试卷加答案: 这是一份粤教版九年级物理上册期中考试卷加答案,共7页。试卷主要包含了选择题,填空题,作图题,实验探究题,计算题等内容,欢迎下载使用。
粤教版九年级物理上册期中考试(粤教版)练习题: 这是一份粤教版九年级物理上册期中考试(粤教版)练习题,共10页。试卷主要包含了选择题,填空题,作图题,实验探究题,计算题等内容,欢迎下载使用。

