高中物理人教版 (新课标)必修12 弹力课后作业题
展开一、选择题(每小题6分,共12分)
1.在“探究弹力和弹簧伸长的关系”实验中,以下说法正确的是( )
A.弹簧被拉伸时,不能超出它的弹性限度
B.用悬挂钩码的方法给弹簧施加拉力,应保证弹簧位于竖直位置且处于平衡状态
C.用直尺测得弹簧的长度即为弹簧的伸长量
D.用几个不同的弹簧,分别测出几组拉力与伸长量,得出拉力与伸长量之比相等
【解析】本实验中应以需要研究的一根弹簧为实验对象,在弹性限度内通过增减钩码的数目,以改变对弹簧的拉力,来探索弹力与弹簧伸长的关系.所以选A、B.
【答案】A、B
2.如图所示,弹簧秤不测力时弹簧长4 cm.当它两侧各挂一个100 g的砝码时,弹簧长8 cm.要使弹簧秤的弹簧伸长为12 cm,则应( )
A.在右侧加挂一个100 g的砝码
B.在右侧加挂一个200 g的砝码
C.在左、右两侧各挂一个100 g的砝码
D.在左、右两侧各挂一个200 g的砝码
【答案】D
二、非选择题(共48分)
3.(8分)做“探究弹力和弹簧伸长的关系”的实验时步骤如下:
A.以弹簧伸长量为横坐标,以弹力为纵坐标,描出各组数据(x,F)对应的点,并用平滑的曲线连接起来;
B.记下弹簧不挂钩码时其下端在刻度尺上的刻度L0;
C.将铁架台固定于桌子上(也可在横梁的另一侧挂上一定的配重),并将弹簧的一端系于横梁上,在弹簧附近竖直固定一刻度尺;
D.依次在弹簧下端挂上2个,3个,4个…钩码,并分别记下钩码静止时弹簧下端所对应的刻度并记录在表格内,然后取下钩码;
E.以弹簧伸长为自变量,写出弹力与伸长量的关系式.首先尝试写成一次函数,如果不行则考虑二次函数;
F.解释函数表达式中常数的物理意义;
G.整理仪器.
请将以上步骤按操作的先后顺序排列出来:
【解析】根据实验的实际操作过程,排列先后顺序为:C、B、D、A、E、F、G.
【答案】C、B、D、A、E、F、G
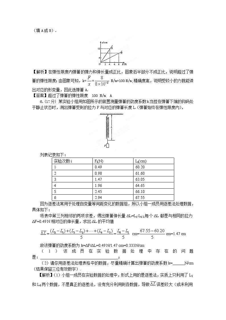
4.(13分)为了探求弹簧弹力F和弹簧伸长量x的关系,某同学选了A、B两根规格不同的弹簧进行测试,根据测得的数据绘出如图所示的图象,从图象上看,该同学没能完全按实验要求做,使图象上端成为曲线,图象上端成为曲线的原因是_______________________________________.
弹簧B的劲度系数为__________.若要制作一个精确度较高的弹簧秤,应选弹簧__________(填A或B).
【解析】在弹性限度内弹簧的弹力和伸长量成正比,图象后半部分不成正比,说明超过了弹簧的弹性限度;由图象可知,k== N/m=100 N/m;精确度高,说明受较小的力就能读出对应的形变量,因此选弹簧A.
【答案】超过了弹簧的弹性限度 100 N/m A
6.(17分) 某实验小组用如图所示的装置测量弹簧的劲度系数k.当挂在弹簧下端的钩码处于静止状态时,测出弹簧受到的拉力F与对应的弹簧长度L(弹簧始终在弹性限度内),
列表记录如下:
实验次数i | Fi(N) | Li(cm) |
1 | 0.49 | 60.20 |
2 | 0.98 | 61.60 |
3 | 1.47 | 63.05 |
4 | 1.96 | 64.65 |
5 | 2.45 | 66.10 |
6 | 2.94 | 67.55 |
因为逐差法常用于处理自变量等间距变化的数据组,所以小组一成员用逐差法处理数据,具体如下:
将表中第三列相邻的两项求差,得出弹簧伸长量ΔL=Li-Li-1,每个ΔL都是与相同的拉力ΔF=0.49 N相对应的伸长量,求出ΔL的平均值
== cm=cm=1.47 cm
故该弹簧的劲度系数为k=ΔF/ΔL=0.49 N/1.47 cm=0.333 N/cm
(1)该成员在实验数据处理中存在的问题是: ;
(2)请你用逐差法处理表格中的数据,尽量精确计算出弹簧的劲度系数k= N/cm(结果保留三位有效数字).
【解析】(1)小组一成员在实验数据的处理中,形式上用的是逐差法,实质上只利用了L1和L6两个数据,不是真正的逐差法,没有充分利用到各数据,导致误差较大(或未利用L2、
高考物理二轮实验专题复习实验二探究弹力和弹簧伸长量的关系: 这是一份高考物理二轮实验专题复习实验二探究弹力和弹簧伸长量的关系,共13页。
2023版高考物理专题14实验:探究弹力和弹簧伸长的关系练习含解析: 这是一份2023版高考物理专题14实验:探究弹力和弹簧伸长的关系练习含解析,共4页。试卷主要包含了实验原理等内容,欢迎下载使用。
高中物理人教版 (新课标)必修12 弹力同步练习题: 这是一份高中物理人教版 (新课标)必修12 弹力同步练习题,共3页。

