第六章第二节 化学反应与能量变化训练题2021-2022学年高一化学人教版(2019)必修第二册
展开化学反应与能量变化专项训练
一、单选题(15题)
1.古籍中记载:阳遂金也,取金孟无缘者,执日高三四丈时,以向,持燥艾承之寸馀,有顷焦之,吹之则燃得火。上述记载中是古人对哪种能量的利用
A.风能 B.水能 C.太阳能 D.地热能
2.下列反应既属于氧化还原反应,又是吸热反应的是
A.灼热的木炭与水蒸气的反应 B.Na与水的反应
C.CaCO3 受热分解 D.CaO与水的反应
3.化学反应H2(g)+Cl2(g)=2HCl(g)反应的能量变化如图示意图所示,该反应的热化学方程式是
A.H2(g)+Cl2(g)=2HCl(g) △H=(a+b-2c)kJ•mol-1
B.H2(g)+Cl2(g)=2HCl(g) △H=(2c-a+b)kJ•mol-1
C.H2(g)+Cl2(g)=2HCl(g) △H=(a+b-c)kJ•mol-1
D.H2(g)+Cl2(g)=2HCl(g) △H=-(c-a-b))kJ•mol-1
4.下列装置中,不属于原电池的是
A. B. C. D.
5.根据以下H2和Cl2反应生成HCl的能量循环图:
下列说法正确的是
A.∆H4>0
B.∆H1<0
C.∆H1+∆H2+∆H3-∆H4=0
D.∆H3>∆H4
6.一种钌(Ru)基配合物光敏染料敏化太阳能电池的原理及电池中发生的主要反应如图所示。下列说法正确的是
A.电池工作时,光能转变为电能,Y为电池的负极
B.镀铂导电玻璃的作用是传递
C.电解质溶液中发生反应:
D.电池的电解质溶液中和的浓度均几乎不发生变化
7.如图所示,ΔE1=393.5kJ,ΔE2=395.4kJ,下列说法正确的是
A.1mol石墨完全转化为金刚石需吸收1.9kJ热量 B.石墨和金刚石之间的转化是物理变化
C.金刚石的稳定性强于石墨 D.1mol金刚石具有的总能量高于1molCO2的总能量
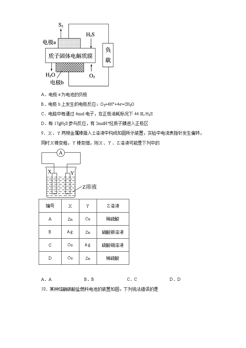
8.科学家设计出质子膜H2S燃料电池,实现了利用H2S废气资源回收能量并得到单质硫。质子膜H2S燃料电池的结构示意图如图所示。下列说法错误的是
A.电极a为电池的负极
B.电极b上发生的电极反应:O2+4H++4e-=2H2O
C.电路中每通过4mol电子,在正极消耗标况下44.8L H2S
D.每17gH2S参与反应,有2molH+经质子膜进入正极区
9.、两根金属棒插入溶液中构成如图所示装置,实验中电流表指针发生偏转,同时棒变粗,棒变细,则、、溶液可能是下列中的
编号 | 溶液 | ||
A | 稀硫酸 | ||
B | 硝酸银溶液 | ||
C | 硫酸铜溶液 | ||
D | 稀硫酸 |
A.A B.B C.C D.D
10.某种熔融碳酸盐燃料电池的装置如图。下列说法错误的是
A.电池工作时,电子由电极A经电解质溶液流向电极B
B.在电极A上发生的电极反应为
C.催化重整的反应为
D.理论上,每消耗(标准状况下),转移电子的物质的量为
11.已知:(1)Zn(s)+O2(g)=ZnO(s),△H=﹣348.3 kJ/mol
(2)2Ag(s)+O2(g)=Ag2O(s),△H=﹣31.0 kJ/mol
则Zn(s)+Ag2O(s)=ZnO(s)+2Ag(s)的△H等于
A.﹣317.3 kJ/mol B.﹣379.3 kJ/mol
C.﹣332.8 kJ/mol D.+317.3 kJ/mol
12.锌汞电池总反应为,下列说法错误的是
A.锌极发生氧化反应
B.向锌极迁移
C.电解质溶液可以是稀硫酸
D.正极反应式为
13.微生物燃料电池在净化废水的同时能获得能源或得到有价值的化学产品,图1为其工作原理,图2为废水中Cr2O离子浓度与去除率的关系。下列说法正确的是
A.M为燃料电池的正极,Cr2O和O2是反应的氧化剂
B.电池工作时,N极附近溶液pH减小
C.Cr2O离子浓度较大时,可能会造成还原菌失活
D.处理0.5molCr2O时有6molH+从交换膜右侧向左侧迁移
14.我国研制出一种新型复合光催化剂,利用太阳光在催化剂表面实现高效分解水,其主要过程如图所示。已知:物质中化学键键能如下表所示。若反应过程中分解了水,则下列说法不正确的是
化学键 | 键 | 键 | 键 | 键 |
键能 |
A.过程Ⅰ吸收了能量
B.过程Ⅱ放出了能量
C.过程Ⅲ属于放热反应
D.总反应为
15.常温低压时铁化合物催化氢化过程中的物质2(固态)转化为物质3(固态)的反应机理和相对能量曲线如图所示。下列说法正确的是
A.是该总反应的催化剂
B.三个过程均为放热反应
C.过程②的活化能最大,是总反应的决速步
D.物质2转化为物质3的热化学方程式为:
二、填空题(4大题)
16.某兴趣小组的同学用下图所示装置研究有关电化学的问题(甲、乙、丙三池中溶质足量),当闭合该装置的电键时,观察到电流表的指针发生了偏转。请回答下列问题:
(1)乙池为___________(填“原电池”“电解池”“电镀池”),电极的电极反应式为:___________。
(2)丙池中电极为___________(填“正极”、“负极”、“阴极”或“阳极”),写出电解时总反应的离子方程式___________。
(3)当乙池中极质量变化时,甲池中电极理论上消耗的体积为___________(标准状况)。
(4)一段时间后,断开电键。下列物质能使乙池恢复到反应前浓度的是___________(填选项字母)。
A. B. C. D.
(5)若丙池通电一段时间后,向所得的溶液中加入后恰好恢复到电解前的浓度和(不考虑的溶解),则电解过程中转移的电子___________。
17.按要求完成下列问题。
(1)有两个反应:a.H2(g)+Cl2(g)2HCl(g),b.H2(g)+Cl2(g)2HCl(g)。这两个反应的能量转化方式主要是______能转化为________能,相同物质的量的H2(g)、Cl2(g)反应生成相同质量的HCl(g)时,放出的能量_______(填“相等”或“不相等”)。
(2)利用反应4HCl+O22Cl2+2H2O,可实现氯的循环利用,已知:该反应中,2molHCl被氧化时,放出57.8kJ的热量。请回答下列有关问题:
①4molHCl被氧化时,放出___________kJ的热量。
②断开1molH—O键与断开1molH—Cl键所需能量相差_______kJ,H2O中H—O键比HCl中H—Cl键(填“强”或“弱”)_______。
(3)根据图示的能量转化关系判断,生成71gCl2(g)____(填“吸收”或“放出”)____kJ能量。
18.回答下列问题:
(1)利用电化学原理,将CO、O2和熔融K2CO3制成燃料电池,模拟工业电解法处理含Cr2O的废水,如图。电解过程中溶液中发生如下反应:Cr2O+6Fe2++14H+=2Cr3++6Fe3++7H2O。
①甲池内阳离子向石墨___移动。(填“Ⅰ”或者“Ⅱ”)
②如图,CO在石墨Ⅰ电极放电生成Y,Y可循环使用。甲池工作时,石墨Ⅱ附近发生的电极反应式为___。
③Fe(Ⅰ)的电极反应式为___。
④甲中消耗0.12 molCO,最多可以处理含Cr2O___mol的废水。
19.人们应用原电池原理制作了多种电池,以满足不同的需要。以下各种电池广泛使用于日常生活.生产和科学技术等方面,请根据题中提供的信息填空:
(1)如图所示,杠杆AB两端分别挂有体积相同、质量相等的空心铜球和空心铁球,调节杠杆并使其在水中保持平衡,然后小心地向水槽中央滴入浓CuSO4溶液,(实验过程中,不考虑铁丝反应及两球的浮力变化)一段时间后,当杠杆为绝缘体时,___端高;当杠杆为导体时,____端高(填“A”或“B”)。
(2)铁、铜、铝是生活中使用广泛的金属,溶液常用于腐蚀印刷电路铜板,其反应过程的离子方程式为______,若将此反应设计成原电池,则负极所用电极材料为____,正极反应式为_____。
(3)将铝片和铜片用导线相连,一组插入浓硝酸中,一组插入烧碱溶液中,分别形成了原电池,在这两个原电池中,负极分别为_____。
A.铝片、铜片B.铜片、铝片C.铝片、铝片D.铜片、铜片
写出插入烧碱溶液中形成原电池的负极反应式:_______。
(4)某原电池装置如图所示,电池总反应为2Ag+Cl2=2AgCl,当电路中转移amole-时,交换膜左侧溶液中约减少_______mol离子。交换膜右侧溶液中c(HCl)_______(填“>”“<”或“=”)1mol·L-1(忽略溶液体积变化)。
参考答案
1.C
2.A
3.A
4.D
5.C
6.D
7.A
8.D
9.B
10.A
11.A
12.C
13.C
14.C
15.C
16.
(1) 电解池
(2) 阴极
(3)560
(4)A
(5)
17.
(1) 化学 热 相等
(2) 115.6 31.9 强
(3) 放出 57.8
18.
(1) Ⅱ O2+2CO2+4e-=2 Fe-2e-=Fe2+ 0.02
19.A B 2Fe3++Cu=2Fe2++Cu2+ Cu Fe3++e-=Fe2+ B Al+4OH--3e-=+2H2O 2a >
高中化学人教版 (2019)必修 第二册第二节 化学反应的速率与限度一课一练: 这是一份高中化学人教版 (2019)必修 第二册第二节 化学反应的速率与限度一课一练,共16页。试卷主要包含了单选题,填空题等内容,欢迎下载使用。
人教版 (2019)必修 第二册第二节 化学反应的速率与限度当堂达标检测题: 这是一份人教版 (2019)必修 第二册第二节 化学反应的速率与限度当堂达标检测题,共12页。试卷主要包含了单选题,填空题等内容,欢迎下载使用。
人教版 (2019)必修 第二册第二节 化学反应的速率与限度巩固练习: 这是一份人教版 (2019)必修 第二册第二节 化学反应的速率与限度巩固练习,共15页。试卷主要包含了单选题,填空题等内容,欢迎下载使用。

