2021-2022学年山西省长治市第一中学校高一上学期第三次练考物理试卷
展开
山西省长治市第一中学校2021-2022学年高一上学期第三次练考物理试卷
一、选择题(每题4分,全选对得4分,对而不全得2分,有错误得0分,共32分)
1.髙铁专家正设想一种“遇站不停式匀速循环运行”列车,如襄阳→随州→武汉→仙桃→潜江→荆州→荆门→襄阳,构成7站铁路圈,建两条靠近的铁路环线。列车A以恒定速率360km/h运行在一条铁路上,另一条铁路上有“伴驳列车” B,如某乘客甲想从襄阳站上车到潜江站,先在襄阳站登上B车,当A车快到襄阳站且距襄阳站路程为s处时,B车从静止开始做匀加速运动,当速度达到360km/h时恰好遇到A车,两车连锁并打开乘客双向通道,A、B列车交换部分乘客, 并连体运动一段时间再解锁分离,B车匀减速运动后停在随州站并卸客,A车上的乘客甲可以中途不停站直达潜江站。则( )
A.无论B车匀加速的加速度大小为多少,s是相同的
B.该乘客节约了五个站的减速、停车、提速时间
C.若B车匀加速的时间为1min,则s为4km
D.若B车匀减速的加速度大小为5m/s2,则当B车停下时A车已距随州站路程为1km
2.某质点从静止开始做匀加速直线运动,则在第1个2s、第2个2s和第5s内三段位移之比为( )
A.2∶6∶5 B.2∶8∶7 C.4∶12∶9 D.2∶2∶1
3.物体从静止开始做直线运动,图像如图所示,则该物体( )
A.在第8 s末相对于起点的位移最大 B.在第4 s末相对于起点的位移最大
C.在2~4 s时间内的加速度大小最大 D.在4~8 s时间内,加速度保持不变
4.质量为m的物体从高为h处自由下落,开始的用时为t,不计空气阻力,重力加速度为g,则( )
A.物体落地所用的时间为 B.物体落地所用的时间为
C.物体落地时的速度为 D.物体落地时的速度为
5.一列火车沿直线轨道从静止出发由A地驶向B地,火车先做匀加速运动,加速度大小为a,接着做匀减速运动,加速度大小为,到达B地时恰好静止,若两地距离为s,则火车从A地到B地所用时间t为( )
A. B. C. D.
6.某人驾驶一辆汽车甲正在平直的公路上以某一速度匀速运动,突然发现前方处停着一辆乙车,立即刹车,刹车后做匀减速直线运动。已知刹车后第1个内的位移是,第4个内的位移是。则下列说法中正确的是( )
A.汽车甲刹车后做匀减速直线运动的加速度大小为
B.汽车甲刹车后做匀减速直线运动的加速度大小为
C.汽车甲刹车后停止前,可能撞上乙车
D.汽车甲刹车前的速度为
7.甲、乙两小车在同一地点同时开始往相同方向做直线运动的图像如图所示,根据图像提供的信息可知( )
A.甲车在0~4 s内与4~6 s内的加速度大小之比为1:2
B.6 s末乙追上了甲
C.在乙追上甲之前,甲、乙两小车的最远距离为10 m
D.8 s末甲、乙两小车相遇,且离出发点距离为32 m
8.图是半程马拉松赛中两位选手参赛的某一情形.假设甲、乙两人起跑时都做匀加速直线运动,达到某一速度后都各自做匀速直线运动,且跑到终点,他们的速度—时间图像如图,则下列说法正确的是( )
A.乙选手起跑时,甲选手正好跑了1m B.相遇前甲、乙两选手之间的最大距离为4m
C.乙选手起跑3s后刚好追上甲选手 D.乙选手超过甲选手后,两选手不可能再次相遇
二、实验题(每空2分,共26分)
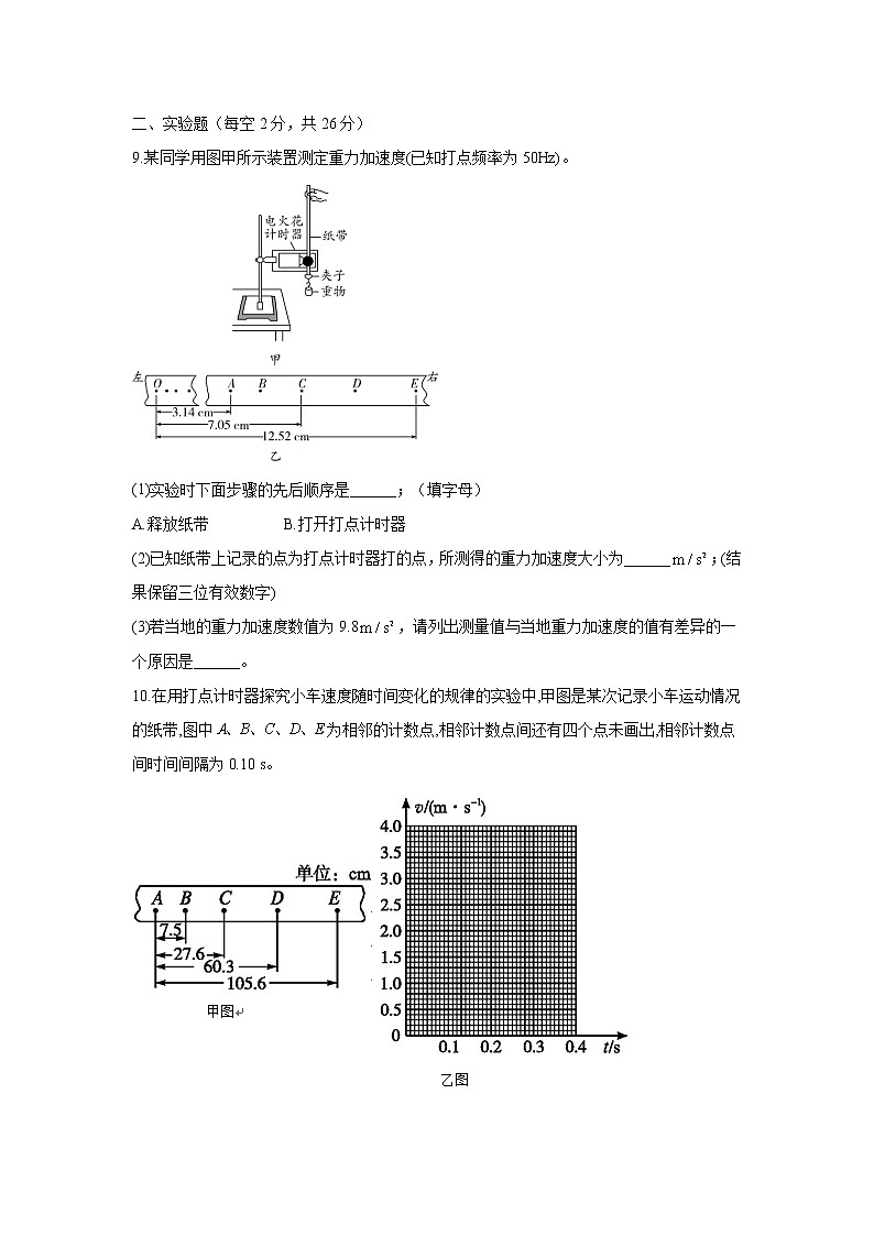
9.某同学用图甲所示装置测定重力加速度(已知打点频率为50Hz)。
(1)实验时下面步骤的先后顺序是______;(填字母)
A.释放纸带 B.打开打点计时器
(2)已知纸带上记录的点为打点计时器打的点,所测得的重力加速度大小为______;(结果保留三位有效数字)
(3)若当地的重力加速度数值为9.8,请列出测量值与当地重力加速度的值有差异的一个原因是______。
10.在用打点计时器探究小车速度随时间变化的规律的实验中,甲图是某次记录小车运动情况的纸带,图中为相邻的计数点,相邻计数点间还有四个点未画出,相邻计数点间时间间隔为0.10 s。
(1)根据有关公式可求得________m/s,。
(2)利用求得的数值在乙图中作出小车的图线(以打A点时开始计时)
(3)由甲图求出小车运动的加速度________。(结果保留三位有效数字)
11.某同学在做研究匀变速直线运动实验时,获取了一条纸带的一部分,0、1、2、3、4、5、6、7是计数点,每相邻两计数点间还有4个点(图中未标出),打点计时器所接交流电源频率为50Hz,计数点间的距离如图所示。由于粗心,该同学忘了测量3、4两个计数点之间的距离。求:
(1)其中6号计数点的瞬时速度的大小______。保留三位有效数字
(2)利用逐差法处理数据,计算出滑块的加速______保留三位有效数字。
(3)计数点3、4之间的距离是______保留三位有效数字)
12.在利用如图甲所示的装置探究匀变速直线运动规律的实验中,我们选用电火花计时器记录物体的运动过程.某组同学在该实验中得到的一条清晰纸带如图乙所示,纸带上两相邻计数点间还有四个点没有画出,电火花计时器打点的时间间隔为0.02s.
(1)下列说法正确的是____________.
A.实验时应先接通电源再释放小车 B.实验时应先释放小车再接通电源
C.电火花计时器应接220V的交流电源 D.电火花计时器应接的直流电源
(2)计算出打下D点时小车的速度大小为_____________,小车的加速度大小__________.(结果保留两位有效数字)
(3)如果电火花计时器打点的时间间隔比0.02s短,那么加速度的测量值与实际值相比_________________.(选填“偏大”、“偏小”或“不变”)
三、计算题(共42分)
13.(14分)某公交线路各相邻站点间的距离都为,公交车在各站点间运行可简化为如下直线运动模型:先从某站点由静止开始匀加速启动,当速度达到时再做匀速运动,至下一站点前开始匀减速制动,到达站点时刚好停住,公交车加速启动和减速制动的加速度大小都为,且在每个站点停车时间均为,然后以同样的方式运行至下一站点.某一次公交车刚抵达一个站点时,一辆电动车已经过该站点一段时间,该电动车速度大小恒为,且行进路线和方向与公交车完全相同,不考虑其它交通状况的影响.求:
(1)公交车从一站点出发至刚到达下一站点所用的时间t;
(2)若将下一站点计为第1站,公交车在刚到达第n站时,电动车也恰好同时到达此站,则n为多少?
14.(16分)为提高通行效率,许多高速公路出入口安装了电子不停车收费系统.甲、乙两辆汽车分别通过通道和人工收费通道驶离高速公路,如图所示.假设减速带与收费岛口的距离为,收费岛总长度为,两辆汽车同时以相同的速度经过减速带后,一起以相同的加速度做匀减速运动.甲车减速至后,匀速行驶到中心线即可完成缴费,自动栏杆打开放行;乙车刚好到收费岛中心线收费窗口停下,经过的时间缴费成功,人工栏杆打开放行.随后两辆汽车匀加速到速度后沿直线匀速行驶,设加速和减速过程中的加速度大小相等,整个过程中车身长度可不计.求
1. 此次人工收费通道和通道打开栏杆放行的时间差;
2.两辆汽车驶离收费站后相距的最远距离.
15.(12分)在“车让人”交通安全活动中,交智部门要求汽车在斑马线前礼让行人。以8m/s匀速行驶的汽车,车头离斑马线35m时,司机看到有行人正以1m/s的速度匀速通过斑马线, 如图所示。已知该车启动或刹车的最大加速度为,驾驶员的反应时间为0.2s,车宽2m, 车长5m。求:
(1)如果司机采用加速的方法,能否安全通过斑马线?
(2)如果司机采用刹车,让行人先通过,加速度不小于多少就能保证行人安全。
参考答案
1.答案:D
解析:设B车从静止开始加速到v=360km/h所用时间为t,B车加速度为a,由题意得,而v=at,所以两者之间的距离,由此可知,B车的加速度a越大,s越小,A项错误;从襄阳站到潜江站中间间隔三个站,所以该乘客节约了三个站的减速、停车、提速时间,B项错误;若B车匀加速的时间t'=1min,则,C项错误;若B车匀减速的加速度大小,减速运动时间,则当B车停下时A车已经距随州站路程为,D项正确。
2.答案:C
解析:
3.答案:D
解析:
4.答案:A
解析:根据得落地总时间①
下落所用时间②
联立① ②得.A正确,B错误;物体落地时的速度,C、D错误。
5.答案:C
解析:设加速结束时的速度为v,则,解得,则整个过程中的平均速度为,则火车从A地到B地所用时间,故选C。
6.答案:A
解析:
7.答案:(1)BA
(2)9.75
(3)重物受到空气阻力(其他合理即可)
解析:(1)实验时要先接通电源打开打点计时器,然后释放纸带,即正确的顺序是BA;
(2)测得的重力加速度大小为
(3)若当地的重力加速度数值为9.8,则测量值与当地重力加速度的值有差异的原因可能是重物下落时受到空气阻力。
8.答案:(1)2.64
(2)
(3)12.6
解析:(1)相邻计数点之间的时间间隔。打C时的瞬时速度等于过程的平均速度。
(2)(3)在如图所示的坐标系中作出图,图线的斜率即加速度。
9.答案:(1)0.413(2)0.496(3)2.88(2.87~2.89)
解析:
10.答案:(1)AC
(2)0.71;2.0
(3)偏小
解析:
11.答案: (1)70s; (2)12
解析: (1)公共汽车启动时加速所用的时间为
= ,得 =10s
启动加速时行驶的路程为
=,得 =50m
上面所求时间和路程同时也是制动减速所用的时间和路程,所以汽车每次匀速行驶所经过的路程为
,得=500m
匀速行驶所花时间为
= ,得=50s
所以公共汽车在每两站之间运动所经历的时间为
(2)电动车到达第站所用的总时间为
所以有
代入数据可求得
12.答案:1.两车的加速度大小为,甲车减速到所用时间为.
在此期间走过的路程为.甲车从匀速运动到栏杆打开所用时间为.甲车从减速到栏杆打开的总时间为.乙车减速行驶到收费岛中心线的时间为,从减速到栏杆打开的总时间为.此次人工收费通道和通道打开栏杆放行的时间差.
2.解法一:乙车从收费岛减速带到恢复正常行驶,所用时间为,乙车从收费岛减速带到恢复正常行驶,走过的路程为.甲车从收费岛减速带到乙车恢复正常行驶,所用时间.显然,即.甲车从收费岛减速带到乙车恢复正常行驶,走过的路程为.两车驶离收费站后相距的最远距离.
解法二:乙车从收费岛中心线开始出发,经加速到,与甲车达到共同速度,此时两车相距最远.这个过程乙车行驶的路程与之前乙车减速过程中行驶的路程相等.从收费岛中心线开始,甲车先从加速至,这个时间为,然后匀速行驶.故两车相距的最远距离为.
解析:本题也可以用图像法求解,作出甲、乙运动过程中的图线如图所示.由图可知人工收费通道和通道打开栏杆放行的时间差- .根据图像与横轴所围面积表示位移可知,两车驶离收费岛后相距的最远距离为图像中阴影部分的面积,即.
13.答案:(1)不能
(2)
解析:(1)由题意,考虑到车的宽度,行人通过来车方向斑马线需要用时①
考虑到车的宽度,行人在②
时刻后进入潜在危险区域。
如果司机匀速通过需要用时③
,司机无法安全通过;
如果司机以最大加速度运行,在时间内通过的位移④
,司机无法安全通过;
综上所述,如果加速,司机不能安全通过。
(2)由题意可知,汽车只要5.2s后到达斑马线,行人就已安全通过,⑤
把代入得⑥
所以刹车加速度不小于就能保证行人安全。
14.答案:CD
解析:根据图像中斜率表示加速度可知,0~4 s内加速度为,4~6 s内加速度为,加速度大小之比为1:4,故A错误;图像与横坐标围成的面积表示位移,前6 s内,,甲的位移比乙大,则6 s末乙还没有追上甲,故B错误;5 s末之前甲的速度大于乙的速度,二者的距离越来越远,5 s末之后甲的速度小于乙的速度,二者的距离开始缩小,故5 s末二者速度相等时相距最远,最远的距离为,故C正确;8 s内乙的位移为,甲的位移为,即8 s末甲、乙两小车相遇,且离出发点距离为32 m,故D正确.
15.答案:ACD
山西省长治市部分学校2023-2024学年高一上学期11月期中质量检测物理试题: 这是一份山西省长治市部分学校2023-2024学年高一上学期11月期中质量检测物理试题,共6页。
2021-2022学年山西省长治市第一中学校高二下学期期中考试物理试题(Word版): 这是一份2021-2022学年山西省长治市第一中学校高二下学期期中考试物理试题(Word版),共12页。试卷主要包含了单选题,多选题,实验题,计算题等内容,欢迎下载使用。
2021-2022学年山西省长治市第四中学校高一下学期期中考试物理试卷: 这是一份2021-2022学年山西省长治市第四中学校高一下学期期中考试物理试卷,共10页。试卷主要包含了单项选择题,多项选择题,实验题,解答题等内容,欢迎下载使用。

