安徽省宣城市六校2021-2022学年高二上学期期中联考化学试题含答案
展开宣城六校2021~2022学年度第一学期期中联考
高二化学试卷
2021.11
考生注意:
1.本试卷分第Ⅰ卷(选择题)和第Ⅱ卷(非选择题)两部分。满分100分,考试时间100分钟。
2.考生作答时,请将答案答在答题卡上。第Ⅰ卷每小题选出答案后,用2B铅笔把答题卡上对应题目的答案标号涂黑;第Ⅱ卷请用直径0.5毫米黑色墨水签字笔在答题卡上各题的答题区域内作答,超出答题区域书写的答案无效,在试题卷、草稿纸上作答无效。
3.本卷命题范围:选择性必修1至第二章第二节。
可能用到的相对原子质量:H 1 Be 9 C 12 N 14 O 16 Na 23 P 31
第Ⅰ卷(选择题共42分)
一、选择题:本题共14小题,每小题3分,共42分。在每小题所给的四个选项中,只有一项是最符合题目要求的。
1.下列化学反应的的是( )
A.晶体与晶体混合
B.氯化铵分解得氨气
C.实验室制备氢气
D.碳酸钙分解得氧化钙
2.热化学方程式中,物质的化学计量数代表的意义是( )
A.体积 B.物质的量 C.浓度 D.个数
3.在25℃和101 kPa下,根据下图所示的(g)和(g)反应生成HCl(g)过程中能量变化情况,判断下列说法错误的是( )
A.1mol和1mol的反应热
B.2mol气态氢原子结合生成时,能放出431kJ能量
C.断裂1mol HCl分子中的化学键,需要吸收431kJ能量
D.如图所示,该反应中反应物所具有的总能量高于生成物所具有的总能量
4.固态或气态碘分别与氢气反应的热化学方程式如下:
①
②
下列判断错误的是( )
A.①中的为气态,②中的为固态
B.②中反应物总能量比①中反应物总能量低
C.1mol固态碘升华时将吸热35.96kJ
D.产物的热稳定性:反应①>反应②
5.在密闭容器中A与B反应生成C,其反应速率分别用、、表示。已知、、之间有以下关系、。则此反应可表示为( )
A. B.
C. D.
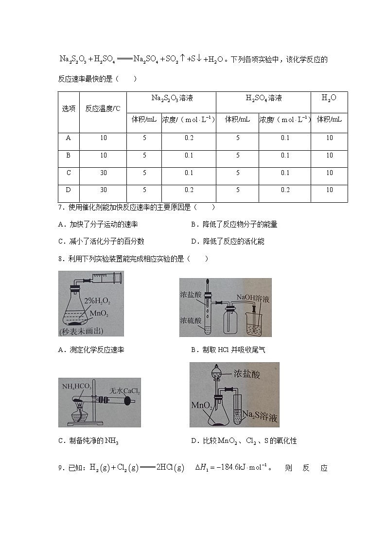
6.硫代硫酸钠溶液与稀硫酸反应的化学方程式为。下列各项实验中,该化学反应的反应速率最快的是( )
选项 | 反应温度/℃ | 溶液 | 溶液 | |||
体积/mL | 浓度/() | 体积/mL | 浓度/() | 体积/mL | ||
A | 10 | 5 | 0.2 | 5 | 0.1 | 10 |
B | 10 | 5 | 0.1 | 5 | 0.1 | 10 |
C | 30 | 5 | 0.1 | 5 | 0.1 | 10 |
D | 30 | 5 | 0.2 | 5 | 0.2 | 10 |
7.使用催化剂能加快反应速率的主要原因是( )
A.加快了分子运动的速率 B.降低了反应物分子的能量
C.减小了活化分子的百分数 D.降低了反应的活化能
8.利用下列实验装置能完成相应实验的是( )
A.测定化学反应速率 B.制取HCl并吸收尾气
C.制备纯净的 D.比较、、S的氧化性
9.已知: 。则反应
的为( )
A. B.
C. D.
10.反应分两步进行:第一步反应,第二步反应能,反应过程中能量变化如图所示,表示反应的活化能。下列叙述正确的是( )
A.表示反应的活化能
B.X是反应的催化剂
C.反应的
D.加入催化剂可改变反应的焓变
11.航天燃料从液态变为固态,是一项技术突破。铍是高效率的火箭材料,燃烧时放出巨大的能量,每千克固态铍完全燃烧放出的热量为62700kJ,则铍燃烧的热化学方程式正确的是( )
A.
B.
C.
D.
12.金属插入的键形成高氧化态过渡金属化合物的反应频繁出现在光分解作用、金属有机化学等领域,如图所示是与Zr形成过渡金属化合物的过程。下列说法错误的是( )
A.整个反应快慢,由状态2反应决定
B.
C.在中间产物中状态最稳定
D.的活化能为
13.研究反应的速率影响因素,在不同条件下进行4组实验,Y,Z的起始浓度均为0,反应物X的浓度()随反应时间(min)的变化情况如图所示。下列说法错误的是( )
A.比较实验②④得出:升高温度,化学反应速率加快
B.比较实验①④得出:升高温度,化学反应速率加快
C.实验③有可能使用了催化剂,催化剂加快正反应速率,对逆反应速率无影响
D.在0~10min内,实验②的平均反应速率
14.分别在、、时,向三个500mL的恒容密闭容器中均充入1 mol和2.5 mol ,发生反应: 。实验测得反应t min时的体积分数如图所示。下列说法正确的是( )
A.t min时,Ⅱ和Ⅲ一定达到平衡
B.时,三容器均达平衡状态
C.平衡后容器Ⅰ中混合气体平均相对分子质量最小
D.已知t min时,Ⅲ中,此时反应平衡常数
第Ⅱ卷(非选择题共58分)
二、非选择题:本题共6小题,共58分。
15.(8分)化学发展的过程就是人类研究和利用化学反应的过程。回答下列问题:
(1)某一过程是放热还是吸热,取决于焓变(终态和始态的焓值差)。相同条件下1mol氢分子与2mol氢原子相比,焓更高的是____________。
(2)实验室进行铁与硫反应的实验时,将硫研细再与铁粉混匀进行反应,这样做的目的是__________________。
(3)已知:稀溶液中 ,稀硫酸与稀KOH溶液反应生成1mol水时放热等于57.3kJ,请解释:______________________________________________________
16.(8分)为了研究化学反应的能量变化情况,某同学设计了如图所示装置。当向盛有A的试管中滴加试剂B时,看到U形管中甲处液面下降乙处液面上升。回答下列问题:
(1)该反应为____________(填“放热”或“吸热”)反应。
(2)反应物A和B的总能量比生成物C和D的总能量____________(填“高”或低”)
(3)该反应过程中,物质中的____________能通过化学反应转化成____________能释放出来。
(4)该反应过程中,反应物化学键断裂吸收的能量____________(填“高”或“低”)于生成物化学键形成放出的能量。
(5)下列反应符合题中实验现象的是____________(填标号)。
A. B.
C. D.
17.(12分)某同学用50 mL盐酸与50 mLNaOH溶液,在如图所示的装置中进行,测定强酸与强碱中和反应的反应热。回答下列问题:
(1)图中有处必要的仪器或用品未画出,它是____________。
(2)向小烧杯中倒入NaOH溶液的正确操作是______(填标号)。
a.沿玻璃棒缓慢倒入
b.分三次少量倒入
c.一次迅速倒入
(3)装置中加隔热层的目的是______________________________。
(4)该同学实验记录的数据如表所示:
实验次数 | 起始温度/℃ | 终止温度/℃ | 温度差/℃ | ||
HCl | NaOH | 平均值 | |||
1 | 25.5 | 25.0 | 25.25 | 28.63 | 3.38 |
2 | 24.5 | 24.2 | 24.35 | 27.74 | 3.39 |
3 | 25 | 24.2 | 24.75 | 28.15 | 3.40 |
表中记录的终止温度是指______________________________,根据上表数据计算中和反应的反应热____________(近似认为实验所用盐酸和NaOH溶液的密度都是,中和后溶液的比热容C为)。
(5)若用1.1 g NaOH固体代替的NaOH溶液进行上述实验,放出的热量____________(填“偏大”“偏小”或“不变”)。
18.(7分)白磷、红磷是磷的两种同素异形体,在空气中燃烧得到磷的氧化物,空气不足时生成,空气充足时生成。回答下列问题:
(1)已知298K时,白磷、红磷完全燃烧的热化学方程式如下:
则该温度下,白磷转化为红磷的热化学方程式为_________________________________________。
(2)已知298K时白磷不完全燃烧的热化学方程式为 。在某密闭容器中加入62g白磷和50.4L氧气(标准状况),控制条件使之恰好完全反应。则所得到的与的物质的量之比为____________,反应过程中放出的热量为____________kJ(保留2位小数)。
19.(12分)有人利用碳还原法将氮氧化物(以NO为例)转化为无毒无害的气体。回答下列问题:
(1)碳还原法发生反应的化学方程式为。能使化学反应速率加快的措施有______(填序号,下同),其中属于增大活化分子百分含量的是______。
①增加C的物质的量 ②定容密闭容器中继续充入NO
③在反应器中加入NaOH溶液 ④升高反应温度
⑤缩小容器体积
(2)向某密闭容器中加入一定量的活性炭和NO,在时,不同时间测得各物质的浓度如下表所示:
时间/min 浓度/ ( ) 物质 | 0 | 10 | 20 | 30 |
NO | 1.00 | 0.68 | 0.50 | 0.50 |
0 | 0.16 | 0.25 | 0.25 | |
0 | 0.16 | 0.25 | 0.25 |
①10~20min内,的平均反应速率____________。
②在30min时向容器中加入合适催化剂,____________,____________。(填“增大”“减小”或“不变”)
20.(11分)我国天然气储量丰富,天然气是重要的化工原料,先与氧气转化为合成气再进一步可催化转化为甲醇和二甲醚。回答下列问题:
(1)甲烷转化为合成气的反应中能量变化如图1所示,某些化学键的键能数据如表1:
化学键 | ||||
键能/() | 498.8 | 413 | 436 | 1072 |
表1
该反应的热化学方程式为____________________________________。
(2)和合成二甲醚的反应为,时,向恒容密闭容器中充入1mol CO和2 mol ,发生该反应,达到平衡时,测得容器内总压强为p,CO的体积分数为25%,则时,反应的平衡常数______(用含p的代数式表示,分压=总压物质的量分数)。
(3)和合成甲醇的反应为 。若在容积可变的密闭容器中充入m mol CO和n mol ,()发生反应并达到平衡,CO的平衡转化率随温度(T)、压强(p)的变化曲线如图2所示。
①能判断该反应达到化学平衡状态的是____________(填标号)。
a.密度不再变化
b.的转化率和CO的转化率相等
c.混合气体的平均相对分子质量不再改变
②比较______(填“>”“<”或“=”),理由__________________________________________。
宣城六校2021~2022学年度第一学期期中联考·高二化学
参考答案、提示及评分细则
1.C
2.B 反应物和生成物的化学计量数代表物质的量。
3.A 4.D 5.B 6.D
7.D 催化剂是通过降低反应的活化能来影响化学反应速率的,D项正确。
8.A
9.B 由题目可知,。
10.C 11.A
12.D 反应速率取决于反应活化能的大小,活化能越大的那步反应的反应速率越小,整个反应的反应速率由其决定,由图可知,状态2反应的活化能最大,反应速率最慢,所以整个反应快慢由状态2反应决定,A项正确;由图可知,的,B项正确;由图可知,状态时具有的内能最低,所以状态最稳定,C项正确;由图可知,的活化能为,D项错误。
13.C 实验②④起始浓度相同,但温度不同,④建立平衡需要的时间短,反应速率更快,则可得出:升高温度,化学反应速率加快,A项正确;实验①④相比,④的反应物的浓度低,但温度高,建立平衡需要的时间短,反应速率更快,说明升高温度,化学反应速率加快,B项正确;实验③和②的反应物的浓度、反应温度均相同,达到的平衡状态也相同,故反应③可能使用了催化剂,而催化剂能同等程度地加快正、逆反应速率,C项错误;在0~10 min内,实验②中X的浓度变化为,则 ,D项正确。
14.D
15.(1)2 mol氢原子(2分)
(2)增大反应物的表面积,加快反应速率(3分)
(3)稀硫酸与稀KOH溶液的反应本质是与反应生成水,反应热相同(或其他合理表述)(3分)
16.(1)放热(1分)
(2)高(1分)
(3)化学(1分)热(1分)
(4)低(1分)
(5)ABCD(3分)
17.(1)玻璃搅拌器(1分)
(2)c(2分)
(3)减少实验过程中的热量损失(2分)
(4)温度计显示的最高温度(2分)(3分)
(5)偏大(2分)
18.(1) (3分)
(2)3:1 1323.45(各2分)
19.(1)②④⑤(3分)④(2分)
(2)①(3分)
②增大 增大(各2分)
20.(1) (3分)
(2)(2分)
(3)①ac(2分)
②<(2分)该反应是气体分子数减小的反应,压强增大,平衡正向移动,CO转化率增大,所以(2分)
安徽省合肥六校联考2023-2024学年高三上学期期中联考化学试题: 这是一份安徽省合肥六校联考2023-2024学年高三上学期期中联考化学试题,共16页。试卷主要包含了下列物质的分类正确的是,在水中水解生成和,下列“类比”结果正确的是等内容,欢迎下载使用。
2022-2023学年安徽省宣城市三校高二上学期8月期初联考化学试题含答案: 这是一份2022-2023学年安徽省宣城市三校高二上学期8月期初联考化学试题含答案,共10页。试卷主要包含了本试卷分选择题和非选择题两部分,本卷命题范围,可能用到的相对原子质量等内容,欢迎下载使用。
2021-2022学年浙江省两校高二上学期期中联考化学试题含答案: 这是一份2021-2022学年浙江省两校高二上学期期中联考化学试题含答案,共13页。试卷主要包含了全卷分试卷和答卷,下列有关说法中正确的是等内容,欢迎下载使用。

