高考生物一轮复习现代生物科技专题1基因工程探究案含解析新人教版必修3学案
展开基因工程
考点一 基因工程的概念及操作工具
任务驱动 探究突破
任务1 对基因工程概念的理解
基因工程的别名
基因拼接技术或________技术
操作环境
________
操作对象
基因
操作水平
________水平
原理
________
基本过程
剪切→______→______→表达
结果
人类需要的______或生物类型
供体
提供________
受体
表达目的基因
本质
目的基因在________体内的表达
优点
可________生物的遗传性状
任务2 对DNA重组技术中基本工具的理解
(1)限制性核酸内切酶(简称:________)
(2)DNA连接酶
常用类型
E·coliDNA连接酶
T4DNA连接酶
来源
________
T4噬菌体
功能
连接黏性末端
连接黏性末端和平末端
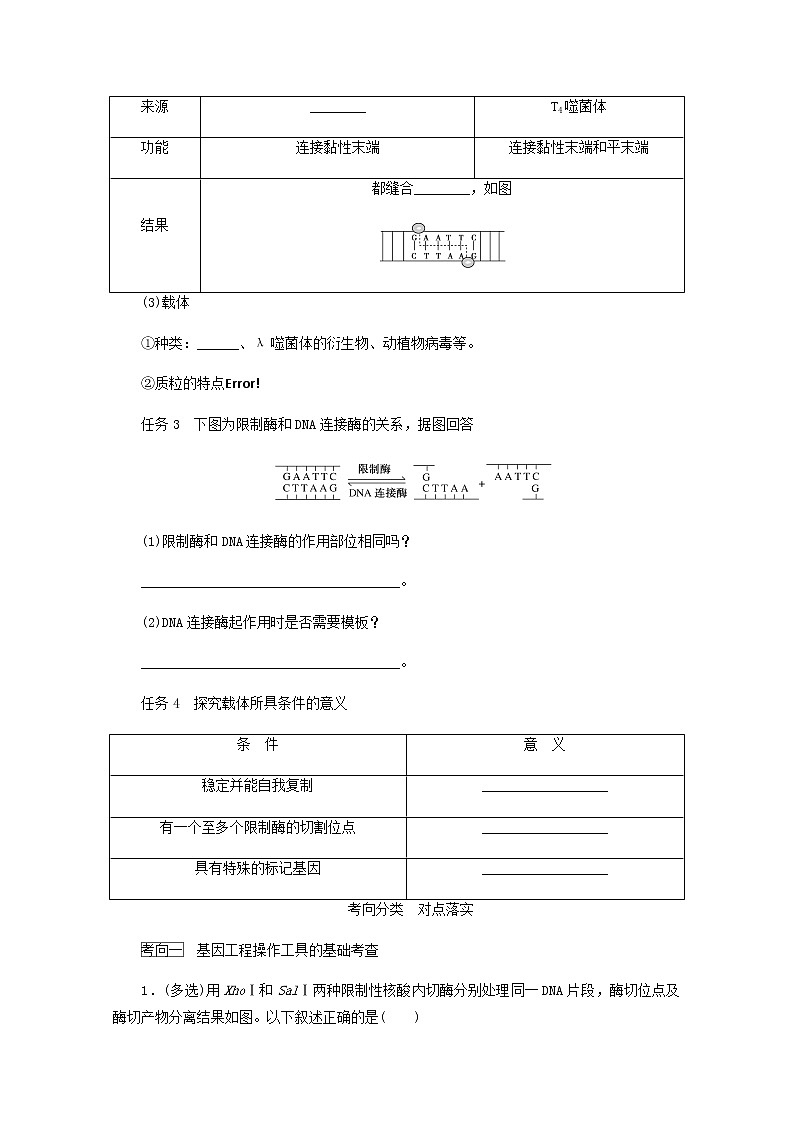
结果
都缝合________,如图
(3)载体
①种类:______、λ噬菌体的衍生物、动植物病毒等。
②质粒的特点
任务3 下图为限制酶和DNA连接酶的关系,据图回答
(1)限制酶和DNA连接酶的作用部位相同吗?
_____________________________________。
(2)DNA连接酶起作用时是否需要模板?
_____________________________________。
任务4 探究载体所具条件的意义
条 件
意 义
稳定并能自我复制
__________________
有一个至多个限制酶的切割位点
__________________
具有特殊的标记基因
__________________
考向分类 对点落实
基因工程操作工具的基础考查
1.(多选)用XhoⅠ和SalⅠ两种限制性核酸内切酶分别处理同一DNA片段,酶切位点及酶切产物分离结果如图。以下叙述正确的是( )
A.图1中两种酶识别的核苷酸序列不同
B.图2中酶切产物可用于构建重组DNA
C.泳道①中是用SalⅠ处理得到的酶切产物
D.图中被酶切的DNA片段是单链DNA
2.[经典模拟]如图为DNA分子在不同酶的作用下所发生的变化,图中依次表示限制酶、DNA聚合酶、DNA连接酶、解旋酶作用的正确顺序是( )
A.①②③④ B.①②④③
C.①④②③ D.①④③②
3.[2021·江苏省东台中学高三检测]“工欲善其事,必先利其器”。限制酶、DNA连接酶的发现为DNA切割、连接功能基因的获得以及表达载体的构建创造了条件,下列关于限制酶和DNA连接酶的叙述,正确的是( )
A.两者都是从原核生物中分离纯化出来的
B.两者的催化都会导致磷酸二酯键数目的改变
C.限制酶都能在特定位点切割产生黏性末端
D.T4DNA连接酶只能连接双链DNA片段互补的黏性末端
4.[经典模拟]已知一双链DNA分子,用限制酶Ⅰ切割得到长度为120 kb(kb:千碱基对)片段;用限制酶Ⅱ切割得到40 kb和80 kb两个片段;同时用限制酶Ⅰ和限制酶Ⅱ切割时,得到10 kb、80 kb和30 kb 3个片段。据此分析该双链DNA分子结构及酶切位点情况为( )
5.(多选)下列关于载体的叙述中,正确的是( )
A.载体与目的基因结合后,实质上就是一个重组DNA分子
B.对某种限制酶而言,载体最好只有一个切点,但还要有其他多种酶的切点
C.目前常用的载体有质粒、λ噬菌体的衍生物和动植物病毒
D.载体具有某些标记基因,便于对其进行切割
6.(多选)近年诞生的 CRISPR/Cas9基因编辑技术可进行基因定点编辑。 CRISPR/Cas9系统主要包括Cas9(核酸内切酶)和向导RNA,其原理是由向导RNA引导Cas9到一个特定的基因位点进行切割(上述过程见下图)。下列相关叙述不正确的是( )
A.CRISPR/Cas9的组成物质是在核糖体上合成的
B.向导RNA的合成需要逆转录酶的参与
C.基因的定点编辑过程只涉及碱基A—U,G—C的互补配对
D.切割后形成的每个DNA片段均含有两个游离的磷酸基团
基因工程操作工具的综合考查
7.[2021·山东烟台模拟]干扰素是动物和人体细胞受到病毒感染后产生的一种糖蛋白,具有抗病毒、抑制细胞增殖及抗肿瘤作用。利用基因工程技术培育能生产干扰素的植物细胞,其流程如图所示。请回答下列问题:
限制酶
识别序列和切割位点
EcoRⅠ
↓
GATTC
BamHⅠ
↓
GATCC
SmaⅠ
↓
CCCGGG
ApaⅠ
↓
GGGCCC
(1)首先获取的动物干扰素基因称为________。利用PCR技术扩增干扰素基因时,设计引物序列的主要依据是______________________________________________________。
(2)过程①中剪切质粒和目的基因时所需要的工具酶是________和________。酶切后,目的基因形成的两个黏性末端序列________。
(3)过程②中将重组质粒导入根瘤农杆菌时,常用______处理根瘤农杆菌,其目的是________________________________________________________________________
____________________。
(4)在培育愈伤组织的固体培养基中,除了无机盐、有机营养物质、琼脂、植物激素外,还需添加卡那霉素。卡那霉素的作用是________________________________。在分子水平上通常采用________________技术检测干扰素基因是否导入受体细胞。
8.[2016·全国卷Ⅲ,40]图(a)中的三个DNA片段上依次表示出了EcoRⅠ、BamHⅠ和Sau3AⅠ三种限制性内切酶的识别序列与切割位点,图(b)为某种表达载体的示意图(载体上的EcoRⅠ、Sau3AⅠ的切点是唯一的)。
图(b)
根据基因工程的有关知识,回答下列问题:
(1)经BamHⅠ酶切后得到的目的基因可以与上述表达载体被________酶切后的产物连接,理由是________________________________________________。
(2)若某人利用图(b)所示的表达载体获得了甲、乙、丙三种含有目的基因的重组子,如图(c)所示,这三种重组子中,不能在宿主细胞中表达目的基因产物的有________,不能表达的原因是________________________________________________________________________
________________________________________________________________________。
(3)DNA连接酶是将两个DNA片段连接起来的酶,常见的有__________和____________,其中既能连接黏性末端又能连接平末端的是____________________。
9.[全国卷Ⅱ,40]植物甲具有极强的耐旱性,其耐旱性与某个基因有关。若从该植物中获得该耐旱基因,并将其转移到耐旱性低的植物乙中,有可能提高后者的耐旱性。
回答下列问题:
(1)理论上,基因组文库含有生物的__________基因;而cDNA文库中含有生物的__________基因。
(2)若要从植物甲中获得耐旱基因,可首先建立该植物的基因组文库,再从中__________出所需的耐旱基因。
(3)将耐旱基因导入农杆菌,并通过农杆菌转化法将其导入植物__________的体细胞中,经过一系列的过程得到再生植株。要确认该耐旱基因是否在再生植株中正确表达,应检测此再生植株中该基因的__________,如果检测结果呈阳性,再在田间试验中检测植株的__________是否得到提高。
(4)假如用得到的二倍体转基因耐旱植株自交,子代中耐旱与不耐旱植株的数量比为3:1时,则可推测该耐旱基因整合到了____________________(填“同源染色体的一条上”或“同源染色体的两条上”)。
10.[经典高考]根据基因工程的有关知识,回答下列问题。
(1)限制性核酸内切酶切割DNA分子后产生的片段,其末端类型有__________和__________。
(2)质粒运载体用EcoRⅠ切割后产生的片段如下:
AATTC……G
G……CTTAA
为使运载体与目的基因相连,含有目的基因的DNA除可用EcoRⅠ切割外,还可用另一种限制性核酸内切酶切割,该酶必须具有的特点是___________________。
(3)按其来源不同,基因工程中所使用的DNA连接酶有两类,即__________DNA连接酶和__________DNA连接酶。
(4)反转录作用的模板是__________,产物是________。若要在体外获得大量反转录产物,常采用__________技术。
(5)基因工程中除质粒外,__________和__________也可作为运载体。
(6)若用重组质粒转化大肠杆菌,一般情况下,不能直接用未处理的大肠杆菌作为受体细胞,原因是__________________________________________。
[题后归纳]
1.限制酶、DNA连接酶、DNA聚合酶等相关酶的比较
名称
作用部位
作用底物
作用结果
限制酶
磷酸二酯键
DNA
将DNA切成两个片段
DNA连
接酶
磷酸二酯键
DNA
片段
将两个DNA片段连接为一个DNA分子
DNA聚
合酶
磷酸二酯键
脱氧核
苷酸
DNA
DNA水
解酶
磷酸二酯键
DNA
将DNA片段水解为单个脱氧核苷酸
解旋酶
碱基对之
间的氢键
DNA
将双链DNA分子局部分解为两条长链
RNA聚
合酶
磷酸二酯键
核糖核
苷酸
将单个核糖核苷酸依次连接到单链末端
2.选择限制酶的注意事项
(1)根据目的基因两端的限制酶切点来确定限制酶的种类
①应选择切点位于目的基因两端的限制酶,如图甲可选择PstⅠ。
②不能选择切点位于目的基因内部的限制酶,如图甲不能选择SmaⅠ。
③为避免目的基因和质粒的自身环化和随意连接,也可使用不同的限制酶切割目的基因和质粒,如图甲也可选择用Pst Ⅰ和EcoR Ⅰ两种限制酶(但要确保质粒上也有这两种酶的切点)。
(2)根据质粒的特点来确定限制酶的种类
①所选限制酶要与切割目的基因的限制酶相一致,以确保具有相同的黏性末端。
②质粒作为载体必须具备标记基因等,所以所选择的限制酶尽量不要破坏这些结构,如图乙中限制酶Sma Ⅰ会破坏标记基因。如果所选酶的切点不只一个,则切割重组后可能会丢失某些片段,若丢失的片段含复制原点,则切割重组后的片段进入受体细胞后将不能自主复制。
考点二 基因工程的基本操作程序及应用
任务驱动 探究突破
任务1 结合抗虫棉的培育过程图填空
(1)从图中可以看出,目的基因是__________,使用的载体是________,将目的基因表达载体导入受体细胞的方法是__________。
(2)请写出两种检测目的基因是否表达的方法:__________________________。
任务2 观察基因工程的操作过程,分析每一步骤的操作程序
任务3 目的基因的检测和鉴定
任务4 完善基因工程的应用
技术名称
应用
植物基因工程
培育抗虫转基因植物、抗病转基因植物和______转基因植物,利用转基因改良植物的品质
动物基因工程
提高动物生长速度,改善畜产品的品质,用转基因动物生产______,用转基因动物作______的供体
基因治疗
把______导入病人体内,使其表达产物发挥作用,从而治疗疾病,分为体内基因治疗和体外基因治疗
任务5 探究基因治疗与基因诊断的不同点
原理
操作过程
进展
基因治疗
________
利用________导入有基因缺陷的细胞中,以表达出正常性状来治疗
临床实验
基因诊断
________
制作特定________与病人样品DNA混合,分析杂交带情况
临床应用
任务6 研析深化教材,析因推理归纳,提升学科素养
(1)用箭头及简要的文字简述基因组文库和部分基因文库的构建过程。
(2)为什么不同生物的基因可以拼接起来?
(3)为什么一种生物的基因可以在另一种生物的细胞内表达?
考向分类 对点落实
对基因工程操作程序的考查
1.[2021·山东省高三检测]为使玉米获得抗除草剂性状, 需进行如图所示的操作。报告基因的产物能催化无色物质K呈现蓝色。转化过程中,愈伤组织表面常残留农杆菌,导致未转化的愈伤组织也可能在选择培养基上生长。下列叙述不正确的是( )
A.筛选1需要用含有氨苄青霉素的培养基筛选出成功导入表达载体的农杆菌
B.筛选2需要用无色物质K处理愈伤组织并筛选出呈现蓝色的组织
C.为使除草剂抗性基因G在农杆菌中高效表达,需要把目的基因片段插入到表达载体的复制原点和启动子之间
D.为从个体水平上检测图中玉米植株A是否具有抗除草剂性状,可采用的方法是用相应除草剂喷洒待测玉米植株
2.[经典模拟]如图表示用化学方法合成目的基因Ⅰ的过程。据图分析,下列叙述正确的是( )
A.过程①需要DNA连接酶
B.过程②需要限制性核酸内切酶
C.目的基因Ⅰ的碱基序列是已知的
D.若某质粒能与目的基因Ⅰ重组,则该质粒和目的基因Ⅰ的碱基序列相同
3.(多选)甲基对硫磷是常见的农药污染物。科研人员尝试改造并分离得到能够降解甲基对硫磷的微生物。下列操作中必需的是( )
A.构建含有甲基对硫磷分解酶基因的表达载体
B.将甲基对硫磷分解酶基因表达载体导入受体菌
C.用甲基对硫磷为唯一碳源的培养基选择所需工程菌
D.提取工程菌的质粒并检测甲基对硫磷基因的含量
对基因工程的综合考查
4.[2021·山师附中高三一模]
(1)为扩大可耕地面积,增加粮食产量,黄河三角洲等盐碱地的开发利用备受关注。我国科学家应用耐盐基因培育出了耐盐水稻新品系。
①获得耐盐基因后,构建重组 DNA 分子所用的限制性核酸内切酶可作用于上图中的________(填“a”或“b”)处,DNA 连接酶作用于________(填“a”或“b”)处。
②将重组 DNA 分子导入水稻受体细胞的常用方法有农杆菌转化法、________法和花粉管通道法。
③为了确定耐盐转基因水稻是否培育成功,既要用放射性同位素标记的________作探针进行分子杂交检测, 又要用一定浓度盐水浇灌的方法从个体水平鉴定水稻植株的耐盐性。
(2)下表中列出了几种限制酶识别序列及其切割位点,图1、图2中箭头表示相关限制酶的酶切位点。请回答下列问题:
④一个图 1 所示的质粒分子经SmaⅠ切割后,含有________个游离的磷酸基团。
⑤若对图中质粒进行改造,插入的SmaⅠ酶切位点越多,质粒的热稳定性越________。
⑥重组质粒中抗生素抗性基因的作用是__________________________。
⑦与只使用EcoRⅠ相比较,使用BamHⅠ和HindⅢ两种限制酶同时处理质粒、外源 DNA 的优点在于______________________________________。
5.[2016·全国卷Ⅰ,40]某一质粒载体如图所示,外源DNA插入到Ampr或Tetr中会导致相应的基因失活(Ampr表示氨苄青霉素抗性基因,Tetr表示四环素抗性基因)。有人将此质粒载体用BamHⅠ酶切后,与用BamHⅠ酶切获得的目的基因混合,加入DNA连接酶进行连接反应,用得到的混合物直接转化大肠杆菌,结果大肠杆菌有的未被转化,有的被转化。被转化的大肠杆菌有三种,分别是含有环状目的基因、含有质粒载体、含有插入了目的基因的重组质粒的大肠杆菌。回答下列问题:
(1)质粒载体作为基因工程的工具,应具备的基本条件有____________________________________________(答出两点即可),而作为基因表达载体,除满足上述基本条件外,还需具有启动子和终止子。
(2)如果用含有氨苄青霉素的培养基进行筛选,在上述四种大肠杆菌细胞中,未被转化的和仅含环状目的基因的细胞是不能区分的,其原因是________________________;并且__________和_____________________________________的细胞也是不能区分的,其原因是______________________________。在上述筛选的基础上,若要筛选含有插入了目的基因的重组质粒的大肠杆菌单菌落,还需使用含有__________的固体培养基。
(3)基因工程中,某些噬菌体经改造后可以作为载体,其DNA复制所需的原料来自__________。
6.[2021·福建三明市高三考试]将乙肝病毒表面抗原基因导入草莓细胞中,由此可获得用来预防乙肝的一种新型疫苗,为预防乙肝开辟了一条新途径。请回答下列问题:
(1)获得乙肝病毒表面抗原基因后,常利用________技术进行扩增。把基因转入农杆菌内时常用________处理农杆菌,使之成为感受态细胞。
(2)使用农杆菌将乙肝病毒表面抗原基因导入草莓细胞中,农杆菌中的Ti质粒上的T-DNA可将乙肝病毒表面抗原基因转移至草莓细胞中的____________上。目的基因进入草莓细胞内并在草莓细胞内维持稳定和表达,这个过程称为________。
(3)在基因工程的操作过程中,需要用____________酶和______________酶构建基因表达载体,基因表达载体要有________________,以便筛选出含有目的基因的受体细胞。
(4)在分子水平上,可采用________________的方法来检测转基因草莓果实提取液中有无相应的抗原。
基因工程的应用
7.[全国卷Ⅰ]HIV属于逆转录病毒,是艾滋病的病原体。回答下列问题:
(1)用基因工程方法制备HIV的某蛋白(目的蛋白)时,可先提取HIV中的__________,以其作为模板,在__________的作用下合成__________,获取该目的蛋白的基因,构建重组表达载体,随后导入受体细胞。
(2)从受体细胞中分离纯化出目的蛋白,该蛋白作为抗原注入机体后,刺激机体产生的可与此蛋白结合的相应分泌蛋白是__________,该分泌蛋白可用于检测受试者血清中的HIV,检测的原理是________________________________________。
(3)已知某种菌导致的肺炎在健康人群中罕见,但是在艾滋病患者中却多发。引起这种现象的根本原因是HIV主要感染和破坏了患者的部分__________细胞,降低了患者免疫系统的防卫功能。
(4)人的免疫系统有__________癌细胞的功能。艾滋病患者由于免疫功能缺陷,易发生恶性肿瘤。
8.[2016·天津卷,7]人血清白蛋白(HSA)具有重要的医用价值,只能从人血浆中制备。下图是以基因工程技术获取重组HSA(rHSA)的两条途径:
(1)为获取HSA基因,首先需采集人的血液,提取__________合成总cDNA,然后以cDNA为模板,使用PCR技术扩增HSA基因。下图中箭头表示一条引物结合模板的位置及扩增方向,请用箭头在方框内标出另一条引物的位置及扩增方向。
(2)启动子通常具有物种及组织特异性,构建在水稻胚乳细胞内特异表达rHSA的载体,需要选择的启动子是__________(填写字母,单选)。
A.人血细胞启动子 B.水稻胚乳细胞启动子
C.大肠杆菌启动子 D.农杆菌启动子
(3)利用农杆菌转化水稻受体细胞的过程中,需添加酚类物质,其目的是
________________________________________________________________________
________________________________________________________________________。
(4)人体合成的初始HSA多肽,需要经过生物膜系统加工形成正确的空间结构才能有活性。与途径Ⅱ相比,选择途径Ⅰ获取rHSA的优势是_________________________。
(5)为证明rHSA具有医用价值,须确认rHSA与________的生物学功能一致。
考点三 蛋白质工程、转基因技术的安全性及生物武器
任务驱动 探究突破
任务1 完善蛋白质工程概念的相关填空
蛋白质工程
具体内容
别称
第二代基因工程
目标
生产______________的一种新的蛋白质
原理
由于基因决定蛋白质,因此要对蛋白质结构进行改造,必须从________入手
基础
蛋白质分子的结构规律及其与生物功能的关系
手段
____________,对现有蛋白质进行改造,或制造一种新的蛋白质
关键技术
________
基础
蛋白质分子的结构规律及其与生物功能的关系
结果
改造了现有蛋白质或制造出________
任务2 完善蛋白质工程的操作过程
从预期的________出发→设计预期的________→推测应有的________→找到相对应的________(基因)→基因表达→产生所需要的蛋白质。
任务3 完善转基因技术安全性的相关内容
(1)安全性问题
①______安全:滞后效应、______、营养成分改变等。
②生物安全:对________________的影响等。
③环境安全:对________________的影响等。
(2)理性看待转基因技术
①需要正确的社会舆论导向:________,不能因噎废食。
②制定________________,最大程度保证转基因技术和产品的安全性。
任务4 完善生物武器的相关内容
(1)生物武器的种类(连线)
(2)生物武器的特点
①致病力强、________;②污染面广、危害时间长;③难以防治;④具有一定的________;⑤受________影响大。
任务5 蛋白质工程与基因工程的区别和联系
项目
蛋白质工程
基因工程
区
别
过
程
预期蛋白质的______→设计预期的蛋白质______→推测应有的氨基酸______→推测相对应的脱氧核苷酸______→合成DNA→表达出蛋白质
________的获取→________的构建→将目的基因导入________→目的基因的________
实
质
定向改造或生产人类所需要的蛋白质
定向改造生物的遗传特性,以获得人类所需的生物类型或生物产品
结
果
生产自然界中没有的蛋白质
生产自然界中已有的蛋白质
联
系
蛋白质工程是在基因工程的基础上延伸出来的第二代基因工程,因为对现有蛋白质的改造或制造新的蛋白质,都必须通过________________来实现
任务6 填写蛋白质工程流程图中各字母所代表的含义
A.________,B.________,C.________,D.________,E.________。
考向分类 对点落实
对蛋白质工程的考查
1.[2021·宁夏石嘴山三中高三月考]目前科学家们通过蛋白质工程制造出了蓝色荧光蛋白、黄色荧光蛋白等。采用蛋白质工程技术制造出蓝色荧光蛋白过程的正确顺序是( )
①推测蓝色荧光蛋白的氨基酸序列和基因的核苷酸序列
②蓝色荧光蛋白的功能分析和结构设计序列 ③蓝色荧光蛋白基因的合成 ④表达出蓝色荧光蛋白
A.①②③④ B.②①③④
C.②③①④ D.④②①③
2.(多选)下图表示蛋白质工程的操作过程,相关说法正确的是( )
A.蛋白质工程中对蛋白质分子结构的了解是非常关键的工作
B.蛋白质工程是完全摆脱基因工程技术的一项全新的生物工程技术
C.a、b过程分别是转录、翻译
D.蛋白质工程中可能构建出一种全新的基因
3.[2021·广西调研]科学家利用PCR定点突变技术可改造Rubisco酶基因,从而提髙了光合作用过程中Rubisco酶对CO2的亲和力,进而显著提高了植物的光合作用速率。请回答下列问题:
(1)PCR过程所依据的原理是__________,该过程需要加入的酶是__________。利用PCR技术扩增目的基因的前提是要有一段已知目的基因的核苷酸序列,以便根据这一序列合成____________。
(2)该技术不直接改造Rubisco酶,而是通过对Rubisco酶基因进行改造,从而实现对Rubisco酶的改造,其原因是____________________________________。和传统基因工程技术相比较,定点突变技术最突出的优点是
________________________________________________________________________,
PCR定点突变技术属于________的范畴。
(3)可利用定点突变的DNA来构建基因表达载体,常用____________将基因表达载体导入植物细胞,将该细胞经植物组织培养后培育成幼苗,从细胞水平分析所依据的原理是____________________________。
4.[全国卷Ⅱ]已知生物体内有一种蛋白质(P),该蛋白质是一种转运蛋白,由305个氨基酸组成。如果将P分子中158位的丝氨酸变成亮氨酸,240位的谷氨酰胺变成苯丙氨酸,改变后的蛋白质(P1)不但保留P的功能,而且具有酶的催化活性。回答下列问题:
(1)从上述资料可知,若要改变蛋白质的功能,可以考虑对蛋白质的________________进行改造。
(2)以P基因序列为基础,获得P1基因的途径有修饰__________基因或合成__________基因。所获得的基因表达时是遵循中心法则的,中心法则的全部内容包括____________________的复制;以及遗传信息在不同分子之间的流动,即:__________________________________________。
(3)蛋白质工程也被称为第二代基因工程,其基本途径是从预期蛋白质功能出发,通过__________________和__________________进而确定相对应的脱氧核苷酸序列,据此获得基因,再经表达、纯化获得蛋白质,之后还需要对蛋白质的生物____________进行鉴定。
对转基因技术安全性的考查
5.[重庆卷]生物技术安全性和伦理问题是社会关注的热点。下列叙述,错误的是( )
A.应严格选择转基因植物的目的基因,避免产生对人类有害的物质
B.当今社会的普遍观点是禁止克隆人的实验,但不反对治疗性克隆
C.反对设计试管婴儿的原因之一是有人滥用此技术选择性设计婴儿
D.生物武器是用微生物、毒素、干扰素及重组致病菌等来形成杀伤力
[题后归纳]
1.转基因生物存在安全性问题的原因
(1)目前对基因的结构、调控机制及基因间的相互作用了解有限。
(2)目的基因往往是异种生物的基因。
(3)外源基因插入宿主细胞基因组的部位往往是随机的。
2.转基因生物的优缺点
优点
缺点
①解决粮食短缺问题;
②大大减少农药的使用量,减少环境污染;
③增加食物营养,提高附加值;
④增加食物种类,提升食物品质;
⑤提高生产效率,带动相关产业发展
①可能出现新的过敏原或重组形成新病毒;
②可能产生抗除草剂的杂草;
③可能使疾病的传播跨越物种障碍;
④可能会损害生物多样性;
⑤可能会对人类生活环境造成二次污染
6.(多选)下列关于转基因生物安全性的叙述中,正确的是( )
A.我国已经对转基因食品和转基因农产品强制实施了产品标识制度
B.国际上大多数国家都在转基因食品标签上警示性注明可能的危害
C.开展风险评估、预警跟踪和风险管理是保障转基因生物安全的前提
D.目前对转基因生物安全性的争论主要集中在食用安全性和环境安全性上
7.病毒疫苗的研制是现代生物技术应用最广泛的领域,现在研发的第二、三代病毒疫苗都基于DNA重组技术而建立。请分析并回答下列问题:
(1)第二代疫苗是以编码病毒抗原蛋白的RNA为模板,经__________酶的作用而获得目的基因,再利用____________________这些工具酶来构建重组质粒。形成的重组质粒与经过____________________处理的大肠杆菌细胞混合可转化大肠杆菌,再扩增大肠杆菌以获得大量的抗原蛋白。
(2)在构建好的重组质粒中,引导目的基因表达的序列是__________,它是__________的识别和结合位点。
(3)第三代疫苗即“DNA疫苗”,是将编码某种抗原蛋白的DNA注射到动物体内,该DNA可在生物体内________出相应的抗原蛋白。
(4)目前对于基因工程产品安全性的争论越来越激烈,转基因生物的安全性主要体现在__________、__________、__________三个方面。
考点四 DNA的粗提取与鉴定及PCR技术
任务驱动 探究突破
任务1 完善实验原理
(1)DNA与蛋白质在不同浓度的NaCl溶液中溶解度不同
溶解规律
2 mol/L
NaCl溶液
0.14 mol/L
NaCl溶液
DNA
______
______
蛋白质
NaCl溶液物质的量浓度从2 mol/L逐渐降低的过程中,溶解度逐渐______
部分发生盐析沉淀
______
(2)DNA不溶于________,但是细胞中的某些蛋白质则溶于酒精,利用这一原理可将DNA与蛋白质进一步分离。
(3)DNA与二苯胺在沸水浴加热,呈______色。
任务2 DNA的粗提取与鉴定实验中的“2、4、4”
加蒸馏
水2次
①加到鸡血细胞液中,使血细胞吸水涨破;②加到含DNA的2 mol/L的NaCl溶液中,使NaCl溶液的物质的量浓度稀释到0.14 mol/L,使DNA析出
用纱布
过滤4次
①过滤血细胞破裂液,得到含细胞核物质的滤液;②过滤用2 mol/L的NaCl充分溶解的DNA,滤去溶液中的杂质;③滤取0.14 mol/L的NaCl溶液中析出的DNA(黏稠物);④过滤溶有DNA的2 mol/L的NaCl溶液
用NaCl
溶液4次
①加2 mol/L的NaCl溶液,溶解提取的细胞核物质;②用0.14 mol/L的NaCl溶液使DNA析出;③用2 mol/L的NaCl溶液,溶解滤取的DNA黏稠物;④用2 mol/L的NaCl溶液,溶解丝状物用于鉴定DNA
任务3 完善PCR相关操作流程
材料的选取:选用______含量相对较高的生物组织
↓
破碎细胞:(以鸡血为例)
鸡血细胞→加 →用玻璃棒,搅拌→用纱布过滤→收集滤液
↓
去除杂质:利用DNA在____________________中溶解度不同,通过控制NaCl溶液的浓度去除杂质
↓
DNA的析出:将处理后的溶液过滤,加入与滤液体积相等的、冷却的体积分数为95%的______溶液
↓
DNA的鉴定:在溶有DNA的溶液中加入二苯胺试剂,混合均匀后将试管置于沸水中加热5 min,溶液变成______色
任务4 通过PCR技术(多聚酶链式反应)扩增DNA片段
(1)______:在一定的缓冲溶液中提供______,分别与两条模板链相结合的两种______,四种脱氧核苷酸,热稳定______,同时控制温度使DNA复制在体外反复进行。
(2)PCR的反应过程
①______:当温度上升到______以上时,双链DNA解旋为单链,如下图:
②______:系统温度下降至______左右时,两种______通过碱基互补配对与两条单链DNA结合,如下图:
③______:当系统温度上升至72 ℃左右,溶液中的四种脱氧核苷酸(A、T、G、C)在________的作用下,根据碱基互补配对原则合成新的DNA链,如下图:
(3)结果
①PCR一般要经历______多次循环,每次循环可以分为______、复性和______三步。
②两引物间固定长度的DNA序列呈______扩增(即______)。
考向分类 对点落实
对DNA粗提取过程的考查
1.(多选)[江苏卷]图1、2分别为“DNA的粗提取与鉴定”实验中部分操作步骤示意图,下列叙述正确的是( )
A.图1、2中加入蒸馏水稀释的目的相同
B.图1中完成过滤之后保留滤液
C.图2中完成过滤之后弃去滤液
D.在图1鸡血细胞液中加入少许嫩肉粉有助于去除杂质
2.[江苏卷]下列关于“DNA的粗提取与鉴定”实验叙述,错误的是( )
A.酵母和菜花均可作为提取DNA的材料
B.DNA既溶于2 mol/L NaCl溶液也溶于蒸馏水
C.向鸡血细胞液中加蒸馏水搅拌,可见玻棒上有白色絮状物
D.DNA溶液加入二苯胺试剂沸水浴加热,冷却后变蓝
3.(多选)下列关于DNA粗提取与鉴定实验的叙述,不正确的是( )
选项
试剂
操作
作用
A
柠檬酸钠溶液
与鸡血混合
防止血液凝固
B
蒸馏水
与鸡血细胞混合
保持细胞形状
C
蒸馏水
加入到溶解有DNA的NaCl溶液中
析出蛋白质
D
冷却的酒精
加入到过滤后含DNA的NaCl溶液中
产生特定的颜色反应
4.对DNA进行鉴定时,做如下操作:
试管
序号
A
B
1
加2 mol/L的NaCl溶液5 mL
加2 mol/L的NaCl溶液5 mL
2
不加
加入提取的DNA丝状物并搅拌
3
加4 mL二苯胺,混匀
加4 mL二苯胺,混匀
4
沸水浴5分钟
沸水浴5分钟
实验现象
实验结论
(1)根据下图,完成表格空白处的实验内容。
(2)对于B试管,完成1、2、3的操作后溶液颜色如何变化?
________________________________________________________________________。
(3)在沸水浴中加热的目的是__________________________________________,
同时说明DNA对高温有较强的________。
(4)A试管在实验中的作用是________。
(5)B试管中溶液颜色的变化程度主要与________________________________有关。
对PCR技术的考查
5.[2021·四省八校高三开学考试]用PCR技术将DNA分子中的A1片段进行扩增,实验中设计了引物Ⅰ、Ⅱ,其连接部位如图所示,X为某限制酶的识别序列。扩增后得到的绝大部分DNA片段是下图中的( )
6.[2021·江苏东台中学高三检测]某新型病毒是一种RNA病毒,医务工作者利用PCR技术进行病毒检测时,所使用的方法中合理的是( )
A.用细菌培养基直接培养被测试者体内获取的病毒样本
B.分析该病毒的RNA序列是设计PCR引物的前提条件
C.PCR扩增过程需使用RNA聚合酶和耐高温的DNA聚合酶
D.在恒温条件下进行PCR扩增以避免温度变化导致酶失活
7.(多选)SRY基因为Y染色体上的性别决定基因,可用SRY-PCR法鉴定胚胎性别,其基本程序如图。相关说法不正确的是( )
A.PCR扩增的操作步骤依次是:高温变性、中温复性、低温延伸
B.上述过程需要使用的工具酶之一是RNA聚合酶
C.PCR技术中以核糖核苷酸为原料,以指数方式扩增
D.SRY探针能与雄性胚胎样品中DNA配对
8.[2016·北京卷,31]嫁接是我国古代劳动人民早已使用的一项农业生产技术,目前也用于植物体内物质转运的基础研究。研究者将具有正常叶形的番茄(X)作为接穗,嫁接到叶形呈鼠耳形的番茄(M)砧木上,结果见图1。
(1)上述嫁接体能够成活,是因为嫁接部位的细胞在恢复分裂、形成__________组织后,经__________形成上下连通的输导组织。
(2)研究者对X和M植株的相关基因进行了分析,结果见图2。由图可知,M植株的P基因发生了类似于染色体结构变异中的__________变异,部分P基因片段与L基因发生融合,形成P-L基因(P-L)。以P-L为模板可转录出__________,在__________上翻译出蛋白质,M植株鼠耳叶形的出现可能与此有关。
(3)嫁接体正常叶形的接穗上长出了鼠耳形的新叶。为探明原因,研究者进行了相关检测,结果见下表。
实验材料
检测对象
M植株的叶
X植株的叶
接穗新生叶
P—L mRNA
有
无
有
P—L DNA
有
无
无
①检测P-L mRNA需要先提取总RNA,再以mRNA为模板__________出cDNA,然后用PCR技术扩增目的片段。
②检测P-L DNA需要提取基因组DNA,然后用PCR技术对图2中__________(选填序号)位点之间的片段扩增。
A.Ⅰ~Ⅱ B.Ⅱ~Ⅲ
C.Ⅱ~Ⅳ D.Ⅲ~Ⅳ
(4)综合上述实验,可以推测嫁接体中P-L基因的mRNA____________________________________。
[网络建构提升]
,[长句应答必备]
1.限制酶具有特异性,即一种限制酶只能识别特定的核苷酸序列,并在特定的位点上切割DNA分子。
2.DNA连接酶的作用部位是磷酸二酯键。
3.质粒是常用的载体,它是一种小型的双链环状DNA分子,具有一个至多个限制酶切割位点及标记基因。
4.目的基因的获取有从基因文库中获取和人工合成两类方法。
5.基因表达载体包括目的基因、启动子、终止子和标记基因等。
6.目的基因导入植物细胞常用农杆菌转化法;导入动物细胞常用显微注射法,导入微生物细胞常用感受态细胞法。
[等级选考研考向]
1.[2020·江苏卷]如果已知一小段DNA的序列,可采用PCR的方法,简捷地分析出已知序列两侧的序列,具体流程如图(以EcoRⅠ酶切为例):
请据图回答问题:
(1)步骤Ⅰ用的EcoRⅠ是一种____________________酶,它通过识别特定的________切割特定位点。
(2)步骤Ⅱ用的DNA连接酶催化相邻核苷酸之间的3′-羟基与5′-磷酸间形成________;PCR循环中,升温到95℃是为了获得________;Taq DNA聚合酶的作用是催化________________________________________。
(3)若如表所列为已知的DNA序列和设计的一些PCR引物,步骤Ⅲ选用的PCR引物必须是________(从引物①②③④中选择,填编号)。
DNA序列(虚线处省略了部分核苷酸序列)
已知
序列
PCR
引物
①5′-AACTATGCGCTCATGA-3′
②5′-GCAATGCGTAGCCTCT-3′
③5′-AGAGGCTACGCATTGC-3′
④5′-TCATGAGCGCATAGTT-3′
(4)对PCR产物测序, 经分析得到了片段F的完整序列。下列DNA单链序列中(虚线处省略了部分核苷酸序列),结果正确的是________。
A.5′-AACTATGCG----------AGCCCTT-3′
B.5′-AATTCCATG-----------CTGAATT-3′
C.5′-GCAATGCGT-----------TCGGGAA-3′
D.5′-TTGATACGC-----------CGAGTAC-3′
2.[2020·山东卷]水稻胚乳中含直链淀粉和支链淀粉,直链淀粉所占比例越小糯性越强。科研人员将能表达出基因编辑系统的DNA序列转入水稻,实现了对直链淀粉合成酶基因(Wx基因)启动子序列的定点编辑,从而获得了3个突变品系。
(1)将能表达出基因编辑系统的DNA序列插入Ti质粒构建重组载体时,所需的酶是________________________________,重组载体进入水稻细胞并在细胞内维持稳定和表达的过程称为________。
(2)根据启动子的作用推测,Wx基因启动子序列的改变影响了________________________________________,从而改变了Wx基因的转录水平。与野生型水稻相比,3个突变品系中Wx基因控制合成的直链淀粉合成酶的氨基酸序列________(填“发生”或“不发生”)改变,原因是________________________________________________________。
(3)为检测启动子变化对Wx基因表达的影响,科研人员需要检测Wx基因转录产生的mRNA(Wx mRNA)的量。检测时分别提取各品系胚乳中的总RNA,经________过程获得总cDNA。通过PCR技术可在总cDNA中专一性地扩增出Wx基因的cDNA,原因是
________________________________________________________________________
________________________________________________________________________。
(4)各品系Wx mRNA量的检测结果如图所示,据图推测糯性最强的品系为________,原因是__________________________________________。
3.[2019·海南卷]人的T细胞可以产生某种具有临床价值的蛋白质(Y),该蛋白质由一条多肽链组成。目前可以利用现代生物技术生产Y。回答下列问题。
(1)若要获得Y的基因,可从人的T细胞中提取______作为模板,在____________催化下合成cDNA,再利用______________技术在体外扩增获得大量Y的基因。
(2)将目的基因导入植物细胞常用的方法是农杆菌转化法。若将上述所得Y的基因插入农杆菌Ti质粒上的______________中,得到含目的基因的重组Ti质粒,则可用农杆菌转化法将该基因导入某种植物的叶肉细胞中。若该叶肉细胞经培养、筛选等得到了能稳定表达Y的愈伤组织,则说明Y的基因已经
________________________________________________________________________
________________________________________________________________________。
(3)天然的Y通常需要在低温条件下保存。假设将Y的第6位氨基酸甲改变为氨基酸乙可提高其热稳定性,若要根据蛋白质工程的原理对Y进行改造以提高其热稳定性,具体思路是________________________________________________________________________
________________________________________________________________________
________________________________________________________________________。
4.[2019·天津卷]B基因存在于水稻基因组中,其仅在体细胞(2n)和精子中正常表达,但在卵细胞中不转录。为研究B基因表达对卵细胞的影响,设计了如下实验。
据图回答:
(1)B基因在水稻卵细胞中不转录,推测其可能的原因是卵细胞中________(单选)。
A.含B基因的染色体缺失
B.DNA聚合酶失活
C.B基因发生基因突变
D.B基因的启动子无法启动转录
(2)从水稻体细胞或________中提取总RNA,构建____________文库,进而获得B基因编码蛋白的序列。将该序列与Luc基因(表达的荧光素酶能催化荧光素产生荧光)连接成融合基因(表达的蛋白质能保留两种蛋白质各自的功能),然后构建重组表达载体。
(3)在过程①、②转化筛选时,过程________中TDNA整合到受体细胞染色体DNA上,过程______________在培养基中应加入卡那霉素。
(4)获得转基因植株过程中,以下鉴定筛选方式正确的是________(多选)。
A.将随机断裂的B基因片段制备成探针进行DNA分子杂交
B.以Luc基因为模板设计探针进行DNA分子杂交
C.以B基因编码蛋白的序列为模板设计探针与从卵细胞提取的mRNA杂交
D.检测加入荧光素的卵细胞中是否发出荧光
(5)从转基因植株未成熟种子中分离出胚,观察到细胞内仅含一个染色体组,判定该胚是由未受精的卵细胞发育形成的,而一般情况下水稻卵细胞在未受精时不进行发育,由此表明_____________________________。
5.[2019·江苏卷]图1是某基因工程中构建重组质粒的过程示意图,载体质粒P0具有四环素抗性基因(tetr)和氨苄青霉素抗性基因(ampr)。请回答下列问题:
(1)EcoR V酶切位点为,EcoR V酶切出来的线性载体P1为________末端。
(2)用Taq DNA聚合酶进行PCR扩增获得的目的基因片段,其两端各自带有一个腺嘌呤脱氧核苷酸。载体P1用酶处理,在两端各添加了一个碱基为________的脱氧核苷酸,形成P2;P2和目的基因片段在________酶作用下,形成重组质粒P3。
(3)为筛选出含有重组质粒P3的菌落,采用含有不同抗生素的平板进行筛选,得到A、B、C三类菌落,其生长情况如下表(“+”代表生长,“-”代表不生长)。根据表中结果判断,应选择的菌落是________(填表中字母)类,另外两类菌落质粒导入情况分别是______________________、________________________。
菌落类型
平板类型
A
B
C
无抗生素
+
+
+
氨苄青霉素
+
+
-
四环素
+
-
-
氨苄青霉素+四环素
+
-
-
(4)为鉴定筛选出的菌落中是否含有正确插入目的基因的重组质粒,拟设计引物进行PCR鉴定。图2所示为甲、乙、丙3条引物在正确重组质粒中的相应位置,PCR鉴定时应选择的一对引物是________。某学生尝试用图中另外一对引物从某一菌落的质粒中扩增出了400 bp片段,原因是__________________________________________。
[国考真题研规律]
1.[2019·全国卷Ⅰ]基因工程中可以通过PCR技术扩增目的基因。回答下列问题。
(1)基因工程中所用的目的基因可以人工合成,也可以从基因文库中获得。基因文库包括____________和____________。
(2)生物体细胞内的DNA复制开始时,解开DNA双链的酶是____________。在体外利用PCR技术扩增目的基因时,使反应体系中的模板DNA解链为单链的条件是____________。上述两个解链过程的共同点是破坏了DNA双链分子中的____________。
(3)目前在PCR反应中使用Taq酶而不使用大肠杆菌DNA聚合酶的主要原因是________________________________________________________________________
________________________________________________________________________。
2.[2018·全国卷Ⅰ,38][生物——选修3:现代生物科技专题]
回答下列问题:
(1)博耶(H.Boyer)和科恩(S.Cohen)将非洲爪蟾核糖体蛋白基因与质粒重组后导入大肠杆菌细胞中进行了表达。该研究除证明了质粒可以作为载体外,还证明了
________________________________________________________________________
________________________________________________________________________(答出两点即可)。
(2)体外重组的质粒可通过Ca2+参与的________方法导入大肠杆菌细胞;而体外重组的噬菌体DNA通常需与_____________组装成完整噬菌体后,才能通过侵染的方法将重组的噬菌体DNA导入宿主细胞。在细菌、心肌细胞、叶肉细胞中,可作为重组噬菌体宿主细胞的是______________。
(3)真核生物基因(目的基因)在大肠杆菌细胞内表达时,表达出的蛋白质可能会被降解。为防止蛋白质被降解,在实验中应选用______________的大肠杆菌作为受体细胞,在蛋白质纯化的过程中应添加________的抑制剂。
3.[2017·全国卷Ⅰ,38]真核生物基因中通常有内含子,而原核生物基因中没有,原核生物没有真核生物所具有的切除内含子对应的RNA序列的机制。已知在人体中基因A(有内含子)可以表达出某种特定蛋白(简称蛋白A)。回答下列问题:
(1)某同学从人的基因组文库中获得了基因A,以大肠杆菌作为受体细胞却未得到蛋白A,其原因是________________________________________________________________________
________________________________________________________________________。
(2)若用家蚕作为表达基因A的受体,在噬菌体和昆虫病毒两种载体中,不选用__________________作为载体,其原因是__________________________。
(3)若要高效地获得蛋白A,可选用大肠杆菌作为受体。因为与家蚕相比,大肠杆菌具有__________________(答出两点即可)等优点。
(4)若要检测基因A是否翻译出蛋白A,可用的检测物质是____________(填“蛋白A的基因”或“蛋白A的抗体”)。
(5)艾弗里等人的肺炎双球菌转化实验为证明DNA是遗传物质做出了重要贡献,也可以说是基因工程的先导,如果说他们的工作为基因工程理论的建立提供了启示,那么,这一启示是________________________。
4.[2018·全国卷Ⅱ]某种荧光蛋白(GFP)在紫外光或蓝光激发下会发出绿色荧光,这一特性可用于检测细胞中目的基因的表达。某科研团队将某种病毒的外壳蛋白(L1)基因连接在GFP基因的5′末端,获得了L1-GFP融合基因(简称为甲),并将其插入质粒P0,构建了真核表达载体P1,其部分结构和酶切位点的示意图如下,图中E1~E4四种限制酶产生的黏性末端各不相同。
回答下列问题:
(1)据图推断,该团队在将甲插入质粒P0时,使用了两种限制酶,这两种酶是________。使用这两种酶进行酶切是为了保证________,也是为了保证________________________________________________________________________。
(2)将P1转入体外培养的牛皮肤细胞后,若在该细胞中观察到了绿色荧光,则说明L1基因在牛的皮肤细胞中完成了________和________过程。
(3)为了获得含有甲的牛,该团队需要做的工作包括:将能够产生绿色荧光细胞的________移入牛的________中、体外培养、胚胎移植等。
(4)为了检测甲是否存在于克隆牛的不同组织细胞中,某同学用PCR方法进行鉴定,在鉴定时应分别以该牛不同组织细胞中的________(填“mRNA”“总RNA”或“核DNA”)作为PCR模板。
5.[2017·全国卷Ⅱ,38]几丁质是许多真菌细胞壁的重要成分,几丁质酶可催化几丁质水解。通过基因工程将几丁质酶基因转入植物体内,可增强其抗真菌病的能力。回答下列问题:
(1)在进行基因工程操作时,若要从植物体中提取几丁质酶的mRNA,常选用嫩叶而不选用老叶作为实验材料,原因是________________________。提取RNA时,提取液中需添加RNA酶抑制剂,其目的是________________________________________。
(2)以mRNA为材料可以获得cDNA,其原理是_____________________________________________________。
(3)若要使目的基因在受体细胞中表达,需要通过质粒载体而不能直接将目的基因导入受体细胞,原因是__________________________________(答出两点即可)。
(4)当几丁质酶基因和质粒载体连接时,DNA连接酶催化形成的化学键是__________________。
(5)若获得的转基因植株(几丁质酶基因已经整合到植物的基因组中)抗真菌病的能力没有提高,根据中心法则分析,其可能的原因是________________________。
6.[2017·全国卷Ⅲ,38节选]编码蛋白甲的DNA序列(序列甲)由A、B、C、D、E五个片段组成,编码蛋白乙和丙的序列由序列甲的部分片段组成,如图所示。
回答下列问题:
(1)现要通过基因工程的方法获得蛋白乙,若在启动子的下游直接接上编码蛋白乙的DNA序列(TTCGCTTCT……CAGGAAGGA),则所构建的表达载体转入宿主细胞后不能翻译出蛋白乙,原因是
________________________________________________________________________
________________________________________________________________________。
(2)某同学在用PCR技术获取DNA片段B或D的过程中,在PCR反应体系中加入了DNA聚合酶、引物等,还加入了序列甲作为__________________,加入了________________作为合成DNA的原料。
选修3 现代生物科技专题
课堂互动探究案1
高效课堂 师生互动提考能
考点一
【任务驱动 探究突破】
任务1 DNA重组 生物体外 DNA分子 基因重组 拼接 导入 基因产物 目的基因 受体 定向改造
任务2 (1)限制酶 原核生物 磷酸二酯键 特定的核苷酸序列 黏性末端 平末端 (2)大肠杆菌 磷酸二酯键 (3)质粒 限制酶切割位点 标记基因
任务3 (1)相同 (2)不需要
任务4 目的基因稳定存在且数量可扩大 可携带多个或多种外源基因 便于重组DNA的鉴定和选择
【考向分类 对点落实】
1.解析:限制酶可识别特定的核苷酸序列,不同的限制酶能识别不同的核苷酸序列,由电泳图可知XhoⅠ和SalⅠ两种酶分别切割时,识别的序列不同,A正确;同种限制酶切割出的DNA片段,具有相同的黏性末端,再用DNA连接酶进行连接,可以构建重组DNA,B正确;Sal Ⅰ将DNA片段切成4段,Xho Ⅰ将DNA片段切成3段,根据电泳结果可知泳道①为Sal Ⅰ,泳道②为XhoⅠ,C正确;限制酶切割双链DNA,酶切后的DNA片段仍然是双链DNA为主,只在黏性末端出现部分单链,D错误。
答案:ABC
2.解析:限制酶能够识别双链DNA分子的某种特定的核苷酸序列,并且使每一条链中特定部位的两个核苷酸之间的磷酸二酯键断裂,形成黏性末端,因此该酶可作用于①;DNA聚合酶用于DNA分子的复制,能在单链上将一个个脱氧核苷酸连接起来,因此该酶可作用于④;DNA连接酶能在具有相同碱基末端的两个DNA片段之间形成磷酸二酯键,因此该酶可作用于②;解旋酶能够将DNA分子的双螺旋解开,故作用于③。故选C。
答案:C
3.解析:T4DNA连接酶是从T4噬菌体分离出来的,A错误;限制酶可以切割磷酸二酯键,DNA连接酶可以催化磷酸二酯键的形成,故两者的催化都会导致磷酸二酯键数目的改变,B正确;限制酶能够识别双链DNA分子的某种特定的核苷酸序列,并且使每一条链中特定部位的两个核苷酸之间的磷酸二酯键断裂,形成黏性末端或平末端,C错误;T4DNA连接酶既可以连接黏性末端,也可以连接平末端,但连接平末端时的效率比较低,D错误。
答案:B
4.解析:根据题意,该DNA用限制酶Ⅰ切割后长度不变,故为环状DNA,根据两酶的作用特点,可知酶切图谱为D。
答案:D
5.解析:载体必须具备的条件有:①对受体细胞无害,不影响受体细胞正常的生命活动;②具有自我复制能力,或能整合到受体细胞的染色体DNA上,随染色体DNA的复制而同步复制;③具有一个至多个限制酶切点,以便目的基因可以插入到载体中;④带有特殊的标记基因,如抗生素抗性基因,以便于对外源基因是否导入进行检测;⑤载体DNA分子大小适合,以便于提取和进行体外操作。
答案:ABC
6.解析:CRISPR/Cas9系统主要包括Cas9(核酸内切酶)和向导RNA,前者是在核糖体上合成,后者是通过转录形成的,其场所不在核糖体,A错误;向导RNA可通过转录形成,逆转录酶以RNA为模板合成DNA,B错误;向导RNA和目标DNA互补配对过程中,涉及的配对方式有A—U,G—C,T—A,C—G,C错误;由于DNA分子是双链结构,因此切割后形成的每个DNA分子的片段中均含有2个游离的磷酸基团,D正确。
答案:ABC
7.解析:(1)在基因工程中,获取的动物干扰素基因称为目的基因。利用PCR技术扩增干扰素基因时,需要依据干扰素基因两端的部分核苷酸序列设计引物序列。(2)题干显示:干扰素基因中存在SmaⅠ的识别位点,若使用SmaⅠ切割质粒和外源DNA,则会破坏干扰素基因,因此,过程①所示的过程不能使用SmaⅠ切割。BamHⅠ和EcoRⅠ的识别位点位于目的基因的两侧,质粒上也有BamHⅠ和EcoRⅠ的识别位点,因此过程①中剪切质粒和目的基因时所需要的工具酶是BamHⅠ和EcoRⅠ。因BamHⅠ和EcoRⅠ的识别位点不同,所以酶切后,目的基因形成的两个黏性末端序列也不相同。(3)过程②中将重组质粒导入根瘤农杆菌时,常用Ca2+处理根瘤农杆菌,使其成为感受态细胞,最终使干扰素基因插入马铃薯细胞的DNA上。(4)重组质粒中含有的抗卡那霉素基因属于标记基因,其作用是鉴别受体细胞是否含有目的基因,便于筛选。可见,在培育愈伤组织的固体培养基中添加卡那霉素的作用是筛选出导入重组质粒的植物细胞。在分子水平上检测干扰素基因是否导入受体细胞,通常采用DNA分子杂交技术。
答案:(1)目的基因 干扰素基因两端的部分核苷酸序列
(2)BamHⅠ EcoRⅠ 不相同
(3)Ca2+ 使其成为感受态细胞,最终使干扰素基因插入马铃薯细胞的DNA上
(4)筛选出导入重组质粒的植物细胞 DNA分子杂交
8.解析:(1)由于限制酶Sau3AⅠ与BamHⅠ切割后形成的黏性末端相同,所以经BamHⅠ酶切割得到的目的基因可以与上述表达载体被Sau3AⅠ酶切后的产物连接。(2)在基因表达载体中,启动子应位于目的基因的首端,终止子应位于目的基因的尾端,这样,目的基因才能表达。图中甲、丙均不符合,所以不能表达出目的基因的产物。(3)常见的DNA连接酶有E·coli DNA连接酶和T4DNA连接酶,其中既能连接黏性末端,又能连接平末端的是T4DNA连接酶。
答案:(1)Sau3AⅠ 两种酶切割后产生的片段具有相同的黏性末端
(2)甲、丙 甲中目的基因插入在启动子的上游,丙中目的基因插入在终止子的下游,二者的目的基因均不能被转录
(3)E·coli DNA连接酶 T4DNA连接酶 T4DNA连接酶
9.解析:(1)基因文库有两种:基因组文库和部分基因文库,基因组文库含有生物的全部基因;cDNA是以mRNA为模板逆转录得到的,而细胞中只有部分基因表达,所以cDNA文库含有生物的部分基因。(2)建立基因文库后,要根据目的基因的特性从中筛选出目的基因。(3)目的基因与载体构建成基因表达载体后,应导入乙植物细胞(受体细胞),并需要进行表达产物(蛋白质)和生物个体水平(耐旱性)等的检测。(4)若是整合到同源染色体的两条上,则此耐旱二倍体植株为纯合子,其自交后代不会发生性状分离,所以根据实验结果可推测:该耐旱基因整合到了一对同源染色体的一条上。
答案:(1)全部 部分(其他合理答案也可)
(2)筛选(其他合理答案也可)
(3)乙 表达产物(其他合理答案也可) 耐旱性
(4)同源染色体的一条上
10.解析:(1)DNA分子经限制酶切割产生的DNA片段末端通常有黏性末端和平末端两种类型。(2)为使运载体与目的基因相连,应使二者被切割后产生的黏性末端相同,故用另一种限制酶切割产生的黏性末端必须与EcoR Ⅰ切割产生的黏性末端相同。(3)根据酶的来源不同,DNA连接酶分为E·coli DNA连接酶和T4DNA连接酶。(4)以RNA为模板,合成DNA的过程称为反转录,若要体外获得大量DNA分子,可以使用PCR技术。(5)在基因工程中,通常利用质粒作为运载体,另外λ噬菌体衍生物和动植物病毒也可作为运载体。(6)大肠杆菌作为受体细胞时,常用Ca2+处理,使之成为能吸收周围环境中DNA分子的感受态细胞。
答案:(1)平末端 黏性末端
(2)切割产生的黏性末端与EcoRⅠ切割产生的黏性末端相同
(3)T4 E·coli
(4)mRNA(或RNA) cDNA(或DNA) PCR(聚合酶链式反应或多聚酶链式反应)
(5)动植物病毒 λ噬菌体衍生物
(6)未处理的大肠杆菌吸收质粒(外源DNA)的能力极弱
考点二
【任务驱动 探究突破】
任务1 (1)Bt毒蛋白基因 Ti质粒 农杆菌转化法 (2)抗原—抗体杂交法、用棉叶饲喂棉铃虫
任务2 (1)基因文库 PCR (2)启动子 标记基因 (3)农杆菌转化法 花粉管通道法 显微注射 (4)DNA分子杂交 分子杂交 抗原—抗体杂交 个体生物学水平
任务3 是否出现杂交带 是否出现杂交带 是否出现杂交带 是否抗虫;是否抗病
任务4 抗逆 药物 器官移植 正常基因
任务5 基因表达 正常基因 碱基互补配对 DNA探针
任务6 (1)提示:基因组文库的构建过程为:某种生物全部DNA许多DNA片段受体菌群体。
部分基因文库的构建过程为:某种生物发育的某个时期的mRNAcDNA受体菌群体。
(2)提示:基因拼接的理论基础:
①DNA是生物的主要遗传物质;
②DNA的基本组成单位都是四种脱氧核苷酸;
③双链DNA分子的空间结构都是规则的双螺旋结构。
(3)提示:外源基因在受体细胞内表达的理论基础:
①基因是控制生物性状的独立遗传单位;
②遗传信息的传递都遵循中心法则中遗传信息的流动方向;
③生物界共用一套遗传密码。
【考向分类 对点落实】
1.解析:分析图解可知,该基因工程的标记基因为氨苄青霉素抗性基因,因此筛选1需要用氨苄青霉素培养基筛选出成功导入表达载体的农杆菌,A正确;根据题意可知,报告基因的产物能催化无色物质K呈现蓝色,因此筛选2需要用无色物质K处理愈伤组织并筛选出呈现蓝色的组织,B正确;为使除草剂抗性基因G在农杆菌中高效表达,需要把目的基因片段插入到表达载体的启动子、终止子之间,C错误;为从个体水平上检测图中玉米植株A是否具有抗除草剂性状,可采用的方法是用相应除草剂喷洒待测玉米植株,D正确。
答案:C
2.解析:过程①仅仅是单链a和单链b之间形成氢键,不需要DNA连接酶,A错误;过程②与过程①的本质相同,故不需要DNA限制性核酸内切酶,B错误;图中显示的是人工合成基因的流程图,因此需要知道目的基因Ⅰ的碱基序列,C正确;形成重组DNA分子的过程中,质粒与目的基因Ⅰ的碱基序列是不可能相同的,D错误。
答案:C
3.解析:要改造能够降解甲基对硫磷的微生物,需要构建含有甲基对硫磷分解酶基因的表达载体,A正确;将甲基对硫磷分解酶基因表达载体导入受体菌,是基因表达载体的构建,是基因工程的核心步骤,B正确;甲基对硫磷是一种含碳农药,故用甲基对硫磷为唯一碳源的培养基选择所需工程菌,C正确;目的基因的检测和鉴定应重点监测目的基因的插入与否及插入后的表达结果,可采用DNA分子杂交技术等手段,而非提取工程菌的质粒并检测甲基对硫磷基因的含量,D错误。
答案:ABC
4.解析:(1)①获得耐盐基因后,构建重组DNA分子所用的限制酶、DNA连接酶都作用于图中的a处(磷酸二酯键)。②将重组DNA分子导入水稻受体细胞的常用方法有农杆菌转化法、基因枪法、花粉管通道法。③要确定耐盐转基因水稻是否培育成功,需要从分子水平和个体水平两方面进行鉴定,分子水平的检测就是要用放射性同位素标记的耐盐基因作探针进行分子杂交检测。(2)④切割前质粒为环状,不含游离的磷酸基团,切割后质粒成了一个链状的双链DNA分子,含两个游离的磷酸基团。⑤因为SmaⅠ识别序列中均为G—C碱基对,G、C之间含三个氢键,热稳定性高。⑥标记基因可以鉴别并筛选受体细胞是否含有目的基因。⑦若用同种限制酶切割质粒和外源DNA中的目的基因,因为两端的黏性末端相同,会出现自身环化的情况,而用两种限制酶切割,因为两端形成的黏性末端不同,不会出现自身环化现象,可以防止质粒和目的基因自身环化和反向连接。
答案: (1)a a 基因枪 耐盐基因 (2)2 高 鉴别并筛选含目的基因的受体细胞 防止质粒和目的基因自身环化和反向连接
5.解析:(1)作为运载体必须具备如下特点:①能自主复制,从而在受体细胞中稳定保存;②含标记基因,以供重组DNA的鉴定和选择;③具有1~多个限制酶切割位点以便外源DNA插入。(2)在含有氨苄青霉素的培养基上,只有具有Ampr的大肠杆菌才能够生长。而Ampr位于质粒上,故未被转化的和仅含环状目的基因的大肠杆菌细胞中无Ampr,故不能在培养基中生长,而仅含有质粒载体的和含有插入了目的基因的重组质粒的大肠杆菌均具有Ampr,因而能在培养基中生长。目的基因的插入破坏了质粒载体的Tetr,故含有插入了目的基因的重组质粒的大肠杆菌不能在含有四环素的平板上生长,从而与仅含有质粒载体的大肠杆菌得以区分。(3)噬菌体是病毒,无细胞结构,无法自主合成DNA,需借助宿主细胞(受体细胞)完成DNA的复制。
答案:(1)能自我复制、具有标记基因
(2)二者均不含有氨苄青霉素抗性基因,在该培养基上均不生长 含有质粒载体 含有插入了目的基因的重组质粒(或答含有重组质粒) 二者均含有氨苄青霉素抗性基因,在该培养基上均能生长 四环素
(3)受体细胞
6.解析:(1)扩增目的基因可利用PCR技术,利用该技术扩增目的基因需要提前合成引物。(2)农杆菌中的Ti质粒上的T–DNA可将乙肝病毒表面抗原基因转移至草莓细胞中的染色体DNA上,使目的基因在草莓细胞内维持稳定并表达,该过程称为转化。(3)构建基因表达载体时,需要用限制酶分别切割目的基因和载体,然后用DNA连接酶进行连接,基因表达载体要有标记基因,以便筛选出含有目的基因的受体细胞。(4)在分子水平上,可采用抗原—抗体杂交的方法来检测转基因草莓果实提取液中有无相应的抗原。
答案:(1)PCR CaCl2(Ca2+) (2)染色体DNA 转化 (3)限制 DNA连接 标记基因 (4)抗原—抗体杂交
7.解析:(1)HIV是RNA病毒,其核酸是单链RNA,而在基因工程中构建目的基因表达载体时,载体一般用的是质粒,为双链DNA,故先用逆转录酶催化HIV的RNA逆转录成为DNA分子,再进行基因工程操作。(2)抗原进入机体后可以产生特异性免疫反应,产生相应的抗体,抗体与抗原特异性结合。(3)HIV主要破坏人体的T细胞。(4)免疫系统除了具有防卫功能外,还有监控和清除功能:监控并清除体内已经衰老或因其他因素而被破坏的细胞,以及癌变的细胞。
答案:(1)RNA 逆转录酶 cDNA(或DNA)
(2)抗体 抗原抗体特异性结合
(3)T(或T淋巴) (4)监控和清除
8.解析:(1)总cDNA是由细胞内mRNA经逆转录获得。DNA两条链是反向平行的,另一条引物扩增方向应向左。(2)据题意可知,启动子具有物种特异性,它应与水稻胚乳细胞启动子一致,才能使目的基因转录,故选B。(3)在农杆菌转化时,加入某物质,其目的应为“促进”或“有利于”转化,推测酚类物质可吸引农杆菌侵染水稻受体细胞。(4)水稻是真核细胞,具有对分泌蛋白加工的内质网和高尔基体。Ⅱ途径受体为大肠杆菌,没有上述细胞器。(5)制备的rHSA应具有与HSA相同的生物学功能才具有医用价值。
答案:(1)总RNA(或mRNA)
(2)B
(3)吸引农杆菌移向水稻受体细胞,有利于目的基因成功转化
(4)水稻是真核生物,具有生物膜系统,能对初始rHSA多肽进行高效加工
(5)HSA
考点三
【任务驱动 探究突破】
任务1 符合人类生产和生活需要 基因 基因修饰或基因合成 基因工程 新的蛋白质
任务2 蛋白质功能 蛋白质结构 氨基酸序列 脱氧核苷酸序列
任务3 (1)食物 过敏原 生物多样性 生态系统稳定性 (2)趋利避害 政策和法规
任务4 (1)
(2)传染性大 潜伏期 自然条件
任务5 功能 结构 序列 序列 目的基因 基因表达载体 受体细胞 检测与鉴定 基因修饰或基因合成
任务6 预期功能 分子设计 氨基酸序列 转录 翻译
【考向分类 对点落实】
1.解析:蛋白质工程的基本途径是:从预期的蛋白质功能出发→设计预期的蛋白质结构→推测应有的氨基酸序列→找到相对应的脱氧核苷酸序列→相应基因的修饰改造或人工合成→相应的表达。因此,采用蛋白质工程技术制造出蓝色荧光蛋白过程的正确顺序是:②蓝色荧光蛋白的功能分析和结构设计→①推测蓝色荧光蛋白的氨基酸序列和基因的核苷酸序列→③蓝色荧光蛋白基因的合成→④表达出蓝色荧光蛋白。
答案:B
2.解析:蛋白质工程中了解蛋白质分子结构如蛋白质的空间结构、氨基酸的排列顺序等,对于合成或改造基因至关重要;蛋白质工程的进行离不开基因工程,对蛋白质的改造是通过对基因的改造来完成的;图中a、b过程分别是转录、翻译过程;蛋白质工程中可根据已经明确的蛋白质的结构构建出一种全新的基因。
答案:ACD
3.解析:(1)PCR技术是DNA扩增的技术,所以其原理是DNA双链的复制,但是该过程需要热稳定DNA聚合酶(或Taq酶)的催化。利用PCR技术扩增目的基因的前提是要有一段已知目的基因的核苷酸序列,以便根据这一序列合成引物。(2)由于蛋白质空间结构较为复杂,改造困难,所以该技术不直接改造Rubisco酶,而是通过对Rubisco酶基因进行改造,从而实现对Rubisco酶的改造。和传统基因工程技术相比较,定点突变技术最突出的优点是能生产出自然界不存在的蛋白质,PCR定点突变技术属于蛋白质工程的范畴。(3)将基因表达载体导入植物细胞常用农杆菌转化法;植物组织培养技术的原理是植物细胞的全能性。
答案:(1)DNA双链复制 热稳定DNA聚合酶(或Taq酶) 引物
(2)蛋白质空间结构较为复杂,改造困难 能生产出自然界不存在的蛋白质 蛋白质工程
(3)农杆菌转化法 植物细胞的全能性
4.解析:(1)对蛋白质的氨基酸序列(或结构)进行改造,可达到改变蛋白质功能的目的。(2)以P基因序列为基础,获得P1基因,可以对P基因进行修饰改造,也可以用人工方法合成P1基因;中心法则的全部内容包括DNA和RNA的复制、DNA→RNA、RNA→DNA、RNA→蛋白质(或转录、逆转录、翻译)。(3)蛋白质工程的基本途径是从预期蛋白质功能出发,通过设计蛋白质结构和推测氨基酸序列,推测相应的核苷酸序列,并合成基因。经表达产生的蛋白质,还要对其进行生物功能鉴定。
答案:(1)氨基酸序列(或结构)
(2)P P1 DNA和RNA(或遗传物质) DNA→RNA、RNA→DNA、RNA→蛋白质(或转录、逆转录、翻译)
(3)设计蛋白质的结构 推测氨基酸序列 功能
5.解析:在转基因过程中,应避免基因污染和对人类的影响,必须严格选择目的基因,A正确;我国不反对治疗性克隆,坚决反对生殖性克隆,B正确;反对设计试管婴儿的原因之一是防止选择性设计婴儿,因为这违背伦理道德,C正确;生物武器是指有意识的利用微生物、毒素、昆虫侵袭敌人的军队、人口、农作物或者牲畜等目标,以达到战争目的的一类武器,干扰素为淋巴因子,非生物武器,D错误。
答案:D
6.解析:为了维护消费者对转基因产品的知情权和选择权,我国对转基因食品和转基因农产品实行了标识制度,A正确;只有经确定是安全的转基因食品才能向消费者出售,可能存在危害的转基因产品不允许出售,B错误;为保障转基因生物的安全性,可开展风险评估、预警跟踪和风险管理等措施,C正确;转基因生物是否安全的争论主要集中在它是否能保证食用安全及环境安全上,D正确。
答案:ACD
7.答案:(1)逆转录 限制酶和DNA连接酶 氯化钙溶液(Ca2+)
(2)启动子 RNA聚合酶
(3)转录、翻译
(4)食物安全 生物安全 环境安全
考点四
【任务驱动 探究突破】
任务1 (1)溶解 析出 增大 溶解 (2)酒精溶液 (3)蓝
任务3 DNA 蒸馏水 不同浓度的NaCl溶液 酒精 蓝
任务4 (1)PCR原理 DNA模板 引物 DNA聚合酶 (2)变性 90 ℃ 复性 50 ℃ 引物 延伸 热稳定DNA聚合酶 (3)三十 变性 延伸 指数 2n
【考向分类 对点落实】
1.解析:图1中加入蒸馏水的目的是使鸡血细胞吸水涨破,释放其中的核物质。图2中加入蒸馏水的目的是降低NaCl的浓度,使DNA的溶解度降低而析出,A错误;图1中完成过滤后,DNA溶解于滤液中,需保留滤液,B正确;图2中DNA已析出,则过滤后应弃去滤液,而保留含DNA的黏稠物,C正确;在图1中鸡血细胞液中应加入少许嫩肉粉,其中的木瓜蛋白酶能分解DNA中的杂质蛋白,D正确。
答案:BCD
2.解析:只要材料中含DNA,原则上都可进行本实验,只是DNA含量高的成功的可能性更大,所以酵母和菜花均可作为提取DNA的材料,A正确;DNA在2 mol/L NaCl溶液中溶解度较大,也可溶解于蒸馏水中,故B正确;向鸡血细胞液中加蒸馏水搅拌,鸡血细胞会破裂,因DNA在蒸馏水中溶解度较大,不会析出,玻棒上没有白色絮状物,C错误; DNA溶液加入二苯胺试剂并沸水浴加热,冷却后可变蓝,D正确。
答案:C
3.解析:柠檬酸钠与鸡血混合,其作用是防止血液凝固,A正确;蒸馏水与鸡血细胞混合的目的是使红细胞吸水涨破,释放出核物质,B错误;将蒸馏水加入到溶解有DNA的NaCl溶液中,其目的是降低DNA的溶解度,初步析出DNA,C错误;加入冷却酒精的目的是进一步析出DNA,D错误。
答案:BCD
4.解析:A、B两试管可形成对照,B试管中含DNA丝状物,A试管中不含,起对照作用,其他条件均完全相同。本实验强调反应条件是沸水浴加热5 min,这样可加快颜色反应的速度,观察对比两试管的颜色时要等到冷却以后。
答案:(1)溶液不变蓝色 溶液逐渐变蓝色 DNA在沸水浴的条件下遇二苯胺会被染成蓝色
(2)溶液颜色基本不变
(3)加快颜色反应速度 耐受性
(4)对照
(5)加入试管中的DNA(丝状物)的多少
5.解析:利用PCR技术将DNA分子中的A1片段进行扩增,当引物与母链通过碱基互补配对结合后,子链延伸的方向总是从5′端到3′端,据此依题意和图示分析可知,A、B、C均错误,D正确。
答案:D
6.解析:病毒没有细胞结构,不能用培养基直接培养,A错误;PCR进行的前提条件是要有一段已知目的基因的核苷酸序列以便合成一对引物,B正确;RNA病毒的RNA通过PCR扩增需要先进行逆转录形成DNA,然后使用耐高温DNA聚合酶进行DNA复制,不需要使用RNA聚合酶,C错误;根据上述分析可知,PCR扩增过程经历了高温变性、低温复性和中温延伸的过程,而不是在恒温条件下进行的,D错误。
答案:B
7.解析:PCR扩增的操作步骤依次是高温变性、低温复性及适温延伸等,A错误;上述过程需要使用的工具酶之一是热稳定DNA聚合酶,B错误;PCR技术的原理是DNA双链的复制,其产物是大量的DNA,所以需要以脱氧核苷酸为原料,C错误;SRY基因为Y染色体上的性别决定基因,SRY探针是用位于Y染色体上的性别决定基因(SRY基因)制成的,因此SRY探针能与雄性胚胎样品中DNA配对,D正确。
答案:ABC
8.解析:(1)上述嫁接体能够成活,这是因为嫁接部位的细胞在恢复分裂,形成愈伤组织后,经过细胞分化形成上下连通的输导组织。(2)由图可知,P基因的片段在L之前,一条染色体中有两个P基因,类似于染色体结构变异中的重复。P-L基因转录出来的产物是mRNA,在核糖体上可翻译出蛋白质。(3)①以mRNA为模板合成cDNA的过程为“反转录”。②为了检测P-L DNA,应当确保PCR产物中有P-L DNA相连接的部分序列。符合要求的只有Ⅱ~Ⅳ位点之间的序列。(4)在M中有P-L DNA,而X中没有P-L DNA,接穗新生叶中也没有P-L DNA,但是有P-L mRNA,说明砧木中产生的mRNA,可转移至接穗新生叶中发挥作用,进而影响新生叶的形态。
答案:(1)愈伤 细胞分化
(2)重复 mRNA(P-L mRNA) 核糖体
(3)①反转录(逆转录) ②C
(4)从砧木被运输到接穗新生叶中,发挥作用,影响新生叶的形态
课堂总结 网络聚焦大概念
网络建构提升
①限制性核酸内切 ②DNA连接 ③目的基因 ④基因表达载体 ⑤受体 ⑥目的基因 ⑦热稳定 ⑧医药
历届真题 分类集训培素养
等级选考研考向
1.解析:(1)根据题图可知,步骤Ⅰ是获取目的DNA片段,所用的酶EcoRⅠ是一种限制酶,其能识别特定的核苷酸序列,并使每一条链中特定部位的两个核苷酸之间的磷酸二酯键断开。(2)步骤Ⅱ是将目的DNA片段连接成环状,其中DNA连接酶的作用是催化相邻核苷酸之间的3′-羟基和5′-磷酸间形成磷酸二酯键。PCR循环中,升高温度到95 ℃是为了打开氢键使双链解旋,获得DNA单链,Taq DNA聚合酶的作用是催化游离的脱氧核苷酸连接到引物3′端,合成DNA子链。(3)引物的作用是使DNA聚合酶能够从引物的3′端开始延伸DNA子链,因为DNA的合成方向总是从子链的5′端向3′端延伸,故为扩增未知序列,选择的与模板链相结合的引物应为5′-TCATGAGCGCATAGTT-3′(引物④)和5′-GCAATGCGTAGCCTCT3′(引物②)。(4)分析题意可知,片段F的两端为限制酶EcoRⅠ切割后产生的黏性末端,因此其5′端序列应为AATT,3′端序列应为TTAA,B正确。
答案:(1)限制性核酸内切(或限制) 核苷酸序列 (2)磷酸二酯键 DNA单链 以DNA为模板的DNA链的延伸 (3)②④ (4)B
2.解析:(1)限制性核酸内切酶能够识别双链DNA分子的某种特定核苷酸序列,并且使每一条链中特定部位的两个核苷酸之间的磷酸二酯键断开;DNA连接酶能将DNA片段拼接起来。将能表达出基因编辑系统的DNA序列插入Ti质粒构建重组载体时,需要限制性核酸内切酶和DNA连接酶的参与。转化是指目的基因进入受体细胞内,并且在受体细胞内维持稳定和表达的过程。(2)启动子是RNA聚合酶识别和结合的部位,能驱动基因转录出mRNA。Wx基因启动子序列的改变影响了RNA聚合酶与启动子的识别和结合,从而改变了Wx基因的转录水平,使直链淀粉合成酶基因的表达量改变。根据题干信息可知,基因编辑系统是对启动子序列进行定点编辑,由于编码直链淀粉合成酶的碱基序列中不含启动子,所以与野生型水稻相比,3个突变品系中Wx基因控制合成的直链淀粉合成酶的氨基酸序列没有发生变化。(3)用提取的各品系胚乳中的总RNA合成总cDNA的过程为逆转录,需要逆转录酶的参与。由于引物能与Wx基因的cDNA特异性结合,故通过PCR技术可在总cDNA中专一性地扩增出Wx基因的cDNA。(4)mRNA是蛋白质合成的直接模板,根据题图分析可知,4个品系中品系3的Wx mRNA量最低,控制合成的直链淀粉合成酶最少,直链淀粉合成量最少,糯性最强。
答案:(1)限制性核酸内切酶和DNA连接酶 转化
(2)RNA聚合酶与启动子的识别和结合 不发生 编码直链淀粉合成酶的碱基序列中不含启动子 (3)逆转录(或:反转录) 引物是根据Wx基因的一段已知序列设计合成的(或:引物能与Wx基因的cDNA特异性结合)
(4)品系3 品系3的Wx mRNA最少,控制合成的直链淀粉合成酶最少,直链淀粉合成量最少,糯性最强
3.解析:(1)由于人的T细胞可以产生蛋白质Y,要获得Y的基因,可从人的T细胞中提取mRNA作为模板,在逆转录酶催化下,利用四种游离的脱氧核苷酸合成cDNA,再利用PCR技术在体外扩增获得大量Y的基因。(2)农杆菌转化法中,T-DNA可以携带目的基因转移至受体细胞,并整合到受体细胞的染色体DNA上,故需要Y的基因插入农杆菌Ti质粒上的T-DNA中,得到含目的基因的重组Ti质粒,把含目的基因的重组Ti质粒导入到农杆菌中,再让含目的基因的农杆菌侵染植物的叶肉细胞。若该叶肉细胞经培养、筛选等得到了能稳定表达Y的愈伤组织,则说明Y的基因已经整合到叶肉细胞染色体DNA上。(3)蛋白质工程需要从预期的蛋白质的功能出发,设计预期的蛋白质结构,推出相应的氨基酸序列,找到相应的脱氧核苷酸序列,故对Y进行改造以提高其热稳定性,需要找到第6位氨基酸中的碱基所在的基因位置,参照密码子表,将第6位氨基酸甲的碱基替换为氨基酸乙的碱基。
答案:(1)mRNA 逆转录酶 PCR
(2)T-DNA 整合到叶肉细胞染色体DNA上 (3)找到第6位氨基酸中的碱基所在的基因位置,参照密码子表,将第6位氨基酸甲的碱基替换为氨基酸乙的碱基
4.解析:(1)B基因可以在体细胞和精子中正常表达,说明含B基因的染色体未缺失,也没有发生突变,A、C错误,B基因的启动子无法启动转录,会导致B基因在水稻卵细胞中不转录。(2)利用水稻体细胞或精子中提取的总RNA,经逆转录法构建的基因文库为cDNA文库。(3)过程①需将基因表达载体导入农杆菌,所以可在培养基中加入卡那霉素以筛选成功导入了基因表达载体的农杆菌。过程②中的农杆菌可感染水稻愈伤组织,农杆菌Ti质粒的T-DNA可整合到受体细胞染色体DNA上。(4)水稻细胞中本来就有B基因,正常植株也会出现杂交带,故A错误;B、D选项是检测Luc基因及其产物,B、D正确;C选项检测对象是卵细胞中mRNA,基因的表达具有选择性,故正常水稻植株卵细胞中无B基因的mRNA,C正确。(5)一般情况下,水稻卵细胞在未受精时不能发育成胚,而转基因植株未受精的卵细胞能发育成胚,说明B基因的表达能使卵细胞不经受精直接发育成胚。
答案:(1)D (2)精子 cDNA (3)② ① (4)BCD
(5)B基因表达能使卵细胞不经受精直接发育成胚
5.解析:(1)EcoRV酶切位点在酶所识别序列的中心轴线处,产生的是平末端。(2)DNA连接酶对平末端的连接效率较低,因此通常要将平末端改造成黏性末端后再进行连接。由于目的基因片段的两端各自带一个腺嘌呤脱氧核苷酸,根据碱基互补配对原则,处理后的质粒两端需要各添加一个碱基为胸腺嘧啶的脱氧核苷酸;要将处理后的质粒与目的基因连接起来,需要用DNA连接酶。(3)由于四环素抗性基因中含有EcoRV酶识别的序列及切割位点,所以形成的重组质粒中四环素抗性基因已经被破坏,而氨苄青霉素抗性基因正常。根据表中结果可知,A菌落抗氨苄青霉素和四环素,说明A菌落中导入的是P0质粒;B菌落抗氨苄青霉素而不抗四环素,说明B菌落中导入的是重组质粒;C菌落既不抗氨苄青霉素,也不抗四环素,说明C菌落中没有导入质粒。(4)由于处理后的P0质粒的两个末端都含一个胸腺嘧啶的脱氧核苷酸,而目的基因片段的两端各自带一个腺嘌呤脱氧核苷酸,所以目的基因在和P0质粒连接时可能会出现两种情况:正向连接和反向连接。分析图2可知,理论上可以选择的引物组合有甲和丙、乙和丙两种情况。如果选择甲和丙这对引物,则无论目的基因是否正确插入,扩增的片段都是50 bp+300 bp+100 bp=450 bp,不符合要求;如果选择乙和丙这对引物,正向连接和反向连接后所得结果不同,所以应选择乙和丙这对引物进行PCR鉴定。如果目的基因和P0质粒反向连接,则引物乙会出现在重组质粒的外侧,此时若加入引物甲和乙,则可以扩增出300 bp+100 bp=400 bp的片段。
答案:(1)平
(2)胸腺嘧啶(T) DNA连接
(3)B A类菌落含有P0 C类菌落未转入质粒
(4)乙丙 目的基因反向连接
国考真题研规律
1.解析:(1)基因文库包括基因组文库和部分基因文库。(2)体内DNA复制时,需用解旋酶打开氢键使双链DNA解旋,而PCR扩增目的基因时,可借助高温加热至90~95 ℃破坏双链之间的氢键,使DNA成为单链。(3)PCR反应体系中进行互补链的合成时,温度需控制在70~75 ℃,则应使用耐高温的DNA聚合酶,即Taq酶,而不能使用大肠杆菌DNA聚合酶(高温下会失活)。
答案:(1)基因组文库 部分基因文库
(2)解旋酶 加热至90~95 ℃ 氢键 (3)Taq酶热稳定性高,而大肠杆菌DNA聚合酶在高温下会失活
2.解析:(1)将非洲爪蟾的核糖体蛋白基因与质粒重组后导入大肠杆菌细胞中进行了表达,该过程证明了体外重组的质粒可以进入受体细胞,真核生物基因可在原核细胞中表达等。(2)体外重组的质粒可通过Ca2+参与的转化方法导入大肠杆菌细胞;体外重组的噬菌体DNA通常需与蛋白质外壳组装成完整的噬菌体后,才能通过侵染的方法将重组噬菌体DNA导入受体细胞;噬菌体侵染的是细菌,而不能寄生在其它细胞中,因此可作为重组噬菌体宿主细胞的是细菌。(3)若要使蛋白质不被降解,则大肠杆菌体内不能存在蛋白酶,因此,实验中应选用蛋白酶缺陷型的大肠杆菌作为受体细胞。同理,在蛋白质纯化过程中,也不能使蛋白质降解,因此,应添加蛋白酶抑制剂。
答案:(1)体外重组的质粒可以进入体细胞;真核生物基因可在原核细胞中表达
(2)转化 外壳蛋白(或噬菌体蛋白) 细菌
(3)蛋白酶缺陷型 蛋白酶
3.解析:(1)基因A的编码区中有内含子,在真核细胞内把内含子转录形成的RNA已切除,而原核生物细胞内基因转录后不切除,转录后可直接参与表达,所以翻译形成的蛋白质不是蛋白A。(2)由于噬菌体是专性寄生在细菌体内的病毒,无法侵染到真核生物家蚕细胞内,所以不能用噬菌体作为运载体。而家蚕属于昆虫,故可用昆虫病毒作为运载体。(3)大肠杆菌常作为受体菌,这是因为其具有繁殖周期短、易培养等特点。(4)检测目的基因是否表达通常用抗原-抗体杂交技术。(5)艾弗里等人的肺炎双球菌转化实验为证明DNA是遗传物质做出了重要贡献,证明了生物的遗传物质是DNA,还为基因工程理论的建立提供了启示,这一启示是DNA可以从一种生物个体转移到另一种生物个体。
答案:(1)基因A有内含子,在大肠杆菌中,其初始转录产物中与内含子对应的RNA序列不能被切除,无法表达出蛋白A
(2)噬菌体 噬菌体的宿主是细菌,而不是家蚕
(3)繁殖快、容易培养
(4)蛋白A的抗体
(5)DNA可以从一种生物个体转移到另一种生物个体
4.解析:(1)要保证目的基因在受体细胞中能够正确表达,目的基因的首端应有启动子,尾端应有终止子。甲是将某种病毒的外壳蛋白(L1)基因连接在GFP基因的5′末端而获得的L1GFP融合基因,据此,结合题意并分析图示可知:该团队在将甲插入质粒P0时,如果用E2或E3,则目的基因不完整,而使用E1和E4这两种限制酶进行酶切则保证了甲的完整,而且也保证了甲与载体正确连接,因此,使用的两种限制酶是E1和E4。(2)构建的真核生物基因表达载体P1中含有GFP基因,而GFP基因的表达产物“某种荧光蛋白(GFP)”在紫外光或蓝光激发下会发出绿色荧光。若在导入P1的牛皮肤细胞中观察到了绿色荧光,则说明L1基因在牛的皮肤细胞中完成了表达,基因的表达过程包括转录和翻译。(3)若要获得含有甲的牛,可采用核移植技术,即将能够产生绿色荧光细胞的细胞核移入牛的去核卵母细胞中获得重组细胞,并将该重组细胞在体外培养成重组胚胎,再经过胚胎移植等获得含有甲的牛。(4)PCR是多聚酶链式反应的缩写,是一种在生物体外复制特定DNA片断的核酸合成技术。若利用PCR方法检测甲是否存在于克隆牛的不同组织细胞中,则应分别以该牛不同组织细胞中的核DNA作为PCR模板。
答案:(1)E1和E4 甲的完整 甲与载体正确连接 (2)转录 翻译 (3)细胞核 去核卵母细胞 (4)核DNA
5.解析:(1)在进行基因工程操作时,若要从植物体中提取几丁质酶的mRNA,常选用嫩叶而不选用老叶作为实验材料,原因是嫩叶组织细胞易破碎。提取RNA时,提取液中需添加RNA酶抑制剂,其目的是防止RNA降解。(2)以mRNA为材料可以获得cDNA,其原理是在逆转录酶的作用下,以mRNA为模板按照碱基互补配对原则可以合成cDNA。(3)若要使目的基因在受体细胞中表达,需要通过质粒载体而不能直接将目的基因导入受体细胞,原因是目的基因无复制原点、目的基因无表达所需的启动子。(4)当几丁质酶基因和质粒载体连接时,DNA连接酶催化形成的化学键是磷酸二酯键。(5)若获得的转基因植株(几丁质酶基因已经整合到植物的基因组中)抗真菌病的能力没有提高,根据中心法则分析,其可能的原因是目的基因的转录或翻译异常。
答案:(1)嫩叶组织细胞易破碎 防止RNA降解
(2)在逆转录酶的作用下,以mRNA为模板按照碱基互补配对的原则可以合成cDNA
(3)目的基因无复制原点;目的基因无表达所需启动子
(4)磷酸二酯键
(5)目的基因的转录或翻译异常
6.解析:(1)根据题干信息中的碱基序列(TTCG……),结合转录过程中的碱基配对原则,可知其转录出的mRNA上没有起始密码子AUG。(2)PCR技术需要的条件包括引物、耐高温的DNA聚合酶、模板、四种脱氧核糖核苷酸。
答案:(1)编码乙的DNA序列起始端无ATG,转录出的mRNA无起始密码子
(2)模板 dNTP
新教材高考生物一轮复习第二单元现代生物科技3基因工程学案选择性必修3: 这是一份新教材高考生物一轮复习第二单元现代生物科技3基因工程学案选择性必修3,共45页。
高考生物一轮复习现代生物科技专题3胚胎工程探究案含解析新人教版必修3学案: 这是一份高考生物一轮复习现代生物科技专题3胚胎工程探究案含解析新人教版必修3学案,共20页。
高考生物一轮复习现代生物科技专题3胚胎工程预习案含解析新人教版必修3学案: 这是一份高考生物一轮复习现代生物科技专题3胚胎工程预习案含解析新人教版必修3学案,共10页。

