2022届高三化学一轮高考复习常考题型:73原电池原理防腐
展开www.ks5u.com
2022届高三化学一轮高考复习常考题型:73原电池原理防腐
注意事项:
1.答题前填写好自己的姓名、班级、考号等信息
2.请将答案正确填写在答题卡上
一、单选题(共15题)
1.下列关于电化学的说法正确的是
A.掩埋废旧电池不会造成环境污染
B.电解精炼铜用纯铜作阳极
C.钢铁上镶嵌铜块能减缓钢铁腐蚀
D.铜上的铝钉,在潮湿空气中易发生电化学腐蚀
2.下列变化中不能用原电池原理解释的是
A.镀层破损后,白口铁(镀锌铁)中的铁不易腐蚀
B.红热的铁丝与水蒸气接触表面形成蓝黑色保护层
C.暖宝宝中的炭粉、铁粉、食盐、水混合暴露在空气中放热
D.相同条件下,久置在潮湿的空气中,生铁比纯铁更易生锈
3.化学对提高人类生活质量和促进社会发展具有重要作用,下列说法中正确的是
A.碳酸钠可用于制作糕点的膨松剂,是因为加热能分解出二氧化碳
B.电热水器用镁棒防止内胆腐蚀,采用的是牺牲阳极的阴极保护法
C.含棉、麻、丝、毛及合成纤维的废旧衣物燃烧处理时都只生成CO2和H2O
D.高纯铝被大量用于制造火箭、导弹和飞机的外壳
4.下列说法正确的是
A.麒麟9905G芯片己正式发布,其主要成分为SiO2
B.碳酸钠能与盐酸反应,可用于治疗胃酸过多
C.在船身上装有锌块,是利用了牺牲阳极的阴极保护法保护船体
D.明矾水解时产生具有吸附性的胶体粒子,可以用于饮用水的杀菌消毒
5.下表中陈述Ⅰ和陈述Ⅱ均正确,且具有因果关系的是
选项
陈述Ⅰ
陈述Ⅱ
A
具有抗氧化性且能杀菌消毒
葡萄酒中添加适量
B
土壤胶体的胶粒一般带正电荷
土壤具有保肥能力
C
可以与反应产生
可用于工业制氧气
D
的金属性比的金属性强
镀锡铁的镀层破坏后能继续保护铁
A.A B.B C.C D.D
6.用下列装置进行相应实验,能达到实验目的的是
A.用装置甲验证浓硫酸的脱水性和强氧化性
B.用装置乙验证浓硝酸的强氧化性
C.用装置丙验证牺牲阳极的阴极保护法
D.用装置丁验证镁片与稀盐酸反应放热
7.据最近报道,中国生产的首艘国产航母“山东”号已经下水,为保护航母、延长服役寿命,可模拟采用将金属M连接在钢铁设施表面,以减缓水体中钢铁设施的腐蚀。在图所示的情境中,下列有关说法正确的是
A.金属M的活动性比Fe的活动性弱
B.阴极的发生氧化反应
C.钢铁设施在河水中的腐蚀速率比在海水中的快
D.钢铁设施表面因积累大量电子而被保护
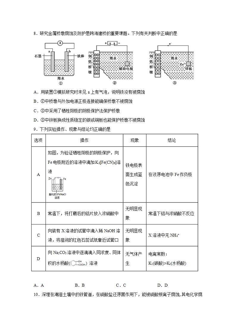
8.研究金属桥墩腐蚀及防护是跨海建桥的重要课题。下列有关判断中正确的是
A.用装置①模拟研究时未见a上有气泡,说明铁没有被腐蚀
B.②中桥墩与外加电源正极连接能确保桥墩不被腐蚀
C.③中采用了牺牲阳极的阴极保护法保护桥墩
D.③中锌板换成性质稳定的银或铜板也能保护桥墩不被腐蚀
9.下列实验操作、现象与结论均正确的是
选项
操作
现象
结论
A
如图,为验证牺牲阳极的阴极保护,向Fe电极附近的溶液中滴加K3[Fe(CN)6]溶液
铁电极表面生成蓝色沉淀
在该原电池中Fe作负极
B
常温下,将打磨后的铝片放入浓硝酸中
无明显现象
常温下铝与浓硝酸不反应
C
向装有X溶液的试管中滴入稀NaOH溶液,将湿润的红色石蕊试纸靠近试管口
无明显现象
X溶液中无NH4+
D
向Na2CO3溶液中逐滴滴入同浓度、同体积的水杨酸() 溶液
无气体产生
电离常数:
K1(碳酸)>K2(水杨酸)
A.A B.B C.C D.D
10.深埋在潮湿土壤中的铁管道,在硫酸盐还原菌作用下,能被硫酸根离子腐蚀,其电化学腐蚀原理如图所示。下列说法正确的是
A.铁管道发生的是吸氧腐蚀 B.输送暖气的管道也易发生此类腐蚀
C.这种情况下,土壤的pH增大 D.管道上刷富铜油漆可以延缓管道的腐蚀
11.某同学在学习“电化学”后进行了总结:①当镀层破损后,马口铁比白铁更易被腐蚀;②钢铁制品长期露置于潮湿空气中,表面常易发生电化学腐蚀生成铁锈(Fe2O3·xH2O);③电镀时,应把镀件置于电解槽的阳极;④电解精炼铜时,将粗铜置于电解槽的阴极;⑤冶炼铝时,将AlCl3加热成为熔融体后电解;⑥锌跟稀硫酸反应制H2时,加入少量硫酸铜溶液能加快反应速率。下列各选项中,正确的叙述与错误的叙述一样多的是
A.①②④⑥ B.①③④⑤ C.①③⑤⑥ D.②③④⑤
12.一定量的稀盐酸跟过量锌粉反应时,为了减缓反应速率又不影响生成H2的总量,可采取的措施是
A.加入少量CuSO4溶液
B.加入少量CH3COONa固体
C.加入少量NaHSO4固体
D.加入少量Na2CO3浓溶液
13.下列说法不正确的是
A.焰色反应实验可用细铁丝代替铂丝
B.用湿润的pH试纸测氯化钠溶液的 pH,对结果没有影响
C.由水制取氢气的方法之一是利用蓝绿藻等低等植物和微生物在阳光作用下使水分解
D.纯锌与稀硫酸反应产生氢气的速率较慢,再加入少量CuSO4固体,速率不改变
14.用下图装置探究原电池中的能量转化。图中注射器用来收集气体并读取气体体积,记录实验据如下表:
①
②
气体体积/mL
溶液温度/℃
气体体积/mL
溶液温度/℃
0
0
22.0
0
22.0
8.5
30
24.8
50
23.8
10.5
50
26.0
-
-
下列说法不正确的是
A.两个装置中反应均为Zn+H2SO4=ZnSO4+H2↑
B.0~8.5min内,生成气体的平均速率①<②
C.时间相同时,对比两装置的溶液温度,说明反应释放的总能量①>②
D.生成气体体积相同时,对比两装置的溶液温度,说明②中反应的化学能部分转化为电能
15.如图为实验室制氢气的简易装置。若在加稀硫酸时,发现锌粒与稀硫酸没有接触而稀硫酸又不够了,为使该反应顺利进行,则可以从长颈漏斗中加入的试剂是 ( )
①食盐水 ②KNO3溶液 ③适量稀硫酸铜溶液 ④Na2CO3溶液 ⑤CCl4 ⑥浓氨水
A.①③⑤ B.①②⑥ C.①②⑤ D.①②④
二、填空题(共3题)
16.某同学在用稀硫酸与锌制取氢气的实验中,发现加入少量硫酸铜溶液可加快氢气的生成速率。为了进一步研究硫酸铜的量对氢气生成速率的影响,该同学设计了如下一系列实验。将表中所给的混合溶液分别加入到6个盛有过量Zn粒的反应瓶中,收集产生的气体,记录获得相同体积的气体所需时间。
实验
混合溶液
A
B
C
D
E
F
4 mol·L-1 H2SO4/mL
30
V1
V2
V3
V4
V5
饱和CuSO4溶液/mL
0
0.5
2.5
5
V6
20
H2O/mL
V7
V8
V9
V10
10
0
(1)请完成此实验设计,其中:V1=________,V6=________,V9=________;
(2)反应一段时间后,实验A中的金属呈________色,实验E中的金属呈________色;
(3)该同学最后得出的结论为:当加入少量CuSO4溶液时,生成氢气的速率会大大提高。但当加入的CuSO4溶液超过一定量时,生成氢气的速率反而会下降。请分析氢气生成速率下降的主要原因________________________。
17.原电池原理的发现是储能和供能技术的巨大进步,是化学对人类的项重大贡献。
(1)某课外实验小组欲探究铝和铜的金属性(原子失电子能力)强弱,同学们提出了如下实验方案:
A.比较铝和铜的硬度和熔点
B.比较二者在稀硫酸中的表现
C.用铝片、铜片、硫酸铝溶液、硫酸铜溶液,比较二者的活动性
D.分别做铝片、铜片与NaOH溶液反应的实验
E.将铝片、铜片用导线连接后共同投入稀盐酸中接入电流计,观察电流方向
上述方案中能达到实验目的的是_________________。
(2)现有如下两个反应:A.NaOH+HCl=NaCl+H2O B.Zn+H2SO4=ZnSO4+H2↑。上述反应中能设计成原电池的是________ (填字母代号),作负极的物质发生了________反应(填“氧化”或“还原”)。
(3)将纯锌片和纯铜片按如图所示方式插入100mL相同浓度的稀硫酸一段时间,回答下列问题:
①下列说法正确的是________ (填字母代号)。
A.甲、乙均为化学能转变为电能的装置 B.乙中铜片上没有明显变化
C.甲中铜片质量减少、乙中锌片质量减少 D.两烧杯中溶液的酸性均减弱
②在相同时间内,两烧杯中产生气泡的速度:甲________乙(填“>”、“<”或“=”)。原因是________。
③当甲中产生1.12L(标准状况)气体时,将锌、铜片取出,再将烧杯中的溶液稀释至1L,测得溶液中c(H+)=0.1mol/L(设反应前后溶液体积不变)。试确定原稀硫酸的物质的量浓度为____________。
18.甲同学用等质量的锌粉先后与1mol·L-1盐酸及相同体积、未知浓度的盐酸反应,记录相关数据,并作出这两个反应过程中放出气体的体积随反应时间的变化曲线图(如图所示)。
(1)如果请你做这个实验,你测量该反应所放气体的体积的方法是___。
(2)根据图示可判断,该同学所用的盐酸的浓度比1 mol/L___(填“大”或“小”)。理由是___。
(3)乙同学为控制反应速率,防止因反应过快而难以测量氢气体积,想事先在盐酸中加入等体积的下列溶液以减慢反应速率。你认为在以下试剂中,不可行的是___。
A.蒸馏水 B.KCl溶液 C.KNO3溶液 D.CuSO4溶液
(4)丙同学用1mol·L-1硫酸代替上述实验中的1mol·L-1盐酸,请问二者的反应速率是否相同___。理由是___。
参考答案
1.D
【详解】
A.掩埋废旧电池,会造成电解液流出,里面的重金属离子会对土壤造成污染,故A错误;
B.电解法精炼铜时,粗铜发生氧化反应,应为阳极,在阴极上得到纯铜,故B错误;
C.在铁船壳上镶嵌铜块,Fe比Cu活泼构成原电池时,Fe作负极加快其腐蚀,故C错误;
D.铜和铝构成原电池,发生电化学腐蚀,故D正确;
故选:D。
2.B
【详解】
A.镀层破损后,白口铁(镀锌铁)中,锌、铁和金属表面的水膜形成原电池,锌比铁活泼,锌为负极,则铁不易腐蚀,能用原电池原理解释,故A与题意不符;
B.红热的铁丝与水蒸气接触生成四氧化三铁和氢气,则表面形成四氧化三铁蓝黑色保护层,与原电池无关,故B符合题意;
C.暖宝宝中的炭粉、铁粉、食盐、水混合暴露在空气中,炭粉、铁粉、食盐水形成原电池,铁粉被氧化放热,能用原电池原理解释,故C与题意不符;
D. 生铁是铁碳合金,在潮湿的环境中容易形成原电池,生锈较快,而纯铁形不成原电池生锈较慢,能用原电池原理解释,故D与题意不符;
故答案为:B
3.B
【详解】
A.碳酸氢钠受热产生二氧化碳,碳酸钠受热不分解,A错误;
B.Mg活泼性强,作牺牲阳极,保护电热水器内胆,B正确;
C.蛋白质或合成纤维除C、H、O元素外,可能还有P、S等其他元素,燃烧时不止生成二氧化碳和水,C错误;
D.高纯铝硬度较小,不能作为火箭、导弹、飞机外壳,D错误;
答案选B。
4.C
【详解】
A.麒麟9905G芯片己正式发布,其主要成分为Si,故A错误;
B.碳酸钠能与盐酸反应,但是碳酸钠碱性过强不可用于治疗胃酸过多,故B错误;
C.由于金属活动性: Zn>Fe,在船身上装有锌块,当与海水形成原电池时,首先被腐蚀的是Zn,船体得到了保护,这是利用了牺牲阳极的阴极保护法来保护船体,故C正确;
D.明矾溶于水,电离产生的铝离子水解会生成氢氧化铝胶体,具有吸附性,能够吸附水中的杂质,因此可以用于净水,但不能用于饮用水的杀菌消毒,故D错误;
故选C。
5.A
【详解】
A.二氧化硫具有抗氧化性且能杀菌消毒,故可在葡萄酒中适量添加,故A正确;
B.土壤胶体的胶粒一般带负电荷,可吸附阳离子,使土壤具有保肥能力,故B错误;
C.过氧化钠可与二氧化碳反应生成碳酸钠和氧气,陈述I正确,工业上制氧气的方法是分离液态空气法,陈述Ⅱ错误,故C错误;
D.在金属活动性顺序表中铁位于锡的前面,故铁比锡的金属性强,陈述I正确,镀锡铁的镀层被破坏后会构成原电池会被腐蚀的更严重,陈述II错误,故D错误;
答案选A。
6.C
【详解】
A.苹果块与浓硫酸不接触,只能证明浓硫酸的吸水性,不能证明浓硫酸的脱水性和强氧化性,故A不符合题意;
B.常温下浓硝酸和炭不反应,需要加热才能反应,故B不符合题意;
C.锌和铁都能导电且锌比铁活泼,和氯化钠溶液形成原电池,锌失电子,保护铁,故C符合题意;
D.镁和稀盐酸反应放热,硝酸钾的溶解度随温度的升高而增大,无明显的反应现象,故D不符合题意;
故答案为:C
7.D
【分析】
从电子流动的方向看,金属M失去电子,溶液中的微粒在钢铁设施表面获得电子。
【详解】
A.从电子流动的方向看,金属M比铁易失电子,其活动性比Fe的活动性强,A不正确;
B.溶液中的微粒在阴极获得电子,发生还原反应,B不正确;
C.海水中电解质的浓度比河水中大,导电能力强,所以钢铁设施在河水中的腐蚀速率比在海水中慢,C不正确;
D.电子由阳极转移到阴极,使钢铁设施表面积累大量电子,从而阻止钢铁设施失去电子而被保护,D正确;
故选D。
8.C
【详解】
A项、图①是吸氧腐蚀,a极上O2被还原生成OH-,而Fe是负极发生氧化反应生成Fe2+,Fe被腐蚀,故A项错误;
B项、金属作电解池的阴极被保护,而桥墩与外加电源正极相连则作阳极,被氧化腐蚀,故B错误;
C项、Zn比Fe活泼,Zn失电子被氧化,Fe被保护,③中采用了牺牲阳极的阴极保护法保护桥墩,故C正确;
D项、Ag或Cu的活泼性没有Fe强,Fe失电子而被腐蚀,故D错误。
所以选C
9.D
【详解】
A.由图可知,牺牲阳极的阴极保护法中被保护的Fe电极是正极,Zn电极是负极,不会产生Fe2+,滴加K3[Fe(CN)6]溶液不会有蓝色沉淀现象出现,故A错误;
B.铝在浓硝酸中会钝化,没有明显现象,但钝化不是不反应,而是铝在浓硝酸中发生反应生成一层致密的氧化物保护膜,阻止内部金属继续反应,故B错误;
C. 滴入稀的氢氧化钠溶液,可能生成一水合氨,湿润的红色石蕊试纸靠近试管口,试纸没有明显现象,但原溶液中可能含有铵根离子,故C错误;
D.向Na2CO3溶液中逐滴滴入同浓度、同体积的水杨酸() 溶液,没有气泡产生,说明水杨酸和Na2CO3不能反应生成碳酸,根据强酸制弱酸的原理,碳酸的酸性大于水杨酸,即电离常数:K1(碳酸)>K2(水杨酸),故D正确;
故选D。
10.C
【解析】由图可知,负极反应为Fe-2e−=Fe2+,正极反应为SO42−+5H2O+8e−=HS−+9OH−。A、铁道管的腐蚀过程中,氧气并未参与反应,所以不是吸氧腐蚀,故A错误;B、硫酸盐还原菌是蛋白质,在高温下易变性,失去催化效率,则输送暖气的管道不易发生此类腐蚀,故B错误;C、由正负极的电极反应可知,铁道管腐蚀过程中,OH−浓度增大,土壤pH增大,故C正确;D、管道上刷富铜油漆,形成Cu−Fe原电池,Fe作为负极,可以加快管道的腐蚀,故D错误。故选C。
11.C
【详解】
略
12.B
【详解】
A.加入少量CuSO4溶液,与锌粉反应生成Cu,附着在Zn表面形成原电池,加快反应速率,A不符合题意;
B.加入少量CH3COONa固体,与H+反应生成醋酸,从而减少溶液中的H+浓度,减慢反应速率,但生成的醋酸还能与锌反应生成H2,所以不影响生成氢气的总量,B符合题意;
C.加入少量NaHSO4固体,增大了溶液中的H+浓度,加快反应速率,且生成H2的总量增大,C不符合题意;
D.加入少量Na2CO3浓溶液,与H+反应生成二氧化碳气体等,减慢反应速率,且使生成氢气的体积减少,D不符合题意;
故选B。
13.D
【详解】
A.铁丝焰色反应显无色,因此进行焰色反应实验时,可以使用光洁无锈的铁丝代替铂丝进行实验,A正确;
B.NaCl溶液显中性,与溶液的浓度大小无关,因此用湿润的pH试纸测氯化钠溶液的 pH,对结果没有影响,B正确;
C.水会分解产生氢气和氧气,因此由水制取氢气的方法之一是利用蓝绿藻等低等植物和微生物在阳光作用下使水分解,C正确;
D.纯锌与稀硫酸反应产生氢气的速率较慢,再加入少量CuSO4固体,Zn与硫酸铜在溶液中发生置换反应产生Cu,Zn、Cu、硫酸构成原电池,Zn为负极,可以使化学反应速率大大加快,D错误;
故合理选项是D。
14.C
【分析】
由图可知,装置①中活泼金属锌与稀硫酸反应,反应时,锌片溶解,表面上有气泡逸出,不活泼金属铜与稀硫酸不反应;装置②中锌、铜在稀硫酸溶液中构成原电池,活泼金属锌做负极,不活泼金属铜做正极,电池工作时,锌片溶解,铜片表面有气泡逸出,原电池反应使反应速率加快。
【详解】
A.装置①和②发生反应的实质都是锌与稀硫酸反应生成硫酸锌和氢气,反应的化学方程式为Zn+H2SO4=ZnSO4+H2↑,故A正确;
B.由表格数据可知,相同时间内,装置②中生成的氢气的体积比装置①中大,生成气体的平均速率①<②,故B正确;
C.由能量转化形式可知,装置①中化学能转化为热能,装置②中化学能转化为电能和热能,由两装置的溶液温度可知,装置①中化学能转化为热能的能量大于装置②中化学能转化为热能的能量,但相同时间内,装置②中生成的氢气的体积比装置①中大,反应释放的总能量①<②,故C错误;
D.生成气体体积相同时,两装置反应释放的总能量相等,由两装置的溶液温度可知,装置①中化学能转化为热能的能量大于装置②中化学能转化为热能的能量,说明②中反应的化学能部分转化为电能,故D正确;
故选C。
15.A
【分析】
加入的液体只能使混合溶液的总体积增大,便于锌粒和稀硫酸接触产生氢气,而不能有新的反应发生产生新的杂质气体生成。
【详解】
①食盐水不会引发新反应,符合;②KNO3溶液,会导致氢离子、硝酸根和锌发生氧化还原反应,例如有可能为:,不符合;③适量稀硫酸铜溶液和锌发生置换反应,置换出的铜覆盖在铜表面浸在电解质溶液中形成原电池,不影响反应中生成氢气,符合;④Na2CO3溶液和硫酸反应,不符合;⑤CCl4 不会引发新反应,符合;⑥浓氨水和硫酸反应,不符合;
答案为:A。
【点睛】
②KNO3溶液容易出错,同学经常忘记从离子反应的角度来认识酸性条件下硝酸根的氧化性,H+、硝酸根和还原性的离子或大多数金属例如铜、锌、铁等会发生氧化还原反应,硝酸根作氧化剂会被还原,得到一氧化氮之类的还原产物。
16.30 10 17.5 灰黑 暗红 当加入一定量的CuSO4后,生成的单质Cu会沉积在Zn的表面,降低了Zn与酸溶液的接触面积
【分析】
结合影响反应速率的因素温度、浓度和催化剂等因素分析,特别注意研究CuSO4的量对氢气生成速率的影响,其他条件应该相同,所以硫酸的总量、总浓度要相同。
【详解】
(1)要对比试验效果,除了反应的物质的量不一样外,要保证其它条件相同,实验目的是探究硫酸铜量的影响,每组硫酸的量要保持相同,六组反应的总体积也应该相同;A组中硫酸为30mL,其它组硫酸量也都为30mL,而硫酸铜溶液和水的总量应相同,F组中硫酸铜20mL,水为0,混合液总体积为20,所以V6=10,V9=17.5;
(2)A中无铜生成,银白色的单质锌被腐蚀后,因表面高低凸凹,会吸收光线而呈灰黑色;E中生成较多的铜,同理,因表面不平将呈暗红色;
(3)因为锌会先与硫酸铜反应,直至硫酸铜反应完才与硫酸反应生成氢气,硫酸铜量较多时,反应时间较长,而且生成的铜会附着在锌片上,会阻碍锌片与硫酸继续反应,氢气生成速率下降。
【点睛】
本题考查影响化学反应速率的因素,重点考查原电池原理对金属与酸反应速率的影响,Cu2+的氧化性比H+强,Zn先置换Cu,形成Zn-Cu-硫酸原电池使反应速率加快。
17.BCE B 氧化 BD > 甲池锌铜可形成原电池,能加快Zn与硫酸的反应速率 1 mol/L
【解析】
【分析】
(1)比较金属性强弱,可以根据金属与酸反应的剧烈程度、构成原电池的负极等方面分析,而与硬度、熔沸点等无关,据此进行解答;
(2)自发的氧化还原反应才能设计成原电池;
(3)①甲装置符合原电池构成条件,所以是原电池,乙不能形成闭合回路,所以不能构成原电池,两个烧杯中,锌都失电子发生氧化反应,甲中铜上氢离子得电子发生还原反应,乙中锌上氢离子得电子发生还原反应;
②形成原电池加快反应速率;
③先计算氢离子的物质的量再计算原来稀硫酸的浓度。
【详解】
(1)A.铝和铜的硬度和熔点与金属性强弱无关,A错误;
B.金属性越强,与酸反应越剧烈,可通过比较Cu、Al在稀硫酸中的表现判断其金属性强弱,B正确;
C.用铝片、铜片、硫酸铝溶液、硫酸铜溶液,根据是否发生置换反应可比较二者的活动性,C正确;
D.Al与氢氧化钠溶液反应是铝的化学特性,与金属活泼性无关,不能根据是否与氢氧化钠溶液反应判断金属性强弱,D错误;
E.将铝片、铜片用导线连接后共同浸入稀盐酸中,接入电流计,观察电流方向,铝为原电池负极,铜为正极,产生电流,据此判断金属性强弱,E正确;
故合理选项是BCE;
(2)反应A.NaOH+HCl=NaCl+H2O不是氧化还原反应,不能设计成原电池,反应B.Zn+H2SO4=ZnSO4+H2↑是氧化还原反应,能设计成原电池,原电池中锌作负极,失电子,发生氧化反应;
(3)①甲装置是原电池,乙装置不构成原电池。
A.甲是化学能转变为电能的装置,乙不是,A错误;
B.乙装置中铜片不反应,也没构成原电池的正极,所以铜片上没有明显变化,B正确;
C.甲、乙中锌片质量都减少,铜片质量都不变,C错误;
D.两个烧杯中都产生氢气,氢离子浓度都降低,因此溶液的pH均增大,D正确;
故合理选项是BD;
②甲构成了原电池,乙没有构成原电池,所以两烧杯中产生气泡的速度:甲>乙;
③释后氢离子的物质的量n(H+)=1L×0.1mol/L=0.1mol,生成氢气物质的量为n(H2)==0.05mol,则原溶液中氢离子的物质的量n(H+)总=0.1mol+0.05mol×2=0.2mol,因此原硫酸溶液中氢离子的浓度c(H+)==2mol/L,由于H2SO4是二元酸,一个硫酸分子电离产生两个氢离子,所以原溶液中硫酸的浓度c(H2SO4)= c(H+)==1mol/L。
【点睛】
本题考查原电池的构成条件、原电池的工作原理、溶液pH计算,属于综合知识的考查。
18.可用排水量气装置测量气体体积 大 未知浓度的盐酸反应速率更快 CD 不相同 该反应实质为Zn与H+反应,等浓度的盐酸和硫酸,硫酸中c(H+)更大,反应速率更快
【详解】
(1)氢气体积的测量可以采用带有刻度的仪器()或者排水量气装置(、)进行测量,故此处填:可用排水量气装置测量气体体积;
(2)根据图示知,相同时间内,未知浓度的盐酸放出H2比1 mol/LHCl多,即未知浓度的盐酸反应速率快,所以未知盐酸浓度比1 mol/L大,故此处填“大”,理由为:未知浓度的盐酸反应速率更快。
(3)A.加入蒸馏水,可减小盐酸的浓度,故可以减慢反应速率;B.该反应实质为Zn与H+反应,加入KCl不参与反应,但由于溶液体积增大,H+浓度减小,故可以减慢反应速率;C.加入KNO3溶液后,由于酸性条件下,表现出强氧化性,与Zn反应生成NO气体,不能制得H2,不符合题意;D.加入CuSO4溶液后,Zn与CuSO4反应置换出Cu,形成Zn-Cu原电池,反应速率加快;综上所述,不可行的为CD,故此处填CD;
(5) 该反应实质为Zn与H+反应,若把1 mol/L盐酸换成1 mol/L硫酸,则c(H+)增大为2 mol/L,反应速率加快,故此处填:不相同,理由为:该反应实质为Zn与H+反应,等浓度的盐酸和硫酸,硫酸中c(H+)更大,反应速率更快。
2022届高考化学一轮复习常考题型73原电池原理防腐含解析: 这是一份2022届高考化学一轮复习常考题型73原电池原理防腐含解析,共15页。试卷主要包含了请将答案正确填写在答题卡上,下列说法正确的是等内容,欢迎下载使用。
2022届高三化学一轮高考复习常考题型:70原电池原理装置图考查: 这是一份2022届高三化学一轮高考复习常考题型:70原电池原理装置图考查,共20页。试卷主要包含了请将答案正确填写在答题卡上,已知负极的电极反应式为等内容,欢迎下载使用。
2022届高三化学一轮高考复习常考题型:68原电池原理理解和应用: 这是一份2022届高三化学一轮高考复习常考题型:68原电池原理理解和应用,共20页。试卷主要包含了请将答案正确填写在答题卡上,锌-空气电池的总反应式等内容,欢迎下载使用。

