2022届高考化学一轮复习讲义学案(新教材人教版)第五章 第28讲 元素周期表 元素周期律
展开
这是一份2022届高考化学一轮复习讲义学案(新教材人教版)第五章 第28讲 元素周期表 元素周期律,共26页。学案主要包含了三周期相差1,第四等内容,欢迎下载使用。
第28讲 元素周期表 元素周期律
复习目标 1.了解电离能的含义、了解电负性的概念,并能用以说明元素的某些性质。2.认识元素的原子半径、元素金属性、元素非金属性、第一电离能、电负性等元素性质的周期性变化。3.知道原子核外电子排布呈现周期性变化是导致元素性质周期性变化的原因。4.知道元素周期表中分区、周期和族的元素原子核外电子排布特征。5.认识元素性质与元素在周期表中位置的关系,了解元素周期表的应用。
考点一 元素周期表
1.元素周期表的结构
(1)原子序数
按照元素在周期表中的顺序给元素编号,称之为原子序数,原子序数=核电荷数=质子数=核外电子数。
(2)编排原则
①周期:把电子层数相同的元素,按原子序数递增的顺序,从左至右排成的横行。
②族:把最外层电子数相同的元素,按电子层数递增的顺序,从上至下排成的纵列。
(3)结构
总结
元素周期表
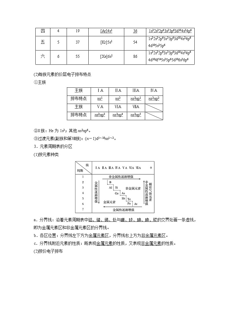
2.原子结构与周期的关系
(1)原子结构与周期的关系
周期
能层数
每周期第一个元素
每周期最后一个元素
原子序数
基态原子的简化电子排布式
原子序数
基态原子的电子排布式
二
2
3
[He]2s1
10
1s22s22p6
三
3
11
[Ne]3s1
18
1s22s22p63s23p6
四
4
19
[Ar]4s1
36
1s22s22p63s23p63d104s24p6
五
5
37
[Kr]5s1
54
1s22s22p63s23p63d104s24p64d105s25p6
六
6
55
[Xe]6s1
86
1s22s22p63s23p63d104s24p64d104f145s25p65d106s26p6
(2)每族元素的价层电子排布特点
①主族
主族
ⅠA
ⅡA
ⅢA
ⅣA
排布特点
ns1
ns2
ns2np1
ns2np2
主族
ⅤA
ⅥA
ⅦA
排布特点
ns2np3
ns2np4
ns2np5
②0族:He为1s2;其他ns2np6。
③过渡元素(副族和第Ⅷ族):(n-1)d1~10ns1~2。
3.元素周期表的分区
(1)按元素种类
a.分界线:沿着元素周期表中铝、锗、锑、钋与硼、硅、砷、碲、砹的交界处画一条虚线,即为金属元素区和非金属元素区的分界线。
b.各区位置:分界线左下方为金属元素区,分界线右上方为非金属元素区。
c.分界线附近元素的性质:既表现金属元素的性质,又表现非金属元素的性质。
(2)按价电子排布
各区价层电子排布特点
分区
价层电子排布
s区
ns1~2
p区
ns2np1~6(除He外)
d区
(n-1)d1~9ns1~2(除钯外)
ds区
(n-1)d10ns1~2
f区
(n-2)f0~14(n-1)d0~2ns2
4.元素周期表的应用
(1)科学预测:为新元素的发现及预测它们的原子结构和性质提供了线索。
(2)寻找新材料
(3)用于工农业生产
对探矿有指导意义的是地球化学元素的分布与它们在元素周期表中的位置关系,研制农药材料等。
(1)正三价阳离子的电子排布式为1s22s22p63s23p63d5的元素在周期表中位于ⅧB族(×)
错因:该元素位于第Ⅷ族。
(2)包含元素种数最多的族是ⅠA族(×)
错因:含元素种类最多的族是第ⅢB族,共有32种元素。
(3)原子的最外层有2个电子的元素一定是ⅡA族元素(×)
错因:He原子和部分过渡金属元素最外层电子数也是2。
(4)最外层有2个未成对电子的可能是ns2np2或ns2np4,短周期元素中分别为C、Si和O、S(√)
(5)价电子排布式为5s25p1的元素位于第五周期ⅠA族,是s区元素(×)
错因:应位于第五周期ⅢA族,是p区元素。
第四周期中,未成对电子数最多的元素是__________(填名称)。
(1)它位于________族。
(2)核外电子排布式是________________________________________。
(3)它有________个能层,________个能级,________种运动状态不同的电子。
(4)价电子排布式:________________,价电子轨道表示式:____________________。
(5)属于________区。
答案 铬 (1)ⅥB
(2)1s22s22p63s23p63d54s1(或[Ar]3d54s1)
(3)4 7 24
(4)3d54s1 (5)d
题组一 元素周期表的结构
1.(2020·广西防城港市防城中学期中)硒是人体必需的微量元素,如图是硒在周期表中的信息,关于硒元素的说法错误的是( )
A.位于第四周期
B.质量数为34
C.原子最外层有6个电子
D.相对原子质量为78.96
答案 B
解析 根据元素周期表中的信息可知,Se的价电子排布式为4s24p4,Se位于第四周期ⅥA族,选项A正确;根据元素周期表中的信息可知,Se的原子序数为34,根据原子序数=核电荷数=质子数=核外电子数,则该元素原子的原子核内质子数和核外电子数为34,质量数不是34,选项B错误;Se的价电子排布式为4s24p4,则Se原子最外层有6个电子,选项C正确;根据元素周期表中的信息可知,价电子排布式下面的数字表示相对原子质量,该元素的相对原子质量为78.96,选项D正确。
2.长式周期表共有18个纵列,从左到右排为1~18列,即碱金属为第1列,稀有气体元素为第18列。按这种规定,下列说法正确的是( )
A.第9列元素中没有非金属元素
B.只有第2列的元素原子最外层电子排布式为ns2
C.第四周期第9列元素是铁元素
D.第11、12列为ds区
答案 AD
解析 第9列元素是Ⅷ族元素,都是金属元素,没有非金属元素,A项正确;第2列元素原子的最外层电子排布式为ns2,此外He的核外电子排布式是1s2,B项错误;第四周期第9列元素是Co元素,C项错误;第11、12列元素为ds区,D项正确。
3.下列各图为元素周期表的一部分,表中的数字为原子序数,其中M为37的是( )
答案 C
题组二 原子结构与周期表的关系
4.某元素原子价电子排布式为3d54s2,其应在( )
A.第四周期第ⅡA族 B.第四周期第ⅡB族
C.第四周期第ⅦA族 D.第四周期第ⅦB族
答案 D
解析 价电子排布式为3d54s2的元素,原子核外电子排布式为[Ar]3d54s2的元素,其质子数为25,为Mn元素,则25-2-8-8=7,处于第四周期第7列,故处于周期表中第四周期第ⅦB族。
5.(2019·济宁期末)下列有关金属钛的叙述不正确的是( )
A.钛的原子序数为22
B.钛位于元素周期表第四周期
C.钛原子核外电子排布式为1s22s22p63s23p63d4
D.钛属于过渡元素
答案 C
解析 依据元素周期表结构,钛是22号元素,选项A正确;钛位于第四周期第ⅣB族,它属于过渡元素,选项B、D正确;依据构造原理,4s能级能量低于3d能级,故应首先排满4s后再排3d,正确的核外电子排布式为1s22s22p63s23p63d24s2,选项C不正确。
题组三 元素周期表的应用
6.(2020·北京海淀101中学高三期中)下列关于元素周期表应用的说法正确的是( )
A.为元素性质的系统研究提供指导,为新元素的发现提供线索
B.在金属与非金属的分界处,寻找可作催化剂的合金材料
C.在氟、氯、硫、磷元素中,寻找制造农药的主要元素
D.在过渡元素中,可以找到半导体材料
答案 AC
解析 元素周期表是元素周期律的具体表现形式,它反映元素原子的内部结构和它们之间相互联系的规律,为元素性质的系统研究提供指导,为新元素的发现及预测它们的原子结构和性质提供线索,故A正确;在周期表中金属和非金属的分界处可以找到半导体材料,故B错误;通常制造农药的主要元素有F、Cl、S、P等元素,故C正确;在过渡元素中寻找耐高温、耐腐蚀的合金材料,并不是半导体材料,故D错误。
7.(2019·北京高考模拟)部分元素在周期表中的分布如图所示(虚线为金属元素与非金属元素的分界线),下列说法不正确的是( )
A.B只能得电子,不能失电子
B.原子半径:Ge>Si
C.As可作半导体材料
D.Po处于第六周期第ⅥA族
答案 A
解析 B元素位于金属元素与非金属元素的分界线附近,既能得电子,又能失电子,故A错误;同一主族元素从上到下原子半径逐渐增大,所以原子半径:Ge>Si,故B正确;As元素位于金属元素与非金属元素的分界线附近,可作半导体材料,故C正确;Po为主族元素,原子有6个电子层,最外层电子数为6,处于第六周期第ⅥA族,故D正确。
元素周期表中元素原子序数的序差规律
(1)同周期ⅡA族与ⅢA族元素的原子序数之差有以下三种情况:第二、三周期(短周期)相差1,第四、五周期相差11,第六、七周期相差25。
(2)相邻周期,同一主族元素的原子序数可能相差2、8、18、32。若A、B是同主族相邻周期元素,A、B所在周期分别有m和n种元素。如图:
当A、B在ⅠA或ⅡA族时,y=x+m。A、B在ⅢA~0族时,y=x+n。
考点二 元素周期律
1.元素周期律
2.元素性质的周期性变化规律
项目
同周期(左→右)
同主族(上→下)
原子结构
核电荷数
逐渐增大
逐渐增大
电子层数
相同
逐渐增多
原子半径
逐渐减小
逐渐增大
离子半径
阳离子逐渐减小阴离子逐渐减小r(阴离子)> r(阳离子)
逐渐增大
性质
化合价
最高正化合价由+1→+7(O、F除外)负化合价=-(8-主族序数)(H为-1价)
相同,最高正化合价=主族序数(O、F除外)
元素的金属性和非金属性
金属性逐渐减弱,非金属性逐渐增强
金属性逐渐增强,非金属性逐渐减弱
离子的氧化性、还原性
阳离子的氧化性逐渐增强;阴离子的还原性逐渐减弱
阳离子的氧化性逐渐减弱;阴离子的还原性逐渐增强
气态氢化物的稳定性
逐渐增强
逐渐减弱
最高价氧化物对应的水化物的酸碱性
碱性逐渐减弱;酸性逐渐增强
碱性逐渐增强;酸性逐渐减弱
第一电离能
增大的趋势
逐渐减小
电负性
逐渐增大
逐渐减小
3.元素金属性和非金属性强弱的判断方法
三表
元素周期表:金属性“右弱左强,上弱下强,右上弱左下强”;非金属性“左弱右强,下弱上强,左下弱右上强”
金属活动性顺序表:按K、Ca、Na、Mg、Al、Zn、Fe、Sn、Pb、Cu、Hg、Ag、Pt、Au的顺序,金属性逐渐减弱(其中Pb>Sn)
非金属活动性顺序表:按F、O、Cl、Br、I、S的顺序,非金属性逐渐减弱
三反应
置换反应:强的置换弱的,适合金属也适合非金属
与水或非氧化性酸反应越剧烈,或最高价氧化物对应水化物的碱性越强,则金属性越强
与氢气反应越容易,生成的气态氢化物的稳定性越强,或最高价氧化物对应水化物的酸性越强,则非金属性越强
氧化性
金属离子的氧化性越弱,对应单质的金属性越强
还原性
非金属氢化物或非金属阴离子的还原性越弱,对应单质的非金属性越强
4.电离能
(1)第一电离能:气态电中性基态原子失去一个电子转化为气态基态正离子所需要的最低能量。符号:I1;单位:kJ·mol-1。
(2)规律
①同周期:第一种元素的第一电离能最小,最后一种元素的第一电离能最大,从左到右总体呈现逐渐增大的变化趋势。
②同族元素:从上到下第一电离能变小。
③同种原子:逐级电离能越来越大(即I1<I2<I3…)。
5.电负性
(1)含义:元素的原子在化合物中吸引键合电子能力的标度。元素的电负性越大,表示其原子在化合物中吸引键合电子的能力越强。
(2)标准:以最活泼的非金属氟的电负性为4.0作为相对标准,计算得出其他元素的电负性(稀有气体未计)。
(3)变化规律
金属元素的电负性一般小于1.8,非金属元素的电负性一般大于1.8,而位于非金属三角区边界的“类金属”(如锗、锑等)的电负性则在1.8左右。
在元素周期表中,同周期从左到右,元素的电负性逐渐变大,同主族从上到下,元素的电负性逐渐变小。
6.对角线规则
在元素周期表中,某些主族元素与右下方的主族元素的有些性质是相似的,如。
(1)元素的电负性越大,非金属性越强,第一电离能也越大(×)
错因:如电负性O>N,非金属性O>N,而第一电离能N>O。
(2)元素的氧化物对应的水化物酸性越强,非金属性越强,碱性越强,金属性越强(×)
错因:元素的最高价氧化物对应的水化物酸性越强,非金属性越强,碱性越强,金属性越强。
(3)元素的气态氢化物越稳定,非金属性越强,其水溶液的酸性越强,还原性越弱(×)
错因:元素的气态氢化物越稳定,非金属性越强,其水溶液的酸性与还原性没有关系。
(4)元素的原子得电子越多,非金属性越强,失电子越多,金属性越强(×)
错因:元素的原子金属性、非金属性强弱与得失电子多少无关,只与得失电子的难易程度有关。
(5)同周期元素,从左到右,原子半径逐渐减小,离子半径也逐渐减小(×)
错因:同周期元素若均形成阳离子或均形成阴离子,则原子序数越大,离子半径越小。
1.按要求回答下列问题:
(1)第三周期所有元素的第一电离能(I1)大小顺序为____________________________(用元素符号表示)。
(2)Na的逐级电离能中有________次突跃。分别是哪级电离能发生突跃?________________。
(3)F、Cl、Br、I的第一电离能由大到小的顺序为______________________________,电负性由大到小的顺序为________________。
答案 (1)Na<Al<Mg<Si<S<P<Cl<Ar
(2)2 I2≫I1、I10≫I9
(3)F>Cl>Br>I F>Cl>Br>I
2.为什么Mg的第一电离能比Al大?P的第一电离能比S大?
答案 镁原子的电子排布式为1s22s22p63s2,磷原子的电子排布式为1s22s22p63s23p3,镁原子、磷原子最外层的3s2、3p3能级中,电子分别处于全充满、半充满稳定状态,失电子较难,则其第一电离能较同周期相邻元素要大。
3.比较下列微粒半径大小(用“>”或“<”填空):
(1)Na________Mg________Cl
(2)Li________Na________K
(3)Na+________Mg2+________Al3+
(4)F-________Cl-________Br-
(5)Cl-________O2-________Na+________Mg2+
(6)Fe2+________Fe3+
答案 (1)> > (2)< < (3)> > (4)< < (5)> > > (6)>
“三看”法快速判断简单微粒半径的大小
一看电子层数:最外层电子数相同时,电子层数越多,半径越大。
二看核电荷数:当电子层结构相同时,核电荷数越大,半径越小。
三看核外电子数:当电子层数和核电荷数均相同时,核外电子数越多,半径越大。
题组一 元素周期律的准确判断
1.对Na、Mg、Al的有关性质的叙述不正确的是( )
A.第一电离能:Na<Mg<Al
B.电负性:Na<Mg<Al
C.还原性:Na>Mg>Al
D.碱性:NaOH>Mg(OH)2>Al(OH)3
答案 A
解析 同周期从左到右第一电离能一般呈增大趋势,但ⅡA、ⅤA族元素的p轨道全空或半充满是较稳定结构,所以其电离能较相邻元素的略大。
2.下列四种元素的基态原子的电子排布式如下:
①1s22s22p63s23p4 ②1s22s22p63s23p3
③1s22s22p3 ④1s22s22p5
则下列有关比较中正确的是( )
A.第一电离能:④>③>②>①
B.原子半径:②>①>③>④
C.电负性:④>③>②>①
D.最高正化合价:④>③=②>①
答案 AB
解析 由电子排布式可知:①为S,②为P,③为N,④为F。第一电离能为④>③>②>①,A正确;B正确,原子半径应是②最大,④最小;C不正确,电负性:④最大,②最小;D不正确,F无正价,最高正价:①>②=③。
3.A元素的阳离子与B元素的阴离子具有相同的电子层结构,有关两元素的下列叙述:①原子半径A<B,②离子半径A>B,③原子序数A>B,④原子最外层电子数A<B,⑤A的正价与B的负价绝对值一定相等,⑥A的电负性小于B的电负性,⑦A的第一电离能大于B的第一电离能。其中正确的是( )
A.①②⑦ B.③④⑥ C.③⑤ D.③④⑤⑥⑦
答案 B
解析 A元素的阳离子与B元素的阴离子具有相同的电子层结构,则A在B的下一周期。①错误,因A原子半径大于同一主族的上一周期元素原子的半径,该原子的半径又大于同一周期的B原子的半径,所以原子半径A>B;②错误,具有相同的电子层结构的离子,核电荷数越大,离子半径越小;⑦错误,A的第一电离能小于B的第一电离能。
题组二 元素金属性、非金属性的判断
4.甲、乙两种非金属元素:
①甲的单质比乙的单质容易与氢气化合
②甲的单质能与乙的阴离子发生置换反应
③甲的最高价氧化物对应的水化物酸性比乙的最高价氧化物对应的水化物酸性强
④与某金属反应时,甲元素原子得电子数目比乙的多
⑤甲单质的熔、沸点比乙的低
能说明甲比乙的非金属性强的是( )
A.只有④ B.只有⑤
C.①②③ D.①②③④⑤
答案 C
5.下列关于元素金属性和非金属性强弱比较的说法不正确的是( )
A.将大理石加入稀盐酸中,能产生CO2气体,说明Cl的非金属性强于C
B.Si与H2化合所需温度远高于S与H2化合所需温度,说明S的非金属性强于Si
C.Na与冷水反应剧烈,而Mg与冷水反应缓慢,说明Na的金属性强于Mg
D.Fe投入CuSO4溶液中,能置换出Cu,说明Fe的金属性比Cu的强
答案 A
解析 盐酸中的溶质HCl不是氯元素的最高价氧化物对应的水化物,虽然HCl的酸性比碳酸的强,但不能作为Cl、C非金属性强弱的判断依据,A错误;单质与H2越易化合,元素的非金属性越强,B正确;单质与水越易反应生成碱和H2,其金属性越强,C正确;较活泼的金属单质可将较不活泼的金属从它的盐溶液中置换出来,D正确。
6.元素R、X、T、Z、Q在元素周期表中的相对位置如下表所示, 其中R单质在暗处与H2剧烈化合并发生爆炸。则下列判断正确的是( )
A.非金属性:ZQ
D.最高价氧化物对应的水化物的酸性:TT>Q,C项正确;T、Q分别是氯、溴,非金属性:氯>溴,非金属性越强,最高价氧化物对应的水化物酸性越强,则高氯酸(HClO4)的酸性比高溴酸(HBrO4)的酸性强,即T>Q,D项错误。
题组三 电离能、电负性
7.下表是元素周期表的一部分,表中所列的字母分别代表一种化学元素。试回答下列问题:
(1)元素p为26号元素,请写出其基态原子电子排布式:
________________________________________________________________________。
(2)h的单质在空气中燃烧发出耀眼的白光,请用原子结构的知识解释发光的原因: ________________________________________________________________________。
(3)o、p两元素的部分电离能数据如下表:
元素
电离能/kJ·mol-1
o
p
I1
717
759
I2
1 509
1 561
I3
3 248
2 957
比较两元素的I2、I3可知,气态o2+再失去一个电子比气态p2+再失去一个电子难。对此,你的解释是____________________________________________________________________。
(4)第三周期8种元素单质熔点高低的顺序如图1所示,其中电负性最大的是________(填图1中的序号)。
(5)表中所列的某主族元素的电离能情况如图2所示,则该元素是__________(填元素符号)。
答案 (1)1s22s22p63s23p63d64s2(或[Ar]3d64s2)
(2)电子从能量较高的轨道跃迁到能量较低的轨道时,以光(子)的形式释放能量
(3)Mn2+的3d轨道电子排布为半充满状态,比较稳定
(4)2
(5)Al
解析 (2)h为Mg元素,Mg单质在空气中燃烧发出耀眼的白光,电子从能量较高的轨道跃迁到能量较低的轨道时以光(子)的形式释放能量。(3)o为Mn元素,其基态原子电子排布式为1s22s22p63s23p63d54s2,Mn2+的基态电子排布式为1s22s22p63s23p63d5,其3d轨道为半充满结构,相对比较稳定,其失去第3个电子时比较困难,而Fe2+的基态电子排布式为1s22s22p63s23p63d6,其3d轨道再失去一个电子即为半充满结构,故其失去第3个电子比较容易。(4)第三周期8种元素分别为钠、镁、铝、硅、磷、硫、氯、氩,其单质中钠、镁、铝形成金属晶体,熔点依次升高;硅形成原子晶体;磷、硫、氯、氩形成分子晶体,且常温下磷、硫为固体,氯气、氩为气体,8种元素熔点最低的为氩,其次为氯,其中电负性最大的为氯。(5)由图可知,该元素的电离能I4 远大于I3,故为第ⅢA族元素,应为Al。
1.[2020·新高考全国卷Ⅰ(山东),3]短周期主族元素X、Y、Z、W的原子序数依次增大,基态X原子的电子总数是其最高能级电子数的2倍,Z可与X形成淡黄色化合物Z2X2,Y、W最外层电子数相同。下列说法正确的是( )
A.第一电离能:W>X>Y>Z
B.简单离子的还原性:Y>X>W
C.简单离子的半径:W>X>Y>Z
D.氢化物水溶液的酸性:Y>W
答案 C
解析 根据题目信息可推知,X、Y、Z、W四种元素分别为O、F、Na、Cl。第一电离能:F>O>Cl>Na,A项错误;简单离子的还原性:O2->Cl->F-,B项错误;电子层数越多,离子半径越大;对于核外电子排布相同的离子,核电荷数越大,半径越小,C项正确;氢氟酸为弱酸,盐酸为强酸,D项错误。
2.(2020·天津,8)短周期元素X、Y、Z、W的原子序数依次增大。用表中信息判断下列说法正确的是( )
元素
最高价氧化物的水化物
X
Y
Z
W
分子式
H3ZO4
0.1 mol·L-1溶液对应的pH(25 ℃)
1.00
13.00
1.57
0.70
A.元素电负性:ZX(Si),B项错误;磷的最高价氧化物是P2O5,其对应的水化物为HPO3、H3PO4,它们均是中强酸,C项正确;2个硅原子和1个P原子形成2个共价键,阴离子得到1个电子,所以该化合物中磷原子最外层达到8电子稳定结构,D项错误。
5.[2018·全国卷Ⅲ,35(1)(2)](1)Zn原子核外电子排布式为__________________________。
(2)黄铜是人类最早使用的合金之一,主要由Zn和Cu组成。第一电离能I1(Zn)________I1(Cu)(填“大于”或“小于”)。原因是______________________。
答案 (1)[Ar]3d104s2(或1s22s22p63s23p63d104s2)
(2)大于 Zn原子核外电子排布为全满稳定结构,较难失电子
6.[2020·全国卷Ⅰ,35(1)(2)]Goodenough等人因在锂离子电池及钴酸锂、磷酸铁锂等正极材料研究方面的卓越贡献而获得2019年诺贝尔化学奖。回答下列问题:
(1)基态Fe2+与Fe3+离子中未成对的电子数之比为____________________________。
(2)Li及其周期表中相邻元素的第一电离能(I1)如表所示。I1(Li)> I1(Na),原因是______________________。I1(Be)> I1(B)> I1(Li),原因是_______________________________
_______________________________________________________________________________。
I1/kJ·mol-1
Li
520
Be
900
B
801
Na
496
Mg
738
Al
578
答案 (1)4∶5 (2)Na与Li同主族,Na的电子层数多,原子半径大,故第一电离能更小 Li、Be和B为同周期元素,同周期元素从左至右,第一电离能呈现增大的趋势;但由于基态Be原子的s能级轨道处于全充满状态,能量更低更稳定,故其第一电离能大于B的
解析 (1)基态Fe2+的价电子排布式为3d6,未成对电子数为4,基态Fe3+的价电子排布式为3d5,未成对电子数为5,所以两者之比为4∶5。
(2)Li和Na在同一主族,价电子数相同,Li在Na的上一周期,原子半径:Li小于Na,Li的原子核对核外电子的有效吸引作用大于Na的,所以第一电离能:I1(Li)>I1(Na)。Be的电子排布式为1s22s2,是全充满稳定结构,故第一电离能大于B、Li;Li、B在同一周期,元素原子核外电子层数相同,但随核电荷数增大,原子半径减小,原子核对核外电子的有效吸引作用依次增强,故第一电离能I1(B)>I1(Li)。
7.[2020·全国卷Ⅲ,35(1)]氨硼烷(NH3BH3)含氢量高、热稳定性好,是一种具有潜力的固体储氢材料。回答下列问题:
H、B、N中,原子半径最大的是________。根据对角线规则,B的一些化学性质与元素________的相似。
答案 B Si(硅)
解析 一般来说,原子的电子层数越多,半径越大,电子层数相同时,核电荷数越大,原子半径越小,则原子半径:B>N>H。根据对角线规则,B与Si处于元素周期表中对角线位置,化学性质相似。
8.[2017·全国卷Ⅱ,35(2)]元素的基态气态原子得到一个电子形成气态负一价离子时所放出的能量称作第一电子亲和能(E1)。第二周期部分元素的E1变化趋势如图所示,其中除氮元素外,其他元素的E1自左而右依次增大的原因是_______________________________________;
氮元素的E1呈现异常的原因是____________________________________________________。
答案 同周期元素随核电荷数依次增大,原子半径逐渐变小,故结合一个电子释放出的能量依次增大 N的2p能级处于半充满状态,具有稳定性,故不易结合一个电子
一、选择题:每小题只有一个选项符合题意。
1.1869年俄国化学家门捷列夫制作出了第一张元素周期表,揭示了化学元素间的内在联系,成为化学发展史上重要里程碑之一。下列有关元素周期表的说法正确的是( )
A.元素周期表有7个横行、18个纵列,即有7个周期、18个族
B.在过渡元素中寻找半导体材料
C.俄罗斯专家首次合成了X原子,116号元素位于元素周期表中第七周期第ⅥA族
D.ⅠA族的元素全部是金属元素
答案 C
解析 元素周期表中的第Ⅷ族包含8、9、10共3个纵列,因此元素周期表虽然共18个纵列,但共16个族,A错误;在金属和非金属的分界线附近寻找半导体材料,B错误;第七周期0族元素为118号,则116号元素位于元素周期表中第七周期第ⅥA族,C正确;第ⅠA族的元素包括H和碱金属元素,D错误。
2.下列说法正确的是( )
A.HF、HCl、H2S、PH3的稳定性依次增强
B.在①P、S,②Mg、Ca,③Al、Si三组元素中,每组中第一电离能较大的元素的原子序数之和为41
C.某主族元素的电离能I1~I7数据如表所示(单位:kJ·mol-1),可推测该元素位于元素周期表第ⅤA族
I1
I2
I3
I4
I5
I6
I7
578
1 817
2 745
11 575
14 830
18 376
23 293
D.原子半径由小到大的顺序:Mg、Si、N、F
答案 B
解析 非金属性越强,简单氢化物越稳定,非金属性F>Cl>S>P,所以HF、HCl、H2S、PH3的稳定性依次减弱,故A错误;①P、S中由于P原子3p能级半充满,所以第一电离能较大;②同主族元素自上而下第一电离能逐渐减小,所以Mg、Ca中Mg的第一电离能较大;③同周期元素自左至右,第一电离能呈增大趋势,所以Al、Si中Si的第一电离能较大,P、Mg、Si的原子序数之和为15+12+14=41,故B正确;根据表格数据可知该元素的第三电离能和第四电离能相差较大,所以应为第ⅢA族元素,故C错误;电子层数越多原子半径越大,电子层数相同核电荷数越小半径越大,所以按Mg、Si、N、F的顺序,原子半径由大到小,故D错误。
3.(2020·大连市普兰店区第三十八中学开学考试)短周期元素X、Y、Z、W、Q在元素周期表中的相对位置如图所示。下列说法不正确的是( )
A.W、Y对应的简单氢化物的稳定性前者高
B.阴离子的还原性:W2->Q-
C.离子半径:Y2->Z3+
D.元素的非金属性:Y>W
答案 A
解析 W、Y对应的简单氢化物分别为H2S和H2O,元素非金属性越强,其简单气态氢化物的稳定性越强,非金属性:O>S,所以水的稳定性比H2S高,故A错误;S和Cl的非金属性:S<Cl,所以阴离子的还原性:S2->Cl-,故B正确;O2-和Al3+核外电子排布相同,离子半径随核电荷数的增大而减小,所以离子半径:O2->Al3+,故C正确;同主族元素,从上到下,原子半径逐渐增大,原子核对核外电子的束缚力逐渐减弱,所以元素的非金属性逐渐减弱,故元素的非金属性:O>S,故D正确。
4.基态原子的价电子排布式为4d105s1的元素应在( )
A.s区、第五周期第ⅠA族
B.ds区、第五周期第ⅠB族
C.d区、第四周期第ⅠB族
D.ds区、第五周期第ⅠA族
答案 B
解析 已知基态原子的价电子排布式为4d105s1,可知该元素原子核外有5个电子层,最外层有1个电子,在周期表中位置为第五周期第ⅠB族,属于ds区。
5.(2020·山东5月等级模拟,3)下列关于原子结构及元素周期表的说法错误的是( )
A.ⅡA族基态原子最外层电子排布均为ns2
B.第三、四周期同主族元素的原子序数均相差8
C.第四周期ⅡA族与ⅢA族元素的原子序数相差11
D.基态原子3d轨道上有5个电子的元素位于ⅥB族或ⅦB族
答案 B
解析 ⅡA族基态原子最外层电子排布均为ns2,故A正确;第三、四周期同主族元素的原子序数ⅠA、ⅡA均相差8,ⅢA~0族均相差18,故B错误;第四周期ⅡA族与ⅢA族元素的原子序数相差11,故C正确;基态原子3d轨道上有5个电子的元素位于ⅥB族或ⅦB族,故D正确;故答案选B。
6.类推是一种重要的学习方法,但如果不具体问题具体分析就会得出错误结论。下列类推结论正确的是( )
A.SiH4的熔、沸点比CH4高,则PH3的熔、沸点比NH3高
B.H2O比NH3稳定,则H2S也比NH3稳定
C.F2在暗处遇H2即爆炸,I2在暗处遇H2也爆炸
D.同族元素有Ca(OH)2的碱性强于Mg(OH)2,Pb(OH)4的碱性也应强于Sn(OH)4
答案 D
解析 由于NH3分子间存在氢键,导致PH3的熔、沸点比NH3的低,A项错误;元素非金属性越强,氢化物的稳定性越强,因非金属性:O>N,则H2O比NH3稳定,而非金属性:O>S,则无法通过类比比较H2S与NH3的稳定性,B项错误;同主族元素从上到下非金属性逐渐减弱,能用元素周期律解释F2在暗处遇H2即爆炸,但I2在暗处遇H2几乎不反应,C项错误;同一主族从上到下元素的金属性逐渐增强,金属性:Ca>Mg,则同族元素对应的最高价氧化物的水化物Ca(OH)2的碱性强于Mg(OH)2的碱性,同理,金属性:Pb>Sn,所以Pb(OH)4的碱性也应强于Sn(OH)4的碱性,D项正确。
7.下列说法不正确的是( )
A.某价电子排布式为4f75d16s2的基态原子,该元素位于周期表中第六周期第ⅢB族
B.在元素周期表中,s区、d区和ds区的元素都是金属元素
C.当碳原子的核外电子排布由转变为时,释放能量,由激发态转化成基态
D.非金属元素形成的共价化合物中,原子的最外层电子数不一定是2或8
答案 B
解析 由基态原子的价电子排布式为4f75d16s2,判断此元素位于周期表中第六周期第ⅢB族,故A正确;s区的H为非金属元素,d区和ds区的元素包括副族和第Ⅷ族元素,副族和第Ⅷ族元素全部是金属元素,故B错误;碳原子的核外电子排布为1s22s22p2,该原子处于基态,当核外电子排布为1s22s12p3,该原子处于激发态,所以由碳原子的核外电子排布由转变为的过程为由激发态转化为基态,故C正确;非金属元素形成的共价化合物中,原子的最外层电子数不一定是2或8,故D正确。
8.(2020·洛阳新安县第一高级中学高三开学考试)下图是周期表中短周期的一部分,已知Y原子与Z原子核外电子总数为X原子核外电子数的4倍,以下推断正确的是( )
A.X、Y、Z三者均为金属元素
B.X、Y、Z三者核外电子数之和为40
C.X与Y、Y与Z均可形成离子化合物
D.Y与Z只能形成一种共价化合物
答案 B
解析 设X原子核外电子数为x,Y、Z原子核外电子数分别为x+7、x+9,由已知条件可得(x+7)+(x+9)=4x,解得x=8,则X为O元素,Y为P元素,Z为Cl元素,三种元素都是非金属元素,故A错误;X为O,Y为P,Z为Cl,三者核外电子数之和为8+15+17=40,故B正确;P与O、O与Cl均可以形成共价化合物P2O5、Cl2O7,故C错误;P与Cl可以形成PCl3、PCl5等多种共价化合物,故D错误。
二、选择题:每小题有一个或两个选项符合题意。
9.下表中是A、B、C、D、E五种短周期元素的某些性质,下列判断正确的是( )
元素
A
B
C
D
E
最低化合价
-4
-2
-1
-2
-1
电负性
2.5
2.5
3.0
3.5
4.0
A.C、D、E的氢化物的稳定性:C>D>E
B.元素A的原子最外层轨道中无自旋状态相同的电子
C.元素B、C之间可能形成化合物
D.与元素B同周期且第一电离能最小的元素的单质能与H2O发生置换反应
答案 CD
解析 由以上表格可知A为C元素,B为S元素,C为Cl元素,D为O元素,E为F元素。非金属性F>O>Cl,元素的非金属性越强,对应的氢化物越稳定,A项错误;A为C元素,价层电子为2s22p2,p轨道有2个电子,自旋状态相同,B项错误;元素B、C之间可形成化合物S2Cl2等,C项正确;与元素B同周期且第一电离能最小的元素的单质为Na,为活泼金属,能与H2O发生置换反应生成氢气,D项正确。
10.(2020·全国卷Ⅲ,13)W、X、Y、Z为原子序数依次增大的短周期元素,四种元素的核外电子总数满足X+Y=W+Z;化合物XW3与WZ相遇会产生白烟。下列叙述正确的是( )
A.非金属性:W>X>Y>Z
B.原子半径:Z>Y>X>W
C.元素X的含氧酸均为强酸
D.Y的氧化物的水化物为强碱
答案 D
解析 化合物XW3与WZ相遇会产生白烟,推断为NH3与HCl反应,则W为H,X为N,Z为Cl,四种元素的核外电子总数满足X+Y=W+Z,推断出Y为Na。非金属性:Z>X>W>Y,A错误;原子半径:Y>Z>X>W,B错误;元素X的最高价氧化物对应的含氧酸(HNO3)是强酸,而HNO2不是强酸,C错误;Y的氧化物对应的水化物是NaOH,属于强碱,D正确。
11.元素X、Y、Z、M在周期表中的相对位置如图所示,已知M元素原子的价电子排布式为ns2npn+1,且有9个原子轨道。下列说法错误的是( )
X
Y
M
Z
A.M元素原子的价电子排布式为3s23p4
B.Y元素在周期表的第四周期第ⅤA族
C.X基态原子核外有1个未成对电子
D.Z元素原子的核外电子排布式为1s22s22p63s23p63d104s24p2
答案 BC
解析 M元素原子的价电子排布式为ns2npn+1,且有9个原子轨道,可知n=3时符合,核外电子排布式为1s22s22p63s23p4,M为S;由X、Y、Z、M在周期表中的相对位置可知,X为O、Y为P、Z为Ge,以此来解答。M为S,最外层电子数为6,价电子排布式为3s23p4,故A正确;Y为P,在周期表的第三周期第ⅤA族,故B错误;X为O,核外电子排布式为1s22s22p4,p轨道上有两个未成对电子,故C错误;Z为Ge,原子序数为32,核外电子排布式为1s22s22p63s23p63d104s24p2,故D正确。
12.以下有关元素性质的说法不正确的是( )
A.具有下列价电子排布式的原子中,①3s23p1 ②3s23p2③3s23p3 ④3s23p4,电负性最大的是③
B.某元素气态基态原子的逐级电离能(kJ·mol-1)分别为738、1 451、7 733、10 540、13 630、17 995、21 703,当它与氯气反应时可能生成的阳离子是X2+
C.①Na、K、Rb ②N、P、As ③O、S、Se ④Na、P、Cl,元素的第一电离能随原子序数增大而递增的是④
D.具有下列电子排布式的原子中,①1s22s22p63s23p2 ②1s22s22p3 ③1s22s22p2 ④1s22s22p63s23p4,原子半径最大的是①
答案 A
解析 ①3s23p1符合该价电子排布的为铝元素,②3s23p2符合该排布的为硅元素,③3s23p3符合该排布的为磷元素,④3s23p4符合该排布的为硫元素;同一周期,从左到右,元素的电负性逐渐增大,因此电负性最大的是④;A错误;第三电离能远大于第二电离能,所以是第ⅡA族元素,形成的阳离子是X2+,B正确;同一主族,从上到下,元素的第一电离能逐渐减弱,①Na、K、Rb,②N、P、As,③O、S、Se均符合此规律,同一周期从左到右,元素的第一电离能呈逐渐增大的趋势,④Na、P、Cl符合此规律,C正确;①1s22s22p63s23p2符合该排布的为硅元素,②1s22s22p3符合该排布的为氮元素,③1s22s22p2符合该排布的为碳元素,④1s22s22p63s23p4符合该排布的为硫元素,同一周期从左到右,原子半径逐渐减小,同一主族,从上到下原子半径逐渐增大,因此原子半径最大的为①,D正确。
三、非选择题
13.(1)镍元素基态原子的电子排布式为________,3d能级上的未成对电子数为________;C、N、O的第一电离能由大到小的顺序为__________;电负性:H、O、S电负性由大到小的顺序是________。B和N相比,电负性较大的是________;BN中B元素的化合价为________;从电负性角度分析,C、Si和O元素的非金属活泼性由强至弱的顺序为________。
(2)元素铜与镍的第二电离能分别为ICu=1 958 kJ·mol-1、INi=1 753 kJ·mol-1,ICu>INi的原因是___________________________________________________________________________。
(3)O、Na、P、Cl四种元素中电负性最大的是________(填元素符号),其中P原子的核外电子排布式为________。
(4)周期表前四周期的元素a、b、c、d、e,原子序数依次增大。a的核外电子总数与其周期数相同,b的价电子层中的未成对电子有3个,c的最外层电子数为其内层电子数的3倍,d与c同族;e的最外层只有1个电子,但次外层有18个电子。b、c、d中第一电离能最大的是__________(填元素符号),e的价层电子轨道表示式为__________________。
(5)①N、Al、Si、Zn四种元素中,有一种元素的电离能数据如下,则该元素是________(填写元素符号)。
电离能
I1
I2
I3
I4
……
In/kJ·mol-1
578
1 817
2 745
11 578
……
②Ge的最高价氯化物的分子式是__________。
③Ge元素可能的性质或应用有__________。
A.是一种活泼的金属元素
B.其电负性大于硫
C.其单质可作为半导体材料
D.其最高价氯化物的沸点低于其溴化物的沸点
(6)下图表示碳、硅和磷元素的四级电离能变化趋势,其中表示磷的曲线是__________(填字母)。
(7)Ni是元素周期表中第28号元素,第二周期基态原子未成对电子数与Ni相同且电负性小的元素是________。
(8)硒(Se)是一种有抗癌、抗氧化作用的元素,可以形成多种化合物。
①基态硒原子的价层电子排布式为____________________________________。
②锗、砷、硒的第一电离能大小排序为__________________________________________。
③砷与镓、硒是同周期的主族元素,其第一电离能从小到大的顺序是________。
答案 (1)1s22s22p63s23p63d84s2(或[Ar]3d84s2) 2 N>O>C O>S>H N +3 O>C>Si
(2)铜失去的是全充满的3d10电子,镍失去的是4s1电子
(3)O 1s22s22p63s23p3(或[Ne]3s23p3) (4)N
(5)①Al ②GeCl4 ③CD (6)b (7)C (8)①4s24p4 ②As>Se>Ge ③Ga
相关学案
这是一份高考化学一轮复习第五章物质结构与性质元素周期律第二讲元素周期表元素周期律学案新人教版,共33页。学案主要包含了三周期相差1,四等内容,欢迎下载使用。
这是一份2024届高考化学一轮复习专题5第22讲元素周期表元素周期律基础学案,共26页。
这是一份高考化学一轮复习第五章物质结构与性质元素周期律第二讲元素周期表元素周期律学案,文件包含湖南师大附中数学附中3次pdf、湖南师大附中数学答案附中3次pdf等2份试卷配套教学资源,其中试卷共14页, 欢迎下载使用。

